Morsetto di collegamento per dispersori nelle fondamenta e ferri di armatura

Per il collegamento di conduttori tondi e piatti nelle fondamenta oppure di reti elettrosaldate e ferri di armatura con conduttori tondi e piatti.

Posa del conduttore:
(II) = parallelo
(+) = a croce

Morsetto a cavallotto a compressione

Per collegamenti a "T", a croce e paralleli.

2 Prodotti

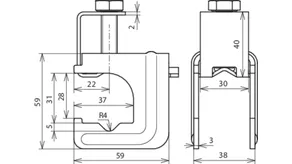
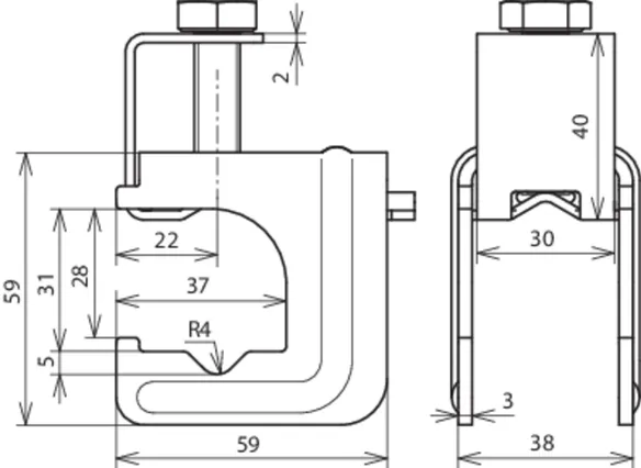
Art. 308031 VK DB 6.20 8.10 FL30 BSB STBL

GTIN (EAN) 4013364136571, Codice doganale (EU): 85359000, Peso lordo: 239.60 g, UM: 25.00 pz.


Immagini

Maggior informazioni

Morsetto di collegamento a cavallotto a compressione Fe/non zincato
Morsetto di collegamento pr il collegamento di conduttori tondi e piatti nelle fondamenta oppure di reti elettrosaldate e ferri di armatura con conduttori tondi e piatti
Materiale: Fe/non zincato
Campo di serraggio Td/Td: (+/II) 6-20 / 8-10 mm
Campo di serraggio Td/Pt: (+/II) 6-20 / 30 x 3-4 mm
Campo di serraggio Pt/Pt: (+/II) 30 x 3-4 / 30 x 3-4 mm
Esecuzione: senza ghiera di serraggio
Riferimento norma: CEI EN 62561-1

Fabbricato: DEHN
Tipo: VK DB 6.20 8.10 FL30 BSB STBL
Art.: 308031
o similare.

Certificati

 

Caratteristiche tecniche

Materiale Fe/non zincato
Campo di serraggio Td/Td (+/II) 6-20 / 8-10 mm
Campo di serraggio Td/Pt (+/II) 6-20 / 30 x 3-4 mm
Campo di serraggio Pt/Pt (+/II) 30 x 3-4 / 30 x 3-4 mm
Esecuzione senza ghiera di serraggio
Corrente di corto circuito (AC 50 Hz / DC) (1 s; ≤ 300 °C) 8,4 kA
Riferimento norma CEI EN 62561-1
*) Per l’attribuzione precisa vedere il certificato di prova.

Prodotto 308031 è stato aggiunto al blocco note.

Prodotto 308031 è stato aggiunto al carrello.

Apri Web-Shop

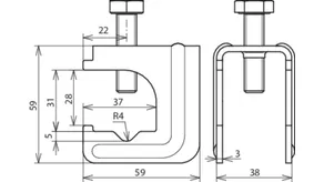
Art. 308033 VK DB KR 6.20 8.10 FL30 BSB STBL

GTIN (EAN) 4013364519978, Codice doganale (EU): 85359000, Peso lordo: 240.40 g, UM: 25.00 pz.


Immagini

Maggior informazioni

Morsetto a cavallotto a compressione Fe/non zincato
Morsetto a cavallotto a compressione con ghiera di serraggio
per il collegamento di conduttori tondi e
piatti nelle fondamenta in cemento
o di reti elettrosaldate e
armature con conduttori tondi e piatti.
per collegamenti a T, a croce e paralleli
Materiale: Fe/non zincato
Campo di serraggio Td/Td: (+/II) 6-20 / 8-10 mm
Campo di serraggio Td/Pt: (+/II) 6-20 / 30 x 3-4 mm
Campo di serraggio Pt/Pt: (+/II) 30 x 3-4 / 30 x 3-4 mm
Esecuzione: con ghiera di serraggio
Riferimento norma: CEI EN 62561-1

Fabbricato: DEHN
Tipo: VK DB KR 6.20 8.10 FL30 BSB STBL
Art.: 308033
o similare.

Certificati

 

Caratteristiche tecniche

Materiale Fe/non zincato
Campo di serraggio Td/Td (+/II) 6-20 / 8-10 mm
Campo di serraggio Td/Pt (+/II) 6-20 / 30 x 3-4 mm
Campo di serraggio Pt/Pt (+/II) 30 x 3-4 / 30 x 3-4 mm
Esecuzione con ghiera di serraggio
Corrente di corto circuito (AC 50 Hz / DC) (1 s; ≤ 300 °C) 8,4 kA
Riferimento norma CEI EN 62561-1
*) Per l’attribuzione precisa vedere il certificato di prova.

Prodotto 308033 è stato aggiunto al blocco note.

Prodotto 308033 è stato aggiunto al carrello.

Apri Web-Shop

Morsetto a cavallotto a compressione MAXI

Per collegamenti a "T", a croce e paralleli.

1 Prodotto

Art. 308036 VK DB 20.32 8.10 FL40 BSB STBL

GTIN (EAN) 4013364136588, Codice doganale (EU): 85359000, Peso lordo: 275.60 g, UM: 25.00 pz.


Immagini

Maggior informazioni

Morsetto a cavallotto a compressione MAXI Fe/non zincato
Morsetto di collegamento per il collegamento di conduttori tondi e piatti nelle fondamenta oppure di reti elettrosaldate e ferri di armatura con conduttori tondi e piatti
Materiale: Fe/non zincato
Campo di serraggio Td/Td: (+/II) 20-32 / 8-10 mm
Campo di serraggio Td/Pt: (+/II) 20-32 / 40 x 4-5 mm
Esecuzione: con ghiera di serraggio
Riferimento norma: CEI EN 62561-1

Fabbricato: DEHN
Tipo: VK DB 20.32 8.10 FL40 BSB STBL
Art.: 308036
o similare.

Certificati

 

Caratteristiche tecniche

Materiale Fe/non zincato
Campo di serraggio Td/Td (+/II) 20-32 / 8-10 mm
Campo di serraggio Td/Pt (+/II) 20-32 / 40 x 4-5 mm
Esecuzione con ghiera di serraggio
Corrente di corto circuito (AC 50 Hz / DC) (1 s; ≤ 300 °C) 14,0 kA
Riferimento norma CEI EN 62561-1
*) Per l’attribuzione precisa vedere il certificato di prova.

Prodotto 308036 è stato aggiunto al blocco note.

Prodotto 308036 è stato aggiunto al carrello.

Apri Web-Shop

Morsetto di collegamento senza piastra curva di pressione

Per collegamenti a croce.

1 Prodotto

Art. 308032 VK 6.20 FL30 BSB STBL

GTIN (EAN) 4013364152823, Codice doganale (EU): 85359000, Peso lordo: 178.50 g, UM: 25.00 pz.


Immagini

Maggior informazioni

Morsetto di collegamento senza piastra curva di pressione Fe/non zincato
Morsetto per il collegamento delle reti elettrosaldate oppure ferri di armatura con conduttori tondi oppure piatti
Materiale: Fe/non zincato
Campo di serraggio Td/Pt: (+) 6-20 / 30 x 3-4 mm
Campo di serraggio Pt/Pt: (+/II) 30 x 3-4 / 30 x 3-4 mm
Riferimento norma: CEI EN 62561-1

Fabbricato: DEHN
Tipo: VK 6.20 FL30 BSB STBL
Art.: 308032
o similare.

Certificati

 

Caratteristiche tecniche

Materiale Fe/non zincato
Campo di serraggio Td/Pt (+) 6-20 / 30 x 3-4 mm
Campo di serraggio Pt/Pt (+/II) 30 x 3-4 / 30 x 3-4 mm
Corrente di corto circuito (AC 50 Hz / DC) (1 s; ≤ 300 °C) 7,0 kA
Riferimento norma CEI EN 62561-1
*) Per l’attribuzione precisa vedere il certificato di prova.

Prodotto 308032 è stato aggiunto al blocco note.

Prodotto 308032 è stato aggiunto al carrello.

Apri Web-Shop

Morsetto di collegamento MAXI senza piastra curva di pressione

Per collegamenti a croce.

1 Prodotto

Art. 308037 VK 20.32 FL40 BSB STBL

GTIN (EAN) 4013364154704, Codice doganale (EU): 85359000, Peso lordo: 218.00 g, UM: 25.00 pz.


Immagini

Maggior informazioni

Morsetto di collegamento MAXI senza piastra curva di pressione Fe/non zincato
Morsetto di collegamento per il collegamento di conduttori tondi e piatti nelle fondamenta oppure di reti elettrosaldate e ferri di armatura con conduttori tondi e piatti
Materiale: Fe/non zincato
Campo di serraggio Td/Pt: (+) 20-32 / 30 x 3-40 x 5 mm
Riferimento norma: CEI EN 62561-1

Fabbricato: DEHN
Tipo: VK 20.32 FL40 BSB STBL
Art.: 308037
o similare.

Certificati

 

Caratteristiche tecniche

Materiale Fe/non zincato
Campo di serraggio Td/Pt (+) 20-32 / 30 x 3-40 x 5 mm
Riferimento norma CEI EN 62561-1
*) Per l’attribuzione precisa vedere il certificato di prova.

Prodotto 308037 è stato aggiunto al blocco note.

Prodotto 308037 è stato aggiunto al carrello.

Apri Web-Shop

back to top