Passante per parete a pressione tenuta stagna per "vasca bianca"

Nell’attuale tecnica edilizia, gli edifici con cantina vengono spesso realizzati sotto forma di "vasca bianca". Con la "vasca bianca" non è necessario alcuno strato di impermeabilizzazione supplementare, in quanto la piastra di fondazione e le pareti esterne vengono realizzate come una vasca chiusa in calcestruzzo con elevata resistenza alla penetrazione dell’acqua secondo le norme DIN EN 206-1 e DIN 1045-2. Questo calcestruzzo viene definito come calcestruzzo impermeabile.

Poiché il conduttore che costituisce il dispersore di terra viene introdotto con almeno 5 cm di copertura di calcestruzzo (misura da adottare per la protezione contro la corrosione), nel campo di posa si deve considerare l’assenza di umidità, e quindi il calcestruzzo funziona come un isolante. Per questa ragione, negli edifici muniti di "vasca bianca" occorre posare un dispersore di terra esterno. Negli edifici nuovi tale dispersore di terra di norma viene installato nel magrone di sottofondo, al di sotto della piastra di fondazione.
Gli effetti della miscelazione modificata per il calcestruzzo impermeabile sono descritti nella norma corrente DIN 18014 "Dispersore nelle fondazioni - Regole generale per la progettazione":2007-09.
I dispersori ad anello, installati al di sotto delle piastre di fondazione in forma di reti intermagliate conformemente alla norma DIN 18014, devono, ai fini dell’equipotenzialità, essere condotti all’interno dell’edificio per il collegamento alla barra di messa a terra principale (barra equipotenziale principale).

Anche il collegamento elettrico al dispersore ad anello deve essere realizzato in modalità impermeabile. Nello sviluppo delle boccole a parete a tenuta d’acqua, DEHN ha applicato anche a questi prodotti i requisiti stabiliti per le vasche bianche. Per questo, durante il processo di sviluppo del prodotto è stata posta particolare attenzione su come integrare i componenti nel modo più realistico possibile. Così, i campioni sono stati incorporati nel calcestruzzo (Figura 1) e quindi sottoposti a collaudo con acqua in pressione. Poiché le installazioni fino a una profondità di 10 m sono una pratica comune nel settore dell’edilizia (ad esempio nei parcheggi sotterranei), questa situazione di montaggio è stata trasferita ai modelli, sottoponendoli ad una pressione dell’acqua pari a 1 bar(Figura 2). Dopo l’indurimento del calcestruzzo utilizzato, i modelli sono stati collaudati con acqua a pressione e controllati per l’impermeabilità con un collaudo di lunga durata (65 ore).
L’azione capillare presenta un maggiore grado di difficoltà per le boccole a muro. Ciò significa che i liquidi (ad es. acqua) si disperdono in modo diverso nelle fessure strette o nei condotti stretti e vengono praticamente attratti o risucchiati all’interno dell’edificio. Questi spazi o condotti stretti possono formarsi durante il processo di indurimento e il conseguente ritiro del calcestruzzo.
Anche durante il montaggio del passante stagno per pareti nella cassaforma è quindi particolarmente importante lavorare in modo corretto e a regola dell’arte, come descritto dettagliatamente nelle relative istruzioni di montaggio.

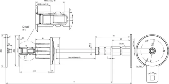
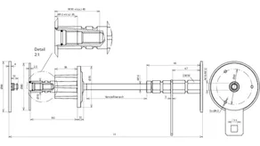
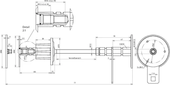
– Versione per il montaggio nella cassaforma con barriera stagna e filetto doppio M10/12, per il collegamento p.es. alla barra equipotenziale.
– Regolabile a seconda dello spessore della parete mediante filettatura M10 e dado di bloccaggio.
– Il passante può eventualmente essere accorciato anche sul lato filettato.
– compreso elemento di connessione (Fe/tZn, dimensioni 30 x 4 mm) con foro quadrato per il collegamento con cavallotto di fissaggio per conduttori tondi oppure morsetto a croce per conduttori piatti

3 Prodotti

Art. 478530 WD M10 12 V4A DWD L200 300 STTZN

GTIN (EAN) 4013364120341, Codice doganale (EU): 85359000, Peso lordo: 697.00 g, UM: 10.00 pz.


Immagini

Maggior informazioni

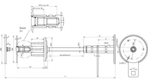
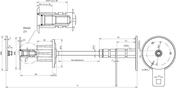
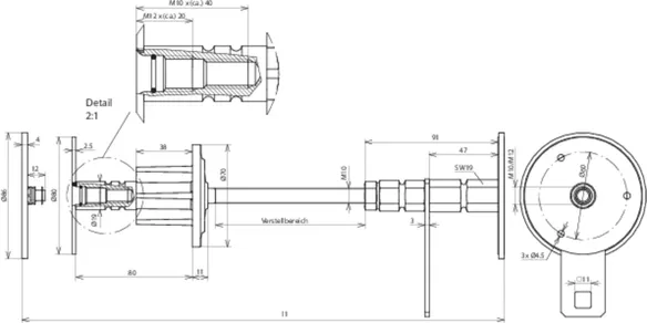
Passante da parete a tenuta stagna con acqua in pressione, per vasca bianca in acciaio inox (V4A)
Boccola passante da parete a tenuta d’acqua per vasca bianca, adatta
al passaggio di pareti a tenuta stagna con acqua in
pressione, ad es. per il collegamento del dispersore ad anello con la
barra equipotenziale o con il
conduttore equipotenziale nella fondazione.
Materiale piastra: INOX (V4A)
Materiale n.: 1.4571 / 1.4404 / 1.4401
ASTM / AISI:: 316Ti / 316L / 316
Materiale astina: Fe/tZn
Spessore parete: 200-300 mm
Filetto di collegamento: M10 / 12
Riferimento norma: DIN EN 62561-(1+5)

Fabbricato: DEHN
Tipo: WD M10 12 V4A DWD L200 300 STTZN
Art.: 478530
o similare.

Certificati

 

Caratteristiche tecniche

Materiale piastra INOX (V4A)
Materiale n. 1.4571 / 1.4404 / 1.4401
ASTM / AISI: 316Ti / 316L / 316
Materiale astina Fe/tZn
Spessore parete (l1) 200-300 mm
Filetto di collegamento M10 / 12
Piastra di collegamento Ø 80 mm
Riferimento norma DIN EN 62561-(1+5)

Prodotto 478530 è stato aggiunto al blocco note.

Prodotto 478530 è stato aggiunto al carrello.

Apri Web-Shop

Art. 478540 WD M10 12 V4A DWD L300 400 STTZN

GTIN (EAN) 4013364120358, Codice doganale (EU): 85359000, Peso lordo: 750.00 g, UM: 4.00 pz.


Immagini

Maggior informazioni

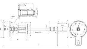
Passante da parete a tenuta stagna con acqua in pressione, per vasca bianca in acciaio inox (V4A)
Boccola passante da parete a tenuta d’acqua per vasca bianca, adatta
al passaggio di pareti a tenuta stagna con acqua in
pressione, ad es. per il collegamento del dispersore ad anello con la
barra equipotenziale o con il
conduttore equipotenziale nella fondazione.
Materiale piastra: INOX (V4A)
Materiale n.: 1.4571 / 1.4404 / 1.4401
ASTM / AISI:: 316Ti / 316L / 316
Materiale astina: Fe/tZn
Spessore parete: 300-400 mm
Filetto di collegamento: M10 / 12
Riferimento norma: DIN EN 62561-(1+5)

Fabbricato: DEHN
Tipo: WD M10 12 V4A DWD L300 400 STTZN
Art.: 478540
o similare.

Certificati

 

Caratteristiche tecniche

Materiale piastra INOX (V4A)
Materiale n. 1.4571 / 1.4404 / 1.4401
ASTM / AISI: 316Ti / 316L / 316
Materiale astina Fe/tZn
Spessore parete (l1) 300-400 mm
Filetto di collegamento M10 / 12
Piastra di collegamento Ø 80 mm
Riferimento norma DIN EN 62561-(1+5)

Prodotto 478540 è stato aggiunto al blocco note.

Prodotto 478540 è stato aggiunto al carrello.

Apri Web-Shop

Art. 478550 WD M10 12 V4A DWD L400 500 STTZN

GTIN (EAN) 4013364120365, Codice doganale (EU): 85359000, Peso lordo: 838.50 g, UM: 4.00 pz.


Immagini

Maggior informazioni

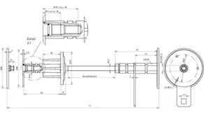
Passante da parete a tenuta stagna con acqua in pressione, per vasca bianca in acciaio inox (V4A)
Boccola passante da parete a tenuta d’acqua per vasca bianca, adatta
al passaggio di pareti a tenuta stagna con acqua in
pressione, ad es. per il collegamento del dispersore ad anello con la
barra equipotenziale o con il
conduttore equipotenziale nella fondazione.
Materiale piastra: INOX (V4A)
Materiale n.: 1.4571 / 1.4404 / 1.4401
ASTM / AISI:: 316Ti / 316L / 316
Materiale astina: Fe/tZn
Spessore parete: 400-500 mm
Filetto di collegamento: M10 / 12
Riferimento norma: DIN EN 62561-(1+5)

Fabbricato: DEHN
Tipo: WD M10 12 V4A DWD L400 500 STTZN
Art.: 478550
o similare.

Certificati

 

Caratteristiche tecniche

Materiale piastra INOX (V4A)
Materiale n. 1.4571 / 1.4404 / 1.4401
ASTM / AISI: 316Ti / 316L / 316
Materiale astina Fe/tZn
Spessore parete (l1) 400-500 mm
Filetto di collegamento M10 / 12
Piastra di collegamento Ø 80 mm
Riferimento norma DIN EN 62561-(1+5)

Prodotto 478550 è stato aggiunto al blocco note.

Prodotto 478550 è stato aggiunto al carrello.

Apri Web-Shop

back to top