Utensile spellacavi per condutture HVI light / condutture HVI light plus / condutture HVI

Lo strumento può essere utilizzato per togliere il rivestimento semiconduttore e contemporaneamente l’isolamento PE della conduttura HVI light e della conduttura HVI (diametro esterno 20 mm).
  • Lo strumento è composto da un manico e diverse teste di taglio intercambiabili
  • La lunghezza di spellatura della conduttura HVI light, della conduttura HVI light plus e della conduttura HVI è regolabile secondo incrementi (punti di innesto) di 0,2 mm tramite la rotella di regolazione integrata nel manico; la lunghezza impostata può essere letta sulla scala del manico.
UtilizzoApplicare la testa di taglio dell’attrezzo all’estremità mozzata del conduttore.Il taglio / la rimozione della guaina si effettua tramite rotazione in senso orario ed esercitando una leggera pressione con lo strumento.Il fissaggio della testa di taglio intercambiabile sul manico si effettua senza l’ausilio di attrezzi tramite un giunto a baionetta.

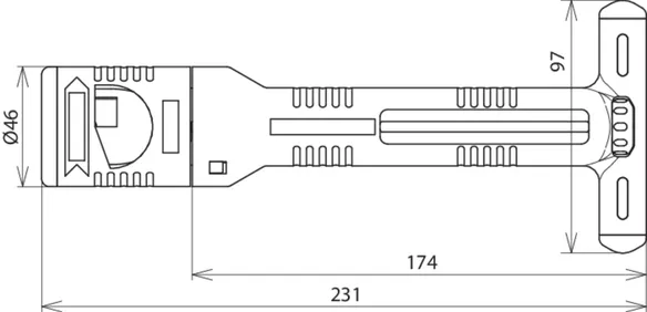
HVI strip 20

Versione per conduttura HVI light, conduttura HVI light plus e conduttura HVI (manico + testa di taglio).

1 Prodotto

Art. 597220 HVI STRIP 20

GTIN (EAN) 4013364144972, Codice doganale (EU): 82055980, Peso lordo: 330.00 g, UM: 1.00 pz.


Immagini

Maggior informazioni



Fabbricato: DEHN
Tipo: HVI STRIP 20
Art.: 597220
o similare.

 

Caratteristiche tecniche

Diametro Ø conduttore 20 mm (se necessario, rimuovere preventivamente la guaina grigia)
Materiale attrezzo materiale plastico
Materiale lama INOX

Prodotto 597220 è stato aggiunto al blocco note.

Prodotto 597220 è stato aggiunto al carrello.

Apri Web-Shop

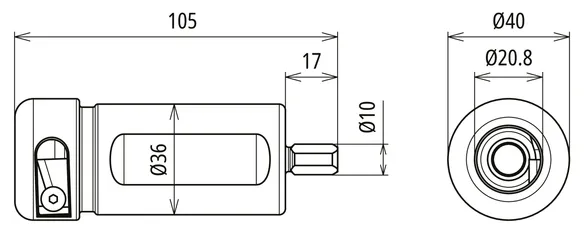
HVI head 20

Versione per conduttura HVI light Conduttura HVI light plus e conduttura HVI (testa di taglio).

1 Prodotto

Art. 597120 HVI HEAD 20

GTIN (EAN) 4013364142497, Codice doganale (EU): 82055980, Peso lordo: 100.00 g, UM: 1.00 pz.


Immagini

Maggior informazioni



Fabbricato: DEHN
Tipo: HVI HEAD 20
Art.: 597120
o similare.

 

Caratteristiche tecniche

Diametro Ø conduttore 20 mm (se necessario, rimuovere preventivamente la guaina grigia)
Materiale attrezzo materiale plastico
Materiale lama INOX

Prodotto 597120 è stato aggiunto al blocco note.

Prodotto 597120 è stato aggiunto al carrello.

Apri Web-Shop

<TRANSLATION_PLACEHOLDER>

<TRANSLATION_PLACEHOLDER>

1 Prodotto

Art. 597126 ISO HEAD 23

GTIN (EAN) 4013364519954, Codice doganale (EU): 82055980, Peso lordo: 251.61 g, UM: 1.00 pz.


Immagini

Maggior informazioni

Testa di fresatura
per il montaggio degli elementi
di connessione isolati
sulle calate isolate
resistenti alle alte tensioni

Fabbricato: DEHN
Tipo: ISO HEAD 23
Art.: 597126
o similare.

 

Caratteristiche tecniche

Diametro Ø conduttore 23 mm
Materiale attrezzo Al
Materiale lama Lega di acciaio

Prodotto 597126 è stato aggiunto al blocco note.

Prodotto 597126 è stato aggiunto al carrello.

Apri Web-Shop

back to top