DEHNvario

La famiglia di scaricatori variabile
  • Montaggio semplice e veloce per mezzo di morsetti di collegamento compatti
  • Collegamento del conduttore senza l'ausilio di attrezzi con tecnica a innesto diretto
  • Sostituzione veloce dello scaricatore per mezzo di semplice allentamento ed estrazione dell'unità dei morsetti di collegamento
  • Messa e terra/equipotenzialità attraverso la guida profilata
  • Protezione da sovratensione specifica per l'uso e il cliente

Dettagli

Contatto di messa a terra con portata di corrente di fulmine e impulsiva.
lorem ipsum
Rimozione semplice dell'unità dei morsetti di collegamento per la sostituzione veloce dello scaricatore.
lorem ipsum
Aperture di prova integrate per test nel circuito di segnale per mezzo del puntale di prova.
lorem ipsum
Esempio di soluzione: scaricatore 3 in 1 compatto per la protezione di 3 interfacce in un dispositivo.
lorem ipsum
Indicazione integrabile su richiesta.
lorem ipsum
Collegamento del conduttore semplice e senza l'ausilio di attrezzi con tecnica a innesto diretto.
lorem ipsum

DVR 2 BY S 150 FM

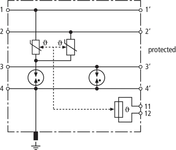
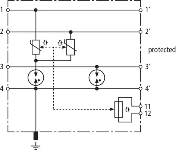
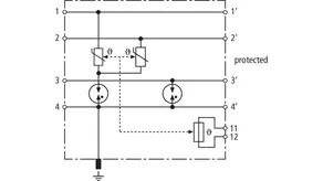
Scaricatore combinato compatto per la protezione di impianti elettroacustici (p. es. allarmi vocali, impianti con altoparlante). Protezione di una coppia di fili con separazione galvanica con la possibilità di schermatura diretta o indiretta. Collegamento del conduttore veloce e senza l’ausilio di attrezzi per mezzo di tecnica a innesto diretta. Per una facile sostituzione dello scaricatore, le unità dei morsetti di collegamento possono essere sbloccate e rimosse dall'involucro. Con contatto di telesegnalamento integrato (contatto in apertura n.c.).

1 Prodotto

Art. 928430 DVR 2 BY S 150 FM

GTIN (EAN) 4013364261389, Codice doganale (EU): 85363010, Peso lordo: 161.30 g, UM: 1.00 pz.


Immagini

Maggior informazioni

Scaricatore combinato DEHNvario DVR 2 BY S 150 FM
Scaricatore combinato compatto per la protezione di impianti elettroacustici (p. es. allarmi vocali, impianti con altoparlante). Protezione di una coppia di fili con separazione galvanica con la possibilità di schermatura diretta o indiretta. Collegamento del conduttore veloce e senza l’ausilio di attrezzi per mezzo di tecnica a innesto diretta. Per una facile sostituzione dello scaricatore, le unità dei morsetti di collegamento possono essere sbloccate e rimosse dall'involucro. Con contatto di telesegnalamento integrato (contatto in apertura n.c.)
Tensione nominale AC: 100 V
Tensione massima continuativa DC: 150 V
Tensione massima continuativa AC: 110 V
Corrente nominale con 70 °C: 10 A
Corrente nominale con 80 °C: 7 A
D1 Corrente impulsiva di fulmine (10/350 µs) per filo: 2,5 kA
D1 Corrente impulsiva di fulmine (10/350 µs) complessiva: 9 kA
C2 Corrente impulsiva nominale di scarica (8/20 µs) per filo: 7,5 kA
C2 Corrente impulsiva nominale di scarica (8/20 µs) complessiva: 22,5 kA
Frequenza limite filo-filo: 1,4 MHz
Grado di protezione: IP 20

Fabbricato: DEHN
Tipo: DVR 2 BY S 150 FM
Art.: 928430
o similare.

Certificati

 

Caratteristiche tecniche

Classe SPD L
Tensione massima continuativa DC (UC ) 150 V
Corrente nominale con 70 °C (IL ) 10 A
Corrente nominale con 80 °C (IL ) 7 A
D1 Corrente impulsiva di fulmine (10/350 µs) per filo (Iimp ) 2,5 kA
C2 Corrente impulsiva nominale di scarica (8/20 µs) complessiva (In ) 22,5 kA
Frequenza limite filo-filo (fG ) 1,4 MHz

Prodotto 928430 è stato aggiunto al blocco note.

Prodotto 928430 è stato aggiunto al carrello.

Apri Web-Shop

DVR BNC RS485 230

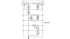
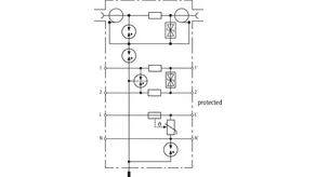
Scaricatore combinato 3 in 1 compatto per la protezione di impianti analogici con telecamera. Protezione del segnale video (collegamento BNC) e di un segnale dati (RS485) e di un'alimentazione di tensione (230 V AC). Connessione conduttore veloce e senza attrezzi tramite tecnica a innesto diretta. I morsetti di collegamento possono essere sbloccati e rimossi dall'involucro per una semplice sostituzione dello scaricatore. Con indicazione semplice di sovraccarico (230 V).

1 Prodotto

Art. 928440 DVR BNC RS485 230

GTIN (EAN) 4013364280809, Codice doganale (EU): 85363010, Peso lordo: 185.50 g, UM: 1.00 pz.


Immagini

Maggior informazioni

Scaricatore combinato 3 in 1 compatto DEHNvario per la protezione di impianti analogici con telecamera
Scaricatore combinato 3 in 1 compatto DEHNvario
Protezione del segnale video (collegamento BNC) e di un segnale dati (RS485) e di un'alimentazione di tensione (230 V AC). Connessione conduttore veloce e senza attrezzi tramite tecnica a innesto diretta. I morsetti di collegamento possono essere sbloccati e rimossi dall'involucro per una semplice sostituzione dello scaricatore. Con visualizzazione semplice di sovraccarico (230 V)
Classe SPD:
Alimentazione di tensione Tipo 2 / Class II
Video (BNC) Tipo 2 / P1
Dati (RS485) Tipo 2 / P1
Tensione nominale:
Alimentazione di tensione 230 V AC
Video (BNC) 5 V DC
Dati (RS485) 5 V DC
Tensione massima continuativa:
Alimentazione di tensione 255 V AC
Video (BNC) 6,4 V DC
Dati (RS485) 8 V DC
Corrente nominale:
Alimentazione di tensione 10 A
Video (BNC) 100 mA
Dati (RS485) 0,5 A

Fabbricato: DEHN
Tipo: DVR BNC RS485 230
Art.: 928440
o similare.

Certificati

 

Caratteristiche tecniche

Video (BNC)
Classe SPD U
Tensione massima continuativa DC (UC ) 6,4 V
Corrente nominale (IL ) 0,1 A
C2 corrente impulsiva nominale di scarica (8/20 µs) schermo-PG (In ) 10 kA
Attenuazione di inserzione con 300 MHz (75 Ohm) ≤ 3,0 dB
Collegamento ingresso / uscita connettore femmina BNC / connettore femmina BNC
Dati (RS485)
Classe SPD T
Tensione massima continuativa DC (UC ) 8 V
Corrente nominale (IL ) 0,5 A
C2 corrente impulsiva nominale di scarica (8/20 µs) totale (In ) 10 kA
Frequenza limite filo-filo (fG ) 100 MHz
Alimentazione di tensione (230 V)
Classe SPD Tipo 2 / Class II
Tensione massima continuativa AC [L-N] (UC ) 255 V (50 / 60 Hz)
Tensione massima continuativa AC [N-PE] (UC ) 255 V (50 / 60 Hz)
Corrente nominale (IL ) 10 A
Corrente impulsiva nominale di scarica (8/20 µs) (In ) 5 kA
Corrente max. di scarica (8/20 µs) (Imax ) 10 kA
Livello di protezione [L-N] (UP ) ≤ 1,5 kV
Livello di protezione [N-PE] (UP ) ≤ 1,5 kV

Prodotto 928440 è stato aggiunto al blocco note.

Prodotto 928440 è stato aggiunto al carrello.

Apri Web-Shop

back to top