DEHNventil modulare SN

DEHNventil M2 DB 410 FM

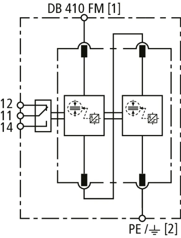
Scaricatore combinato modulare per reti a 400 V DC, utilizzabile in combinazione con lo scaricatore di disturbi DV M2 410 SN1886 FM (Art. n. 961 149).

1 Prodotto

Art. 999892 DV M2 DB 410 FM

GTIN (EAN) 4013364521353, Codice doganale (EU): 85363090, Peso lordo: 314.27 g, UM: 1.00 pz.


Immagini

Maggior informazioni



Fabbricato: DEHN
Tipo: DV M2 DB 410 FM
Art.: 999892
o similare.

 

Caratteristiche tecniche

SPD secondo CDV IEC 61643-41 Tipo 1 + tipo 2
Tensione massima continuativa DC (UC ) 410 V
Corrente impulsiva di fulmine (10/350 µs) [DC+ -> DC-] (Iimp ) 12,5 kA
Livello di protezione [DC+ --> DC-] (UP ) ≤ 2,5 kV
Prefusibile max fino a IK = 4 kA 160 A gG
Contatto di segnalazione remota / forma di contatto sì / contatto di scambio

Prodotto 999892 è stato aggiunto al blocco note.

Prodotto 999892 è stato aggiunto al carrello.

Apri Web-Shop

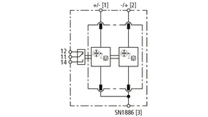
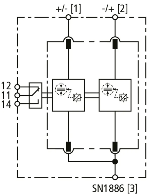
DEHNventil M2 410 SN1886 FM

Scaricatore coordinato unipolare per corrente di fulmine.

1 Prodotto

Art. 961149 DV M2 410 SN1886 FM

GTIN (EAN) 4013364521377, Codice doganale (EU): 85363090, Peso lordo: 290.00 g, UM: 1.00 pz.


Immagini

Maggior informazioni



Fabbricato: DEHN
Tipo: DV M2 410 SN1886 FM
Art.: 961149
o similare.

 

Caratteristiche tecniche

SPD secondo IEC 61643-11 Tipo 1 + tipo 2
Tensione massima continuativa AC (UC ) 255 V
Corrente impulsiva di fulmine (10/350 µs): (Iimp ) 25 kA
Livello di protezione (UP ) ≤ 2,5 kV
Prefusibile max fino a IK = 4 kA 160 A gG
Contatto di segnalazione remota / forma di contatto sì / contatto di scambio

Prodotto 961149 è stato aggiunto al blocco note.

Prodotto 961149 è stato aggiunto al carrello.

Apri Web-Shop

back to top