Staffa portafilo per conduttura HVI power in ambienti Ex

Il gestore di un impianto con rischio d'esplosione ha l'obbligo di suddividere l'impianto o parti dell'impianto in diverse zone con pericolo d'esplosione. Per questi impianti si deve considerare il fulmine come una potenziale fonte d'innesco. Per le diverse direttive e norme nazionali sulla sicurezza è richiesta una documentazione per la protezione dall'esplosione. In questa documentazione sono descritte le zone con i diversi rischi d'esplosione.

Il prodotto conduttura HVI power è idoneo per l'utilizzo in ambienti con pericolo d'esplosione della zona Ex 1 (gas, vapori e miscele) e della zona Ex 21 (polveri combustibili).
Le particolari condizioni d'installazione garantiscono che non si verifichi alcuna scintilla elettrica nei componenti metallici vicini durante il passaggio della corrente di fulmine nella conduttura HVI power.

Dettagli

lorem ipsum
lorem ipsum

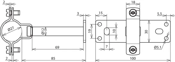
HVI power Ex W85 holder

Per il fissaggio su componenti metallici di costruzione (facciate) nelle zone Ex 1 e 21.

1 Prodotto

Art. 275450 LH ZS 27 EX W85 BP V2A

GTIN (EAN) 4013364244436, Codice doganale (EU): 85389099, Peso lordo: 179.40 g, UM: 10.00 pz.


Immagini

Maggior informazioni

Staffa portafilo per conduttura HVI in ambiente Ex
HVI power Ex W85 holder INOX
Staffa portafilo per conduttura HVI in ambiente Ex
per il fissaggio su tubi p. es. con nastro tenditore
(Art. 106 323) nelle zone Ex 1 e 21
Staffa portafilo serraggio Td: 27 mm
Fissaggio: [4x] Ø5,1 / [2x] 7 x 10 mm
Riferimento normativo: DIN IEC/TS 62561-8 (VDE V 0185-561-8)

Fabbricato: DEHN
Tipo: LH ZS 27 EX W85 BP V2A
Art.: 275450
o similare.

Certificati

 

Caratteristiche tecniche

Materiale INOX
Staffa portafilo serraggio Td 27 mm
Distanza parete 85 mm
Fissaggio [4x] Ø5,1 / [2x] 7 x 10 mm
Riferimento normativo DIN IEC/TS 62561-8 (VDE V 0185-561-8)

Prodotto 275450 è stato aggiunto al blocco note.

Prodotto 275450 è stato aggiunto al carrello.

Apri Web-Shop

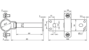
HVI power Ex W240 holder

Per il fissaggio su componenti metallici di costruzione (facciate) nelle zone Ex 1 e 21.

1 Prodotto

Art. 275451 LH ZS 27 EX W240 BP V2A

GTIN (EAN) 4013364244498, Codice doganale (EU): 85389099, Peso lordo: 291.40 g, UM: 10.00 pz.


Immagini

Maggior informazioni

Staffa portafilo per conduttura HVI in ambiente Ex
HVI power Ex W240 holder INOX
Staffa portafilo per conduttura HVI
in ambiente Ex per il fissaggio su tubi
p. es. con nastro tenditore (Art. 106 323) nelle zone Ex 1 e 21
Staffa portafilo serraggio Td: 27 mm
Fissaggio: [4x] Ø5,1 / [2x] 7 x 10 mm
Riferimento normativo: DIN IEC/TS 62561-8 (VDE V 0185-561-8)

Fabbricato: DEHN
Tipo: LH ZS 27 EX W240 BP V2A
Art.: 275451
o similare.

Certificati

 

Caratteristiche tecniche

Materiale INOX
Staffa portafilo serraggio Td 27 mm
Distanza parete 240 mm
Fissaggio [4x] Ø5,1 / [2x] 7 x 10 mm
Riferimento normativo DIN IEC/TS 62561-8 (VDE V 0185-561-8)

Prodotto 275451 è stato aggiunto al blocco note.

Prodotto 275451 è stato aggiunto al carrello.

Apri Web-Shop

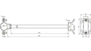
HVI power Ex busbar 500

Per la posa della conduttura HVI power con staffe portafilo HVI Ex W85 holder (Art. 275 450) su una struttura dielettrica p.es. pietra, legno.

1 Prodotto

Art. 275498 VS EX 500 V2A

GTIN (EAN) 4013364146945, Codice doganale (EU): 85389099, Peso lordo: 320.00 g, UM: 10.00 pz.

Predecessore

Immagini

Maggior informazioni

Staffa portafilo per conduttura HVI in ambiente Ex
busbar 500 per condutture HVI in ambienti Ex INOX
Staffa portafilo per conduttura HVI in ambiente Ex
per la posa di conduttura HVI con staffe portafilo
holder W70 per condutture HVI in ambienti Ex
(Art. 275 440) su una struttura dielettrica come ad es. pietra, legno
Fissaggio: [4x] Ø5,5 / [2x] 7 x 10 mm

Fabbricato: DEHN
Tipo: VS EX 500 V2A
Art.: 275498
o similare.

Certificati

 

Caratteristiche tecniche

Fissaggio [4x] Ø5,5 / [2x] 7 x 10 mm

Prodotto 275498 è stato aggiunto al blocco note.

Prodotto 275498 è stato aggiunto al carrello.

Apri Web-Shop

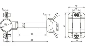
HVI power Ex P85 holder

Per il fissaggio su tubi p. es. con nastro tenditore (Art. 106 323) nelle zone Ex 1 e 21.

1 Prodotto

Art. 275454 LH ZS 27 EX P85 SBB V2A

GTIN (EAN) 4013364244504, Codice doganale (EU): 85389099, Peso lordo: 188.50 g, UM: 10.00 pz.


Immagini

Maggior informazioni

Staffa portafilo per conduttura HVI in ambiente Ex
HVI power Ex P85 holder INOX
Staffa portafilo per conduttura HVI in ambiente Ex
per il fissaggio su tubi p. es. con nastro tenditore
(Art. 106 323) nelle zone Ex 1 e 21
Staffa portafilo serraggio Td: 27 mm
Campo di serraggio tubo: 50-300 mm
Riferimento normativo: DIN IEC/TS 62561-8 (VDE V 0185-561-8)

Fabbricato: DEHN
Tipo: LH ZS 27 EX P85 SBB V2A
Art.: 275454
o similare.

Certificati

 

Caratteristiche tecniche

Materiale INOX
Staffa portafilo serraggio Td 27 mm
Distanza parete 85 mm
Campo di serraggio tubo 50-300 mm
Riferimento normativo DIN IEC/TS 62561-8 (VDE V 0185-561-8)

Prodotto 275454 è stato aggiunto al blocco note.

Prodotto 275454 è stato aggiunto al carrello.

Apri Web-Shop

HVI power Ex P240 holder

Per il fissaggio su tubi p. es. con nastro tenditore (Art. 106 323) nelle zone Ex 1 e 21.

1 Prodotto

Art. 275455 LH ZS 27 EX P240 SBB V2A

GTIN (EAN) 4013364244535, Codice doganale (EU): 85389099, Peso lordo: 296.30 g, UM: 10.00 pz.


Immagini

Maggior informazioni

Staffa portafilo per conduttura HVI in ambiente Ex
HVI power Ex P240 holder INOX
Staffa portafilo per conduttura HVI in ambiente Ex
per il fissaggio su tubi p. es. con nastro tenditore
(Art. 106 323) nelle zone Ex 1 e 21
Staffa portafilo serraggio Td: 27 mm
Campo di serraggio tubo: 50-300 mm
Riferimento normativo: DIN IEC/TS 62561-8 (VDE V 0185-561-8)

Fabbricato: DEHN
Tipo: LH ZS 27 EX P240 SBB V2A
Art.: 275455
o similare.

Certificati

 

Caratteristiche tecniche

Materiale INOX
Staffa portafilo serraggio Td 27 mm
Distanza parete 240 mm
Campo di serraggio tubo 50-300 mm
Riferimento normativo DIN IEC/TS 62561-8 (VDE V 0185-561-8)

Prodotto 275455 è stato aggiunto al blocco note.

Prodotto 275455 è stato aggiunto al carrello.

Apri Web-Shop

back to top