Staffa portafilo per conduttura HVI light plus in zone Ex

Il gestore di uno stabilimento con atmosfere potenzialmente esplosive è tenuto a suddividere l’impianto, o parti dell’impianto, in diverse zone potenzialmente esplosive. Per questi impianti il fulmine deve essere considerato come una potenziale fonte di innesco. In base alla normativa nazionale sulla salute e la sicurezza nei luoghi di lavoro, è richiesta la predisposizione di un documento sulla protezione dall’esplosione. In tale documento vengono descritte le diverse zone a rischio di esplosione.

Il prodotto “conduttura HVI light plus” è idoneo all’utilizzo nelle zone potenzialmente esplosive Ex 1 (gas, vapori, nebbia) così come nelle zone Ex 21 (polveri). Le particolari condizioni d’installazione assicurano l’assenza di qualsiasi scintilla elettrica verso le parti metalliche adiacenti durante il passaggio della corrente di fulmine nella conduttura HVI light plus.

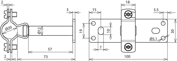
Supporto per HVI light plus Ex W55

Per il fissaggio su parti metalliche di costruzioni (ad es. facciate) nelle zone Ex 1 e 21.

1 Prodotto

Art. 275460 LH ZS 18 EX W55 BP V2A

GTIN (EAN) 4013364485921, Codice doganale (EU): 85389099, Peso lordo: 150.90 g, UM: 10.00 pz.


Immagini

Maggior informazioni

Staffa portafilo in acciaio inox per conduttura HVI light plus in zone Ex
Staffa portafilo per conduttura HVI light plus
in zone Ex con distanziatore
55 mm per il fissaggio su
parti strutturali metalliche
(facciate) nelle zone Ex 1 e 21
Campo di serraggio Td: 18 mm
Fissaggio: [4x] Ø5,1 / [2x] 7 x 10 mm
Riferimento normativo: DIN IEC/TS 62561-8 (VDE V 0185-561-8)

Fabbricato: DEHN
Tipo: LH ZS 18 EX W55 BP V2A
Art.: 275460
o similare.

Certificati

 

Caratteristiche tecniche

Materiale INOX
Campo di serraggio Td 18 mm
Distanza da parete 55 mm
Fissaggio [4x] Ø5,1 / [2x] 7 x 10 mm
Riferimento normativo DIN IEC/TS 62561-8 (VDE V 0185-561-8)

Prodotto 275460 è stato aggiunto al blocco note.

Prodotto 275460 è stato aggiunto al carrello.

Apri Web-Shop

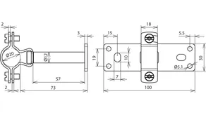
Supporto per HVI light plus Ex W160

Per il fissaggio su parti metalliche di costruzioni (ad es. facciate) nelle zone Ex 1 e 21.

1 Prodotto

Art. 275461 LH ZS 18 EX W160 BP V2A

GTIN (EAN) 4013364485938, Codice doganale (EU): 85389099, Peso lordo: 222.00 g, UM: 10.00 pz.


Immagini

Maggior informazioni

Staffa portafilo in acciaio inox per conduttura HVI light plus in zone Ex
Staffa portafilo per conduttura HVI light plus
in zone Ex con distanziatore
160 mm per il fissaggio su
parti strutturali metalliche
(facciate) nelle zone Ex 1 e 21
Campo di serraggio Td: 18 mm
Fissaggio: [4x] Ø 5,1 / [2x] 7 x 10 mm
Riferimento normativo: Specifica tecnica DIN IEC/TS 62561-8 (VDE V 0185-561-8)

Fabbricato: DEHN
Tipo: LH ZS 18 EX W160 BP V2A
Art.: 275461
o similare.

Certificati

 

Caratteristiche tecniche

Materiale INOX
Campo di serraggio Td 18 mm
Distanza da parete 160 mm
Fissaggio [4x] Ø 5,1 / [2x] 7 x 10 mm
Riferimento normativo Specifica tecnica DIN IEC/TS 62561-8 (VDE V 0185-561-8)

Prodotto 275461 è stato aggiunto al blocco note.

Prodotto 275461 è stato aggiunto al carrello.

Apri Web-Shop

HVI light plus Ex busbar 500

Per la posa della conduttura HVI con staffe portafilo HVI light plus Ex W55 su una struttura non conduttiva, come ad es. pietra, legno.

1 Prodotto

Art. 275498 VS EX 500 V2A

GTIN (EAN) 4013364146945, Codice doganale (EU): 85389099, Peso lordo: 320.00 g, UM: 10.00 pz.

Predecessore

Immagini

Maggior informazioni

Staffa portafilo per conduttura HVI in zone Ex barra collettrice Ex 500 INOX
Archetto di unione per la
posa della conduttura HVI
con staffa portafilo HVI Ex
(art. n. 275 460, 275 461)
su una struttura
non conduttiva, ad es. legno
Materiale elemento fissaggio: INOX
Fissaggio: [4x] Ø5,5 / [2x] 7 x 10 mm
Dimensioni: 450 x 30 x 3 mm

Fabbricato: DEHN
Tipo: VS EX 500 V2A
Art.: 275498
o similare.

Certificati

 

Caratteristiche tecniche

Materiale elemento fissaggio INOX
Fissaggio [4x] Ø5,5 / [2x] 7 x 10 mm
Dimensioni (lu x la x p) 450 x 30 x 3 mm

Prodotto 275498 è stato aggiunto al blocco note.

Prodotto 275498 è stato aggiunto al carrello.

Apri Web-Shop

Supporto per HVI light plus Ex P55

Per il fissaggio su tubi (ad es. con nastro tenditore art. n. 106 323) nelle zone Ex 1 e 21.

1 Prodotto

Art. 275464 LH ZS 18 EX P55 SBB V2A

GTIN (EAN) 4013364485945, Codice doganale (EU): 85389099, Peso lordo: 155.40 g, UM: 10.00 pz.


Immagini

Maggior informazioni

Staffa portafilo in acciaio inox per conduttura HVI light plus in zone Ex
Staffa portafilo per conduttura HVI light plus
in zone Ex con distanziatore
55 mm per il fissaggio a tubi,
ad es. con nastro tenditore
(n. art. 106 323, da ordinare separatamente)
nelle zone Ex 1 e 21
Campo di serraggio Td: 18 mm
Campo serraggio tubo: 50-300 mm
Riferimento normativo: DIN IEC/TS 62561-8 (VDE V 0185-561-8)

Fabbricato: DEHN
Tipo: LH ZS 18 EX P55 SBB V2A
Art.: 275464
o similare.

Certificati

 

Caratteristiche tecniche

Materiale INOX
Campo di serraggio Td 18 mm
Distanza da parete 55 mm
Campo serraggio tubo 50-300 mm
Riferimento normativo DIN IEC/TS 62561-8 (VDE V 0185-561-8)

Prodotto 275464 è stato aggiunto al blocco note.

Prodotto 275464 è stato aggiunto al carrello.

Apri Web-Shop

Supporto per HVI light plus Ex P160

Per il fissaggio su tubi (ad es. con nastro tenditore art. n. 106 323) nelle zone Ex 1 e 21.

1 Prodotto

Art. 275462 LH ZS 18 EX P160 SBB V2A

GTIN (EAN) 4013364485952, Codice doganale (EU): 85389099, Peso lordo: 224.70 g, UM: 10.00 pz.


Immagini

Maggior informazioni

Staffa portafilo in acciaio inox per conduttura HVI light plus in zone Ex
Staffa portafilo per conduttura HVI light plus
in zone Ex con distanziatore
160 mm per il fissaggio a tubi,
ad es. con nastro tenditore
(n. art. 106 323, da ordinare separatamente)
nelle zone Ex 1 e 21
Campo di serraggio Td: 18 mm
Campo serraggio tubo: 50-300 mm
Riferimento normativo: Specifica tecnica DIN IEC/TS 62561-8 (VDE V 0185-561-8)

Fabbricato: DEHN
Tipo: LH ZS 18 EX P160 SBB V2A
Art.: 275462
o similare.

Certificati

 

Caratteristiche tecniche

Materiale INOX
Campo di serraggio Td 18 mm
Distanza da parete 160 mm
Campo serraggio tubo 50-300 mm
Riferimento normativo Specifica tecnica DIN IEC/TS 62561-8 (VDE V 0185-561-8)

Prodotto 275462 è stato aggiunto al blocco note.

Prodotto 275462 è stato aggiunto al carrello.

Apri Web-Shop

back to top