Aste di captazione telescopiche

Per il fissaggio p.es. su pareti oppure altre costruzioni.

Le aste di captazione sono dimensionate secondo l’Eurocodice 1 (UNI EN 1991-1-4 + UNI EN 1991-1-4/NA).

Il fissaggio avviene p.es. ad una parete tramite l’art. n. 105 342 ed a tubi tramite l’art. n. 105 354.

Con lunghezza libera massima si intende quella dalla punta dell’asta di captazione fino al supporto superiore (punto di fissaggio).
Per motivi di stabilità, il supporto centrale (3 fissaggi) va montato il più direttamente possibile al di sotto del supporto superiore. La distanza non deve essere maggiore di 15 cm. Il supporto inferiore (punto di fissaggio) va installato a una distanza ≤ 15 cm, all’estremità dell’asta di captazione.

Altezza 1,5-5,2 m

1 Prodotto

Art. 105185 FS T D40 1500 5200 AL

GTIN (EAN) 4013364481411, Codice doganale (EU): 85389099, Peso lordo: 4.40 kg, UM: 1.00 pz.


Immagini

Maggior informazioni

Asta di captazione telescopica in alluminio
Diametro da 10 mm a 40 mm
Estensibile da 1,5 m a 5,2 m
Composta da 4 segmenti
Lunghezza libera max dell’asta di captazione da 3,7 m a 4,2 m
con fissaggio, p. es., a pareti o
ad altre strutture. Le aste di captazione sono dimensionate secondo
l’Eurocodice 1 (UNI EN 1991-1-4 + UNI EN 1991-1-4/NA)
per una velocità max delle raffiche di vento da
149 km/h a 190 km/h
a seconda dell’estensione della punta di captazione
Per il fissaggio, ad es., a una parete con
l’art. n. 105 342 e a tubi con l’art. n. 105 354
Lunghezza totale: 5200 mm
Lunghezza libera max con asta di captazione: 4200 mm
Lunghezza di serraggio: 500 mm e 1000 mm
Velocità max delle raffiche di vento (punta di captazione Ø 10 mm L 0 mm): 190 km/h
Velocità max. delle raffiche di vento (punta di captazione Ø 10 mm L 500 mm): 173 km/h
Velocità max delle raffiche di vento (punta di captazione Ø 10 mm L 1000 mm): 149 km/h
Numero di fissaggi: 2
Materiale dell’asta di captazione: Al

Fabbricato: DEHN
Tipo: FS T D40 1500 5200 AL
Art.: 105185
o similare.

 

Caratteristiche tecniche

Lunghezza totale 5200 mm
Punta di captazione (Ø lunghezza) 10-1000 mm
Palo di captazione (Ø lunghezza) 40/30/20-4200 mm
Lunghezza di trasporto 1650 mm
Componenti del palo 4
Base del palo Ø 40 mm
Lunghezza libera max con asta di captazione 4200 mm
Lunghezza di serraggio 500 mm e 1000 mm
Velocità max delle raffiche di vento (punta di captazione Ø 10 mm L 0 mm) 190 km/h
Velocità max. delle raffiche di vento (punta di captazione Ø 10 mm L 500 mm) 173 km/h
Velocità max delle raffiche di vento (punta di captazione Ø 10 mm L 1000 mm) 149 km/h
Numero di fissaggi 2
Materiale dell’asta di captazione Al
Riferimento normativo DIN EN 62561-(1+2)

Prodotto 105185 è stato aggiunto al blocco note.

Prodotto 105185 è stato aggiunto al carrello.

Apri Web-Shop

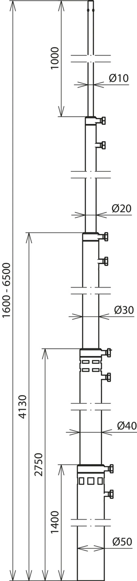
Altezza 1,6-6,5 m

1 Prodotto

Art. 105186 FS T D50 1600 6500 AL

GTIN (EAN) 4013364481435, Codice doganale (EU): 85389099, Peso lordo: 6.39 kg, UM: 1.00 pz.


Immagini

Maggior informazioni

Asta di captazione telescopica in alluminio
Diametro da 10 mm a 50 mm
Estensibile da 1,6 m a 6,5 m
Composta da 5 segmenti
Lunghezza libera max dell’asta di captazione da 4,5 m a 5,2 m
con fissaggio, p. es., a pareti o
ad altre strutture. Le aste di captazione sono dimensionate secondo
l’Eurocodice 1 (UNI EN 1991-1-4 + UNI EN 1991-1-4/NA)
per una velocità max delle raffiche di vento da
149 km/h a 189 km/h
a seconda dell’estensione della punta di captazione
Per il fissaggio, ad es., a una parete con
l’art. n. 105 342 e a tubi con l’art. n. 105 354
Lunghezza totale: 6500 mm
Lunghezza libera max con asta di captazione: 5200 mm
Lunghezza di serraggio: 1000 mm e 1300 mm
Velocità max delle raffiche di vento (punta di captazione Ø 10 mm L 0 mm): 189 km/h
Velocità max. delle raffiche di vento (punta di captazione Ø 10 mm L 500 mm): 172 km/h
Velocità max delle raffiche di vento (punta di captazione Ø 10 mm L 1000 mm): 149 km/h
Numero di fissaggi: 2-3
Materiale dell’asta di captazione: Al

Fabbricato: DEHN
Tipo: FS T D50 1600 6500 AL
Art.: 105186
o similare.

 

Caratteristiche tecniche

Lunghezza totale 6500 mm
Punta di captazione (Ø lunghezza) 10-1000 mm
Palo di captazione (Ø lunghezza) 50/40/30/20-5500 mm
Lunghezza di trasporto 1650 mm
Componenti del palo 5
Base del palo Ø 50 mm
Lunghezza libera max con asta di captazione 5200 mm
Lunghezza di serraggio 1000 mm e 1300 mm
Velocità max delle raffiche di vento (punta di captazione Ø 10 mm L 0 mm) 189 km/h
Velocità max. delle raffiche di vento (punta di captazione Ø 10 mm L 500 mm) 172 km/h
Velocità max delle raffiche di vento (punta di captazione Ø 10 mm L 1000 mm) 149 km/h
Numero di fissaggi 2-3
Materiale dell’asta di captazione Al
Riferimento normativo DIN EN 62561-(1+2)

Prodotto 105186 è stato aggiunto al blocco note.

Prodotto 105186 è stato aggiunto al carrello.

Apri Web-Shop

Altezza 1,8-8 m

1 Prodotto

Art. 105188 FS T D60 1800 8000 AL

GTIN (EAN) 4013364481442, Codice doganale (EU): 85389099, Peso lordo: 9.35 kg, UM: 1.00 pz.


Immagini

Maggior informazioni

Asta di captazione telescopica in alluminio
Diametro da 10 mm a 60 mm
Estensibile da 1,8 m a 8,0 m
Composta da 6 segmenti
con riduzione a D 50 mm
Lunghezza libera max dell’asta di captazione da 5,3 m a 6,3 m
con fissaggio, p. es., a pareti o
ad altre strutture. Le aste di captazione sono dimensionate secondo
l’Eurocodice 1 (UNI EN 1991-1-4 + UNI EN 1991-1-4/NA)
per una velocità max delle raffiche di vento da
153 km/h a 176 km/h
a seconda dell’estensione della punta di captazione
Per il fissaggio, ad es., a una parete con
l’art. n. 105 342 e a tubi con l’art. n. 105 354
Lunghezza totale: 8000 mm
Lunghezza libera max con asta di captazione: 6300 mm
Lunghezza di serraggio: 1700 mm
Velocità max delle raffiche di vento (punta di captazione Ø 10 mm L 0 mm): 176 km/h
Velocità max. delle raffiche di vento (punta di captazione Ø 10 mm L 500 mm): 166 km/h
Velocità max delle raffiche di vento (punta di captazione Ø 10 mm L 1000 mm): 153 km/h
Numero di fissaggi: 3
Materiale dell’asta di captazione: Al

Fabbricato: DEHN
Tipo: FS T D60 1800 8000 AL
Art.: 105188
o similare.

 

Caratteristiche tecniche

Lunghezza totale 8000 mm
Punta di captazione (Ø lunghezza) 10-1000 mm
Palo di captazione (Ø lunghezza) 50/60/50/40/30/20-7000 mm
Lunghezza di trasporto 1850 mm
Componenti del palo 6
Base del palo Ø 60 mm
Lunghezza libera max con asta di captazione 6300 mm
Lunghezza di serraggio 1700 mm
Velocità max delle raffiche di vento (punta di captazione Ø 10 mm L 0 mm) 176 km/h
Velocità max. delle raffiche di vento (punta di captazione Ø 10 mm L 500 mm) 166 km/h
Velocità max delle raffiche di vento (punta di captazione Ø 10 mm L 1000 mm) 153 km/h
Numero di fissaggi 3
Materiale dell’asta di captazione Al
Riferimento normativo DIN EN 62561-(1+2)

Prodotto 105188 è stato aggiunto al blocco note.

Prodotto 105188 è stato aggiunto al carrello.

Apri Web-Shop

back to top