Barra equipotenziale Ex senza scintille di innesco per ambienti Ex, zone 1/21, 2/22

Barra equipotenziale Ex senza scintille di innesco per l’integrazione di conduttori e cavi metallici nell’equipotenzialità di protezione dai fulmini secondo la norma VDE 0185-305-3 (IEC 62305-3) e per l’equipotenzialità di sicurezza e funzione secondo la norma DIN VDE 0100 parte 410/540.
  • Impiego in ambienti a rischio di esplosione zone Ex 1/21 e 2/22
  • Utilizzabile fino al gruppo di esplosione IIC e classe di temperatura T4
  • Collaudato come privo di scintille di innesco secondo CLC 50703-2 fino a 100 kA
  • Classe di portata di corrente di fulmine H
  • Bloccaggio delle viti contro l’auto-allentamento secondo VDE 0185-305-3 integrazione 2
  • Configurabile in modo flessibile per la realizzazione di diverse possibilità di collegamento

PAS EX 7(11)AP SET

  • Utilizzo nelle zone con pericolo di esplosione Zona Ex 1 e 2 (gas, vapori, nebbia) fino al gruppo di esplosione IIC nonché Zona Ex 21 e 22 (polveri)
  • Bloccaggio delle viti contro l’auto-allentamento
  • Se si utilizza l’adattatore Push-in, l’impiego è consentito solo in ambienti interni

2 Prodotti

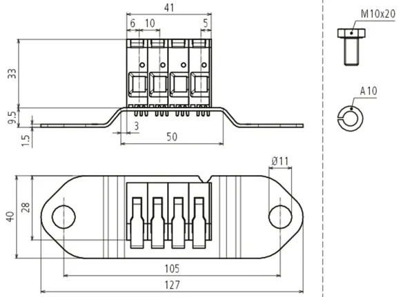
Art. 472415 PAS EX 7AP SET

GTIN (EAN) 4013364470590, Codice doganale (EU): 85359000, Peso lordo: 3.23 kg, UM: 1.00 pz.


Immagini

Maggior informazioni

SET barra equipotenziale Ex senza scintille di innesco EX 7AP
Integrazione di conduttori e cavi metallici
nell’equipotenzialità di protezione dai fulmini secondo la norma
VDE 0185-305-3 (IEC 62305-3) e
per l’equipotenzialità di sicurezza e funzione
secondo la norma DIN VDE 0100 parte 410/540.
Utilizzo nelle zone Ex 1 e 2 (gas, vapori, nebbia)
e nelle zone Ex 21 e 22 (polveri)
gruppo di esplosione IIC (fattore di sicurezza 1)
secondo CLC 62561-1;
classe di temperatura T4 e CEI EN 62561-1
(CEI 81-24)
classe di portata di corrente di fulmine H (100 kA).
Bloccaggio delle viti contro l’auto-allentamento
secondo VDE 0185-305-3 integrazione 2.
L’impiego è ammesso in ambienti sia interni
che esterni.
Corrente impulsiva di fulmine (10/350 µs) acciaio inox (V4A) 30x3,5mm/40x5mm:
2HExIIC 75 kA (senza scintille di innesco) T4
Corrente impulsiva di fulmine (10/350 µs) acciaio inox (V4A) 30x3,5mm/40x5mm:
H 100 kA
Corrente impulsiva di fulmine (10/350 µs) Fe/tZn 30x3,5mm/40x5mm:
1HExIIC 100 kA (senza scintille di innesco) T4
Max corrente di cortocircuito (AC 50 Hz / DC / 5 s) acciaio inox (V4A) 30x3,5 mm / 40x5 mm:
750 A / T4
Max corrente di cortocircuito (AC 50 Hz / DC / 5 s) Fe/tZn 30x3,5 mm / 40x5 mm:
1500 A / T4
Corrente impulsiva di fulmine (10/350 µs) acciaio inox (V4A) Ø 10 mm:
NExIIC 50 kA (senza scintille di innesco) T4
Corrente impulsiva di fulmine (10/350 µs) acciaio inox (V4A) Ø 10 mm:
75 kA
Corrente impulsiva di fulmine (10/350 µs) Fe/tZn Ø10 mm:
2HExIIC 75 kA (senza scintille di innesco) T4
Corrente impulsiva di fulmine (10/350 µs) Fe/tZn Ø10 mm:
H 100kA
Max. corrente di cortocircuito (AC 50 Hz / DC / 5 s) acciaio inox (V4A) Ø10 mm:
650 A / T4
Max corrente di corto circuito (AC 50 Hz / DC / 5 s) Fe/tZn Ø 10 mm:
1000 A / T4
Corrente impulsiva di fulmine (10/350 µs) rame 16 - 95 mm²:
1HExIIC 100 kA (senza scintille di innesco) T4
Max. corrente di cortocircuito (AC 50 Hz / DC / 5 s) rame 16 mm²:
750 A / T4
Max. corrente di cortocircuito (AC 50 Hz / DC / 5 s) rame 95 mm²:
3,1 kA / T4
Corrente impulsiva nominale di scarica (8/20 µs) per ciascun conduttore (In) 4-10 mm² rame:
10 kA (senza scintille di innesco)
Corrente impulsiva nominale di scarica (8/20 µs) per ciascun conduttore (In) 16 mm² rame:
15 kA (senza scintille di innesco)
Corrente impulsiva di fulmine (10/350 µs) rame 4-16 mm² (per ciascun conduttore):
3 kA (senza scintille di innesco)
Corrente impulsiva di fulmine (10/350 µs) rame 16 mm² (per ciascun conduttore):
25 kA (per ciascun conduttore)
Max temperatura superficiale T4: 135 °C
Per evitare la formazione di whisker nella zona a rischio di esplosione,
si consiglia l’impiego di capicorda a crimpare stagnati
con uno strato barriera in nichel.
Rotaia: 360 x 40 x 10 mm
Dimensioni: 382 x 140 x 101 mm
Collegamenti: 1 conduttore piatto 30/40 mm o
adattatore per Td 10 mm,
1 conduttore flessibile / rigido 16-95 mm²
mediante capocorda
1 adattatore Push-in 4 x 4-16 mm²
Materiale: Acciaio inox, n. di materiale: 1.4301 / 1.4303
Isolatore/alloggiamento adattatore Pt: Poliamide / senza alogeni
blu, stabilizzato ai raggi UV
Adattatore Push-in: poliamide
Riferimento norma: DIN EN 62561-1 / CLC 50703-2

Fabbricato: DEHN
Tipo: PAS EX 7AP SET
Art.: 472415
o similare.

Certificati

 

Caratteristiche tecniche

Collegamento Td/Pt 1 conduttore piatto 30/40 mm o 1 conduttore a sezione tonda 10 mm
Collegamento morsetto di collegamento 4 x 4-16 mm²
Collegamento capocorda 1 conduttore flessibile / rigido 16-95 mm²
Dimensioni 382 x 140 x 101 mm
Corrente impulsiva di fulmine (10/350 µs) acciaio inox (V4A) 30x3,5 mm / 40x5 mm 2HExIIC 75 kA (senza scintille di innesco) T4
Corrente impulsiva di fulmine (10/350 µs) Fe/tZn 30x3,5 mm / 40x5 mm 1HExIIC 100 kA (senza scintille di innesco) T4
Corrente impulsiva di fulmine (10/350 µs) acciaio inox (V4A) Ø 10 mm NExIIC 50 kA (senza scintille di innesco) T4
Corrente impulsiva di fulmine (10/350 µs) Fe/tZn Ø10 mm 2HExIIC 75 kA (senza scintille di innesco) T4
Corrente impulsiva di fulmine (10/350 µs) rame 16-95 mm2 1HExIIC 100 kA (senza scintille di innesco) T4
Corrente impulsiva di fulmine (10/350 µs) rame 4-16 mm² (per ciascun conduttore) 3 kA (senza scintille di innesco)
Corrente impulsiva nominale di scarica (8/20 µs) per ciascun conduttore (In) rame 4-10 mm² 10 kA (senza scintille di innesco)
Corrente impulsiva nominale di scarica (8/20 µs) per ciascun conduttore (In) rame 16 mm² 15 kA (senza scintille di innesco)
Max corrente di corto circuito (AC 50 Hz / DC / 5 s) acciaio inox (V4A) 30x3,5 mm / 40x5 mm 750 A / T4
Max corrente di corto circuito (AC 50 Hz / DC / 5 s) Fe/tZn 30x3,5 mm / 40x5 mm 1500 A / T4
Max corrente di corto circuito (AC 50 Hz / DC / 5 s) acciaio inox (V4A) Ø 10 mm 650 A / T4
Max corrente di corto circuito (AC 50 Hz / DC / 5 s) Fe/tZn Ø10 mm 1000 A / T4
Riferimento normativo DIN EN 62561-1 / CLC 50703-2

Prodotto 472415 è stato aggiunto al blocco note.

Prodotto 472415 è stato aggiunto al carrello.

Apri Web-Shop

Art. 472425 PAS EX 11AP SET

GTIN (EAN) 4013364470606, Codice doganale (EU): 85359000, Peso lordo: 3.82 kg, UM: 1.00 pz.


Immagini

Maggior informazioni

SET barra equipotenziale Ex senza scintille di innesco EX 11AP
Integrazione di conduttori e cavi metallici
nell’equipotenzialità di protezione dai fulmini secondo la norma
VDE 0185-305-3 (IEC 62305-3) e
per l’equipotenzialità di sicurezza e funzione
secondo la norma DIN VDE 0100 parte 410/540.
Utilizzo nelle zone Ex 1 e 2 (gas, vapori, nebbia)
e nelle zone Ex 21 e 22 (polveri)
gruppo di esplosione IIC (fattore di sicurezza 1)
secondo CLC 62561-1;
classe di temperatura T4 e CEI EN 62561-1
(CEI 81-24)
classe di portata di corrente di fulmine H (100 kA).
Bloccaggio delle viti contro l’auto-allentamento
secondo VDE 0185-305-3 integrazione 2.
L’impiego è ammesso in ambienti sia interni
che esterni.
Corrente impulsiva di fulmine (10/350 µs) acciaio inox (V4A) 30x3,5mm/40x5mm:
2HExIIC 75 kA (senza scintille di innesco) T4
Corrente impulsiva di fulmine (10/350 µs) acciaio inox (V4A) 30x3,5mm/40x5mm:
H 100 kA
Corrente impulsiva di fulmine (10/350 µs) Fe/tZn 30x3,5mm/40x5mm:
1HExIIC 100 kA (senza scintille di innesco) T4
Max corrente di cortocircuito (AC 50 Hz / DC / 5 s) acciaio inox (V4A) 30x3,5 mm / 40x5 mm:
750 A / T4
Max corrente di cortocircuito (AC 50 Hz / DC / 5 s) Fe/tZn 30x3,5 mm / 40x5 mm:
1500 A / T4
Corrente impulsiva di fulmine (10/350 µs) acciaio inox (V4A) Ø 10 mm:
NExIIC 50 kA (senza scintille di innesco) T4
Corrente impulsiva di fulmine (10/350 µs) acciaio inox (V4A) Ø 10 mm:
75 kA
Corrente impulsiva di fulmine (10/350 µs) Fe/tZn Ø10 mm:
2HExIIC 75 kA (senza scintille di innesco) T4
Corrente impulsiva di fulmine (10/350 µs) Fe/tZn Ø10 mm:
H 100kA
Max. corrente di cortocircuito (AC 50 Hz / DC / 5 s) acciaio inox (V4A) Ø10 mm:
650 A / T4
Max corrente di corto circuito (AC 50 Hz / DC / 5 s) Fe/tZn Ø 10 mm:
1000 A / T4
Corrente impulsiva di fulmine (10/350 µs) rame 16 - 95 mm²:
1HExIIC 100 kA (senza scintille di innesco) T4
Max. corrente di cortocircuito (AC 50 Hz / DC / 5 s) rame 16 mm²:
750 A / T4
Max. corrente di cortocircuito (AC 50 Hz / DC / 5 s) rame 95 mm²:
3,1 kA / T4
Corrente impulsiva nominale di scarica (8/20 µs) per ciascun conduttore (In) 4-10 mm² rame:
10 kA (senza scintille di innesco)
Corrente impulsiva nominale di scarica (8/20 µs) per ciascun conduttore (In) 16 mm² rame:
15 kA (senza scintille di innesco)
Corrente impulsiva di fulmine (10/350 µs) rame 4-16 mm² (per ciascun conduttore):
3 kA (senza scintille di innesco)
Corrente impulsiva di fulmine (10/350 µs) rame 16 mm² (per ciascun conduttore):
25 kA (per ciascun conduttore)
Max temperatura superficiale T4: 135 °C
Per evitare la formazione di whisker nella zona a rischio di esplosione,
si consiglia l’impiego di capicorda a crimpare stagnati
con uno strato barriera in nichel.
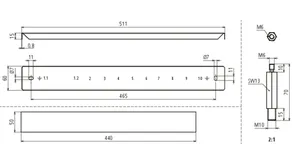
Rotaia: 500 x 40 x 10 mm
Dimensioni: 522 x 140 x 101 mm
Collegamenti: 1 conduttore piatto 30/40 mm
o adattatore per Td 10 mm,
5 conduttori flessibili / rigidi 16-95 mm²
mediante capocorda
1 adattatore Push-in 4 x 4-16 mm²
Materiale: INOX,
Materiale n. : 1.4301 / 1.4303
Isolatore/alloggiamento adattatore Pt: Poliamide / senza alogeni
blu, stabilizzato ai raggi UV
Adattatore Push-in: poliamide
Riferimento norma: DIN EN 62561-1 / CLC 50703-2

Fabbricato: DEHN
Tipo: PAS EX 11AP SET
Art.: 472425
o similare.

Certificati

 

Caratteristiche tecniche

Collegamento Td/Pt 1 conduttore piatto 30/40 mm o 1 conduttore a sezione tonda 10 mm
Collegamento morsetto di collegamento 4 x 4-16 mm²
Collegamento capocorda 5 conduttori flessibili / rigidi 16-95 mm²
Dimensioni 522 x 140 x 101 mm
Corrente impulsiva di fulmine (10/350 µs) acciaio inox (V4A) 30x3,5 mm / 40x5 mm 2HExIIC 75 kA (senza scintille di innesco) T4
Corrente impulsiva di fulmine (10/350 µs) Fe/tZn 30x3,5 mm / 40x5 mm 1HExIIC 100 kA (senza scintille di innesco) T4
Corrente impulsiva di fulmine (10/350 µs) acciaio inox (V4A) Ø 10 mm NExIIC 50 kA (senza scintille di innesco) T4
Corrente impulsiva di fulmine (10/350 µs) Fe/tZn Ø10 mm 2HExIIC 75 kA (senza scintille di innesco) T4
Corrente impulsiva di fulmine (10/350 µs) rame 16-95 mm2 1HExIIC 100 kA (senza scintille di innesco) T4
Corrente impulsiva di fulmine (10/350 µs) rame 4-16 mm² (per ciascun conduttore) 3 kA (senza scintille di innesco)
Corrente impulsiva nominale di scarica (8/20 µs) per ciascun conduttore (In) rame 4-10 mm² 10 kA (senza scintille di innesco)
Corrente impulsiva nominale di scarica (8/20 µs) per ciascun conduttore (In) rame 16 mm² 15 kA (senza scintille di innesco)
Max corrente di corto circuito (AC 50 Hz / DC / 5 s) acciaio inox (V4A) 30x3,5 mm / 40x5 mm 750 A / T4
Max corrente di corto circuito (AC 50 Hz / DC / 5 s) Fe/tZn 30x3,5 mm / 40x5 mm 1500 A / T4
Max corrente di corto circuito (AC 50 Hz / DC / 5 s) acciaio inox (V4A) Ø 10 mm 650 A / T4
Max corrente di corto circuito (AC 50 Hz / DC / 5 s) Fe/tZn Ø10 mm 1000 A / T4
Riferimento normativo DIN EN 62561-1 / CLC 50703-2

Prodotto 472425 è stato aggiunto al blocco note.

Prodotto 472425 è stato aggiunto al carrello.

Apri Web-Shop

PAS EX 1+5(9)AP M10 V2A

  • Utilizzo nelle zone con pericolo di esplosione Zona Ex 1 e 2 (gas, vapori, nebbia) fino al gruppo di esplosione IIC nonché Zona Ex 21 e 22 (polveri)
  • Bloccaggio delle viti contro l’auto-allentamento
  • L’impiego è ammesso in ambienti sia interni che esterni

2 Prodotti

Art. 472410 PAS EX 1+5AP M10 V2A

GTIN (EAN) 4013364470521, Codice doganale (EU): 85359000, Peso lordo: 1.96 kg, UM: 1.00 pz.


Immagini

Maggior informazioni

Barra equipotenziale Ex senza scintille di innesco EX 1+5AP M10 V2A
Integrazione di conduttori e cavi metallici
nell’equipotenzialità di protezione dai fulmini secondo la norma
VDE 0185-305-3 (IEC 62305-3) e per
l’equipotenzialità di sicurezza e funzione
secondo la norma DIN VDE 0100 parte 410/540.
Utilizzo nelle zone Ex 1 e 2
(gas, vapori, nebbia) e
nelle zone Ex 21 e 22 (polveri)
gruppo di esplosione IIC (fattore di sicurezza 1)
secondo CLC 62561-1;
classe di temperatura T4 e CEI EN 62561-1
(CEI 81-24)
classe di portata di corrente di fulmine H (100 kA).
Bloccaggio delle viti contro l’auto-allentamento
secondo VDE 0185-305-3 integrazione 2.
L’impiego è ammesso in ambienti sia interni
che esterni.
Corrente impulsiva di fulmine (10/350 µs) acciaio inox (V4A) 30x3,5mm/40x5mm:
2HExIIC 75 kA (senza scintille di innesco) T4
Corrente impulsiva di fulmine (10/350 µs) acciaio inox (V4A) 30x3,5mm/40x5mm:
H 100 kA
Corrente impulsiva di fulmine (10/350 µs) Fe/tZn 30x3,5mm/40x5mm:
1HExIIC 100 kA (senza scintille di innesco) T4
Max corrente di cortocircuito (AC 50 Hz / DC / 5 s) acciaio inox (V4A) 30x3,5 mm / 40x5 mm:
750 A / T4
Max corrente di cortocircuito (AC 50 Hz / DC / 5 s) Fe/tZn 30x3,5 mm / 40x5 mm:
1500 A / T4
Corrente impulsiva di fulmine (10/350 µs) rame 16 - 95 mm²:
1HExIIC 100 kA (senza scintille di innesco) T4
Max. corrente di cortocircuito (AC 50 Hz / DC / 5 s) rame 16 mm²:
750 A / T4
Max. corrente di cortocircuito (AC 50 Hz / DC / 5 s) rame 95 mm²:
3,1 kA / T4
Max temperatura superficiale T4: 135 °C
Per evitare la formazione di whisker nella zona a rischio di esplosione,
si consiglia l’impiego di capicorda a crimpare stagnati
con uno strato barriera in nichel.
Rotaia: 360 x 40 x 10 mm
Dimensioni: 382 x 140 x 101 mm
Collegamenti: 1 piatto (M10 x 40 mm con grova)
5 capicorda (M10 x 20 mm con grova)
Barra equipotenziale / cavallotto / viti / grova:
Acciaio inox, n. di materiale: 1.4301 / 1.4303
Isolatore/alloggiamento adattatore Pt:
Poliamide, senza alogeni blu, stabilizzato ai raggi UV
Riferimento norma: DIN EN 62561-1 / CLC 50703-2

Fabbricato: DEHN
Tipo: PAS EX 1+5AP M10 V2A
Art.: 472410
o similare.

Certificati

 

Caratteristiche tecniche

Collegamento Pt 1 conduttore piatto 30/40 mm
Collegamento capocorda 5 conduttori flessibili / rigidi 16-95 mm²
Dimensioni 382 x 140 x 65 mm
Corrente impulsiva di fulmine (10/350 µs) acciaio inox (V4A) 30x3,5 mm / 40x5 mm 2HExIIC 75 kA (senza scintille di innesco) T4
Corrente impulsiva di fulmine (10/350 µs) Fe/tZn 30x3,5 mm / 40x5 mm 1HExIIC 100 kA (senza scintille di innesco) T4
Corrente impulsiva di fulmine (10/350 µs) rame 16-95 mm2 1HExIIC 100 kA (senza scintille di innesco) T4
Max corrente di corto circuito (AC 50 Hz / DC / 5 s) acciaio inox (V4A) 30x3,5 mm / 40x5 mm 750 A / T4
Max corrente di corto circuito (AC 50 Hz / DC / 5 s) Fe/tZn 30x3,5 mm / 40x5 mm 1500 A / T4
Riferimento normativo DIN EN 62561-1 / CLC 50703-2
In riferimento alla resistenza alla corrosione, verificare l’applicabilità dei materiali usati per la EBB EX nelle condizioni ambientali esistenti (ad es. Cu/galSn, INOX, poliamide, poliuretano a base estere).

Prodotto 472410 è stato aggiunto al blocco note.

Prodotto 472410 è stato aggiunto al carrello.

Apri Web-Shop

Art. 472420 PAS EX 1+9AP M10 V2A

GTIN (EAN) 4013364476059, Codice doganale (EU): 85359000, Peso lordo: 2.50 kg, UM: 1.00 pz.


Immagini

Maggior informazioni

Barra equipotenziale Ex senza scintille di innesco EX 1+9AP M10 V2A
Integrazione di conduttori e cavi metallici
nell’equipotenzialità di protezione dai fulmini secondo la norma
VDE 0185-305-3 (IEC 62305-3) e per
l’equipotenzialità di sicurezza e funzione
secondo la norma DIN VDE 0100 parte 410/540.
Utilizzo nelle zone Ex 1 e 2
(gas, vapori, nebbia) e
nelle zone Ex 21 e 22 (polveri)
gruppo di esplosione IIC (fattore di sicurezza 1)
secondo CLC 62561-1;
classe di temperatura T4 e CEI EN 62561-1
(CEI 81-24)
classe di portata di corrente di fulmine H (100 kA).
Bloccaggio delle viti contro l’auto-allentamento
secondo VDE 0185-305-3 integrazione 2.
L’impiego è ammesso in ambienti sia interni
che esterni.
Corrente impulsiva di fulmine (10/350 µs) acciaio inox (V4A) 30x3,5mm/40x5mm:
2HExIIC 75 kA (senza scintille di innesco) T4
Corrente impulsiva di fulmine (10/350 µs) acciaio inox (V4A) 30x3,5mm/40x5mm:
H 100 kA
Corrente impulsiva di fulmine (10/350 µs) Fe/tZn 30x3,5mm/40x5mm:
1HExIIC 100 kA (senza scintille di innesco) T4
Max corrente di cortocircuito (AC 50 Hz / DC / 5 s) acciaio inox (V4A) 30x3,5 mm / 40x5 mm:
750 A / T4
Max corrente di cortocircuito (AC 50 Hz / DC / 5 s) Fe/tZn 30x3,5 mm / 40x5 mm:
1500 A / T4
Corrente impulsiva di fulmine (10/350 µs) rame 16 - 95 mm²:
1HExIIC 100 kA (senza scintille di innesco) T4
Max. corrente di cortocircuito (AC 50 Hz / DC / 5 s) rame 16 mm²:
750 A / T4
Max. corrente di cortocircuito (AC 50 Hz / DC / 5 s) rame 95 mm²:
3,1 kA / T4
Max temperatura superficiale T4: 135 °C
Per evitare la formazione di whisker nella zona a rischio di esplosione,
si consiglia l’impiego di capicorda a crimpare stagnati
con uno strato barriera in nichel.
Rotaia: 500 x 40 x 10 mm
Dimensioni: 522 x 140 x 101 mm
Collegamenti: 1 piatto (M10 x 40 mm con grova)
+ 9 capicorda (M10 x 20 mm con grova)
Barra equipotenziale / cavallotto / viti / grova:
Acciaio inox, n. di materiale: 1.4301 / 1.4303
Isolatore/alloggiamento adattatore Pt: Poliamide,
senza alogeni blu, stabilizzato ai raggi UV
Riferimento norma: DIN EN 62561-1 / CLC 50703-2

Fabbricato: DEHN
Tipo: PAS EX 1+9AP M10 V2A
Art.: 472420
o similare.

Certificati

 

Caratteristiche tecniche

Collegamento Pt 1 conduttore piatto 30/40 mm
Collegamento capocorda 9 conduttori flessibili / rigidi 16-95 mm²
Dimensioni 522 x 140 x 65 mm
Corrente impulsiva di fulmine (10/350 µs) acciaio inox (V4A) 30x3,5 mm / 40x5 mm 2HExIIC 75 kA (senza scintille di innesco) T4
Corrente impulsiva di fulmine (10/350 µs) Fe/tZn 30x3,5 mm / 40x5 mm 1HExIIC 100 kA (senza scintille di innesco) T4
Corrente impulsiva di fulmine (10/350 µs) rame 16-95 mm2 1HExIIC 100 kA (senza scintille di innesco) T4
Max corrente di corto circuito (AC 50 Hz / DC / 5 s) acciaio inox (V4A) 30x3,5 mm / 40x5 mm 750 A / T4
Max corrente di corto circuito (AC 50 Hz / DC / 5 s) Fe/tZn 30x3,5 mm / 40x5 mm 1500 A / T4
Riferimento normativo DIN EN 62561-1 / CLC 50703-2
In riferimento alla resistenza alla corrosione, verificare l’applicabilità dei materiali usati per la EBB EX nelle condizioni ambientali esistenti (ad es. Cu/galSn, INOX, poliamide, poliuretano a base estere).

Prodotto 472420 è stato aggiunto al blocco note.

Prodotto 472420 è stato aggiunto al carrello.

Apri Web-Shop

PAS EX 7(11)AP M10 V2A

  • Utilizzo nelle zone con pericolo di esplosione Zona Ex 1 e 2 (gas, vapori, nebbia) fino al gruppo di esplosione IIC nonché Zona Ex 21 e 22 (polveri)
  • Bloccaggio delle viti contro l’auto-allentamento
  • L’impiego è ammesso in ambienti sia interni che esterni

2 Prodotti

Art. 472411 PAS EX 7AP M10 V2A

GTIN (EAN) 4013364470460, Codice doganale (EU): 85359000, Peso lordo: 1.65 kg, UM: 1.00 pz.


Immagini

Maggior informazioni

Barra equipotenziale Ex senza scintille di innesco EX 7AP M10 V2A
Integrazione di conduttori e cavi metallici
nell’equipotenzialità di protezione dai fulmini secondo la norma
VDE 0185-305-3 (IEC 62305-3) e
per l’equipotenzialità di sicurezza e funzione
secondo la norma DIN VDE 0100 parte 410/540.
Utilizzo nelle zone Ex 1 e 2 (gas, vapori, nebbia)
e nelle zone Ex 21 e 22 (polveri)
gruppo di esplosione IIC (fattore di sicurezza 1)
secondo CLC 62561-1;
classe di temperatura T4 e CEI EN 62561-1
(CEI 81-24)
classe di portata di corrente di fulmine H (100 kA).
Bloccaggio delle viti contro l’auto-allentamento
secondo VDE 0185-305-3 integrazione 2.
L’impiego è ammesso in ambienti sia interni
che esterni.
Corrente impulsiva di fulmine (10/350 µs) rame 16 - 95 mm²:
1HExIIC 100 kA (senza scintille di innesco) T4
Max. corrente di cortocircuito (AC 50 Hz / DC / 5 s) rame 16 mm²:
750 A / T4
Max. corrente di cortocircuito (AC 50 Hz / DC / 5 s) rame 95 mm²:
3,1 kA / T4
Max temperatura superficiale T4: 135 °C
Per evitare la formazione di whisker nella zona a rischio di esplosione,
si consiglia l’impiego di capicorda a crimpare stagnati
con uno strato barriera in nichel.
Rotaia: 300 x 40 x 10 mm
Dimensioni: 382 x 140 x 101 mm
Collegamenti: 7 capicorda (M10 x 20 mm con grova)
Barra equipotenziale / viti / grova: INOX,
Materiale n. : 1.4301 / 1.4303
Isolatore: Poliamide, senza alogeni blu, stabilizzato ai raggi UV
Riferimento norma: DIN EN 62561-1 / CLC 50703-2

Fabbricato: DEHN
Tipo: PAS EX 7AP M10 V2A
Art.: 472411
o similare.

Certificati

 

Caratteristiche tecniche

Collegamento capocorda 7 conduttori flessibili / rigidi 16-95 mm²
Dimensioni 382 x 140 x 50 mm
Corrente impulsiva di fulmine (10/350 µs) rame 16-95 mm2 1HExIIC 100 kA (senza scintille di innesco) T4
Riferimento normativo DIN EN 62561-1 / CLC 50703-2
In riferimento alla resistenza alla corrosione, verificare l’applicabilità dei materiali usati per la EBB EX nelle condizioni ambientali esistenti (ad es. Cu/galSn, INOX, poliamide, poliuretano a base estere).

Prodotto 472411 è stato aggiunto al blocco note.

Prodotto 472411 è stato aggiunto al carrello.

Apri Web-Shop

Art. 472421 PAS EX 11AP M10 V2A

GTIN (EAN) 4013364470477, Codice doganale (EU): 85359000, Peso lordo: 2.16 kg, UM: 1.00 pz.


Immagini

Maggior informazioni

M10 V2A barra equipotenziale Ex senza scintille di innesco EX 11AP M10 V2A
Integrazione di conduttori e cavi metallici
nell’equipotenzialità di protezione dai fulmini secondo la norma
VDE 0185-305-3 (IEC 62305-3) e
per l’equipotenzialità di sicurezza e funzione
secondo la norma DIN VDE 0100 parte 410/540.
Utilizzo nelle zone Ex 1 e 2 (gas, vapori, nebbia)
e nelle zone Ex 21 e 22 (polveri)
gruppo di esplosione IIC (fattore di sicurezza 1)
secondo CLC 62561-1;
classe di temperatura T4 e CEI EN 62561-1
(CEI 81-24)
classe di portata di corrente di fulmine H (100 kA).
Bloccaggio delle viti contro l’auto-allentamento
secondo VDE 0185-305-3 integrazione 2.
L’impiego è ammesso in ambienti sia interni
che esterni.
Corrente impulsiva di fulmine (10/350 µs) rame 16 - 95 mm²:
1HExIIC 100 kA (senza scintille di innesco) T4
Max. corrente di cortocircuito (AC 50 Hz / DC / 5 s) rame 16 mm²:
750 A / T4
Max. corrente di cortocircuito (AC 50 Hz / DC / 5 s) rame 95 mm²:
3,1 kA / T4
Max temperatura superficiale T4: 135 °C
Per evitare la formazione di whisker nella zona a rischio di esplosione,
si consiglia l’impiego di capicorda a crimpare stagnati
con uno strato barriera in nichel.
Rotaia: 500 x 40 x 10 mm
Dimensioni: 522 x 140 x 101 mm
Collegamenti: 11 capicorda (M10 x 20 mm con grova)
Barra equipotenziale / viti / grova:
Acciaio inox, n. di materiale: 1.4301 / 1.4303
Isolatore: Poliamide, senza alogeni blu, stabilizzato ai raggi UV
Riferimento norma: DIN EN 62561-1 / CLC 50703-2

Fabbricato: DEHN
Tipo: PAS EX 11AP M10 V2A
Art.: 472421
o similare.

Certificati

 

Caratteristiche tecniche

Collegamento capocorda 11 conduttori flessibili / rigidi 16-95 mm²
Dimensioni 522 x 140 x 50 mm
Corrente impulsiva di fulmine (10/350 µs) rame 16-95 mm2 1HExIIC 100 kA (senza scintille di innesco) T4
Riferimento normativo DIN EN 62561-1 / CLC 50703-2
In riferimento alla resistenza alla corrosione, verificare l’applicabilità dei materiali usati per la EBB EX nelle condizioni ambientali esistenti (ad es. Cu/galSn, INOX, poliamide, poliuretano a base estere).

Prodotto 472421 è stato aggiunto al blocco note.

Prodotto 472421 è stato aggiunto al carrello.

Apri Web-Shop

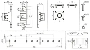
PAS EX AD 7(11) AP

Copertura con perni distanziatori per barra equipotenziale Ex senza scintille di innesco PAS EX. Con numerazione dei connettori e targhetta identificativa.

2 Prodotti

Art. 472412 PAS EX AD 7 AP

GTIN (EAN) 4013364470491, Codice doganale (EU): 85389099, Peso lordo: 576.00 g, UM: 1.00 pz.


Immagini

Maggior informazioni

Copertura con perni distanziatori
e targhetta identificativa per
barra equipotenziale EX 1+5AP M10 V2A e
barra equipotenziale EX 7AP M10 V2A
Materiale: INOX,
Materiale n. : 1.4301 / 1.4303

Fabbricato: DEHN
Tipo: PAS EX AD 7 AP
Art.: 472412
o similare.

 

Caratteristiche tecniche

Materiale INOX

Prodotto 472412 è stato aggiunto al blocco note.

Prodotto 472412 è stato aggiunto al carrello.

Apri Web-Shop

Art. 472422 PAS EX AD 11 AP

GTIN (EAN) 4013364470507, Codice doganale (EU): 85389099, Peso lordo: 658.00 g, UM: 1.00 pz.


Immagini

Maggior informazioni

Copertura con perni distanziatori
e targhetta identificativa per
barra equipotenziale EX 1+9AP M10 V2A e
barra equipotenziale EX 11AP M10 V2A
Materiale: INOX,
Materiale n. : 1.4301 / 1.4303

Fabbricato: DEHN
Tipo: PAS EX AD 11 AP
Art.: 472422
o similare.

 

Caratteristiche tecniche

Materiale INOX

Prodotto 472422 è stato aggiunto al blocco note.

Prodotto 472422 è stato aggiunto al carrello.

Apri Web-Shop

PAS EX CC

Adattatore Push-in per barra equipotenziale Ex senza scintille di innesco per il facile collegamento di conduttori flessibili. Utilizzo nelle zone con pericolo di esplosione Zona Ex 1 e 2 (gas, vapori, nebbia) fino al gruppo di esplosione IIC nonché Zona Ex 21 e 22 (polveri). Impiego consentito solo in ambienti interni.

1 Prodotto

Art. 472497 PAS EX CC

GTIN (EAN) 4013364470484, Codice doganale (EU): 85359000, Peso lordo: 196.00 g, UM: 1.00 pz.


Immagini

Maggior informazioni

Adattatore Push-in per la messa in contatto
di conduttori flessibili 4 x 4-16mm² su barra equipotenziale Ex...
Utilizzo in ambienti a rischio di esplosione
Zone Ex 1 e 2 (gas, vapori, nebbia)
nonché Zone Ex 21 e 22 (polveri)
Utilizzabile fino al gruppo di esplosione IIC
(fattore di sicurezza 1)
Utilizzabile fino alla classe di temperatura T4
Bloccaggio delle viti contro l’auto-allentamento
secondo VDE 0185-305-3 integrazione 2
Impiego consentito in ambienti interni
Corrente impulsiva nominale di scarica (8/20 µs) per ciascun conduttore (In) rame 4-10 mm²:
10 kA (senza scintille di innesco)
Corrente impulsiva nominale di scarica (8/20 µs) per ciascun conduttore (In) rame 16mm²:
15 kA (senza scintille di innesco)
Corrente impulsiva di fulmine (10/350 µs) rame 4-16 mm² (per ciascun conduttore):
3 kA (senza scintille di innesco)
Corrente impulsiva di fulmine (10/350 µs) rame 16 mm² (per ciascun conduttore):
25 kA
Materiale: poliamide

Fabbricato: DEHN
Tipo: PAS EX CC
Art.: 472497
o similare.

Certificati

 

Caratteristiche tecniche

Corrente impulsiva di fulmine (10/350 µs) rame 4-16 mm² (per ciascun conduttore) 3 kA (senza scintille di innesco)
Corrente impulsiva nominale di scarica (8/20 µs) per ciascun conduttore (In) rame 4-10 mm² 10 kA (senza scintille di innesco)
Corrente impulsiva nominale di scarica (8/20 µs) per ciascun conduttore (In) rame 16 mm² 15 kA (senza scintille di innesco)
Avvertenza: Assenza di scintille di innesco garantita solo in combinazione con barra equipotenziale Ex ...!

Prodotto 472497 è stato aggiunto al blocco note.

Prodotto 472497 è stato aggiunto al carrello.

Apri Web-Shop

PAS EX R

Adattatore per barra equipotenziale Ex senza scintille di innesco per il collegamento di un conduttore a sezione tonda. Utilizzo nelle zone con pericolo di esplosione Zona Ex 1 e 2 (gas, vapori, nebbia) fino al gruppo di esplosione IIC nonché Zona Ex 21 e 22 (polveri). L’impiego è ammesso in ambienti sia interni che esterni.

1 Prodotto

Art. 472498 PAS EX R

GTIN (EAN) 4013364476042, Codice doganale (EU): 85359000, Peso lordo: 790.00 g, UM: 1.00 pz.


Immagini

Maggior informazioni

Set di connessione Td 10 mm per
barra equipotenziale EX 11AP M10 V2A e
barra equipotenziale EX 7AP M10 V2A
Integrazione di conduttori e cavi metallici
nell’equipotenzialità di protezione dai fulmini secondo la norma
VDE 0185-305-3 (IEC 62305-3)
e per l’equipotenzialità di sicurezza e funzione
secondo la norma DIN VDE 0100 parte 410/540.
Utilizzo nelle zone Ex 1 e 2 (gas, vapori, nebbia)
e nelle zone Ex 21 e 22 (polveri)
gruppo di esplosione IIC (fattore di sicurezza 1)
secondo CLC 62561-1;
classe di temperatura T4 e CEI EN 62561-1
(CEI 81-24)
classe di portata di corrente di fulmine H (100 kA).
Bloccaggio delle viti contro l’auto-allentamento
secondo VDE 0185-305-3 integrazione 2.
L’impiego è ammesso in ambienti sia interni
che esterni.
Corrente impulsiva di fulmine (10/350 µs) acciaio inox (V4A) Ø 10 mm:
NExIIC 50 kA (senza scintille di innesco) T4
Corrente impulsiva di fulmine (10/350 µs) acciaio inox (V4A) Ø 10 mm:
75 kA
Corrente impulsiva di fulmine (10/350 µs) Fe/tZn Ø10 mm:
2HExIIC 75 kA (senza scintille di innesco) T4
Corrente impulsiva di fulmine (10/350 µs) Fe/tZn Ø10 mm:
H 100kA
Max. corrente di cortocircuito (AC 50 Hz / DC / 5 s) acciaio inox (V4A) Ø10 mm:
650 A / T4
Max corrente di corto circuito (AC 50 Hz / DC / 5 s) Fe/tZn Ø 10 mm:
1000 A / T4
Max temperatura superficiale T4: 135 °C
Adattatore Td/cavallotto: INOX,
Materiale n. : 1.4301 / 1.4303
Alloggiamento adattatore Pt: Poliamide,
senza alogeni blu, stabilizzato ai raggi UV

Fabbricato: DEHN
Tipo: PAS EX R
Art.: 472498
o similare.

Certificati

 

Caratteristiche tecniche

Corrente impulsiva di fulmine (10/350 µs) acciaio inox (V4A) Ø 10 mm NExIIC 50 kA (senza scintille di innesco) T4
Corrente impulsiva di fulmine (10/350 µs) Fe/tZn Ø10 mm 2HExIIC 75 kA (senza scintille di innesco) T4
Max corrente di corto circuito (AC 50 Hz / DC / 5 s) acciaio inox (V4A) Ø 10 mm 650 A / T4
Max corrente di corto circuito (AC 50 Hz / DC / 5 s) Fe/tZn Ø10 mm 1000 A / T4
Avvertenza: Assenza di scintille di innesco garantita solo in combinazione con barra equipotenziale Ex ...!

Prodotto 472498 è stato aggiunto al blocco note.

Prodotto 472498 è stato aggiunto al carrello.

Apri Web-Shop

PAS EX FL

Adattatore per barra equipotenziale Ex senza scintille di innesco per il collegamento di un conduttore piatto. Utilizzo nelle zone con pericolo di esplosione Zona Ex 1 e 2 (gas, vapori, nebbia) fino al gruppo di esplosione IIC nonché Zona Ex 21 e 22 (polveri). L’impiego è ammesso in ambienti sia interni che esterni.

1 Prodotto

Art. 472499 PAS EX FL

GTIN (EAN) 4013364470514, Codice doganale (EU): 85359000, Peso lordo: 408.00 g, UM: 1.00 pz.


Immagini

Maggior informazioni

Set di connessione Pt 30/40 mm per
barra equipotenziale EX 11AP M10 V2A
e barra equipotenziale EX 7AP M10 V2A
Integrazione di conduttori e cavi metallici
nell’equipotenzialità di protezione dai fulmini secondo la norma
VDE 0185-305-3 (IEC 62305-3) e
per l’equipotenzialità di sicurezza e funzione
secondo la norma DIN VDE 0100 parte 410/540.
Utilizzo nelle zone Ex 1 e 2 (gas, vapori, nebbia)
e nelle zone Ex 21 e 22 (polveri)
gruppo di esplosione IIC (fattore di sicurezza 1)
secondo CLC 62561-1;
classe di temperatura T4 e CEI EN 62561-1
(CEI 81-24)
classe di portata di corrente di fulmine H (100 kA).
Bloccaggio delle viti contro l’auto-allentamento
secondo VDE 0185-305-3 integrazione 2.
L’impiego è ammesso in ambienti sia interni
che esterni.
Corrente impulsiva di fulmine (10/350 µs) acciaio inox (V4A) 30x3,5mm/40x5mm:
2HExIIC 75kA (senza scintille di innesco) T4
Corrente impulsiva di fulmine (10/350 µs) acciaio inox (V4A) 30x3,5mm/40x5mm:
H 100 kA
Corrente impulsiva di fulmine (10/350 µs) Fe/tZn 30x3,5mm/40x5mm:
1HExIIC 100 kA (senza scintille di innesco) T4
Max corrente di cortocircuito (AC 50 Hz / DC / 5 s) acciaio inox (V4A) 30x3,5 mm / 40x5 mm:
750 A / T4
Max corrente di cortocircuito (AC 50 Hz / DC / 5 s) Fe/tZn 30x3,5 mm / 40x5 mm:
1500 A / T4
Max temperatura superficiale T4: 135 °C
Materiale cavallotto: INOX,
Materiale n. : 1.4301 / 1.4303
Alloggiamento adattatore Pt: Poliamide / senza alogeni
blu, stabilizzato ai raggi UV

Fabbricato: DEHN
Tipo: PAS EX FL
Art.: 472499
o similare.

Certificati

 

Caratteristiche tecniche

Corrente impulsiva di fulmine (10/350 µs) acciaio inox (V4A) 30x3,5 mm / 40x5 mm 2HExIIC 75kA (senza scintille di innesco) T4
Corrente impulsiva di fulmine (10/350 µs) Fe/tZn 30x3,5 mm / 40x5 mm 1HExIIC 100 kA (senza scintille di innesco) T4
Max corrente di corto circuito (AC 50 Hz / DC / 5 s) acciaio inox (V4A) 30x3,5 mm / 40x5 mm 750 A / T4
Max corrente di corto circuito (AC 50 Hz / DC / 5 s) Fe/tZn 30x3,5 mm / 40x5 mm 1500 A / T4
Avvertenza: Assenza di scintille di innesco garantita solo in combinazione con barra equipotenziale Ex ...!

Prodotto 472499 è stato aggiunto al blocco note.

Prodotto 472499 è stato aggiunto al carrello.

Apri Web-Shop

PAS ... CUGALSSN

Capocorda a crimpare DIN 46235 con strato barriera in nichel per evitare la formazione di whisker.

6 Prodotti

Art. 472432 PKS 16 10 CUGALNISN

GTIN (EAN) 4013364470538, Codice doganale (EU): 85369010, Peso lordo: 16.33 g, UM: 3.00 pz.


Immagini

Maggior informazioni

Capocorda a crimpare DIN 46235 16 mm² M10
rame/gal Sn con strato barriera in nichel
Per evitare la formazione di whisker nella
zona a rischio di esplosione, consigliamo l’impiego
di capicorda a crimpare stagnati
con uno strato barriera in nichel
Materiale: Rame/gal (Ni)Sn
Corrente impulsiva di fulmine (10/350 µs) rame/gal (Ni)Sn 16 mm² (Re/Rm/Rf) /
acciaio inox 40x10 mm: 1HExIIC 100 kA (senza scintille di innesco) T4
Max corrente di corto circuito (AC 50 Hz / DC / 5 s) rame/gal (Ni)Sn 16
mm² (Re) / acciaio inox 40x10 mm 1100 A / T4
Max corrente di corto circuito (AC 50 Hz / DC / 5 s) rame/gal (Ni)Sn 16
mm² (Rm/Rf) / acciaio inox 40x10 mm: 750 A / T4
Max temperatura superficiale T4: 135 °C
Foro capocorda: M10
Sezione del conduttore: 16 mm²

Fabbricato: DEHN
Tipo: PKS 16 10 CUGALNISN
Art.: 472432
o similare.

Certificati

 

Caratteristiche tecniche

Materiale Cu /gal (Ni)Sn
Foro capocorda M10
Sezione del conduttore 16 mm2
Avvertenza: Assenza di scintille di innesco garantita solo in combinazione con barra equipotenziale Ex ...!

Prodotto 472432 è stato aggiunto al blocco note.

Prodotto 472432 è stato aggiunto al carrello.

Apri Web-Shop

Art. 472433 PKS 25 10 CUGALNISN

GTIN (EAN) 4013364470545, Codice doganale (EU): 85369010, Peso lordo: 19.67 g, UM: 3.00 pz.


Immagini

Maggior informazioni

Capocorda a crimpare DIN 46235 25 mm² M10
rame/gal Sn con strato barriera in nichel
Per evitare la formazione di whisker nella
zona a rischio di esplosione, consigliamo l’impiego
di capicorda a crimpare stagnati
con uno strato barriera in nichel
Materiale: Rame/gal (Ni)Sn
Corrente impulsiva di fulmine (10/350 µs) rame/gal (Ni)Sn 25 mm² (Rm/Rf) /
acciaio inox 40x10 mm: 1HExIIC 100 kA (senza scintille di innesco) T4
Max corrente di corto circuito (AC 50 Hz / DC / 5 s) rame/gal (Ni)Sn
25 mm² (Rm/Rf) / acciaio inox 40x10 mm: 1100 A / T4
Max temperatura superficiale T4: 135 °C
Foro capocorda: M10
Sezione del conduttore: 25 mm²

Fabbricato: DEHN
Tipo: PKS 25 10 CUGALNISN
Art.: 472433
o similare.

Certificati

 

Caratteristiche tecniche

Materiale Cu /gal (Ni)Sn
Foro capocorda M10
Sezione del conduttore 25 mm2
Avvertenza: Assenza di scintille di innesco garantita solo in combinazione con barra equipotenziale Ex ...!

Prodotto 472433 è stato aggiunto al blocco note.

Prodotto 472433 è stato aggiunto al carrello.

Apri Web-Shop

Art. 472434 PKS 35 10 CUGALNISN

GTIN (EAN) 4013364470552, Codice doganale (EU): 85369010, Peso lordo: 34.33 g, UM: 3.00 pz.


Immagini

Maggior informazioni

Capocorda a crimpare DIN 46235 35 mm² M10
rame/gal Sn con strato barriera in nichel
Per evitare la formazione di whisker nella
zona a rischio di esplosione, consigliamo l’impiego
di capicorda a crimpare stagnati
con uno strato barriera in nichel
Materiale: Rame/gal (Ni)Sn
Corrente impulsiva di fulmine (10/350 µs) rame/gal (Ni)Sn 35 mm² (Rm/Rf) /
acciaio inox 40x10 mm: 1HExIIC 100 kA (senza scintille di innesco) T4
Max corrente di corto circuito (AC 50 Hz / DC / 5 s) rame/gal (Ni)Sn
35 mm² (Rm/Rf) / acciaio inox 40x10 mm: 1100 A / T4
Max temperatura superficiale T4: 135 °C
Foro capocorda: M10
Sezione del conduttore: 35 mm²

Fabbricato: DEHN
Tipo: PKS 35 10 CUGALNISN
Art.: 472434
o similare.

Certificati

 

Caratteristiche tecniche

Materiale Cu /gal (Ni)Sn
Foro capocorda M10
Sezione del conduttore 35 mm2
Avvertenza: Assenza di scintille di innesco garantita solo in combinazione con barra equipotenziale Ex ...!

Prodotto 472434 è stato aggiunto al blocco note.

Prodotto 472434 è stato aggiunto al carrello.

Apri Web-Shop

Art. 472435 PKS 50 10 CUGALNISN

GTIN (EAN) 4013364470569, Codice doganale (EU): 85369010, Peso lordo: 51.67 g, UM: 3.00 pz.


Immagini

Maggior informazioni

Capocorda a crimpare DIN 46235 50 mm² M10
rame/gal Sn con strato barriera in nichel
Per evitare la formazione di whisker nella
zona a rischio di esplosione, consigliamo l’impiego
di capicorda a crimpare stagnati
con uno strato barriera in nichel
Materiale: Rame/gal (Ni)Sn
Corrente impulsiva di fulmine (10/350 µs) rame/gal (Ni)Sn 50 mm² (Rm/Rf) /
acciaio inox 40x10 mm: 1HExIIC 100 kA (senza scintille di innesco) T4
Max corrente di corto circuito (AC 50 Hz / DC / 5 s) rame/gal (Ni)Sn
50 mm² (Rm/Rf) / acciaio inox 40x10 mm: 1100 A / T4
Max temperatura superficiale T4: 135 °C
Foro capocorda: M10
Sezione del conduttore: 50 mm²

Fabbricato: DEHN
Tipo: PKS 50 10 CUGALNISN
Art.: 472435
o similare.

Certificati

 

Caratteristiche tecniche

Materiale Cu /gal (Ni)Sn
Foro capocorda M10
Sezione del conduttore 50 mm2
Avvertenza: Assenza di scintille di innesco garantita solo in combinazione con barra equipotenziale Ex ...!

Prodotto 472435 è stato aggiunto al blocco note.

Prodotto 472435 è stato aggiunto al carrello.

Apri Web-Shop

Art. 472436 PKS 70 10 CUGALNISN

GTIN (EAN) 4013364470576, Codice doganale (EU): 85369010, Peso lordo: 68.00 g, UM: 3.00 pz.


Immagini

Maggior informazioni

Capocorda a crimpare DIN 46235 70 mm² M10
rame/gal Sn con strato barriera in nichel
Per evitare la formazione di whisker nella
zona a rischio di esplosione, consigliamo l’impiego
di capicorda a crimpare stagnati
con uno strato barriera in nichel
Materiale: Rame/gal (Ni)Sn
Corrente impulsiva di fulmine (10/350 µs) rame/gal (Ni)Sn 70 mm² (Rm/Rf) /
acciaio inox 40x10 mm: 1HExIIC 100 kA (senza scintille di innesco) T4
Max corrente di corto circuito (AC 50 Hz / DC / 5 s) rame/gal (Ni)Sn
70 mm² (Rm/Rf) / acciaio inox 40x10 mm: 1100 A / T4
Max temperatura superficiale T4: 135 °C
Foro capocorda: M10
Sezione del conduttore: 70 mm²

Fabbricato: DEHN
Tipo: PKS 70 10 CUGALNISN
Art.: 472436
o similare.

Certificati

 

Caratteristiche tecniche

Materiale Cu /gal (Ni)Sn
Foro capocorda M10
Sezione del conduttore 70 mm2
Avvertenza: Assenza di scintille di innesco garantita solo in combinazione con barra equipotenziale Ex ...!

Prodotto 472436 è stato aggiunto al blocco note.

Prodotto 472436 è stato aggiunto al carrello.

Apri Web-Shop

Art. 472437 PKS 95 10 CUGALNISN

GTIN (EAN) 4013364470583, Codice doganale (EU): 85369010, Peso lordo: 98.00 g, UM: 3.00 pz.


Immagini

Maggior informazioni

Capocorda a crimpare DIN 46235 95 mm² M10
rame/gal Sn con strato barriera in nichel
Per evitare la formazione di whisker nella
zona a rischio di esplosione, consigliamo l’impiego
di capicorda a crimpare stagnati
con uno strato barriera in nichel
Materiale: Rame/gal (Ni)Sn
Corrente impulsiva di fulmine (10/350 µs) rame/gal (Ni)Sn 95 mm² (Rm/Rf) /
acciaio inox 40x10 mm: 1HExIIC 100 kA (senza scintille di innesco) T4
Max corrente di corto circuito (AC 50 Hz / DC / 5 s) rame/gal (Ni)Sn
95 mm² (Rm/Rf) / acciaio inox 40x10 mm: 1100 A / T4
Max temperatura superficiale T4: 135 °C
Foro capocorda: M10
Sezione del conduttore: 95 mm²

Fabbricato: DEHN
Tipo: PKS 95 10 CUGALNISN
Art.: 472437
o similare.

Certificati

 

Caratteristiche tecniche

Materiale Cu /gal (Ni)Sn
Foro capocorda M10
Sezione del conduttore 95 mm2
Avvertenza: Assenza di scintille di innesco garantita solo in combinazione con barra equipotenziale Ex ...!

Prodotto 472437 è stato aggiunto al blocco note.

Prodotto 472437 è stato aggiunto al carrello.

Apri Web-Shop

back to top