Tripode per tubi portanti senza uscita laterale

Supporto per l’attacco di tubi portanti HVI per conduttura HVI posata all’interno o all’esterno del tubo portante, con cavallotto doppio di fissaggio per la connessione di 2x Td 8-10 mm. Adattamento all’inclinazione del tetto fino a max 10° mediante fissaggio variabile al supporto dello zoccolo.

Sono disponibili separatamente tra i rispettivi accessori gli zoccoli in cemento sovrapponibili, le piastre di base e il set di supporto degli zoccoli per l’attacco di ulteriori zoccoli in cemento.

Avvertenza: è possibile richiedere a DEHN informazioni sulla tollerabilità del materiale delle staffe portafili per tetti e delle basi di supporto in combinazione con le parti del tetto.

Tripode piccolo

1 Prodotto

Art. 107390 DBS KB D50 RA680 V2A

GTIN (EAN) 4013364478466, Codice doganale (EU): 85389099, Peso lordo: 7.75 kg, UM: 1.00 pz.

Predecessore

Immagini

Maggior informazioni

Tripode piccolo INOX (versione pieghevole)
Tripode (versione pieghevole) per tubi portanti
D 50 mm con uscita laterale o asta di captazione
D 40 mm con accessorio riduttore
Con cavallotto doppio di fissaggio per la connessione di 2 Td 8-10 mm
Per il montaggio con zoccoli in cemento (peso 17 kg)
Compensazione dell’angolo di inclinazione del tetto fino a max 10°
Zoccolo in cemento sovrapponibile (art. n. 102 010)
Piastra di base (art. n. 102 050)
Set di supporto per lo zoccolo (n. art. 107 396)
Gli accessori riduttori (n. art. 107 399)
sono da ordinare separatamente.
I tripodi sono dimensionati conformi
all’Eurocode 1 (DIN EN 1991-1-4 + DIN EN 1991-1-4/NA)
.
Materiale tripode: INOX
Serraggio: 50 e 40*) mm
Raggio: 680 mm
Ingombro tripode: 1175 x 1020 mm

Fabbricato: DEHN
Tipo: DBS KB D50 RA680 V2A
Art.: 107390
o similare.

Certificati

 

Caratteristiche tecniche

Materiale tripode INOX
Serraggio 50 e 40*) mm
Raggio 680 mm
Ingombro tripode 1175 x 1020 mm
*) Solo con kit adattatore n. art. 107 399.

Prodotto 107390 è stato aggiunto al blocco note.

Prodotto 107390 è stato aggiunto al carrello.

Apri Web-Shop

Tripode grande

1 Prodotto

Art. 107391 DBS KB D50 RA1330 V2A

GTIN (EAN) 4013364478473, Codice doganale (EU): 85389099, Peso lordo: 15.60 kg, UM: 1.00 pz.

Predecessore

Immagini

Maggior informazioni

Tripode grande INOX (versione pieghevole)
Tripode (versione pieghevole) per tubi portanti
D 50 mm con uscita laterale e cavallotto doppio di fissaggio per
la connessione di 2 Td 8-10 mm, per l’installazione con
zoccolo in cemento (peso 17 kg), con adattamento, tramite
Set di supporto per lo zoccolo su inclinazione del tetto fino a max 10°.
Zoccolo in cemento sovrapponibile (art. n. 102 010)
Piastra di base (art. n. 102 050)
Set di supporto per lo zoccolo (n. art. 107 396)
Gli accessori riduttori (n. art. 107 399)
sono da ordinare separatamente.
I tripodi sono dimensionati conformi
all’Eurocode 1 (DIN EN 1991-1-4 + DIN EN 1991-1-4/NA)
.
Materiale tripode: INOX
Serraggio: 50 e 40*) mm
Raggio: 1330 mm
Ingombro tripode: 2300 x 1995 mm

Fabbricato: DEHN
Tipo: DBS KB D50 RA1330 V2A
Art.: 107391
o similare.

 

Caratteristiche tecniche

Materiale tripode INOX
Serraggio 50 e 40*) mm
Raggio 1330 mm
Ingombro tripode 2300 x 1995 mm
*) Solo con kit adattatore n. art. 107 399.

Prodotto 107391 è stato aggiunto al blocco note.

Prodotto 107391 è stato aggiunto al carrello.

Apri Web-Shop

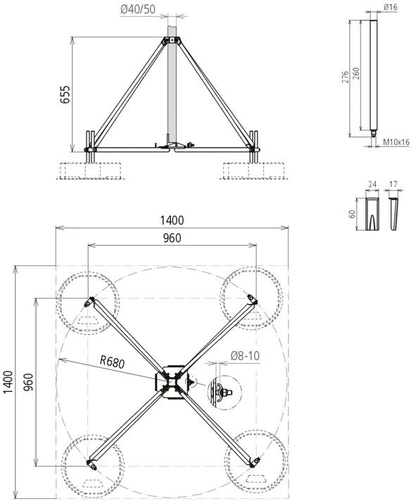
Quadripode piccolo

1 Prodotto

Art. 107490 VBS KB D50 RA680 V2A

GTIN (EAN) 4013364478480, Codice doganale (EU): 85389099, Peso lordo: 10.38 kg, UM: 1.00 pz.


Immagini

Maggior informazioni

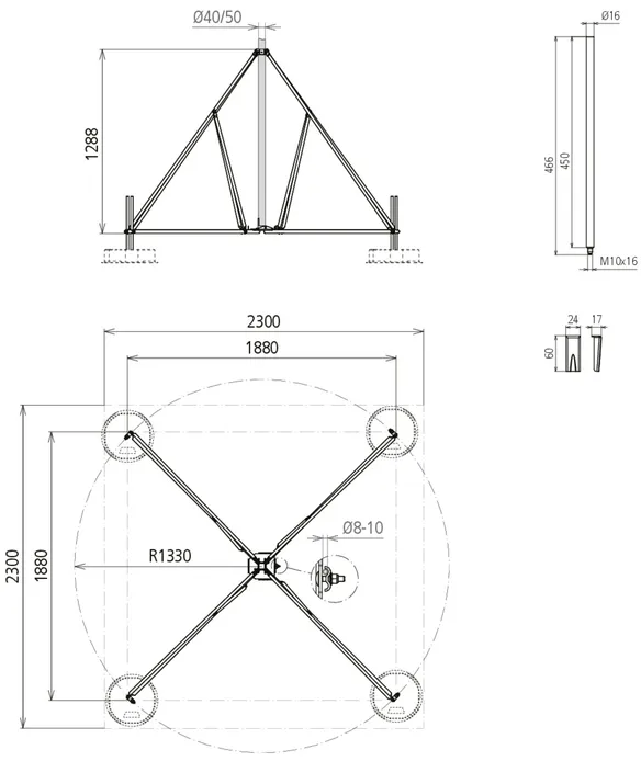
Quadripode piccolo INOX (versione pieghevole)
Quadripode (versione pieghevole) per tubi portanti
D 50 mm con uscita laterale o asta di captazione
D 40 mm con accessorio riduttore
Con cavallotto doppio di fissaggio per la connessione di 2 Td 8-10 mm
Per il montaggio con zoccoli in cemento (peso 17 kg)
Compensazione dell’angolo di inclinazione del tetto fino a max 10°
Zoccolo in cemento sovrapponibile (art. n. 102 010)
Piastra di base (art. n. 102 050)
Set di supporto per lo zoccolo (n. art. 107 396)
Accessorio riduttore (n. art. 107 399)
sono da ordinare separatamente.
I quadripodi sono dimensionati secondo
Eurocodice 1 (UNI EN 1991-1-4 + UNI EN 1991-1-4/NA)
.
Materiale tripode: INOX
Serraggio: 50 e 40*) mm
Raggio: 680 mm
Ingombro tripode: 960 x 960 mm

Fabbricato: DEHN
Tipo: VBS KB D50 RA680 V2A
Art.: 107490
o similare.

Certificati

 

Caratteristiche tecniche

Materiale tripode INOX
Serraggio 50 e 40*) mm
Raggio 680 mm
Ingombro tripode 960 x 960 mm
*) Solo con kit adattatore n. art. 107 399.

Prodotto 107490 è stato aggiunto al blocco note.

Prodotto 107490 è stato aggiunto al carrello.

Apri Web-Shop

Quadripode grande

1 Prodotto

Art. 107491 VBS KB D50 RA1330 V2A

GTIN (EAN) 4013364478497, Codice doganale (EU): 85389099, Peso lordo: 17.63 kg, UM: 1.00 pz.


Immagini

Maggior informazioni

Quadripode grande INOX (versione pieghevole)
Quadripode (versione pieghevole) per tubi portanti
D 50 mm con uscita laterale o asta di captazione
D 40 mm con accessorio riduttore
Con cavallotto doppio di fissaggio per la connessione di 2 Td 8-10 mm
Per il montaggio con zoccoli in cemento (peso 17 kg)
Compensazione dell’angolo di inclinazione del tetto fino a max 10°
Zoccolo in cemento sovrapponibile (art. n. 102 010)
Piastra di base (art. n. 102 050)
Set di supporto per lo zoccolo (n. art. 107 396)
Accessorio riduttore (n. art. 107 399)
sono da ordinare separatamente.
I quadripodi sono dimensionati secondo
Eurocodice 1 (UNI EN 1991-1-4 + UNI EN 1991-1-4/NA)
.
Materiale tripode: INOX
Serraggio: 50 e 40*) mm
Raggio: 1330 mm
Ingombro tripode: 1880 x 1880 mm

Fabbricato: DEHN
Tipo: VBS KB D50 RA1330 V2A
Art.: 107491
o similare.

 

Caratteristiche tecniche

Materiale tripode INOX
Serraggio 50 e 40*) mm
Raggio 1330 mm
Ingombro tripode 1880 x 1880 mm
*) Solo con kit adattatore n. art. 107 399.

Prodotto 107491 è stato aggiunto al blocco note.

Prodotto 107491 è stato aggiunto al carrello.

Apri Web-Shop

Tripode piccolo Fe/tZn

Adatto alla posa interna della conduttura HVI.

2 Prodotti

Art. 105351 DBS KB D40.50 RA620 STTZN

GTIN (EAN) 4013364238916, Codice doganale (EU): 85389099, Peso lordo: 11.50 kg, UM: 1.00 pz.


Immagini

Maggior informazioni

Tripode per conduttura HVI piccola Fe/tZn
Tripode per conduttura HVI Fe/tZn in tubo portante
versione specifica per tubi portanti (lunghezza 3200 mm).
Per rispettare il raggio di curvatura della conduttura HVI al di sotto
del tripode, vengono posizionati 2 zoccoli in cemento
sotto l’asta e uno sopra.
Senza fissaggio aggiuntivo agli elementi strutturali
È possibile l’adattamento all’inclinazione del tetto fino a max 10°.
Lo zoccolo in cemento sovrapponibile (art. n. 102 010) e la
piastra di base (art. n. 102 050) sono da ordinare separatamente.
I tripodi sono dimensionati conformi
all’Eurocode 1 (DIN EN 1991-1-4 + DIN EN 1991-1-4/NA) .
Materiale tripode: Fe/tZn
Serraggio: 40 / 50 mm
Raggio: 620 mm
Numero zoccoli: 3-12 pezzi da 17 kg
Ingombro tripode: 1300 x 1450 mm

Fabbricato: DEHN
Tipo: DBS KB D40.50 RA620 STTZN
Art.: 105351
o similare.

Certificati

 

Caratteristiche tecniche

Materiale tripode Fe/tZn
Serraggio 40 / 50 mm
Raggio 620 mm
Numero zoccoli 3-12 pezzi da 17 kg
Ingombro tripode 1300 x 1450 mm

Prodotto 105351 è stato aggiunto al blocco note.

Prodotto 105351 è stato aggiunto al carrello.

Apri Web-Shop

Art. 105357 DBS KB D40.50 RA220 STTZN

GTIN (EAN) 4013364527829, Codice doganale (EU): 85389099, Peso lordo: 8.04 kg, UM: 1.00 pz.


Immagini

Maggior informazioni

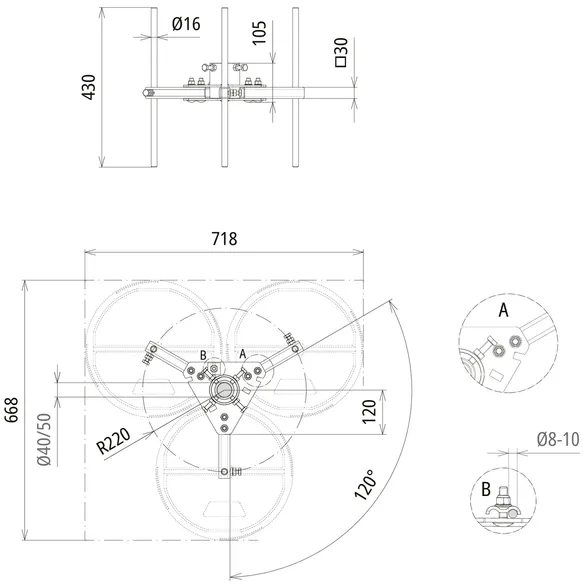
Tripode a risparmio di spazio, regolabile in altezza e chiudibile
per fissare aste di captazione e tubi portanti
D 40 mm e D50 mm
Compensazione dell'inclinazione del tetto possibile fino a 10°
Possibile l'applicazione di max quattro zoccoli in cemento
per ciascuna gamba
Materiale tripode: Fe/tZn
Serraggio: 40 / 50 mm
Raggio: 220 mm
Numero zoccoli: 3-12 pezzi da 17 kg
Ingombro tripode: 668 x 718 mm

Fabbricato: DEHN
Tipo: DBS KB D40.50 RA220 STTZN
Art.: 105357
o similare.

 

Caratteristiche tecniche

Materiale tripode Fe/tZn
Serraggio 40 / 50 mm
Raggio 220 mm
Numero zoccoli 3-12 pezzi da 17 kg
Ingombro tripode 668 x 718 mm

Prodotto 105357 è stato aggiunto al blocco note.

Prodotto 105357 è stato aggiunto al carrello.

Apri Web-Shop

Tripode grande Fe/tZn

Adatto alla posa esterna della conduttura HVI.

1 Prodotto

Art. 105201 DBS KB D40.50 RA1435 STTZN

GTIN (EAN) 4013364095915, Codice doganale (EU): 85389099, Peso lordo: 17.23 kg, UM: 1.00 pz.


Immagini

Maggior informazioni

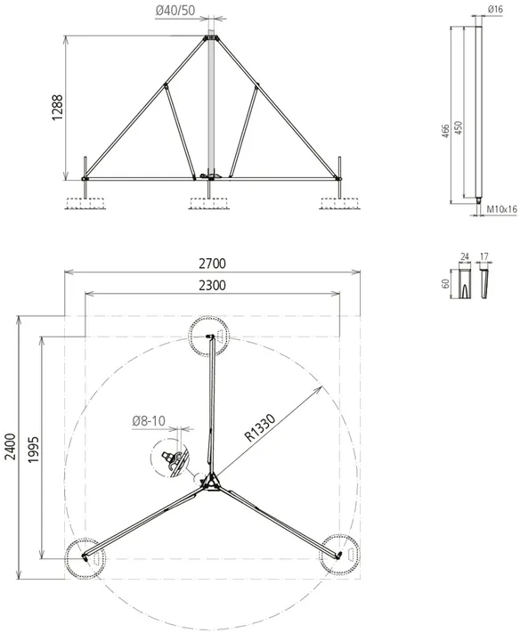
Tripode per conduttura HVI Fe/tZn
Tripode per conduttura HVI Fe/tZn in tubo portante
Versione specifica per tubi portanti (lunghezza 4700 mm).
Per rispettare il raggio di curvatura della conduttura HVI al di sotto
del tripode, vengono posizionati 2 zoccoli in cemento
sotto l’asta e uno sopra.
Senza fissaggio aggiuntivo agli elementi strutturali
È possibile l’adattamento all’inclinazione del tetto fino a max 10°.
Lo zoccolo in cemento sovrapponibile (art. n. 102 010) e la
piastra di base (art. n. 102 050) sono da ordinare separatamente.
I tripodi sono dimensionati conformi
all’Eurocode 1 (DIN EN 1991-1-4 + DIN EN 1991-1-4/NA).
Materiale tripode: Fe/tZn
Serraggio: 40 / 50 mm
Raggio: 1435 mm
Numero zoccoli: 3-12 pezzi da 17 kg
Ingombro tripode: 2520 x 2860 mm

Fabbricato: DEHN
Tipo: DBS KB D40.50 RA1435 STTZN
Art.: 105201
o similare.

Certificati

 

Caratteristiche tecniche

Materiale tripode Fe/tZn
Serraggio 40 / 50 mm
Raggio 1435 mm
Numero zoccoli 3-12 pezzi da 17 kg
Ingombro tripode 2520 x 2860 mm

Prodotto 105201 è stato aggiunto al blocco note.

Prodotto 105201 è stato aggiunto al carrello.

Apri Web-Shop

back to top