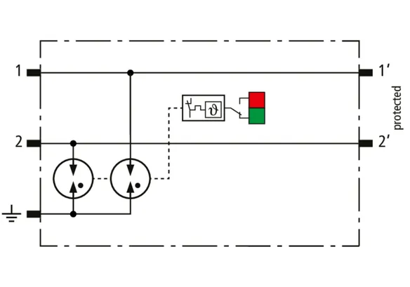
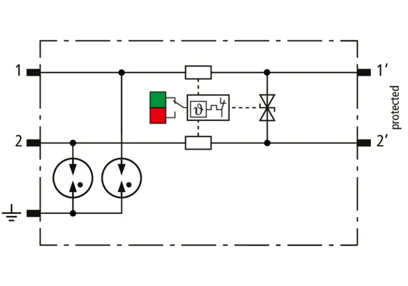
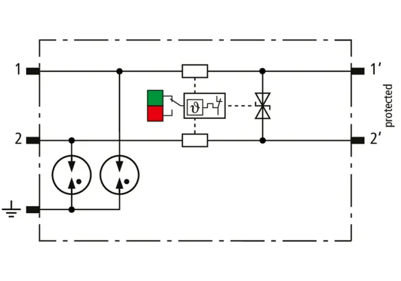
BLITZDUCTORconnect - compatto

Limitatore di sovratensione universale
  • Per la protezione di interfacce bus di dati e di circuiti CMR
  • Elevata capacità di scarica 3 kA (10/350 µs), 10 kA (8/20 µs)
  • Massima sollecitazione con corrente di scarica (8/20 µs) Imax fino a 20 kA
  • Livello di protezione basso, adatto anche per la protezione di utenze finali
Limitatore compatto
  • Connessione del cavo più veloce e più semplice tramite la connessione Push-in
  • Elevata affidabilità dell'impianto dovuta al comportamento fail-safe
Design del dispositivo ottimizzato nella funzione in un’ampiezza di 6 mm
  • LifeCheck integrato nel modulo e indicazione ottica di funzionamento
  • Semplice comunicazione in remoto dello stato con unità FM su richiesta
  • Provato contro vibrazioni e shock meccanico per l’esercizio sicuro

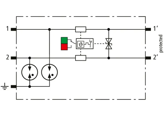
Dettagli

Prova veloce e facile
Indicazione integrata per una manutenzione semplice e veloce
lorem ipsum
Connect = Protect
Connessione Push-In per collegamento del cavo facile e veloce
lorem ipsum
Massima affidabilità dell'impianto
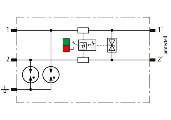
Omologazioni per l’impiego in circuiti
di misura a sicurezza intrinseca
lorem ipsum
Manutenzione facile
Comunicazione di stato con unità di controllo per i gruppi di limitatori
lorem ipsum

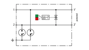
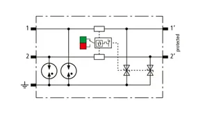
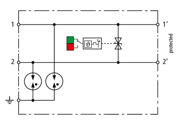
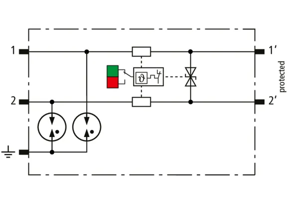
BCO CL2 B 180

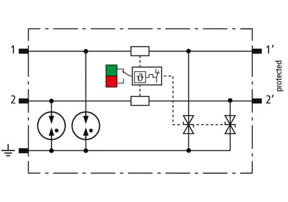
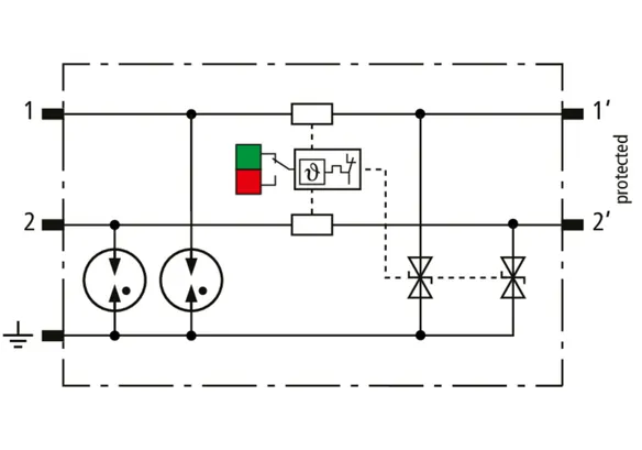
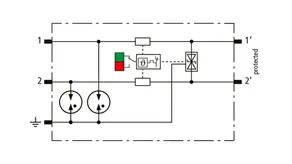
Scaricatore per corrente di fulmine compatto, in esecuzione stretta da 6 mm e connessione Push-in con indicazione di stato per la protezione di 2 fili singoli per l’equipotenzialità antifulmine e l’esecuzione di una messa a terra indiretta di conduttori schermati.

1 Prodotto

Art. 927910 BCO CL2 B 180

GTIN (EAN) 4013364411739, Codice doganale (EU): 85363010, Peso lordo: 57.86 g, UM: 1.00 pz.


Immagini

Maggior informazioni

Scaricatore per corrente di fulmine BLITZDUCTORconnect CL2 B 180
scaricatore per corrente di fulmine compatto
per la protezione di 2 fili singoli
per l'equipotenzialità antifulmine e
l'esecuzione di una messa a terra indiretta di conduttori schermati
provato secondo EN/IEC 61643-21
coordinamento energetico secondo IEC 61643-22
Classe SPD tipo 1
Categoria d’impulso: C2, C3, B2, D1
Indicazione di stato, dimensione 6 mm
Tensione massima continuativa: 180,0 V DC / 127,0 V AC
Corrente nominale con 80°C: 1,2 A
C2 corrente impulsiva nominale di scarica per filo (8/20): 5 kA
C2 corrente impulsiva nominale di scarica complessiva (8/20): 10 kA
D1 corrente impulsiva di fulmine (10/350 µs) per filo: 1,5 kA
D1 corrente impulsiva di fulmine (10/350 µs) complessiva: 3 kA
Connessione del cavo: Push-in

Fabbricato: DEHN
Tipo: BCO CL2 B 180
Art.: 927910
o similare.

Certificati

 

Caratteristiche tecniche

Classe SPD A
Tensione massima continuativa DC (UC ) 180 V
Corrente nominale (IL ) 1,2 A
D1 Corrente impulsiva di fulmine (10/350 µs) per filo (Iimp ) 1,5 kA
C2 Corrente impulsiva nominale di scarica (8/20 µs) complessiva (In ) 10 kA
Impedenza longitudinale per filo 0 Ohm
Omologazioni UL 497B, CSA, ATEX, IECEx, CCC, SIL
*) Per i dettagli, vedere: www.dehn.de

Prodotto 927910 è stato aggiunto al blocco note.

Prodotto 927910 è stato aggiunto al carrello.

Apri Web-Shop

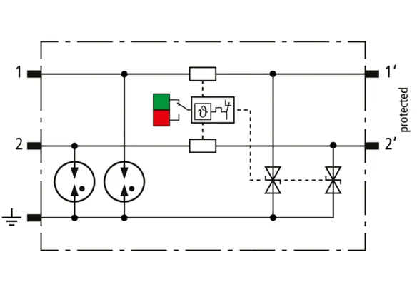
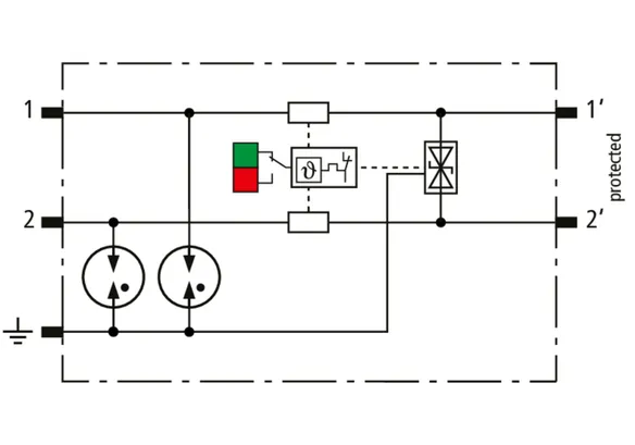
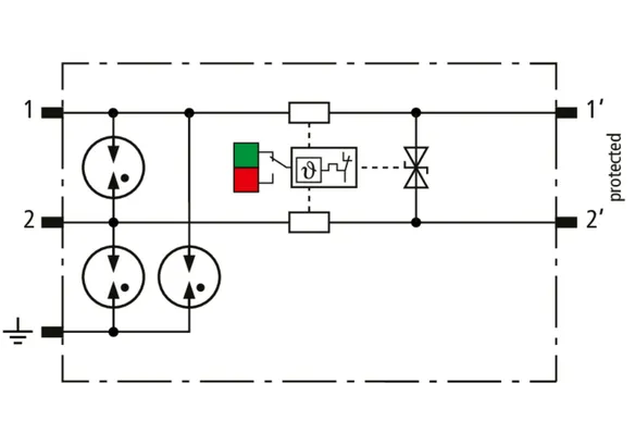
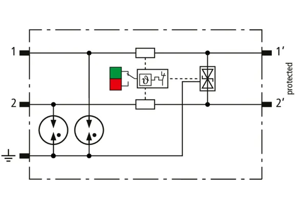
BCO CL2 BE

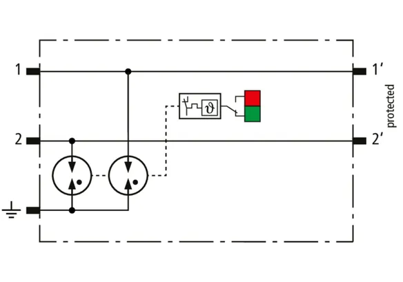
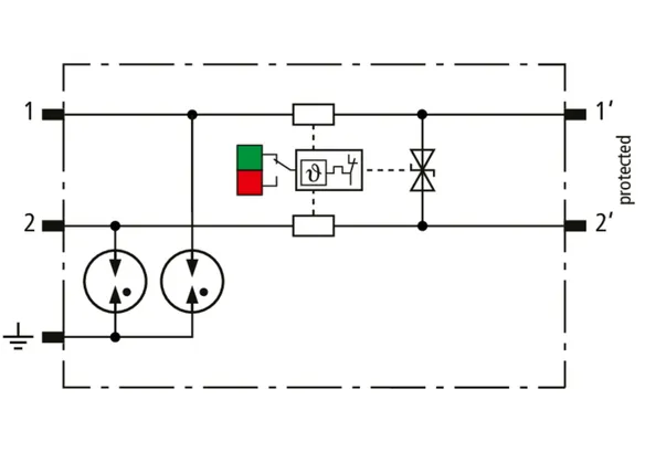
Limitatore di sovratensione combinato compatto, in esecuzione stretta da 6 mm e connessione Push-in con indicazione di funzionamento per la protezione di 2 fili singoli con potenziale di riferimento comune e di interfacce asimmetriche.

3 Prodotti

Art. 927922 BCO CL2 BE 12

GTIN (EAN) 4013364411951, Codice doganale (EU): 85363010, Peso lordo: 57.86 g, UM: 1.00 pz.

Predecessore

Immagini

Maggior informazioni

Scaricatore combinato BLITZDUCTORconnect CL2 BE 12
scaricatore combinato compatto per la protezione
di 2 fili singoli con potenziale di riferimento comune
e di interfacce asimmetriche
provato secondo EN/IEC 61643-21
coordinamento energetico secondo IEC 61643-22
Classe SPD tipo 1 / P1
Categoria d’impulso: C1, C2, C3, B2, D1
Indicazione di stato, dimensione 6 mm
Tensione massima continuativa: 15,0 V DC / 10,6 V AC
Corrente nominale con 70°C: 0,75 A
C2 corrente impulsiva nominale di scarica per filo (8/20): 5 kA
C2 corrente impulsiva nominale di scarica complessiva (8/20): 10 kA
D1 corrente impulsiva di fulmine (10/350 µs) per filo: 1,5 kA
D1 corrente impulsiva di fulmine (10/350 µs) complessiva: 3 kA
Connessione del cavo: Push-in

Fabbricato: DEHN
Tipo: BCO CL2 BE 12
Art.: 927922
o similare.

Certificati

 

Caratteristiche tecniche

Classe SPD M
Tensione massima continuativa DC (UC ) 15 V
Corrente nominale con 70 °C (IL ) 0,75 A
D1 Corrente impulsiva di fulmine (10/350 µs) per filo (Iimp ) 1,5 kA
C2 Corrente impulsiva nominale di scarica (8/20 µs) complessiva (In ) 10 kA
Impedenza longitudinale per filo 1 Ohm
Frequenza limite filo-filo (fG ) 1,4 MHz
Omologazioni UL 497B, CSA, ATEX, IECEx, CCC, SIL
*) Per i dettagli, vedere: www.dehn.de

Prodotto 927922 è stato aggiunto al blocco note.

Prodotto 927922 è stato aggiunto al carrello.

Apri Web-Shop

Art. 927924 BCO CL2 BE 24

GTIN (EAN) 4013364411968, Codice doganale (EU): 85363010, Peso lordo: 57.86 g, UM: 1.00 pz.

Predecessore

Immagini

Maggior informazioni

Scaricatore combinato BLITZDUCTORconnect CL2 BE 24
scaricatore combinato compatto per la protezione
di 2 fili singoli con potenziale di riferimento comune
e di interfacce asimmetriche
provato secondo EN/IEC 61643-21
coordinamento energetico secondo IEC 61643-22
Classe SPD tipo 1 / P1
Categoria d’impulso: C1, C2, C3, B2, D1
Indicazione di stato, dimensione 6 mm
Tensione massima continuativa: 33,0 V DC / 23,3 V AC
Corrente nominale con 70°C: 0,75 A
C2 corrente impulsiva nominale di scarica per filo (8/20): 5 kA
C2 corrente impulsiva nominale di scarica complessiva (8/20): 10 kA
D1 corrente impulsiva di fulmine (10/350 µs) per filo: 1,5 kA
D1 corrente impulsiva di fulmine (10/350 µs) complessiva: 3 kA
Connessione del cavo: Push-in

Fabbricato: DEHN
Tipo: BCO CL2 BE 24
Art.: 927924
o similare.

Certificati

 

Caratteristiche tecniche

Classe SPD M
Tensione massima continuativa DC (UC ) 33 V
Corrente nominale con 70 °C (IL ) 0,75 A
D1 Corrente impulsiva di fulmine (10/350 µs) per filo (Iimp ) 1,5 kA
C2 Corrente impulsiva nominale di scarica (8/20 µs) complessiva (In ) 10 kA
Impedenza longitudinale per filo 1 Ohm
Frequenza limite filo-filo (fG ) 3,4 MHz
Omologazioni UL 497B, CSA, ATEX, IECEx, CCC, SIL
*) Per i dettagli, vedere: www.dehn.de

Prodotto 927924 è stato aggiunto al blocco note.

Prodotto 927924 è stato aggiunto al carrello.

Apri Web-Shop

Art. 927925 BCO CL2 BE 48

GTIN (EAN) 4013364411975, Codice doganale (EU): 85363010, Peso lordo: 57.86 g, UM: 1.00 pz.

Predecessore

Immagini

Maggior informazioni

Scaricatore combinato BLITZDUCTORconnect CL2 BE 48
scaricatore combinato compatto per la protezione
di 2 fili singoli con potenziale di riferimento comune
e di interfacce asimmetriche
provato secondo EN/IEC 61643-21
coordinamento energetico secondo IEC 61643-22
Classe SPD tipo 1 / P1
Categoria d’impulso: C1, C2, C3, B2, D1
Indicazione di stato, dimensione 6 mm
Tensione massima continuativa: 54,0 V DC / 38,1 V AC
Corrente nominale con 70°C: 0,75 A
C2 corrente impulsiva nominale di scarica per filo (8/20): 5 kA
C2 corrente impulsiva nominale di scarica complessiva (8/20): 10 kA
D1 corrente impulsiva di fulmine (10/350 µs) per filo: 1,5 kA
D1 corrente impulsiva di fulmine (10/350 µs) complessiva: 3 kA
Connessione del cavo: Push-in

Fabbricato: DEHN
Tipo: BCO CL2 BE 48
Art.: 927925
o similare.

Certificati

 

Caratteristiche tecniche

Classe SPD M
Tensione massima continuativa DC (UC ) 54 V
Corrente nominale con 70 °C (IL ) 0,75 A
D1 Corrente impulsiva di fulmine (10/350 µs) per filo (Iimp ) 1,5 kA
C2 Corrente impulsiva nominale di scarica (8/20 µs) complessiva (In ) 10 kA
Impedenza longitudinale per filo 1 Ohm
Frequenza limite filo-filo (fG ) 5 MHz
Omologazioni UL 497B, CSA, ATEX, IECEx, CCC, SIL
*) Per i dettagli, vedere: www.dehn.de

Prodotto 927925 è stato aggiunto al blocco note.

Prodotto 927925 è stato aggiunto al carrello.

Apri Web-Shop

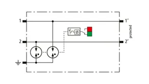
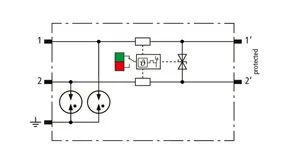
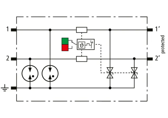
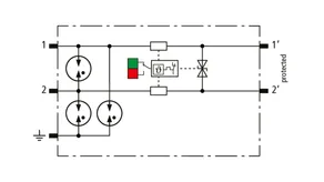
BCO CL2 BD

Scaricatore combinato compatto, in esecuzione stretta da 6 mm e connessione Push-in con indicazione di funzionamento per la protezione di 1 coppia di fili di interfacce simmetriche con separazione galvanica.

3 Prodotti

Art. 927942 BCO CL2 BD 12

GTIN (EAN) 4013364411777, Codice doganale (EU): 85363010, Peso lordo: 57.86 g, UM: 1.00 pz.

Predecessore

Immagini

Maggior informazioni

Limitatore di sovratensione combinato BLITZDUCTORconnect CL2 BD 12
limitatore di sovratensione combinato per la protezione
di una coppia di fili di interfacce simmetriche
con separazione galvanica
provato secondo EN/IEC 61643-21
coordinamento energetico secondo IEC 61643-22
Classe SPD tipo 1 / P2
Categoria d’impulso: C1, C2, C3, B2, D1
Indicazione di stato, dimensione 6 mm
Tensione massima continuativa: 15,0 V DC / 10,6 V AC
Corrente nominale con 70°C: 0,75 A
C2 corrente impulsiva nominale di scarica per filo (8/20): 5 kA
C2 corrente impulsiva nominale di scarica complessiva (8/20): 10 kA
D1 corrente impulsiva di fulmine (10/350 µs) per filo: 1,5 kA
D1 corrente impulsiva di fulmine (10/350 µs) complessiva: 3 kA
Connessione del cavo: Push-in

Fabbricato: DEHN
Tipo: BCO CL2 BD 12
Art.: 927942
o similare.

Certificati

 

Caratteristiche tecniche

Classe SPD L
Tensione massima continuativa DC (UC ) 15 V
Corrente nominale con 70 °C (IL ) 0,75 A
D1 Corrente impulsiva di fulmine (10/350 µs) per filo (Iimp ) 1,5 kA
C2 Corrente impulsiva nominale di scarica (8/20 µs) complessiva (In ) 10 kA
Impedenza longitudinale per filo 1 Ohm
Frequenza limite filo-filo (fG ) 2,6 MHz
Omologazioni UL 497B, CSA, ATEX, IECEx, CCC, SIL
*) Per i dettagli, vedere: www.dehn.de

Prodotto 927942 è stato aggiunto al blocco note.

Prodotto 927942 è stato aggiunto al carrello.

Apri Web-Shop

Art. 927944 BCO CL2 BD 24

GTIN (EAN) 4013364411784, Codice doganale (EU): 85363010, Peso lordo: 57.86 g, UM: 1.00 pz.

Predecessore

Immagini

Maggior informazioni

Limitatore di sovratensione combinato BLITZDUCTORconnect CL2 BD 24
limitatore di sovratensione combinato per la protezione
di una coppia di fili di interfacce simmetriche
con separazione galvanica
provato secondo EN/IEC 61643-21
coordinamento energetico secondo IEC 61643-22
Classe SPD tipo 1 / P2
Categoria d’impulso: C1, C2, C3, B2, D1
Indicazione di stato
Tensione massima continuativa: 36,0 V DC / 25,4 V AC
Corrente nominale con 70°C: 0,75 A
C2 corrente impulsiva nominale di scarica per filo (8/20): 5 kA
C2 corrente impulsiva nominale di scarica complessiva (8/20): 10 kA
D1 corrente impulsiva di fulmine (10/350 µs) per filo: 1,5 kA
D1 corrente impulsiva di fulmine (10/350 µs) complessiva: 3 kA
Connessione del cavo: Push-in
Dimensioni 6 mm

Fabbricato: DEHN
Tipo: BCO CL2 BD 24
Art.: 927944
o similare.

Certificati

 

Caratteristiche tecniche

Classe SPD L
Tensione massima continuativa DC (UC ) 36 V
Corrente nominale con 70 °C (IL ) 0,75 A
D1 Corrente impulsiva di fulmine (10/350 µs) per filo (Iimp ) 1,5 kA
C2 Corrente impulsiva nominale di scarica (8/20 µs) complessiva (In ) 10 kA
Impedenza longitudinale per filo 1 Ohm
Frequenza limite filo-filo (fG ) 5,8 MHz
Omologazioni UL 497B, CSA, ATEX, IECEx, CCC, SIL
*) Per i dettagli, vedere: www.dehn.de

Prodotto 927944 è stato aggiunto al blocco note.

Prodotto 927944 è stato aggiunto al carrello.

Apri Web-Shop

Art. 927945 BCO CL2 BD 48

GTIN (EAN) 4013364411807, Codice doganale (EU): 85363010, Peso lordo: 57.86 g, UM: 1.00 pz.

Predecessore

Immagini

Maggior informazioni

Scaricatore combinato BLITZDUCTORconnect CL2 BD 48
scaricatore combinato per la protezione
di una coppia di fili di interfacce simmetriche
con separazione galvanica
provato secondo EN/IEC 61643-21
coordinamento energetico secondo IEC 61643-22
Classe SPD tipo 1 / P2
Categoria d’impulso: C1, C2, C3, B2, D1
Indicazione di stato
Tensione massima continuativa: 56,0 V DC / 39,6 V AC
Corrente nominale con 70°C: 0,75 A
C2 corrente impulsiva nominale di scarica per filo (8/20): 5 kA
C2 corrente impulsiva nominale di scarica complessiva (8/20): 10 kA
D1 corrente impulsiva di fulmine (10/350 µs) per filo: 1,5 kA
D1 corrente impulsiva di fulmine (10/350 µs) complessiva: 3 kA
Connessione del cavo: Push-in
Dimensioni 6 mm

Fabbricato: DEHN
Tipo: BCO CL2 BD 48
Art.: 927945
o similare.

Certificati

 

Caratteristiche tecniche

Classe SPD L
Tensione massima continuativa DC (UC ) 56 V
Corrente nominale con 70 °C (IL ) 0,75 A
D1 Corrente impulsiva di fulmine (10/350 µs) per filo (Iimp ) 1,5 kA
C2 Corrente impulsiva nominale di scarica (8/20 µs) complessiva (In ) 10 kA
Impedenza longitudinale per filo 1 Ohm
Frequenza limite filo-filo (fG ) 7,2 MHz
Omologazioni UL 497B, CSA, ATEX, IECEx, CCC, SIL
*) Per i dettagli, vedere: www.dehn.de

Prodotto 927945 è stato aggiunto al blocco note.

Prodotto 927945 è stato aggiunto al carrello.

Apri Web-Shop

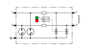
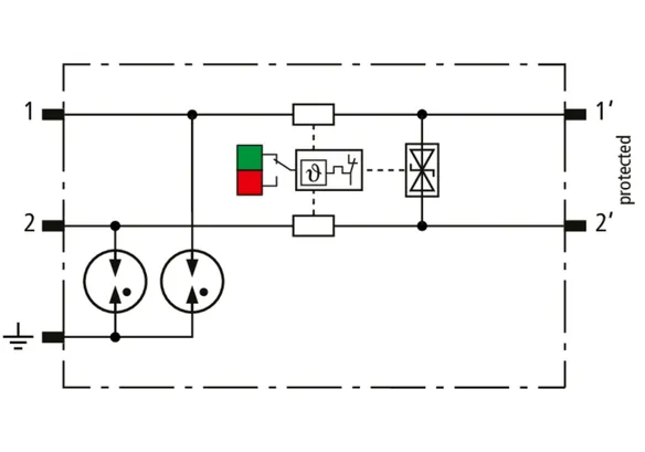
BCO CL2 BE HF

Scaricatore combinato compatto, in esecuzione stretta da 6 mm e connessione Push-in con indicazione di stato per la protezione di 2 fili singoli di trasmissioni ad alta frequenza con potenziale di riferimento comune e di interfacce asimmetriche.

1 Prodotto

Art. 927970 BCO CL2 BE HF 5

GTIN (EAN) 4013364411982, Codice doganale (EU): 85363010, Peso lordo: 57.86 g, UM: 1.00 pz.


Immagini

Maggior informazioni

Scaricatore combinato BLITZDUCTORconnect CL2 BE HF 5
scaricatore combinato compatto per la protezione
di due fili singoli di trasmissioni ad alta frequenza
con potenziale di riferimento comune e
di interfacce asimmetriche
provato secondo EN/IEC 61643-21
coordinamento energetico secondo IEC 61643-22
Classe SPD tipo 1 / P1
Categoria d’impulso: C1, C2, C3, B2, D1
Indicazione di stato, dimensioni 6 mm
Tensione massima continuativa: 8,5 V DC / 6,0 V AC
Corrente nominale con 70°C: 0,75 A
Frequenza limite 100 MHz
C2 corrente impulsiva nominale di scarica per filo (8/20): 5 kA
C2 corrente impulsiva nominale di scarica complessiva (8/20): 10 kA
D1 corrente impulsiva di fulmine (10/350 µs) per filo: 1,5 kA
D1 corrente impulsiva di fulmine (10/350 µs) complessiva: 3 kA
Connessione del cavo: Push-in

Fabbricato: DEHN
Tipo: BCO CL2 BE HF 5
Art.: 927970
o similare.

Certificati

 

Caratteristiche tecniche

Classe SPD M
Tensione massima continuativa DC (UC ) 8,5 V
Corrente nominale con 70 °C (IL ) 0,75 A
D1 Corrente impulsiva di fulmine (10/350 µs) per filo (Iimp ) 1,5 kA
C2 Corrente impulsiva nominale di scarica (8/20 µs) complessiva (In ) 10 kA
Impedenza longitudinale per filo 1 Ohm
Omologazioni UL 497B, CSA, ATEX, IECEx, CCC, SIL
*) Per i dettagli, vedere: www.dehn.de

Prodotto 927970 è stato aggiunto al blocco note.

Prodotto 927970 è stato aggiunto al carrello.

Apri Web-Shop

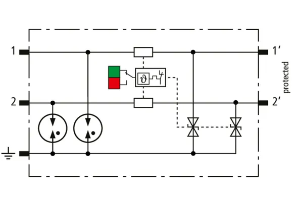
BCO CL2 BD HF

Scaricatore combinato compatto a risparmio di spazio con larghezza d’installazione di 6 mm e tecnologia di connessione Push-In con indicazione di stato per la protezione di 1 coppia di fili di sistemi bus ad alta frequenza con separazione galvanica e di interfacce simmetriche.

1 Prodotto

Art. 927971 BCO CL2 BD HF 5

GTIN (EAN) 4013364411999, Codice doganale (EU): 85363010, Peso lordo: 57.86 g, UM: 1.00 pz.

Predecessore

Immagini

Maggior informazioni

Scaricatore combinato BLITZDUCTORconnect CL2 BD HF 5
scaricatore combinato compatto per la protezione
di una coppia di fili di sistemi bus ad alta frequenza
con separazione galvanica e
di interfacce simmetriche
provato secondo EN/IEC 61643-21
coordinamento energetico secondo IEC 61643-22
Classe SPD tipo 1 / P2
Categoria d’impulso: C1, C2, C3, B2, D1
Indicazione di stato, dimensioni 6 mm
Tensione massima continuativa: 8,5 V DC / 6,0 V AC
Corrente nominale con 70°C: 0,75 A
Frequenza limite 100 MHz
C2 corrente impulsiva nominale di scarica per filo (8/20): 5 kA
C2 corrente impulsiva nominale di scarica complessiva (8/20): 10 kA
D1 corrente impulsiva di fulmine (10/350 µs) per filo: 1,5 kA
D1 corrente impulsiva di fulmine (10/350 µs) complessiva: 3 kA
Connessione del cavo: Push-in

Fabbricato: DEHN
Tipo: BCO CL2 BD HF 5
Art.: 927971
o similare.

Certificati

 

Caratteristiche tecniche

Classe SPD L
Tensione massima continuativa DC (UC ) 8,5 V
Corrente nominale con 70 °C (IL ) 0,75 A
D1 Corrente impulsiva di fulmine (10/350 µs) per filo (Iimp ) 1,5 kA
C2 Corrente impulsiva nominale di scarica (8/20 µs) complessiva (In ) 10 kA
Impedenza longitudinale per filo 1 Ohm
Frequenza limite filo-filo (fG ) 100 MHz
Omologazioni UL 497B, CSA, ATEX, IECEx, CCC, SIL
*) Per i dettagli, vedere: www.dehn.de

Prodotto 927971 è stato aggiunto al blocco note.

Prodotto 927971 è stato aggiunto al carrello.

Apri Web-Shop

BCO CL2 E

Limitatore di sovratensione compatto a risparmio di spazio con larghezza di 6 mm e tecnologia di connessione Push-in con indicatore di stato. Protezione da sovratensioni altamente limitante a stadio singolo con diodi potenti, per la protezione di 2 fili singoli con potenziale di riferimento comune e interfacce asimmetriche.

3 Prodotti

Art. 927987 BCO CL2 E 12

GTIN (EAN) 4013364485754, Codice doganale (EU): 85363010, Peso lordo: 55.94 g, UM: 1.00 pz.

Predecessore

Immagini

Maggior informazioni

Limitatore di sovratensione BLITZDUCTORconnect CL2 E 12
Protezione da sovratensioni compatta a stadio singolo
con diodi potenti per la protezione di
2 fili singoli con potenziale di riferimento comune
e interfacce asimmetriche
collaudata secondo la norma EN/IEC 61643-21 ed energeticamente
coordinata secondo la norma IEC 61643-22
Classe SPD tipo 3/P1
Categoria d’impulso: C1, C3
Indicatore di stato, larghezza d’installazione 6 mm
Tensione massima continuativa: 15 V DC / 10,6 V AC
Corrente nominale a 60 °C: 10 A
C1 corrente impulsiva nominale di scarica per ciascun filo (8/20): 1,5 kA
C1 corrente impulsiva nominale di scarica complessiva (8/20): 3 kA
Collegamento del conduttore: Push-in

Fabbricato: DEHN
Tipo: BCO CL2 E 12
Art.: 927987
o similare.

Certificati

 

Caratteristiche tecniche

Classe SPD W
Tensione massima continuativa DC (UC ) 15 V
Corrente nominale con 60 °C (IL ) 10 A
Corrente nominale con 80 °C (IL ) 6 A
C1 Corrente impulsiva nominale di scarica (8/20 µs) complessiva (In ) 3 kA
Impedenza longitudinale per filo 0 Ohm
Omologazioni UL 497B, SIL
*) Per i dettagli, vedere: www.dehn.de

Prodotto 927987 è stato aggiunto al blocco note.

Prodotto 927987 è stato aggiunto al carrello.

Apri Web-Shop

Art. 927988 BCO CL2 E 24

GTIN (EAN) 4013364485747, Codice doganale (EU): 85363010, Peso lordo: 56.04 g, UM: 1.00 pz.

Predecessore

Immagini

Maggior informazioni

Limitatore di sovratensione BLITZDUCTORconnect CL2 E 24
Protezione da sovratensioni compatta a stadio singolo
con diodi potenti per la protezione di
2 fili singoli con potenziale di riferimento comune
e interfacce asimmetriche
collaudata secondo la norma EN/IEC 61643-21 ed energeticamente
coordinata secondo la norma IEC 61643-22
Classe SPD tipo 3/P1
Categoria d’impulso: C1, C3
Indicatore di stato, larghezza d’installazione 6 mm
Tensione massima continuativa: 33 V DC / 23 V AC
Corrente nominale a 60 °C: 10 A
C1 corrente impulsiva nominale di scarica per ciascun filo (8/20): 0,6 kA
C1 corrente impulsiva nominale di scarica complessiva (8/20): 1,2 kA
Collegamento del conduttore: Push-in

Fabbricato: DEHN
Tipo: BCO CL2 E 24
Art.: 927988
o similare.

Certificati

 

Caratteristiche tecniche

Classe SPD W
Tensione massima continuativa DC (UC ) 33 V
Corrente nominale con 60 °C (IL ) 10 A
Corrente nominale con 80 °C (IL ) 6 A
C1 Corrente impulsiva nominale di scarica (8/20 µs) complessiva (In ) 1,2 kA
Impedenza longitudinale per filo 0 Ohm
Omologazioni UL 497B, SIL
*) Per i dettagli, vedere: www.dehn.de

Prodotto 927988 è stato aggiunto al blocco note.

Prodotto 927988 è stato aggiunto al carrello.

Apri Web-Shop

Art. 927989 BCO CL2 E 48

GTIN (EAN) 4013364485761, Codice doganale (EU): 85363010, Peso lordo: 36.58 g, UM: 1.00 pz.

Predecessore

Immagini

Maggior informazioni

Limitatore di sovratensione BLITZDUCTORconnect CL2 E 48
Protezione da sovratensioni compatta a stadio singolo
con diodi potenti per la protezione di
2 fili singoli con potenziale di riferimento comune
e interfacce asimmetriche
collaudata secondo la norma EN/IEC 61643-21 ed energeticamente
coordinata secondo la norma IEC 61643-22
Classe SPD tipo 3/P1
Categoria d’impulso: C1, C3
Indicatore di stato, larghezza d’installazione 6 mm
Tensione massima continuativa: 58 V DC / 41 V AC
Corrente nominale a 60 °C: 10 A
C1 corrente impulsiva nominale di scarica per ciascun filo (8/20): 0,4 kA
C1 corrente impulsiva nominale di scarica complessiva (8/20): 0,8 kA
Collegamento del conduttore: Push-in

Fabbricato: DEHN
Tipo: BCO CL2 E 48
Art.: 927989
o similare.

Certificati

 

Caratteristiche tecniche

Classe SPD W
Tensione massima continuativa DC (UC ) 58 V
Corrente nominale con 60 °C (IL ) 10 A
Corrente nominale con 80 °C (IL ) 6 A
C1 Corrente impulsiva nominale di scarica (8/20 µs) complessiva (In ) 0,8 kA
Impedenza longitudinale per filo 0 Ohm
Omologazioni UL 497B, SIL
*) Per i dettagli, vedere: www.dehn.de

Prodotto 927989 è stato aggiunto al blocco note.

Prodotto 927989 è stato aggiunto al carrello.

Apri Web-Shop

BCO CL4 BC

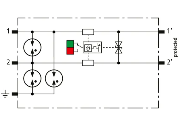
Scaricatore combinato compatto con larghezza d’installazione di 12 mm e tecnologia di connessione Push-in con indicazione di stato per la protezione di circuiti di misura a 4 conduttori senza messa a terra per sistemi informatici e tecnologia CMR.

1 Prodotto

Art. 927954 BCO CL4 BC 24

GTIN (EAN) 4013364485730, Codice doganale (EU): 85363010, Peso lordo: 80.10 g, UM: 1.00 pz.


Immagini

Maggior informazioni

Scaricatore combinato BLITZDUCTORconnect CL2 BC 24
scaricatore combinato compatto per la protezione di
misurazioni a 4 conduttori senza messa a terra per sistemi
informatici e circuiti CMR
collaudato secondo la norma EN/IEC 61643-21 ed energeticamente
coordinato secondo la norma IEC 61643-22
Classe SPD tipo 1 / P2
Categoria d’impulso: D1, C1, C2, C3, B2
Indicatore di stato
Tensione massima continuativa: 36,0 V DC / 25,4 V AC
Corrente nominale a 80 °C: 3 A
Impedenza longitudinale per filo: 0 Ohm
C2 corrente impulsiva nominale di scarica per ciascun filo (8/20): 10 kA
C2 corrente impulsiva nominale di scarica complessiva (8/20): 20 kA
D1 corrente impulsiva di fulmine (10/350) per ciascun filo: 2,5 kA
D1 corrente di fulmine impulsiva (10/350) complessiva: 5 kA
Collegamento del conduttore: Push-in
Larghezza d’installazione 12 mm

Fabbricato: DEHN
Tipo: BCO CL4 BC 24
Art.: 927954
o similare.

Certificati

 

Caratteristiche tecniche

Classe SPD L
Tensione massima continuativa DC (UC ) 36 V
Corrente nominale con 80 °C (IL ) 3 A
D1 Corrente impulsiva di fulmine (10/350 µs) per filo (Iimp ) 2,5 kA
C2 Corrente impulsiva nominale di scarica (8/20 µs) complessiva (In ) 20 kA
Impedenza longitudinale per filo 0 Ohm
Omologazioni UL 497B, SIL
*) Per i dettagli, vedere: www.dehn.de

Prodotto 927954 è stato aggiunto al blocco note.

Prodotto 927954 è stato aggiunto al carrello.

Apri Web-Shop

BCO CL2 BD HC10A 24

Scaricatore combinato compatto con larghezza d’installazione 12 mm e tecnologia di connessione Push-in con indicazione di stato per la protezione di 1 coppia di fili di alimentazione DC senza messa a terra per sistemi informatici e circuiti CMR.

1 Prodotto

Art. 927408 BCO CL2 BD HC10A 24

GTIN (EAN) 4013364463653, Codice doganale (EU): 85363010, Peso lordo: 68.30 g, UM: 1.00 pz.

Predecessore

Immagini

Maggior informazioni

Scaricatore combinato BLITZDUCTORconnect CL2 BD HC10A 24
Scaricatore combinato compatto per la protezione di una
coppia di fili di alimentazione DC senza messa a terra per
sistemi informatici e circuiti CMR
verificato secondo la norma EN/IEC 61643-21 ed
energeticamente coordinato secondo la norma IEC 61643-22
Classe SPD tipo 1 / P2
Categoria d’impulso: C1, C2, C3, B2, D1
Indicatore di stato
Tensione massima continuativa: 45,0 V DC / 31,8 V AC
Corrente nominale a 80 °C: 10 A
C2 corrente impulsiva nominale di scarica per ciascun filo (8/20): 10 kA
C2 corrente impulsiva nominale di scarica complessiva (8/20): 20 kA
D1 corrente impulsiva di fulmine (10/350 µs) per ciascun filo: 2,5 kA
D1 corrente impulsiva di fulmine (10/350 µs) complessiva: 5 kA
Collegamento del conduttore: Push-in
Larghezza d’installazione 12 mm

Fabbricato: DEHN
Tipo: BCO CL2 BD HC10A 24
Art.: 927408
o similare.

Certificati

 

Caratteristiche tecniche

Classe SPD L
Tensione massima continuativa DC (UC ) 45 V
Corrente nominale con 80 °C (IL ) 10 A
D1 Corrente impulsiva di fulmine (10/350 µs) per filo (Iimp ) 2,5 kA
C2 Corrente impulsiva nominale di scarica (8/20 µs) complessiva (In ) 20 kA
Impedenza longitudinale per filo 0 Ohm
Omologazioni UL 497B, SIL
*) Per i dettagli, vedere: www.dehn.de

Prodotto 927408 è stato aggiunto al blocco note.

Prodotto 927408 è stato aggiunto al carrello.

Apri Web-Shop

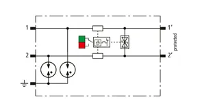
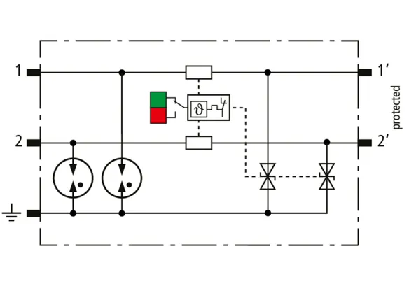
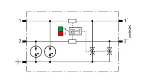
BCO CL2 BD EX 24

Limitatore di sovratensioni combinato compatto, in esecuzione stretta da 6 mm e connessione Push-in con indicazione di funzionamento per la protezione di 1 coppia di fili di circuiti di misura a sicurezza intrinseca e di sistemi bus. Adempie i requisiti secondo FISCO. Resistenza all'isolamento >500 V filo-terra.

1 Prodotto

Art. 927984 BCO CL2 BD EX 24

GTIN (EAN) 4013364412002, Codice doganale (EU): 85363010, Peso lordo: 57.86 g, UM: 1.00 pz.

Predecessore

Immagini

Maggior informazioni

Scaricatore combinato BLITZDUCTORconnect CL2 BD EX 24
scaricatore combinato compatto per la protezione
di una coppia di fili di interfacce simmetriche
a sicurezza intrinseca senza potenziale
provato secondo EN/IEC 61643-21
coordinamento energetico secondo IEC 61643-22
Classe SPD tipo 1 / P2
Categoria d’impulso: C1, C2, C3, B2, D1
Indicazione di stato, dimensioni 6 mm
Tensione massima continuativa: 36,0 V DC / 25,4 V AC
Corrente nominale con 70°C: 0,75 A
Tensione massima in ingresso secondo EN 60079-11: 30 V
Tensione massima in ingresso secondo EN 60079-11: 0,5 A
C2 corrente impulsiva nominale di scarica per filo (8/20): 5 kA
C2 corrente impulsiva nominale di scarica complessiva (8/20): 10 kA
D1 corrente impulsiva di fulmine (10/350 µs) per filo: 1,5 kA
D1 corrente impulsiva di fulmine (10/350 µs) complessiva: 3 kA
Connessione del cavo: Push-in

Fabbricato: DEHN
Tipo: BCO CL2 BD EX 24
Art.: 927984
o similare.

Certificati

 

Caratteristiche tecniche

Classe SPD L
Tensione massima continuativa DC (UC ) 36 V
Corrente nominale con 80 °C (IL ) 0,5 A
D1 Corrente impulsiva di fulmine (10/350 µs) per filo (Iimp ) 1,5 kA
C2 Corrente impulsiva nominale di scarica (8/20 µs) complessiva (In ) 10 kA
Impedenza longitudinale per filo 1 Ohm
Frequenza limite filo-filo (fG ) 3,5 MHz
Omologazioni ATEX, IECEx, CCC, SIL
*) Per i dettagli, vedere: www.dehn.de

Prodotto 927984 è stato aggiunto al blocco note.

Prodotto 927984 è stato aggiunto al carrello.

Apri Web-Shop

back to top