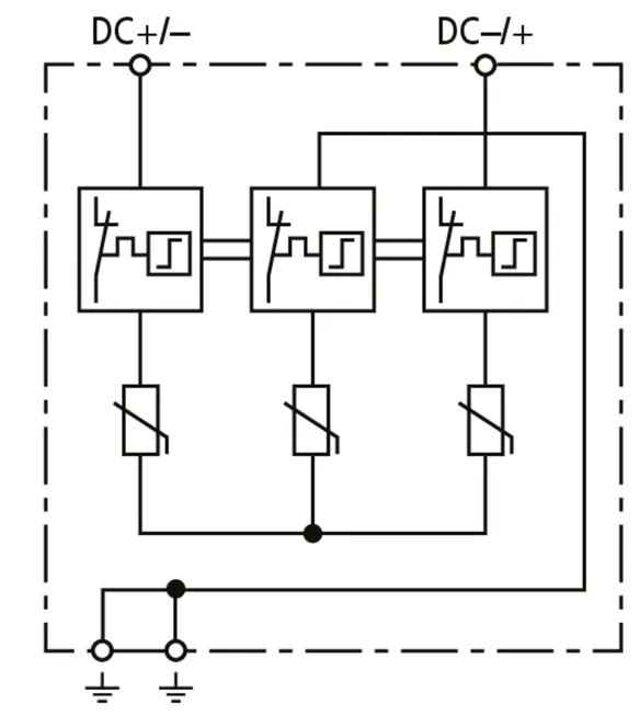
DEHNcombo

  • Scaricatore combinato precablato Tipo 1 + Tipo 2 per circuiti elettrici di generatori fotovoltaici
  • Il circuito a Y collaudato e resistente ai guasti evita danni della protezione da sovratensione in caso di guasti all’isolamento nel circuito del generatore
  • Tensione di misurazione uguale per tutti i circuiti, quindi utilizzabile in tutti i sistemi di terra
  • Design dell'involucro ottimizzato per quanto riguarda l’ingombro, progettato per tensioni fino a 1500 V DC in un involucro con una larghezza di sole 4 unità
  • Provato secondo IEC 61643-31 / EN 61643-31 / EN 50539-11
  • Utilizzabile nei sistemi FV secondo IEC 60364-7-712 / DIN VDE 0100-712
  • Indicazione di funzionamento/ guasto attraverso la segnalazione verde/rossa nell’apposita finestrella

DEHNcombo YPV ...

Scaricatore combinato per sistemi di alimentazione fotovoltaici fino a 1500 V DC.

2 Prodotti

Art. 900070 DCB YPV 1200

GTIN (EAN) 6942299504521, Codice doganale (EU): 85354000, Peso lordo: 639.16 g, UM: 1.00 pz.

Predecessore

Immagini

Maggior informazioni

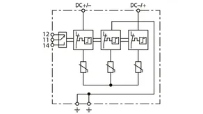
Scaricatore combinato DEHNcombo YPV 1200
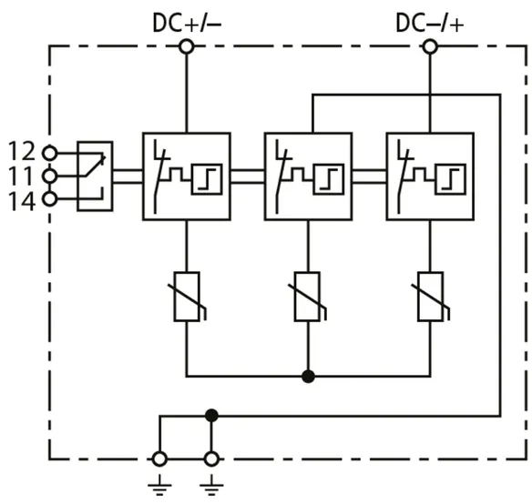
Scaricatore combinato multipolare Tipo 1 + Tipo 2
per circuiti elettrici di generatori fotovoltaici fino a 1200 V DC
con unità di manovra in corrente continua a 3 gradini
Dimensioni: 4 unità
SPD Tipo 1 + Tipo 2 secondo EN 50539-11
Utilizzabile secondo IEC 60364-7-712
Dispositivo combinato di sezionamento e di corto circuito
Indicazione di guasto
Tensione max. FV : <= 1200 V DC
Corrente di scarica complessiva: 12,5 kA
Livello di protezione: <= 3,8 kV
Tenuta al corto circuito Iscpv: 10 kA


Fabbricato: DEHN
Tipo: DCB YPV 1200
Art.: 900070
o similare.

Certificati

 

Caratteristiche tecniche

SPD secondo la norma EN 61643-31 / ... IEC 61643-31 Tipo 1 + Tipo 2 / Classe I + Classe II
Tensione max. FV [DC+ -> DC-] (UCPV ) ≤ 1200 V
Tenuta al corto circuito (ISCPV ) 10 kA
Corrente impulsiva di scarica complessiva (10/350 µs) [DC+/DC- -> PE] (Itotal ) 12,5 kA
Corrente impulsiva di fulmine (10/350 µs) [DC+ -> PE/DC- -> PE] (Iimp ) 6,25 kA
Livello di protezione [(DC+/DC-) -> PE] (UP ) < 3,8 kV
Omologazioni KEMA, UL

Prodotto 900070 è stato aggiunto al blocco note.

Prodotto 900070 è stato aggiunto al carrello.

Apri Web-Shop

Art. 900071 DCB YPV 1500

GTIN (EAN) 6942299504545, Codice doganale (EU): 85354000, Peso lordo: 636.22 g, UM: 1.00 pz.

Predecessore

Immagini

Maggior informazioni

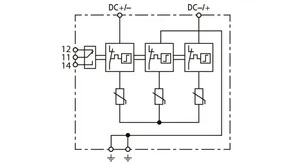
Scaricatore combinato DEHNcombo YPV SCI 1500
Scaricatore combinato multipolare Tipo 1 + Tipo 2
per circuiti elettrici di generatori fotovoltaici fino a 1500 V DC
con unità di manovra in corrente continua a 3 gradini
Dimensioni: 4 unità
SPD Tipo 1 + Tipo 2 secondo EN 50539-11
Utilizzabile secondo CEI 60364-7-712
Dispositivo combinato di sezionamento e di corto circuito
Indicazione di guasto
Tensione max. FV : <= 1500 V DC
Corrente di scarica complessiva: 12,5 kA
Livello di protezione: <= 4,5 kV
Tenuta al corto circuito Iscpv: 10 kA


Fabbricato: DEHN
Tipo: DCB YPV 1500
Art.: 900071
o similare.

Certificati

 

Caratteristiche tecniche

SPD secondo la norma EN 61643-31 / ... IEC 61643-31 Tipo 1 + Tipo 2 / Classe I + Classe II
Tensione max. FV [DC+ -> DC-] (UCPV ) ≤ 1500 V
Tenuta al corto circuito (ISCPV ) 10 kA
Corrente impulsiva di scarica complessiva (10/350 µs) [DC+/DC- -> PE] (Itotal ) 12,5 kA
Corrente impulsiva di fulmine (10/350 µs) [DC+ -> PE/DC- -> PE] (Iimp ) 6,25 kA
Livello di protezione [(DC+/DC-) -> PE] (UP ) < 4,5 kV
Omologazioni KEMA, UL

Prodotto 900071 è stato aggiunto al blocco note.

Prodotto 900071 è stato aggiunto al carrello.

Apri Web-Shop

DEHNcombo YPV ... FM

Scaricatore combinato per sistemi di alimentazione fotovoltaici fino a 1500 V DC; con contatto di scambio pulito per il telesegnalamento.

2 Prodotti

Art. 900075 DCB YPV 1200 FM

GTIN (EAN) 6942299504538, Codice doganale (EU): 85354000, Peso lordo: 587.94 g, UM: 1.00 pz.

Predecessore

Immagini

Maggior informazioni

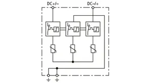
Scaricatore combinato DEHNcombo YPV 1200 FM
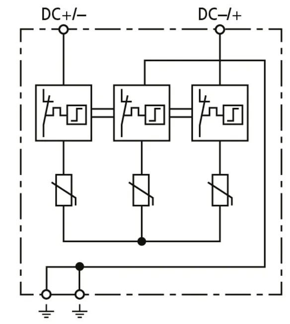
Scaricatore combinato Tipo 1 + Tipo 2
per circuiti elettrici di generatori fotovoltaici fino a 1200 V DC
con unità di manovra in corrente continua a 3 gradini
SPD Tipo 1 + Tipo 2 secondo EN 50539-11
Utilizzabile secondo IEC 60364-7-712
Dispositivo combinato di sezionamento e di corto circuito
con contatto di telesegnalamento
Indicazione di guasto
Tensione max. FV: <= 1200 V DC
Corrente di scarica complessiva: 12,5 kA
Livello di protezione: <= 3,8 kV
Tenuta al corto circuito Iscpv: 10 kA


Fabbricato: DEHN
Tipo: DCB YPV 1200 FM
Art.: 900075
o similare.

Certificati

 

Caratteristiche tecniche

SPD secondo la norma EN 61643-31 / ... IEC 61643-31 Tipo 1 + Tipo 2 / Classe I + Classe II
Tensione max. FV [DC+ -> DC-] (UCPV ) ≤ 1200 V
Tenuta al corto circuito (ISCPV ) 10 kA
Corrente impulsiva di scarica complessiva (10/350 µs) [DC+/DC- -> PE] (Itotal ) 12,5 kA
Corrente impulsiva di fulmine (10/350 µs) [DC+ -> PE/DC- -> PE] (Iimp ) 6,25 kA
Livello di protezione [(DC+/DC-) -> PE] (UP ) < 3,8 kV
Omologazioni KEMA, UL
Contatto FM / forma contatto scambio pulito

Prodotto 900075 è stato aggiunto al blocco note.

Prodotto 900075 è stato aggiunto al carrello.

Apri Web-Shop

Art. 900076 DCB YPV 1500 FM

GTIN (EAN) 6942299504552, Codice doganale (EU): 85354000, Peso lordo: 638.51 g, UM: 1.00 pz.

Predecessore

Immagini

Maggior informazioni

Scaricatore combinato DEHNcombo YPV SCI 1500 FM
Scaricatore combinato multipolare Tipo 1 + Tipo 2
per circuiti elettrici di generatori fotovoltaici fino a 1500 V DC
con unità di manovra in corrente continua a 3 gradini
Dimensioni: 4 unità
SPD Tipo 1 + Tipo 2 secondo EN 50539-11
Utilizzabile secondo IEC 60364-7-712
Dispositivo combinato di sezionamento e di corto circuito
con contatto di telesegnalamento
Indicazione di guasto
Tensione max. FV : <= 1500 V DC
Corrente di scarica complessiva: 12,5 kA
Livello di protezione: <= 4,5 kV
Tenuta al corto circuito Iscpv: 10 kA


Fabbricato: DEHN
Tipo: DCB YPV 1500 FM
Art.: 900076
o similare.

Certificati

 

Caratteristiche tecniche

SPD secondo la norma EN 61643-31 / ... IEC 61643-31 Tipo 1 + Tipo 2 / Classe I + Classe II
Tensione max. FV [DC+ -> DC-] (UCPV ) ≤ 1500 V
Tenuta al corto circuito (ISCPV ) 10 kA
Corrente impulsiva di scarica complessiva (10/350 µs) [DC+/DC- -> PE] (Itotal ) 12,5 kA
Corrente impulsiva di fulmine (10/350 µs) [DC+ -> PE/DC- -> PE] (Iimp ) 6,25 kA
Livello di protezione [(DC+/DC-) -> PE] (UP ) < 4,5 kV
Omologazioni KEMA, UL
Contatto FM / forma contatto scambio pulito

Prodotto 900076 è stato aggiunto al blocco note.

Prodotto 900076 è stato aggiunto al carrello.

Apri Web-Shop

back to top