DEHNguard S ... VA

  • Limitatore di sovratensione per l'impiego universale, composto da elemento base e modulo di protezione innestabile
  • Nel modulo di protezione innestabile circuito di protezione privo di corrente di fuga, tramite collegamento in serie di varistore e spinterometro
  • Elevata sicurezza dell’apparecchio tramite dispositivo di controllo "Thermo- Dynamik-Control"
  • Coordinamento energetico nella famiglia di prodotto Red/Line
  • Sostituzione semplice, senza attrezzi, del modulo di protezione tramite sistema di blocco e tasto di sblocco modulo
  • Costruzione stretta (esecuzione modulare) secondo DIN 43880
  • Morsetti plurifunzionali per il collegamento di conduttori e pettini
  • Provato contro vibrazioni e shock meccanico secondo EN 60068-2

DEHNguard S VA

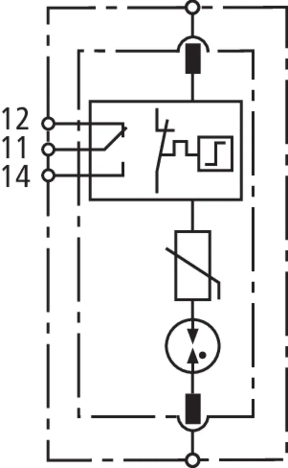
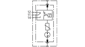
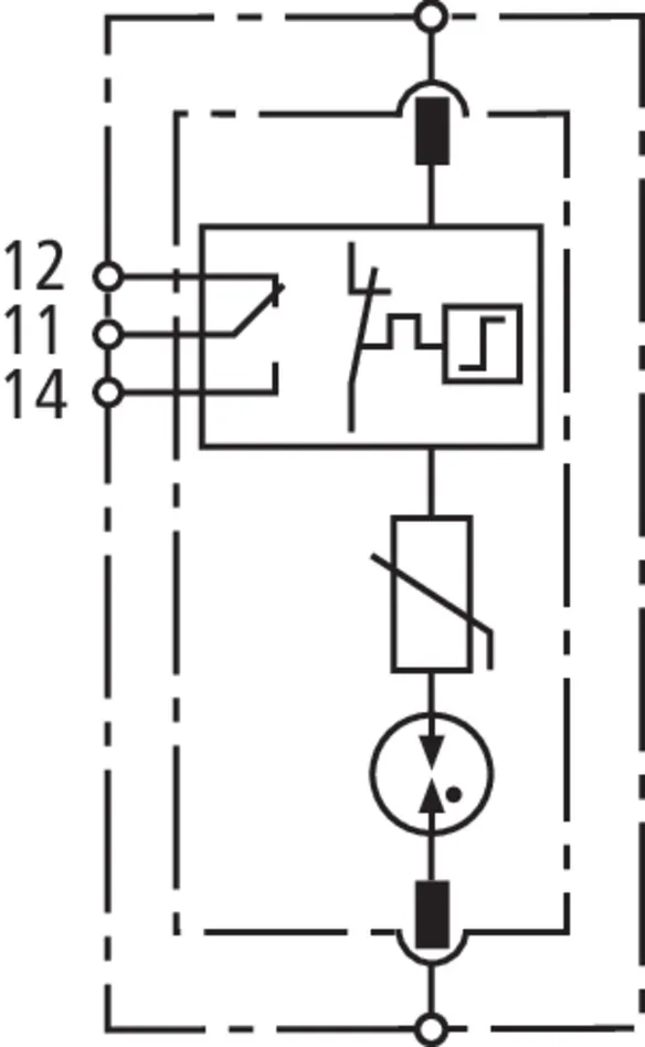
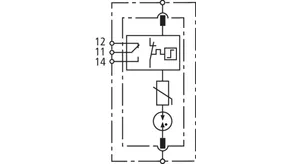
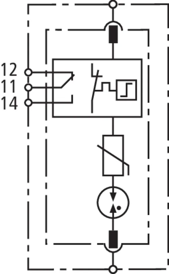
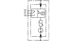
Limitatore di sovratensione unipolare, modulare, composto da circuito in serie di varistore e spinterometro nel modulo di protezione innestabile.

3 Prodotti

Art. 952080 DG S 75 VA

GTIN (EAN) 4013364127296, Codice doganale (EU): 85363030, Peso lordo: 118.00 g, UM: 1.00 pz.

Predecessore

Immagini

Maggior informazioni

Limitatore di sovratensione DEHNguard S 75 VA
Limitatore di sovratensione unipolare, modulare, innestabile
Dimensioni: 1 unità, indicazione di guasto
SPD Tipo 2 secondo CEI EN 61643-11
Circuito di protezione privo di corrente di fuga, tramite collegamento in serie di varistore e spinterometro
Tensione massima continuativa: 75 V AC / 100 V DC
Livello di protezione: <= 1,1 kV
Corrente impulsiva nominale di scarica: 10 kA
Tenuta al corto circuito: 25 kAeff
Coordinamento energetico secondo CEI EN 62305-4
SPD della famiglia di prodotti Red/Line

Fabbricato: DEHN
Tipo: DG S 75 VA
Art.: 952080
o similare.

Certificati

 

Caratteristiche tecniche

SPD secondo EN 61643-11 / ... IEC 61643-11 Tipo 2 / Class II
Tensione massima continuativa AC (UC ) 75 V (50 / 60 Hz)
Corrente impulsiva nominale di scarica (8/20 µs) (In ) 10 kA
Corrente impulsiva max di scarica (8/20 µs) (Imax ) 20 kA
Livello di protezione (UP ) ≤ 1,1 kV
Protezione max di sovraccorrente in rete 100 A gG

Prodotto 952080 è stato aggiunto al blocco note.

Prodotto 952080 è stato aggiunto al carrello.

Apri Web-Shop

Art. 952082 DG S 275 VA

GTIN (EAN) 4013364127319, Codice doganale (EU): 85363030, Peso lordo: 123.40 g, UM: 1.00 pz.

Predecessore

Immagini

Maggior informazioni

Limitatore di sovratensione DEHNguard S 275 VA
Limitatore di sovratensione unipolare, modulare, innestabile
Dimensioni: 1 unità, indicazione di guasto
SPD Tipo 2 secondo CEI EN 61643-11
Circuito di protezione privo di corrente di fuga, tramite collegamento in serie di varistore e spinterometro
Tensione massima continuativa: 275 V AC / 350 V DC
Livello di protezione: <= 1,5 kV
Corrente impulsiva nominale di scarica: 10 kA
Tenuta al corto circuito: 25 kAeff
Coordinamento energetico secondo CEI EN 62305-4
SPD della famiglia di prodotti Red/Line

Fabbricato: DEHN
Tipo: DG S 275 VA
Art.: 952082
o similare.

Certificati

 

Caratteristiche tecniche

SPD secondo EN 61643-11 / ... IEC 61643-11 Tipo 2 / Class II
Tensione massima continuativa AC (UC ) 275 V (50 / 60 Hz)
Corrente impulsiva nominale di scarica (8/20 µs) (In ) 10 kA
Corrente impulsiva max di scarica (8/20 µs) (Imax ) 20 kA
Livello di protezione (UP ) ≤ 1,5 kV
Protezione max di sovraccorrente in rete 100 A gG

Prodotto 952082 è stato aggiunto al blocco note.

Prodotto 952082 è stato aggiunto al carrello.

Apri Web-Shop

Art. 952084 DG S 385 VA

GTIN (EAN) 4013364127333, Codice doganale (EU): 85363030, Peso lordo: 127.70 g, UM: 1.00 pz.


Immagini

Maggior informazioni

Limitatore di sovratensione DEHNguard S 385 VA
Limitatore di sovratensione unipolare, modulare, innestabile
Dimensioni: 1 unità, indicazione di guasto
SPD Tipo 2 secondo CEI EN 61643-11
Circuito di protezione privo di corrente di fuga, tramite collegamento in serie di varistore e spinterometro
Tensione massima continuativa: 385 V AC / 500 V DC
Livello di protezione: <= 1,75 kV
Corrente impulsiva nominale di scarica: 10 kA
Tenuta al corto circuito: 25 kAeff
Coordinamento energetico secondo CEI EN 62305-4
SPD della famiglia di prodotti Red/Line

Fabbricato: DEHN
Tipo: DG S 385 VA
Art.: 952084
o similare.

Certificati

 

Caratteristiche tecniche

SPD secondo EN 61643-11 / ... IEC 61643-11 Tipo 2 / Class II
Tensione massima continuativa AC (UC ) 385 V (50 / 60 Hz)
Corrente impulsiva nominale di scarica (8/20 µs) (In ) 10 kA
Corrente impulsiva max di scarica (8/20 µs) (Imax ) 20 kA
Livello di protezione (UP ) ≤ 1,75 kV
Protezione max di sovraccorrente in rete 100 A gG

Prodotto 952084 è stato aggiunto al blocco note.

Prodotto 952084 è stato aggiunto al carrello.

Apri Web-Shop

DEHNguard S VA FM

Limitatore di sovratensione unipolare, modulare, composto da circuito in serie di varistore e spinterometro nel modulo di protezione innestabile; con contatto di telesegnalamento / scambio pulito.

3 Prodotti

Art. 952085 DG S 75 VA FM

GTIN (EAN) 4013364127302, Codice doganale (EU): 85363030, Peso lordo: 122.10 g, UM: 1.00 pz.

Predecessore

Immagini

Maggior informazioni

Limitatore di sovratensione DEHNguard S 75 FM
Limitatore di sovratensione unipolare, modulare, innestabile
Dimensioni: 1 unità, indicazione di guaasto
Con contatto di telesegnalamento
SPD Tipo 2 secondo CEI EN 61643-11
Circuito di protezione privo di corrente di fuga, tramite collegamento in serie di varistore e spinterometro
Tensione massima continuativa: 75 V AC / 100 V DC
Livello di protezione: <= 1,1 kV
Corrente impulsiva nominale di scarica: 10 kA
Tenuta al corto circuito: 25 kAeff
Coordinamento energetico secondo CEI EN 62305-4
SPD della famiglia di prodotti Red/Line

Fabbricato: DEHN
Tipo: DG S 75 VA FM
Art.: 952085
o similare.

Certificati

 

Caratteristiche tecniche

SPD secondo EN 61643-11 / ... IEC 61643-11 Tipo 2 / Class II
Tensione massima continuativa AC (UC ) 75 V (50 / 60 Hz)
Corrente impulsiva nominale di scarica (8/20 µs) (In ) 10 kA
Corrente impulsiva max di scarica (8/20 µs) (Imax ) 20 kA
Livello di protezione (UP ) ≤ 1,1 kV
Protezione max di sovraccorrente in rete 100 A gG

Prodotto 952085 è stato aggiunto al blocco note.

Prodotto 952085 è stato aggiunto al carrello.

Apri Web-Shop

Art. 952087 DG S 275 VA FM

GTIN (EAN) 4013364127326, Codice doganale (EU): 85363030, Peso lordo: 126.70 g, UM: 1.00 pz.

Predecessore

Immagini

Maggior informazioni

Limitatore di sovratensione DEHNguard S275 VA FM
Limitatore di sovratensione unipolare, modulare, innestabile
Dimensioni: 1 unità, indicazione di guasto
Con contatto di telesegnalamento
SPD Tipo 2 secondo CEI EN 61643-11
Circuito di protezione privo di corrente di fuga, tramite collegamento in serie di varistore e spinterometro
Tensione massima continuativa: 275 V AC / 350 V DC
Livello di protezione: <= 1,5 kV
Corrente impulsiva nominale di scarica: 10 kA
Tenuta al corto circuito: 25 kAeff
Coordinamento energetico secondo CEI EN 62305-4
SPD della famiglia di prodotti Red/Line

Fabbricato: DEHN
Tipo: DG S 275 VA FM
Art.: 952087
o similare.

Certificati

 

Caratteristiche tecniche

SPD secondo EN 61643-11 / ... IEC 61643-11 Tipo 2 / Class II
Tensione massima continuativa AC (UC ) 275 V (50 / 60 Hz)
Corrente impulsiva nominale di scarica (8/20 µs) (In ) 10 kA
Corrente impulsiva max di scarica (8/20 µs) (Imax ) 20 kA
Livello di protezione (UP ) ≤ 1,5 kV
Protezione max di sovraccorrente in rete 100 A gG

Prodotto 952087 è stato aggiunto al blocco note.

Prodotto 952087 è stato aggiunto al carrello.

Apri Web-Shop

Art. 952089 DG S 385 VA FM

GTIN (EAN) 4013364127340, Codice doganale (EU): 85363030, Peso lordo: 131.70 g, UM: 1.00 pz.


Immagini

Maggior informazioni

Limitatore di sovratensione DEHNguard S 385 VA FM
Limitatore di sovratensione unipolare, modulare, innestabile
Dimensioni: 1 unità, indicazione di guasto
Con contatto di telesegnalamento
SPD Tipo 2 secondo CEI EN 61643-11
Circuito di protezione privo di corrente di fuga, tramite collegamento in serie di varistore e spinterometro
Tensione massima continuativa: 385 V AC / 500 V DC
Livello di protezione: <= 1,75 kV
Corrente impulsiva nominale di scarica: 10 kA
Tenuta al corto circuito: 25 kAeff
Coordinamento energetico secondo CEI EN 62305-4
SPD della famiglia di prodotti Red/Line

Fabbricato: DEHN
Tipo: DG S 385 VA FM
Art.: 952089
o similare.

Certificati

 

Caratteristiche tecniche

SPD secondo EN 61643-11 / ... IEC 61643-11 Tipo 2 / Class II
Tensione massima continuativa AC (UC ) 385 V (50 / 60 Hz)
Corrente impulsiva nominale di scarica (8/20 µs) (In ) 10 kA
Corrente impulsiva max di scarica (8/20 µs) (Imax ) 20 kA
Livello di protezione (UP ) ≤ 1,75 kV
Protezione max di sovraccorrente in rete 100 A gG

Prodotto 952089 è stato aggiunto al blocco note.

Prodotto 952089 è stato aggiunto al carrello.

Apri Web-Shop

back to top