DEHNpipe

Limitatori di sovratensione da avvitare sugli apparecchi in campo
  • Con cablaggio di serie o parallelo
  • Esecuzione in acciaio inossidabile resistente alla corrosione
  • Disponibile limitatore per la protezione di una seconda interfaccia (lato dati o lato energia)
Varianti per applicazioni Ex (i) e Ex (d)
  • Per la protezione di circuiti di misura a sicurezza intrinseca e sistemi bus Ex (i)
  • Esecuzione resistente alla pressione Ex (d)
Diverse omologazioneOmologazioni in base al limitatore: IECEx, ATEX, FISCO, CSA Hazloc

Dettagli

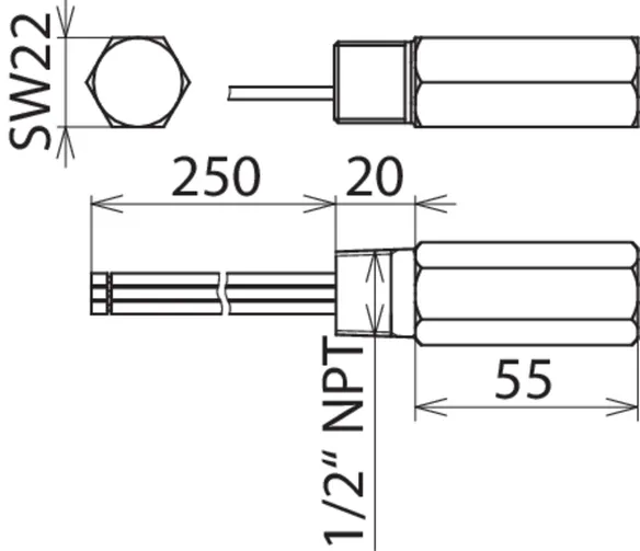
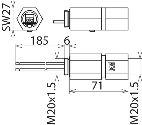
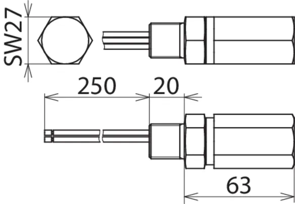
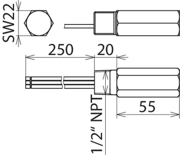
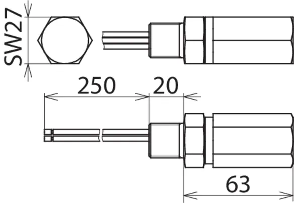
Filetto metrico e NPT.
lorem ipsum
Omologazioni ATEX e IECEx.
lorem ipsum
Varianti per il cablaggio passante.
lorem ipsum
Esecuzione robusta in acciaio inossidabile resistente alla corrosione.
lorem ipsum

DPI MD

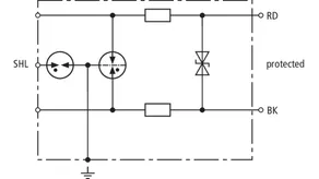
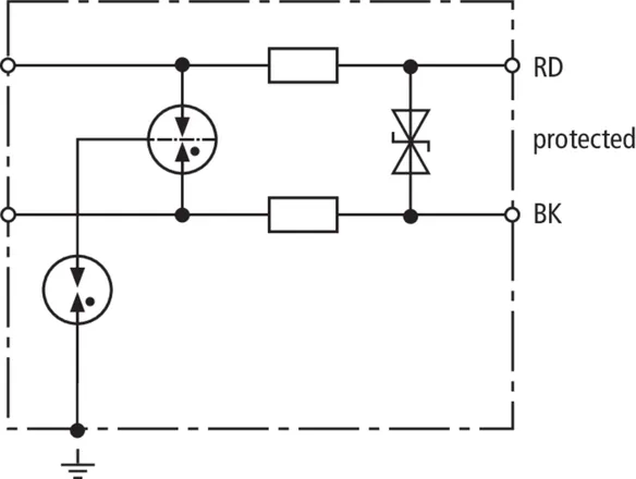
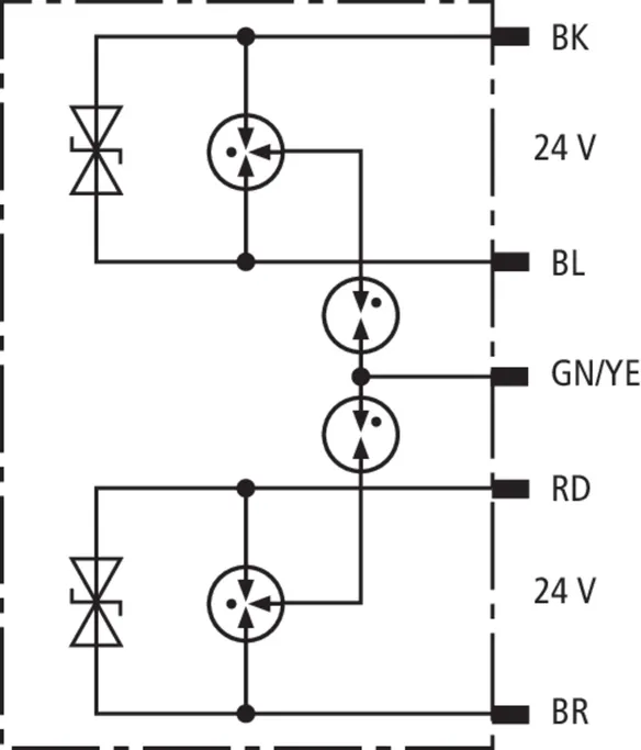
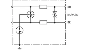
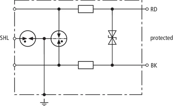
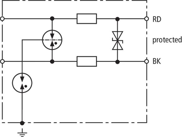
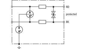
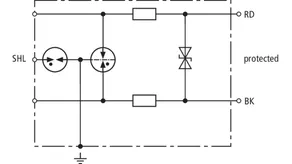
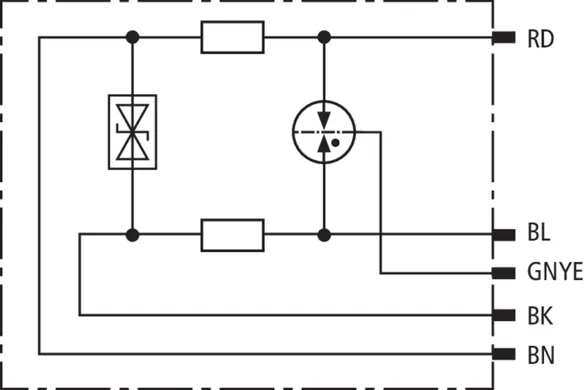
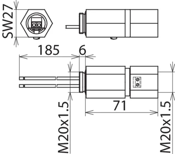
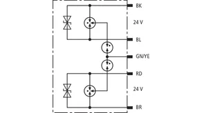
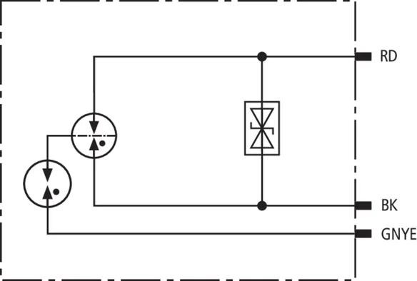
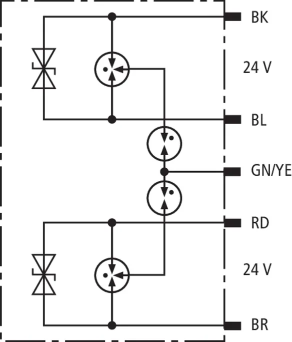
Limitatore di sovratensione a due gradini, senza corrente di fuga, coordinato energeticamente per interfacce 4-20 mA con filetto da avvitare M20 x 1,5 (interno / esterno). Lo schermo può essere collegato in modo diretto, indiretto oppure può restare scollegato da terra. Pressacavo fornibile come accessorio.

1 Prodotto

Art. 929941 DPI MD 24 M 2S

GTIN (EAN) 4013364098152, Codice doganale (EU): 85363010, Peso lordo: 187.40 g, UM: 1.00 pz.


Immagini

Maggior informazioni

Limitatori di sovratensione DEHNpipe DPI MD
Limitatore di sovratensione Tipo 2 / P2 DEHNpipe secondo EN 61643-11 a due gradini, senza corrente di fuga, coordinato energeticamente per interfacce 4-20 mA con filetto da avvitare M20 x 1,5 (interno/ esterno).
INOX (V4A), costruzione in IP 67 in esecuzione resistente alla pressione Ex (d)
Tensione massima continuativa DC: 34,8 V
Corrente nominale: 0,5 A
C2 Corrente impulsiva nominale di scarica (8/20 µs) complessiva: 10 kA
Frequenza limite filo-filo: 14 MHz

Fabbricato: DEHN
Tipo: DPI MD 24 M 2S
Art.: 929941
o similare.

Certificati

 

Caratteristiche tecniche

Classe SPD Q
Tensione massima continuativa DC (UC ) 34,8 V
Corrente nominale (IL ) 0,5 A
D1 Corrente impulsiva di fulmine (10/350 µs) per filo (Iimp ) 1 kA
C2 Corrente impulsiva nominale di scarica (8/20 µs) complessiva (In ) 10 kA
Frequenza limite filo-filo (fG ) 14 MHz
Montaggio lato campo / apparecchio filetto interno M20 x 1,5 / filetto esterno M20 x 1,5
Omologazioni SIL
*) per dettagli vedasi: www.dehn.it

Prodotto 929941 è stato aggiunto al blocco note.

Prodotto 929941 è stato aggiunto al carrello.

Apri Web-Shop

DPI MD EX

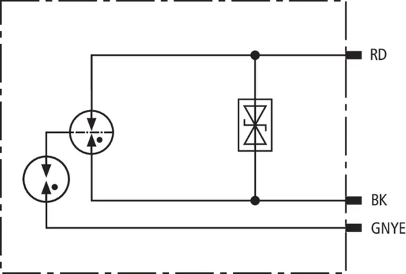
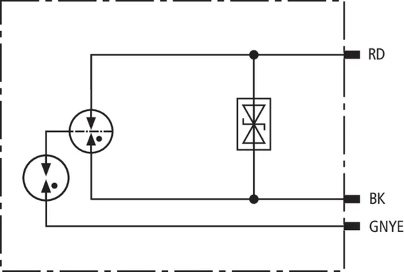
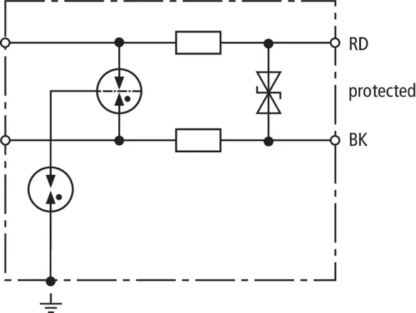
Limitatore di sovratensione a 2 gradini con circuito di protezione con basso valore capacitivo, per la protezione di circuiti e sistemi bus a sicurezza intrinseca, soddisfa i requisiti secondo FISCO. Tenuta all'isolamento > 500 V verso terra. Pressacavo fornibile come accessorio.

2 Prodotti

Art. 929960 DPI MD EX 24 M 2

GTIN (EAN) 4013364098145, Codice doganale (EU): 85363010, Peso lordo: 185.80 g, UM: 1.00 pz.


Immagini

Maggior informazioni

Limitatori di sovratensione DEHNpipe DPI MD EX
Limitatore di sovratensione Tipo 2 / P2 DEHNpipe secondo EN 61643-11 a 2 gradini con circuito di protezione con basso valore capacitivo, per la protezione di circuiti e sistemi bus a sicurezza intrinseca, soddisfa i requisiti secondo FISCO.
INOX (V4A), costruzione in IP 67 in esecuzione resistente alla pressione Ex (d)
Tensione massima continuativa DC: 34,8 V
Corrente nominale: 0,5 A
C2 Corrente impulsiva nominale di scarica (8/20 µs) complessiva: 10 kA
Frequenza limite filo-filo: 7 MHz

Fabbricato: DEHN
Tipo: DPI MD EX 24 M 2
Art.: 929960
o similare.

Certificati

 

Caratteristiche tecniche

Classe SPD T
Tensione massima continuativa DC (UC ) 34,8 V
Corrente nominale (IL ) 0,5 A
D1 Corrente impulsiva di fulmine (10/350 µs) per filo (Iimp ) 1 kA
C2 Corrente impulsiva nominale di scarica (8/20 µs) complessiva (In ) 10 kA
Frequenza limite filo-filo (fG ) 7 MHz
Montaggio lato campo / apparecchio filetto interno M20 x 1,5 / filetto esterno M20 x 1,5
Omologazioni ATEX, IECEx, CCC, CSA & USA Hazloc, SIL
*) per dettagli vedasi: www.dehn.it

Prodotto 929960 è stato aggiunto al blocco note.

Prodotto 929960 è stato aggiunto al carrello.

Apri Web-Shop

Art. 929965 DPI MD EX 24 N 2

GTIN (EAN) 4013364360778, Codice doganale (EU): 85363010, Peso lordo: 185.00 g, UM: 1.00 pz.


Immagini

Maggior informazioni

Limitatori di sovratensione DEHNpipe DPI MD EX
Limitatore di sovratensione Tipo 2 / P2
DEHNpipe secondo EN 61643-11 a 2 gradini con circuito
di protezione con basso valore capacitivo, per la protezione
di circuiti e sistemi bus a sicurezza intrinseca,
soddisfa i requisiti secondo FISCO.
INOX (V4A), costruzione in IP 67 in esecuzione
resistente alla pressione Ex (d)
Tensione massima continuativa DC: 34,8 V
Corrente nominale: 0,5 A
C2 Corrente impulsiva nominale di scarica (8/20 µs) complessiva: 10 kA
Frequenza limite filo-filo: 7 MHz

Fabbricato: DEHN
Tipo: DPI MD EX 24 N 2
Art.: 929965
o similare.

Certificati

 

Caratteristiche tecniche

Classe SPD T
Tensione massima continuativa DC (UC ) 34,8 V
Corrente nominale (IL ) 0,5 A
D1 Corrente impulsiva di fulmine (10/350 µs) per filo (Iimp ) 1 kA
C2 Corrente impulsiva nominale di scarica (8/20 µs) complessiva (In ) 10 kA
Frequenza limite filo-filo (fG ) 7 MHz
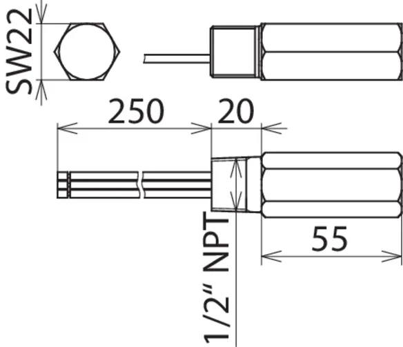
Montaggio lato campo / apparecchio 1/2-14 NPT filetto interno / 1/2-14 NPT filetto esterno
Omologazioni ATEX, IECEx, CCC, SIL
*) per dettagli vedasi: www.dehn.it

Prodotto 929965 è stato aggiunto al blocco note.

Prodotto 929965 è stato aggiunto al carrello.

Apri Web-Shop

DPI CD EXI

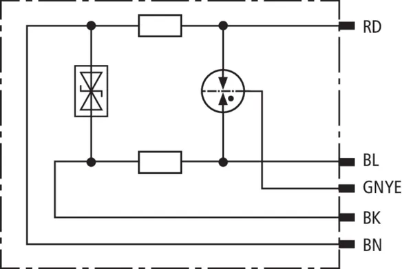
Limitatore di sovratensione con circuito di protezione con basso valore capacitivo, per la protezione di circuiti e sistemi bus a sicurezza intrinseca, soddisfa i requisiti secondo FISCO. Tenuta all'isolamento > 500 V verso terra.

2 Prodotti

Art. 929961 DPI CD EXI 24 M

GTIN (EAN) 4013364101784, Codice doganale (EU): 85363010, Peso lordo: 183.00 g, UM: 1.00 pz.


Immagini

Maggior informazioni

Limitatori di sovratensione DEHNpipe DPI CD EXI
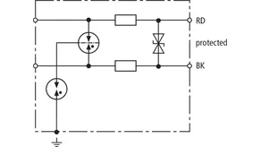
Limitatore di sovratensione Tipo 2 / P2 DEHNpipe secondo EN 61643-11 in esecuzione resistente alle esplosioni, con circuito di protezione con basso valore capacitivo, per l'impiego in zone con pericolo d'esplosione per la protezione di circuiti e sistemi bus.
INOX (V4A), costruzione in IP 67 in esecuzione resistente alla pressione Ex (d)
Tensione massima continuativa DC: 32 V
Corrente nominale: 0,55 A
C2 Corrente impulsiva nominale di scarica (8/20 µs) complessiva: 10 kA
Frequenza limite filo-filo: 67 MHz

Fabbricato: DEHN
Tipo: DPI CD EXI 24 M
Art.: 929961
o similare.

Certificati

 

Caratteristiche tecniche

Classe SPD T
Tensione massima continuativa DC (UC ) 32 V
Corrente nominale (IL ) 0,55 A
D1 Correnze impulsiva di fulmine (10/350 µs) filo-PG (Iimp ) 1 kA
C2 Corrente impulsiva nominale di scarica (8/20 µs) complessiva (In ) 10 kA
Frequenza limite filo-filo (fG ) 67 MHz
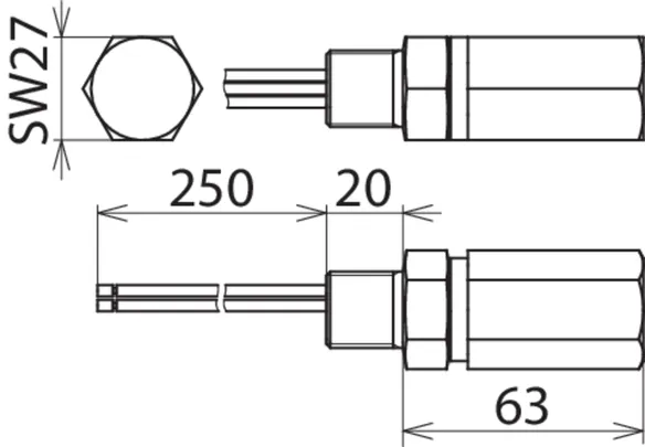
Montaggio lato campo / apparecchio filetto esterno M20 x 1,5
Omologazioni ATEX, IECEx, CCC, CSA & USA Hazloc, SIL
*) per dettagli vedasi: www.dehn.it

Prodotto 929961 è stato aggiunto al blocco note.

Prodotto 929961 è stato aggiunto al carrello.

Apri Web-Shop

Art. 929963 DPI CD EXI 24 N

GTIN (EAN) 4013364101807, Codice doganale (EU): 85363010, Peso lordo: 196.00 g, UM: 1.00 pz.


Immagini

Maggior informazioni

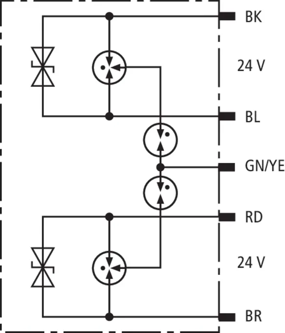
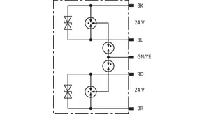
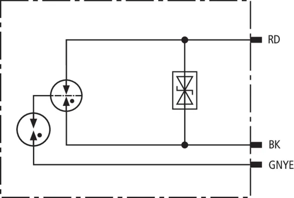
Limitatore di sovratensione DEHNpipe CD EX (i) DPI CD EXI 24 N
Limitatore di sovratensione Tipo 2 / P1
DEHNpipe, provato secondo
CEI EN 61643-21, in V4A, IP 67,
in esecuzione Ex (i)
da avvitare in dispositivi di campo
con tecnica di misurazione a due conduttori,
protezione parallela di coppia di fili
funzionante con separazione galvanica
e sistemi bus a sicurezza intrinseca.
Tensione massima continuativa DC: 32 V
Corrente nominale: 0,55 A
C2 Corrente impulsiva nominale di scarica (8/20 µs) complessiva: 10 kA
Frequenza limite filo-filo: 67 MHz

Fabbricato: DEHN
Tipo: DPI CD EXI 24 N
Art.: 929963
o similare.

Certificati

 

Caratteristiche tecniche

Classe SPD T
Tensione massima continuativa DC (UC ) 32 V
Corrente nominale (IL ) 0,55 A
D1 Correnze impulsiva di fulmine (10/350 µs) filo-PG (Iimp ) 1 kA
C2 Corrente impulsiva nominale di scarica (8/20 µs) complessiva (In ) 10 kA
Frequenza limite filo-filo (fG ) 67 MHz
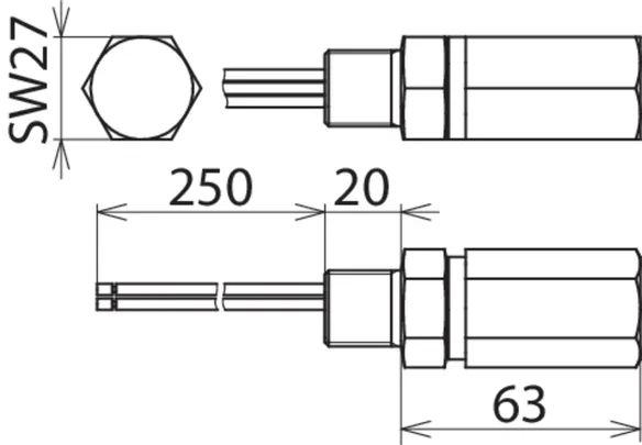
Montaggio lato campo / apparecchio filetto esterno 1/2-14 NPT
Omologazioni ATEX, IECEx, CCC, CSA & USA Hazloc, SIL
*) per dettagli vedasi: www.dehn.it

Prodotto 929963 è stato aggiunto al blocco note.

Prodotto 929963 è stato aggiunto al carrello.

Apri Web-Shop

DPI CD EXD

Limitatore di sovratensione in esecuzione resistente alle esplosioni, con circuito di protezione con basso valore capacitivo, per l'impiego in zone con pericolo d'esplosione per la protezione di circuiti e sistemi bus. Tenuta all'isolamento > 500 V verso terra. Omologato secondo CSA e USA Hazloc-Standard.

2 Prodotti

Art. 929962 DPI CD EXD 24 M

GTIN (EAN) 4013364101791, Codice doganale (EU): 85363010, Peso lordo: 183.00 g, UM: 1.00 pz.


Immagini

Maggior informazioni

Limitatori di sovratensione DEHNpipe DPI CD EXD
Limitatore di sovratensione Tipo 2 / P2 DEHNpipe secondo EN 61643-11 in esecuzione resistente alle esplosioni, con circuito di protezione con basso valore capacitivo, per l'impiego in zone con pericolo d'esplosione per la protezione di circuiti e sistemi bus.
INOX (V4A), costruzione in IP 67 in esecuzione resistente alla pressione Ex (d)
Tensione massima continuativa DC: 32 V
Corrente nominale: 0,55 A
C2 Corrente impulsiva nominale di scarica (8/20 µs) complessiva: 10 kA
Frequenza limite filo-filo: 67 MHz

Fabbricato: DEHN
Tipo: DPI CD EXD 24 M
Art.: 929962
o similare.

Certificati

 

Caratteristiche tecniche

Classe SPD T
Tensione massima continuativa DC (UC ) 32 V
Corrente nominale (IL ) 0,55 A
D1 Correnze impulsiva di fulmine (10/350 µs) filo-PG (Iimp ) 1 kA
C2 Corrente impulsiva nominale di scarica (8/20 µs) complessiva (In ) 10 kA
Frequenza limite filo-filo (fG ) 67 MHz
Montaggio lato campo / apparecchio filetto esterno M20 x 1,5
Omologazioni ATEX, IECEx, CCC, CSA & USA Hazloc, SIL
*) per dettagli vedasi: www.dehn.it

Prodotto 929962 è stato aggiunto al blocco note.

Prodotto 929962 è stato aggiunto al carrello.

Apri Web-Shop

Art. 929964 DPI CD EXD 24 N

GTIN (EAN) 4013364101814, Codice doganale (EU): 85363010, Peso lordo: 183.00 g, UM: 1.00 pz.


Immagini

Maggior informazioni

Limitatori di sovratensione DEHNpipe DPI CD EXD
Limitatore di sovratensione Tipo 2 / P2 DEHNpipe secondo EN 61643-11 in esecuzione resistente alle esplosioni, con circuito di protezione con basso valore capacitivo, per l'impiego in zone con pericolo d'esplosione per la protezione di circuiti e sistemi bus.
INOX (V4A), costruzione in IP 67 in esecuzione resistente alla pressione Ex (d)
Tensione massima continuativa DC: 32 V
Corrente nominale: 0,55 A
C2 Corrente impulsiva nominale di scarica (8/20 µs) complessiva: 10 kA
Frequenza limite filo-filo: 67 MHz

Fabbricato: DEHN
Tipo: DPI CD EXD 24 N
Art.: 929964
o similare.

Certificati

 

Caratteristiche tecniche

Classe SPD T
Tensione massima continuativa DC (UC ) 32 V
Corrente nominale (IL ) 0,55 A
D1 Correnze impulsiva di fulmine (10/350 µs) filo-PG (Iimp ) 1 kA
C2 Corrente impulsiva nominale di scarica (8/20 µs) complessiva (In ) 10 kA
Frequenza limite filo-filo (fG ) 67 MHz
Montaggio lato campo / apparecchio filetto esterno 1/2-14 NPT
Omologazioni ATEX, IECEx, CCC, CSA & USA Hazloc, SIL
*) per dettagli vedasi: www.dehn.it

Prodotto 929964 è stato aggiunto al blocco note.

Prodotto 929964 è stato aggiunto al carrello.

Apri Web-Shop

DPI CD HF EXD

Limitatore di sovratensione in esecuzione resistente alle esplosioni con circuito di protezione con basso valore capacitivo ed energeticamente coordinato, per l'impiego in zone con pericolo d'esplosione per la protezione di circuiti e sistemi bus.

1 Prodotto

Art. 929971 DPI CD HF EXD 5 M

GTIN (EAN) 4013364120761, Codice doganale (EU): 85363010, Peso lordo: 285.60 g, UM: 1.00 pz.


Immagini

Maggior informazioni

Limitatori di sovratensione DEHNpipe DPI CD HF EXD
Limitatore di sovratensione Tipo 2 / Classe II DEHNpipe secondo EN 61643-11 in esecuzione resistente alle esplosioni con circuito di protezione con basso valore capacitivo ed energeticamente coordinato, per l'impiego in zone con pericolo d'esplosione per la protezione di circuiti e sistemi bus.
INOX (V4A), costruzione in IP 67 in esecuzione resistente alla pressione Ex (d)
Tensione massima continuativa DC: 6 V
Corrente nominale con 80 °C: 0,1 A
C2 Corrente impulsiva nominale di scarica (8/20 µs) complessiva: 20 kA
Frequenza limite filo-filo: 100 MHz

Fabbricato: DEHN
Tipo: DPI CD HF EXD 5 M
Art.: 929971
o similare.

Certificati

 

Caratteristiche tecniche

Classe SPD T
Tensione massima continuativa DC (UC ) 6 V
Corrente nominale con 80 °C (IL ) 0,1 A
C2 Corrente impulsiva nominale di scarica (8/20 µs) complessiva (In ) 20 kA
Frequenza limite filo-filo (fG ) 100 MHz
Montaggio lato campo / apparecchio filetto esterno M20 x 1,5
Omologazioni ATEX, IECEx, CCC, CSA & USA Hazloc, SIL
*) per dettagli vedasi: www.dehn.it

Prodotto 929971 è stato aggiunto al blocco note.

Prodotto 929971 è stato aggiunto al carrello.

Apri Web-Shop

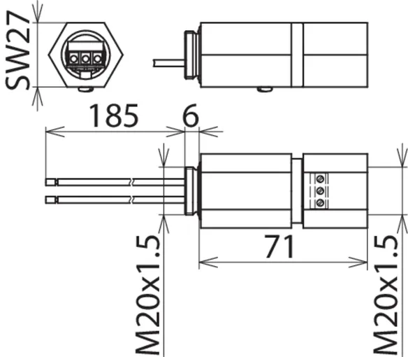
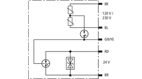
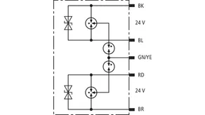
DPI CD EXD 230 24

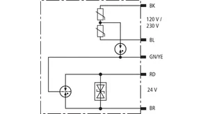
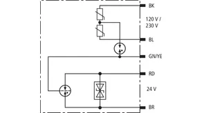
Limitatore di sovratensione in esecuzione doppia per il lato energia e dati. Esecuzione resistente alle esplosioni per l'impiego in zone con pericolo d'esplosione in zona 1 e 2, per la protezione di una linea di alimentazione 120 / 230 V e una interfaccia a 24 V di apprecchi in campo.
Maggiore sicurezza contro le inversioni di collegamento, grazie al circuito di protezione a Y per il lato alimentazione a 120 / 230 V.

Applicazione universale in zona ex 1 e 2 grazie all'esecuzione II 2 G Ex d IIC T5/T6. Omologato secondo CSA e USA Hazloc-Standard.

2 Prodotti

Art. 929969 DPI CD EXD 230 24 M

GTIN (EAN) 4013364127418, Codice doganale (EU): 85363010, Peso lordo: 280.00 g, UM: 1.00 pz.


Immagini

Maggior informazioni

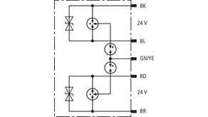
Doppio limitatore di sovratensione DEHNpipe CD Ex (d) DPI CD EXD 230 24 M
Doppio limitatore di sovratensione
della classe SPD tipo 2 e tipo 2 / P2
DEHNpipe, collaudato secondo
EN 61643-11 e -21, in V2A, IP 67,
nella versione Ex (d),
da avvitare su apparecchi in campo
con collegamento per l'alimentazione elettrica e tecnologia di misurazione a 2 conduttori,
Protezione parallela di un'alimentazione di rete a 230 V
e di un'interfaccia 0/4-20 mA
nella zona Ex 1 o 2.
Tensione massima continuativa DC: 32 V
Corrente nominale con 80 °C: 0,55 A
C2 Corrente impulsiva nominale di scarica (8/20 µs) complessiva: 10 kA

Fabbricato: DEHN
Tipo: DPI CD EXD 230 24 M
Art.: 929969
o similare.

Certificati

 

Caratteristiche tecniche

Protezione del lato dati
Classe SPD U
Tensione massima continuativa DC (UC ) 32 V
Corrente nominale con 80 °C (IL ) 0,55 A
D1 Corrente impulsiva di fulmine (10/350 µs) filo-PG (Iimp ) 1 kA
C2 Corrente impulsiva nominale di scarica (8/20 µs) complessiva (In ) 10 kA
Montaggio lato campo / apparecchio filetto esterno M20 x 1,5
Omologazioni ATEX, IECEx, CCC, CSA & USA Hazloc, SIL
*) dettagli vedasi: www.dehn.it
Protezione del lato alimentazione
SPD secondo EN 61643-11 / ... IEC 61643-11 Tipo 2 / Classe II
Tensione massima continuativa AC (UC ) 255 V
Corrente impulsiva di scarica complessiva (8/20 µs) L+N-PE (Itotal ) 5 kA
Livello di protezione L-N (UP ) ≤ 1,4 kV
Protezione max. di sovraccorente in rete 16 A gG oppure B 16 A

Prodotto 929969 è stato aggiunto al blocco note.

Prodotto 929969 è stato aggiunto al carrello.

Apri Web-Shop

Art. 929970 DPI CD EXD 230 24 N

GTIN (EAN) 4013364127425, Codice doganale (EU): 85363010, Peso lordo: 273.00 g, UM: 1.00 pz.


Immagini

Maggior informazioni

Doppio limitatore di sovratensione DEHNpipe CD Ex (d) DPI CD EXD 230 24 N
Doppio limitatore di sovratensione
della classe SPD tipo 2 e tipo 2 / P2
DEHNpipe, collaudato secondo
EN 61643-11 e -21, in V2A, IP 67,
nella versione Ex (d),
da avvitare su apparecchi in campo
con collegamento per l'alimentazione elettrica e tecnologia di misurazione a 2 conduttori,
Protezione parallela di un'alimentazione di rete a 230 V
e di un'interfaccia 0/4-20 mA
nella zona Ex 1 o 2.
Tensione massima continuativa DC: 32 V
Corrente nominale con 80 °C: 0,55 A
C2 Corrente impulsiva nominale di scarica (8/20 µs) complessiva: 10 kA

Fabbricato: DEHN
Tipo: DPI CD EXD 230 24 N
Art.: 929970
o similare.

Certificati

 

Caratteristiche tecniche

Protezione del lato dati
Classe SPD U
Tensione massima continuativa DC (UC ) 32 V
Corrente nominale con 80 °C (IL ) 0,55 A
D1 Corrente impulsiva di fulmine (10/350 µs) filo-PG (Iimp ) 1 kA
C2 Corrente impulsiva nominale di scarica (8/20 µs) complessiva (In ) 10 kA
Montaggio lato campo / apparecchio filetto esterno 1/2-14 NPT
Omologazioni ATEX, IECEx, CCC, CSA & USA Hazloc, SIL
*) dettagli vedasi: www.dehn.it
Protezione del lato alimentazione
SPD secondo EN 61643-11 / ... IEC 61643-11 Tipo 2 / Classe II
Tensione massima continuativa AC (UC ) 255 V
Corrente impulsiva di scarica complessiva (8/20 µs) L+N-PE (Itotal ) 5 kA
Livello di protezione L-N (UP ) ≤ 1,4 kV
Protezione max. di sovraccorente in rete 16 A gG oppure B 16 A

Prodotto 929970 è stato aggiunto al blocco note.

Prodotto 929970 è stato aggiunto al carrello.

Apri Web-Shop

DPI CD EXI+D 2X24

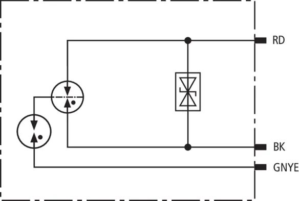
Limitatore di sovratensione in esecuzione resistente alle esplosioni, per l'impiego in zone con rischio d'esplosione, per la protezione di due interfacce 24 V.

2 Prodotti

Art. 929950 DPI CD EXI+D 2X24 M

GTIN (EAN) 4013364137387, Codice doganale (EU): 85363010, Peso lordo: 247.00 g, UM: 1.00 pz.


Immagini

Maggior informazioni

Doppio limitatore di sovratensione DEHNpipe CD EX (i) + Ex (d) DPI CD EXI+D 2X24 M
Limitatori di sovratensione
della classe SPD tipo 2 / P1
DEHNpipe, collaudato secondo
EN 61643-21, in V2A, IP 67,
in esecuzione Ex (i) + (d),
per la protezione di due
circuiti di segnale con separazione galvanica
oppure del circuito di alimentazione
dell’apparecchio in campo e del
circuito di segnale in zona Ex 1 o 2.
Tensione massima continuativa DC: 36 V
Corrente nominale: 0,55 A
C2 Corrente impulsiva nominale di scarica (8/20 µs) complessiva: 20 kA

Fabbricato: DEHN
Tipo: DPI CD EXI+D 2X24 M
Art.: 929950
o similare.

Certificati

 

Caratteristiche tecniche

Classe SPD T
Tensione massima continuativa DC (UC ) 36 V
Corrente nominale (IL ) 0,55 A
D1 Correnze impulsiva di fulmine (10/350 µs) filo-PG (Iimp ) 1,5 kA
C2 Corrente impulsiva nominale di scarica (8/20 µs) complessiva (In ) 20 kA
Montaggio lato campo / apparecchio filetto esterno M20 x 1,5
Omologazioni ATEX, IECEx, CCC, CSA & USA Hazloc, SIL
*) per dettagli vedasi: www.dehn.it

Prodotto 929950 è stato aggiunto al blocco note.

Prodotto 929950 è stato aggiunto al carrello.

Apri Web-Shop

Art. 929951 DPI CD EXI+D 2X24 N

GTIN (EAN) 4013364137394, Codice doganale (EU): 85363010, Peso lordo: 247.00 g, UM: 1.00 pz.


Immagini

Maggior informazioni

Limitatore di sovratensione DEHNpipe CD EX (i) + Ex (d) DPI CD EXI+D 2X24 N
Limitatori di sovratensione
della classe SPD tipo 2 / P1
DEHNpipe, collaudato secondo
EN 61643-21, in V2A, IP 67,
in esecuzione Ex (i) + (d),
da avvitare su apparecchi in campo
per la protezione di due
circuiti di segnale con separazione galvanica
oppure del circuito di alimentazione
dell’apparecchio in campo e del
circuito di segnale in zona Ex 1 o 2.
Tensione massima continuativa DC: 36 V
Corrente nominale: 0,55 A
C2 Corrente impulsiva nominale di scarica (8/20 µs) complessiva: 20 kA

Fabbricato: DEHN
Tipo: DPI CD EXI+D 2X24 N
Art.: 929951
o similare.

Certificati

 

Caratteristiche tecniche

Classe SPD T
Tensione massima continuativa DC (UC ) 36 V
Corrente nominale (IL ) 0,55 A
D1 Correnze impulsiva di fulmine (10/350 µs) filo-PG (Iimp ) 1,5 kA
C2 Corrente impulsiva nominale di scarica (8/20 µs) complessiva (In ) 20 kA
Montaggio lato campo / apparecchio filetto esterno 1/2-14 NPT
Omologazioni ATEX, IECEx, CCC, CSA & USA Hazloc, SIL
*) per dettagli vedasi: www.dehn.it

Prodotto 929951 è stato aggiunto al blocco note.

Prodotto 929951 è stato aggiunto al carrello.

Apri Web-Shop

back to top