DEHNprotector adattatore combinato

  • Protezione da sovratensioni combinata del lato energia e del lato dati di un’utenza finale
  • Protezione di apparecchi TV e SAT, impianti telefonici e componenti Ethernet
  • Indicazione ottica di funzionamento e di guasto
  • Facile adeguamento grazie alla semplicità di installazione

Dettagli

Variante con connettore RJ.
lorem ipsum
Spina a innesto schuko con protezione del lato energia.
lorem ipsum
Variante con connettore Koax.
lorem ipsum
Indicazione ottica di funzionamento/ guasto del lato energia (230 V).
lorem ipsum

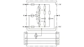
DPRO 230 TV

Protezione da sovratensioni combinata per il lato energia e lato antenna di apparecchi TV, radio e video. Con indicazione ottica di funzionamento e sicura per bambini integrata.

1 Prodotto

Art. 909300 DPRO 230 TV

GTIN (EAN) 4013364117723, Codice doganale (EU): 85363010, Peso lordo: 241.20 g, UM: 1.00 pz.

Predecessore

Immagini

Maggior informazioni

Protezione da sovratensioni combinata DEHNprotector DPRO 230 TV
Protezione da sovratensioni combinata per il lato energia e lato dati di una borchia NT. Adatto anche per apparecchi telefonici e fax. Con indicazione ottica di funzionamento e di guasto e sicura per bambini integrata
Norme di riferimento per le prove IEC 61643-21
Protezione del lato dati: Tipo 3
Protezione del lato energia: Tipo 2 / P3
Collegamento ingresso / uscita: connettore femmina F / connettore femmina F

Fabbricato: DEHN
Tipo: DPRO 230 TV
Art.: 909300
o similare.

Certificati

 

Caratteristiche tecniche

Protezione del lato dati
Classe SPD B
Tensione massima continuativa DC (UC ) 60 V
C2 Corrente impulsiva nominale di scarica (8/20 µs) filo-schermo (PE) (In ) 5 kA
Attenuazione tipica 0-2400 MHz ≤ 1,5 dB
Collegamento ingresso / uscita connettore femmina F / connettore femmina F
Protezione del lato energia
SPD secondo EN 61643-11 / IEC 61643-11 Tipo 3 / Class III
Tensione massima continuativa ac (UC ) 255 V (50 / 60 Hz)
Corrente impulsiva massima di scarica (8/20 µs) [L+N-PE] (Itotal ) 5 kA
Livello di protezione [L-N] (UP ) ≤ 1,35 kV
Protezione massima in rete 16 A gL/gG oppure B 16 A

Prodotto 909300 è stato aggiunto al blocco note.

Prodotto 909300 è stato aggiunto al carrello.

Apri Web-Shop

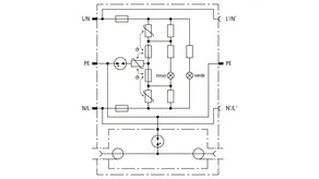
DPRO 230 NT

Protezione da sovratensioni combinata per il lato energia e lato dati di una terminazione di rete digitale NT (telefonia IP), in particolare interfacce di telecomunicazione fino a VVDSL e G.fast (fino a 1 Gbit/s). Sul lato energia, con indicazione ottica di funzionamento e di guasto e dispositivo di sicurezza per i bambini integrato.

1 Prodotto

Art. 909310 DPRO 230 NT

GTIN (EAN) 4013364117747, Codice doganale (EU): 85363010, Peso lordo: 258.60 g, UM: 1.00 pz.

Predecessore

Immagini

Maggior informazioni

Protezione da sovratensioni combinata DEHNprotector DPRO 230 NT
Adattatore per protezione da sovratensioni combinata
con protezione combinata per il lato energia e l'interfaccia in ingresso (Uk0)
di un terminale di rete digitale NT,
e di apparecchi telefonici e fax;
compresi accessori adatti per RJ11/12
e connessione TAE.
Norme di riferimento per le prove IEC 61643-11 e 21.
Cablaggio di protezione
con dispositivo di controllo integrato e
indicazione ottica di funzionamento/ guasto
Protezione del lato energia: Tipo 3
Protezione del lato dati: Tipo 2 / P1
Collegamento ingresso / uscita: connettore femmina RJ12 / connettore femmina RJ12
Occupazione: 3/4

Fabbricato: DEHN
Tipo: DPRO 230 NT
Art.: 909310
o similare.

Certificati

 

Caratteristiche tecniche

Protezione del lato dati
Classe SPD Q
Tensione massima continuativa DC (UC ) 180 V
D1 Corrente impulsiva di fulmine (10/350 µs) per filo D1 (Iimp ) 1 kA
C2 Corrente impulsiva nominale di scarica (8/20 µs) per filo (In ) 2,5 kA
Frequenza limite (fG ) 220 MHz
Collegamento ingresso / uscita connettore femmina RJ12 / connettore femmina RJ12
Protezione del lato energia
SPD secondo EN 61643-11 / IEC 61643-11 Tipo 3 / Class III
Tensione massima continuativa ac (UC ) 255 V (50 / 60 Hz)
Corrente impulsiva massima di scarica (8/20 µs) [L+N-PE] (Itotal ) 5 kA
Livello di protezione [L-N] (UP ) ≤ 1,35 kV
Protezione massima in rete B 16 A

Prodotto 909310 è stato aggiunto al blocco note.

Prodotto 909310 è stato aggiunto al carrello.

Apri Web-Shop

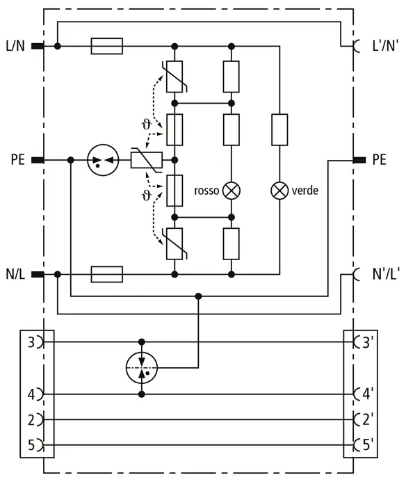
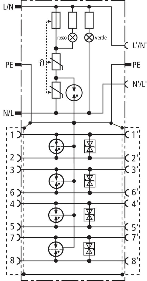
DPRO 230 LAN100

Protezione da sovratensioni combinata per il lato energia e il lato dati di apparecchi LAN. Circuito di protezione di tutte le coppie di fili per occupazione pin di Ethernet. Soddisfa i requisiti per Channel Class D secondo EN 50173 ed è adatto in tal modo per 1000 Base-T (gigabit Ethernet).
Con indicazione ottica di funzionamento e di guasto e sicura per bambini integrata.

1 Prodotto

Art. 909321 DPRO 230 LAN100

GTIN (EAN) 4013364126152, Codice doganale (EU): 85363010, Peso lordo: 271.00 g, UM: 1.00 pz.

Predecessore

Immagini

Maggior informazioni

Protezione da sovratensioni combinata DEHNprotector DPRO 230 LAN100
Protezione da sovratensioni combinata per il lato energia e il lato dati di apparecchi LAN
Circuito di protezione di tutte le coppie di fili per occupazione pin di Ethernet. Soddisfa i requisiti per Channel Class D secondo EN 50173 ed è adatto in tal modo per 1000 Base-T (gigabit Ethernet).
Con indicazione ottica di funzionamento e di guasto e sicura per bambini integrata
Norme di riferimento per le prove IEC 61643-21
Protezione del lato dati: Tipo 3
Protezione del lato energia: Tipo 2 / P1
Collegamento ingresso / uscita: connettore femmina RJ 45 schermato / connettore femmina RJ 45 schermato
Occupazione: 1/2, 3/6, 4/5, 7/8

Fabbricato: DEHN
Tipo: DPRO 230 LAN100
Art.: 909321
o similare.

Certificati

 

Caratteristiche tecniche

Protezione del lato dati
Classe SPD Q
Tensione massima continuativa DC (UC ) 3,3 V
D1 Corrente impulsiva di fulmine (10/350 µs) per filo D1 (Iimp ) 0,5 kA
C2 Corrente impulsiva nominale di scarica (8/20 µs) complessiva (In ) 10 kA
Frequenza limite (fG ) 180 MHz
Collegamento ingresso / uscita connettore femmina RJ 45 schermato / connettore femmina RJ 45 schermato
Protezione del lato energia
SPD secondo EN 61643-11 / IEC 61643-11 Tipo 3 / Class III
Tensione massima continuativa ac (UC ) 255 V (50 / 60 Hz)
Corrente impulsiva massima di scarica (8/20 µs) [L+N-PE] (Itotal ) 5 kA
Livello di protezione [L-N] (UP ) ≤ 1,25 kV
Protezione massima in rete B 16 A

Prodotto 909321 è stato aggiunto al blocco note.

Prodotto 909321 è stato aggiunto al carrello.

Apri Web-Shop

back to top