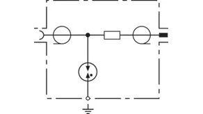
DEHNgate – limitatore per connessione coassiale

  • Scaricatori universali per corrente da fulmine e combinati
  • Capacità di scarica molto elevata per sistemi coassiali
  • Livello di protezione basso, adatto anche per la protezione di utenze finali
  • Materiali di contatto estremamente durevoli

Dettagli

Limitatore di sovratensioni per impianti satellitari e a banda larga.
lorem ipsum
Limitatore per connessione coassiale con scaricatore a gas sostituibile.
lorem ipsum
Connettore F per sistemi 75 Ohm.
lorem ipsum
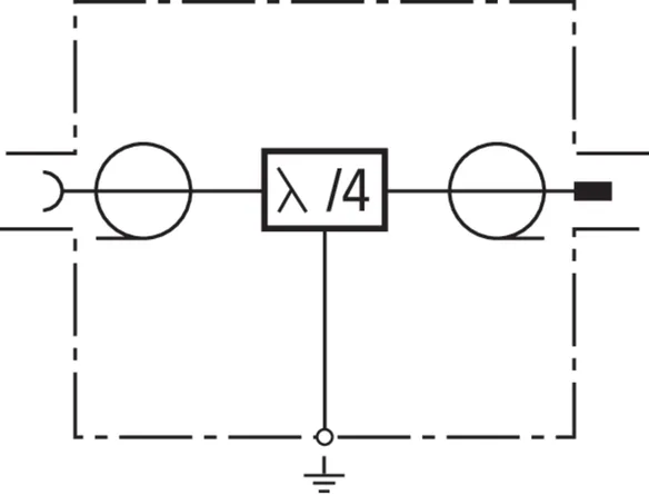
La tecnologia lambda/4 che non richiede manutenzione, per la protezione di applicazioni ad alta fequenza (ad es. l'LTE)
lorem ipsum

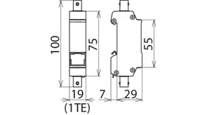
DGA BNC VC

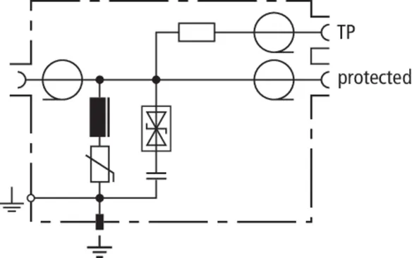
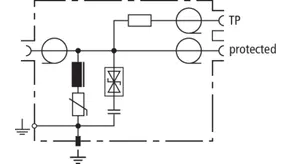
Limitatore di sovratensione in costruzione stretta con connettori femmina BNC.
Adatto per il montaggio su guida profilata per la protezione di sistemi video e telecamere di TV a circuito chiuso. A seconda del tipo con messa a terra diretta (VCD) oppure indiretta (VCID) dello schermo, per evitare la formazione di spire di ronzio.

1 Prodotto

Art. 909710 DGA BNC VCD

GTIN (EAN) 4013364118942, Codice doganale (EU): 85363010, Peso lordo: 126.00 g, UM: 1.00 pz.


Immagini

Maggior informazioni

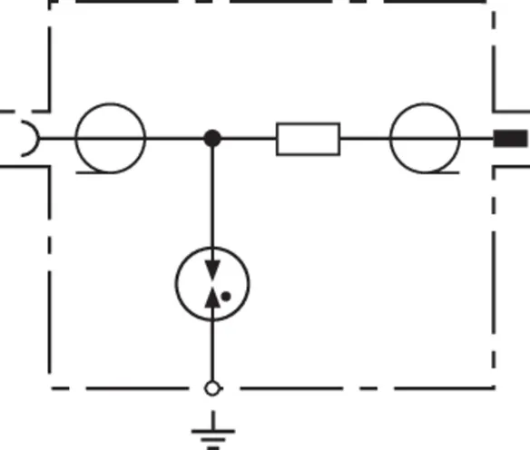
Limitatore di sovratensione con connettore femmina BNC DEHNgate DGA BNC VCD
Limitatore di sovratensione Tipo 2 / P1,
DEHngate, norme di riferimento per le prove IEC 61643-21
per la protezione di sistemi video
o sistemi computer Arcnet
con connettore femmina coassiale BNC.
Con messa a terra sempre diretta dello schermo.
Tensione massima continuativa DC: 6,4 V
D1 Corrente impulsiva di fulmine (10/350 µs): 1 kA
Campo di frequenza: 0-300 MHz

Fabbricato: DEHN
Tipo: DGA BNC VCD
Art.: 909710
o similare.

Certificati

 

Caratteristiche tecniche

Classe SPD T
Tensione massima continuativa DC (UC ) 6,4 V
Corrente nominale (IL ) 0,1 A
D1 Corrente impulsiva di fulmine (10/350 µs) (Iimp ) 1 kA
C2 Corrente impulsiva nominale di scarica (8/20 µs) filo-schermo (In ) 5 kA
Campo di frequenza 0-300 MHz
Collegamenti ingresso / uscita connettore femmina BNC / connettore femmina BNC
Omologazioni CSA, UL

Prodotto 909710 è stato aggiunto al blocco note.

Prodotto 909710 è stato aggiunto al carrello.

Apri Web-Shop

DGA TV

DGA ... TV sono limitatori adatti per alimentazioni remote con connettori "F" per impianti satellitari ed a banda larga a 75 Ohm. Gli scaricatori sono conformi alle richieste per la schermatura in classe A secondo EN 50083-2. Adatti per l'installazione con risparmio di spazio nelle più comuni applicazioni TV e SAT sono disponibili le esecuzioni di scaricatore per corrente di fulmine come anche limitatore di sovratensione oppure scaricatore combinato con integrata presa per misure per le prove nell'impianto.

3 Prodotti

Art. 909703 DGA FF TV

GTIN (EAN) 4013364085664, Codice doganale (EU): 85363010, Peso lordo: 233.00 g, UM: 1.00 pz.


Immagini

Maggior informazioni

Scaricatore combinato DEHNgate DGA FF TV
Scaricatore combinato Tipo 3 / P1,
DEHNgate con uscita di prova / misurazione integrata per
sistemi coassiali 75 Ohm per televisione e satellitari
norme di riferimento per le prove IEC 61643-21.
Coordinamento energetico ai limitatori
di corrente di fulmine DGA GF TV, adatto per alimentazioni remote. Compresi
gli adattatori per il montaggio a parete e due
connettori F. Prodotto classe A.

Tensione massima continuativa DC: 24 V
D1 Corrente impulsiva di fulmine (10/350 µs): 0,2 kA
C2 Corrente impulsiva nominale di scarica (8/20 µs): 1,5 kA
Campo di frequenza: DC / 5-3000 MHz

Fabbricato: DEHN
Tipo: DGA FF TV
Art.: 909703
o similare.

Certificati

 

Caratteristiche tecniche

Classe SPD {
Tensione massima continuativa DC (UC ) 24 V
Corrente nominale (IL ) 2 A
D1 Corrente impulsiva di fulmine (10/350 µs) (Iimp ) 0,2 kA
C2 Corrente impulsiva nominale di scarica (8/20 µs) (In ) 1,5 kA
Campo di frequenza DC / 5-3000 MHz
Collegamenti ingresso / uscita connettore femmina F / connettore maschio F

Prodotto 909703 è stato aggiunto al blocco note.

Prodotto 909703 è stato aggiunto al carrello.

Apri Web-Shop

Art. 909704 DGA GF TV

GTIN (EAN) 4013364105690, Codice doganale (EU): 85363010, Peso lordo: 85.50 g, UM: 1.00 pz.


Immagini

Maggior informazioni

Scaricatore di corrente di fulmine DEHNgate DGA FF TV
Scaricatore di corrente di fulmine Tipo 1
DEHNgate per sistemi coassiali 75 Ohm
per televisione e satellitari
norme di riferimento per le prove IEC 61643-21.
Coordinamento energetico ai limitatori
di sovratensione DGA FF TV,
adatto per alimentazioni remote, messa a terra tramite
mrsettiera di terra. Compresa
morsettiera di terra e due
connettori F. Prodotto classe A.

Tensione massima continuativa DC: 60 V
D1 Corrente impulsiva di fulmine (10/350 µs): 2,5 kA
C2 Corrente impulsiva nominale di scarica (8/20 µs): 10 kA
Campo di frequenza: 0-2400 MHz

Fabbricato: DEHN
Tipo: DGA GF TV
Art.: 909704
o similare.

Certificati

 

Caratteristiche tecniche

Classe SPD H
Tensione massima continuativa DC (UC ) 60 V
Corrente nominale (IL ) 2 A
D1 Corrente impulsiva di fulmine (10/350 µs) (Iimp ) 2,5 kA
C2 Corrente impulsiva nominale di scarica (8/20 µs) (In ) 10 kA
Campo di frequenza 0-2400 MHz
Collegamenti ingresso / uscita connettore femmina F / connettore maschio F

Prodotto 909704 è stato aggiunto al blocco note.

Prodotto 909704 è stato aggiunto al carrello.

Apri Web-Shop

Art. 909705 DGA GFF TV

GTIN (EAN) 4013364105706, Codice doganale (EU): 85363010, Peso lordo: 282.70 g, UM: 1.00 pz.


Immagini

Maggior informazioni

Scaricatore combinato DEHNgate DGA GFF TV
Scaricatore combinato Tipo 1 / P1,
DEHNgate con uscita di prova / misurazione integrata per
sistemi coassiali 75 Ohm per televisione e satellitari
provato secondo CEI EN 61643-21
e coordinato energeticamente secondo
IEC 61643-22. Adatto per alimentazioni remote. Compresi
gli adattatori per il montaggio a parete e due
connettori F. Prodotto classe A.

Tensione massima continuativa DC: 24 V
D1 Corrente impulsiva di fulmine (10/350 µs): 2,5 kA
C2 Corrente impulsiva nominale di scarica (8/20 µs): 10 kA
Campo di frequenza: DC / 5-2400 MHz

Fabbricato: DEHN
Tipo: DGA GFF TV
Art.: 909705
o similare.

Certificati

 

Caratteristiche tecniche

Classe SPD H{
Tensione massima continuativa DC (UC ) 24 V
Corrente nominale (IL ) 2 A
D1 Corrente impulsiva di fulmine (10/350 µs) (Iimp ) 2,5 kA
C2 Corrente impulsiva nominale di scarica (8/20 µs) (In ) 10 kA
Campo di frequenza DC / 5-2400 MHz
Collegamenti ingresso / uscita connettore femmina F / connettore maschio F

Prodotto 909705 è stato aggiunto al blocco note.

Prodotto 909705 è stato aggiunto al carrello.

Apri Web-Shop

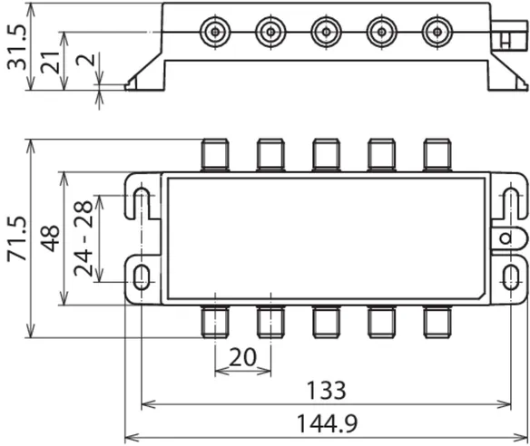
DGA FF5 TV

Limitatore di sovratensione a 5 moduli per sistemi d’antenna 75 Ohm. Forma costruttiva speciale per distributori d’antenna satellitari e commutatori multipli. Il limitatore corrisponde ai requisiti di schermatura della classe A secondo EN 50083-2.
Compresi nella fornitura sono il materiale di fissaggio e il cavo PA.

1 Prodotto

Art. 909706 DGA FF5 TV

GTIN (EAN) 4013364362437, Codice doganale (EU): 85363010, Peso lordo: 284.00 g, UM: 1.00 pz.


Immagini

Maggior informazioni

Limitatore di sovratensione DEHNgate DGA FF5 TV
Limitatore di sovratensione Tipo 2 / P1
DEHNgate a cinque canali per
sistemi coassiali TV e SAT 75 Ohm,
provato secondo CEI EN 61643-21
Accessori per il montaggio per l’equipotenzialità esterna sull'involucro
Prodotto classe A
Tensione massima continuativa DC: 20 V
D1 Corrente impulsiva di fulmine (10/350 µs): 0,5 kA
D1 Corrente impulsiva di fulmine (10/350 µs) complessiva: 2,5 kA
C2 Corrente impulsiva nominale di scarica (8/20 µs): 2,5 kA
C2 Corrente impulsiva nominale di scarica (8/20 µs) complessiva: 10 kA
Campo di frequenza: 47-2200 MHz

Fabbricato: DEHN
Tipo: DGA FF5 TV
Art.: 909706
o similare.

Certificati

 

Caratteristiche tecniche

Classe SPD T
Tensione massima continuativa DC (UC ) 20 V
Corrente nominale (IL ) 0,4 A
D1 Corrente impulsiva di fulmine (10/350 µs) (Iimp ) 0,5 kA
D1 Corrente impulsiva di fulmine (10/350 µs) complessiva (Iimp ) 2,5 kA
C2 Corrente impulsiva nominale di scarica (8/20 µs) (In ) 2,5 kA
C2 Corrente impulsiva nominale di scarica (8/20 µs) complessiva (In ) 10 kA
Campo di frequenza 47-2200 MHz
Collegamenti ingresso / uscita connettore femmina F / connettore femmina F

Prodotto 909706 è stato aggiunto al blocco note.

Prodotto 909706 è stato aggiunto al carrello.

Apri Web-Shop

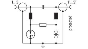
DGA G

Limitatore di sovratensione con scaricatore a gas integrato, adatto anche in sistemi con alimentazione remota. Particolarmente indicato in campi d'applicazione Wireless per interfacce di apparecchi e antenne con connessione coassiale. Disponibile con connettori SMA, BNC oppure N per il montaggio passante.

3 Prodotti

Art. 929039 DGA G SMA

GTIN (EAN) 4013364135185, Codice doganale (EU): 85363010, Peso lordo: 24.00 g, UM: 1.00 pz.


Immagini

Maggior informazioni

Limitatore di sovratensione DEHNgate DGA G SMA
Limitatore di sovratensione Tipo 2
DEHNgate, per sistemi
coassiali di antenna 50 Ohm,
provato secondo CEI EN 61643-21.
Adatto per alimentazione remota, messa a terra
tramite passante, con scaricatore a gas
coassiale integrato in modo fisso.
Tensione massima continuativa DC: 135 V
D1 Corrente impulsiva di fulmine (10/350 µs): 1 kA
C2 Corrente impulsiva nominale di scarica (8/20 µs): 5 kA
Campo di frequenza: 0-5,8 GHz

Fabbricato: DEHN
Tipo: DGA G SMA
Art.: 929039
o similare.

Certificati

 

Caratteristiche tecniche

Classe SPD B
Tensione massima continuativa DC (UC ) 135 V
Corrente nominale (IL ) 2 A
Potenza di trasmissione max 60 W
D1 Corrente impulsiva di fulmine (10/350 µs) (Iimp ) 1 kA
C2 Corrente impulsiva nominale di scarica (8/20 µs) (In ) 5 kA
Campo di frequenza 0-5,8 GHz
Collegamento connettore femmina SMA / connettore maschio SMA

Prodotto 929039 è stato aggiunto al blocco note.

Prodotto 929039 è stato aggiunto al carrello.

Apri Web-Shop

Art. 929042 DGA G BNC

GTIN (EAN) 4013364091030, Codice doganale (EU): 85363010, Peso lordo: 39.20 g, UM: 1.00 pz.


Immagini

Maggior informazioni

Limitatore di sovratensione DEHNgate DGA G BNC
Limitatore di sovratensione Tipo 2
DEHNgate, per sistemi
coassiali di antenna 50 Ohm,
provato secondo CEI EN 61643-21.
Adatto per alimentazione remota, messa a terra
tramite passante, con scaricatore a gas
coassiale integrato in modo fisso.
Tensione massima continuativa DC: 135 V
D1 Corrente impulsiva di fulmine (10/350 µs): 1 kA
C2 Corrente impulsiva nominale di scarica (8/20 µs): 5 kA
Campo di frequenza: 0-4 GHz

Fabbricato: DEHN
Tipo: DGA G BNC
Art.: 929042
o similare.

Certificati

 

Caratteristiche tecniche

Classe SPD B
Tensione massima continuativa DC (UC ) 135 V
Corrente nominale (IL ) 3,5 A
Potenza di trasmissione max 25 W
D1 Corrente impulsiva di fulmine (10/350 µs) (Iimp ) 1 kA
C2 Corrente impulsiva nominale di scarica (8/20 µs) (In ) 5 kA
Campo di frequenza 0-4 GHz
Collegamento connettore femmina BNC / connettore maschio BNC

Prodotto 929042 è stato aggiunto al blocco note.

Prodotto 929042 è stato aggiunto al carrello.

Apri Web-Shop

Art. 929044 DGA G N

GTIN (EAN) 4013364091054, Codice doganale (EU): 85363010, Peso lordo: 86.30 g, UM: 1.00 pz.

Predecessore

Immagini

Maggior informazioni

Limitatore di sovratensione DEHNgate DGA G N
Limitatore di sovratensione Tipo 2
DEHNgate, per sistemi
coassiali di antenna 50 Ohm,
provato secondo CEI EN 61643-21.
Adatto per alimentazione remota, messa a terra
tramite passante, con scaricatore a gas
coassiale integrato in modo fisso.
Tensione massima continuativa DC: 135 V
D1 Corrente impulsiva di fulmine (10/350 µs): 1 kA
C2 Corrente impulsiva nominale di scarica (8/20 µs): 5 kA
Campo di frequenza: 0-5,8 GHz

Fabbricato: DEHN
Tipo: DGA G N
Art.: 929044
o similare.

Certificati

 

Caratteristiche tecniche

Classe SPD B
Tensione massima continuativa DC (UC ) 135 V
Corrente nominale (IL ) 6 A
Potenza di trasmissione max 60 W
D1 Corrente impulsiva di fulmine (10/350 µs) (Iimp ) 1 kA
C2 Corrente impulsiva nominale di scarica (8/20 µs) (In ) 5 kA
Campo di frequenza 0-5,8 GHz
Collegamento connettore femmina N / connettore maschio N

Prodotto 929044 è stato aggiunto al blocco note.

Prodotto 929044 è stato aggiunto al carrello.

Apri Web-Shop

DGA AG

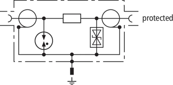
Scaricatore adatto anche in sistemi con alimentazione remota con scaricatore a gas sostituibile. Eccellente comportamento HF a lunga durata per la minima asportazione di materiale dei contatti durante la scarica dovuta alla grande superficie di contatto dello scaricatore a gas.

2 Prodotti

Art. 929043 DGA AG BNC

GTIN (EAN) 4013364091047, Codice doganale (EU): 85363010, Peso lordo: 89.60 g, UM: 1.00 pz.


Immagini

Maggior informazioni

Scaricatore per corrente di fulmine DEHNgate DGA AG BNC
Scaricatore per corrente di fulmine Tipo 1
DEHNgate per sistemi
coassiali di antenna 50 Ohm,
provato secondo CEI EN 61643-21.
Adatto per alimentazione remota, messa a terra
tramite passante, adatto per la guida per
scaricatore a gas sostituibile.


Tensione massima continuativa DC: 180 V
D1 Corrente impulsiva di fulmine (10/350 µs): 5 kA
C2 Corrente impulsiva nominale di scarica (8/20 µs): 20 kA
Campo di frequenza: 0-1 GHz

Fabbricato: DEHN
Tipo: DGA AG BNC
Art.: 929043
o similare.

Certificati

 

Caratteristiche tecniche

Classe SPD A
Tensione massima continuativa DC (UC ) 180 V
Corrente nominale (IL ) 3,5 A
Potenza di trasmissione max 150 W
D1 Corrente impulsiva di fulmine (10/350 µs) (Iimp ) 5 kA
C2 Corrente impulsiva nominale di scarica (8/20 µs) (In ) 20 kA
Campo di frequenza 0-1 GHz
Collegamento connettore femmina BNC / connettore maschio BNC

Prodotto 929043 è stato aggiunto al blocco note.

Prodotto 929043 è stato aggiunto al carrello.

Apri Web-Shop

Art. 929045 DGA AG N

GTIN (EAN) 4013364091061, Codice doganale (EU): 85363010, Peso lordo: 266.00 g, UM: 1.00 pz.


Immagini

Maggior informazioni

Scaricatore per corrente di fulmine DEHNgate DGA AG N
Scaricatore per corrente di fulmine Tipo 1
DEHNgate per sistemi
coassiali di antenna 50 Ohm,
provato secondo CEI EN 61643-21.
Adatto per alimentazione remota, messa a terra
tramite passante o vite di terra, adatto per la guida per
scaricatore a gas sostituibile.
Tensione massima continuativa DC: 180 V
D1 Corrente impulsiva di fulmine (10/350 µs): 5 kA
C2 Corrente impulsiva nominale di scarica (8/20 µs): 20 kA
Campo di frequenza: 0-2,5 GHz

Fabbricato: DEHN
Tipo: DGA AG N
Art.: 929045
o similare.

Certificati

 

Caratteristiche tecniche

Classe SPD A
Tensione massima continuativa DC (UC ) 180 V
Corrente nominale (IL ) 6 A
Potenza di trasmissione max 150 W
D1 Corrente impulsiva di fulmine (10/350 µs) (Iimp ) 5 kA
C2 Corrente impulsiva nominale di scarica (8/20 µs) (In ) 20 kA
Campo di frequenza 0-2,5 GHz
Collegamento N femmina / N maschio

Prodotto 929045 è stato aggiunto al blocco note.

Prodotto 929045 è stato aggiunto al carrello.

Apri Web-Shop

DGA LG

Scaricatore adatto anche per alimentazione remota, con tecnologia combinata di spinterometro e lambda/4 per applicazioni in multifrequenza (sistemi multicarrier), vista la minima intermodulazione passiva. Banda particolarmente larga per tutti i servizi 4+3G e LTE.

1 Prodotto

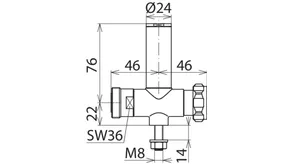
Art. 929146 DGA LG 7 16 MFA

GTIN (EAN) 4013364157156, Codice doganale (EU): 85363010, Peso lordo: 493.00 g, UM: 1.00 pz.

Predecessore

Immagini

Maggior informazioni

Scaricatore per corrente di fulmine DEHNgate DGA LG 7 16 MFA
Scaricatore per corrente di fulmine Tipo 1
DEHNgate per sistemi
coassiali di antenna 50 Ohm,
provato secondo CEI EN 61643-21.
Adatto per alimentazione remota,
costruito con tecnica Lambda/4 senza necessità di manutenzione
su misura per applicazioni Multi-Carrier
per servizi 3+4G e LTE.

Tensione massima continuativa DC: 65 V
D1 Corrente impulsiva di fulmine (10/350 µs): 5 kA
C2 Corrente impulsiva nominale di scarica (8/20 µs): 20 kA
Campo di frequenza: 690 MHz - 2,7 GHz

Fabbricato: DEHN
Tipo: DGA LG 7 16 MFA
Art.: 929146
o similare.

Certificati

 

Caratteristiche tecniche

Classe SPD A
Tensione massima continuativa DC (UC ) 65 V
Corrente nominale (IL ) 13 A
Potenza di trasmissione max 1500 W
D1 Corrente impulsiva di fulmine (10/350 µs) (Iimp ) 5 kA
C2 Corrente impulsiva nominale di scarica (8/20 µs) (In ) 20 kA
Campo di frequenza 690 MHz - 2,7 GHz
Collegamento connettore femmina 7/16 / connettore maschio 7/16

Prodotto 929146 è stato aggiunto al blocco note.

Prodotto 929146 è stato aggiunto al carrello.

Apri Web-Shop

DGA L4

Scaricatore combinato in tecnica lambda/4, privo di manutenzione per applicazioni in multifrequenza (sistemi multicarrier). Gli apparecchi di protezione possono anche scaricare elevate correnti parziali di fulmine. L'alimentazione remota non è possibile, perché lo scaricatore costituisce per segnali a bassa frequenza un corto circuito galvanico. A banda particolarmente larga per tutti i servizi 4+3G e LTE.

2 Prodotti

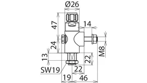
Art. 929047 DGA L4 7 16 S

GTIN (EAN) 4013364091085, Codice doganale (EU): 85363010, Peso lordo: 467.00 g, UM: 1.00 pz.


Immagini

Maggior informazioni

Scaricatore combinato DEHNgate DGA LG 7 16 S
Scaricatore combinato Tipo 1
DEHNgate per sistemi
coassiali di antenna 50 Ohm,
provato secondo CEI EN 61643-21.
Costruito con
tecnica Lambda/4 senza necessità di manutenzione
con attenuazione minima di intermodulazione.
A lunga resistenza per mezzo del
connettore CuBe e
rivestimento triplo in metallo senza nichel.
Messa a terra tramite vite di terra.

Tensione massima continuativa DC: 0 V
D1 Corrente impulsiva di fulmine (10/350 µs): 25 kA
C2 Corrente impulsiva nominale di scarica (8/20 µs): 50 kA
Campo di frequenza: 380-512 MHz

Fabbricato: DEHN
Tipo: DGA L4 7 16 S
Art.: 929047
o similare.

Certificati

 

Caratteristiche tecniche

Classe SPD M
Tensione massima continuativa DC (UC ) 0 V
Corrente nominale (IL ) 0 A
Potenza di trasmissione max 3000 W
D1 Corrente impulsiva di fulmine (10/350 µs) (Iimp ) 25 kA
C2 Corrente impulsiva nominale di scarica (8/20 µs) (In ) 50 kA
Campo di frequenza 380-512 MHz
Collegamento connettore femmina 7/16 / connettore maschio 7/16

Prodotto 929047 è stato aggiunto al blocco note.

Prodotto 929047 è stato aggiunto al carrello.

Apri Web-Shop

Art. 929148 DGA L4 7 16 MFA

GTIN (EAN) 4013364157163, Codice doganale (EU): 85363010, Peso lordo: 476.00 g, UM: 1.00 pz.

Predecessore

Immagini

Maggior informazioni

Scaricatore combinato DEHNgate DGA L4 7 16 MFA
Scaricatore combinato Tipo 1 / P1
DEHNgate per sistemi
coassiali di antenna 50 Ohm,
provato secondo CEI EN 61643-21.
Costruito con
tecnica Lambda/4 senza necessità di manutenzione,
su misura per applicazioni Multi-Carrier,
con intermodulazione passiva minima.
A banda molto larga per tutti i
servizi 3+4G e LTE
Messa a terra tramite passante
o vite di terra.

Tensione massima continuativa DC: 0 V
D1 Corrente impulsiva di fulmine (10/350 µs): 40 kA
C2 Corrente impulsiva nominale di scarica (8/20 µs): 80 kA
Campo di frequenza: 690 MHz - 2,7 GHz

Fabbricato: DEHN
Tipo: DGA L4 7 16 MFA
Art.: 929148
o similare.

Certificati

 

Caratteristiche tecniche

Classe SPD M
Tensione massima continuativa DC (UC ) 0 V
Corrente nominale (IL ) 0 A
Potenza di trasmissione max 1500 W
D1 Corrente impulsiva di fulmine (10/350 µs) (Iimp ) 40 kA
C2 Corrente impulsiva nominale di scarica (8/20 µs) (In ) 80 kA
Campo di frequenza 690 MHz - 2,7 GHz
Collegamento 7/16 femmina / 7/16 maschio

Prodotto 929148 è stato aggiunto al blocco note.

Prodotto 929148 è stato aggiunto al carrello.

Apri Web-Shop

back to top