DEHNpatch limitatore per reti dati e applicazioni Ethernet

  • Protezione dalle sovratensioni per l’infrastruttura Ethernet
  • fino a 10 Gbit/s (fino alla classe EA / 500 MHz)
  • Cavo patch con protezione dalle sovratensioni CAT 6A nel channel
  • Variante IP66 per applicazioni all’esterno
  • Conforme a Power over Ethernet IEEE 802.3 (fino a PoE++ / 4PPoE)
  • Retrofittabile in qualsiasi momento

Dettagli

Facile manutenzione con sistema dotato di indicatore e segnalazione remota
lorem ipsum
Variante per esterno con tipo di protezione IP66
lorem ipsum
Kit di montaggio come accessorio per soluzioni “patch rack” da 19”
lorem ipsum
Come variante cavo patch completamente schermata (lunghezza 3 m).
lorem ipsum

DPA CLE IP66

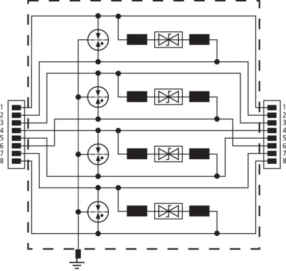
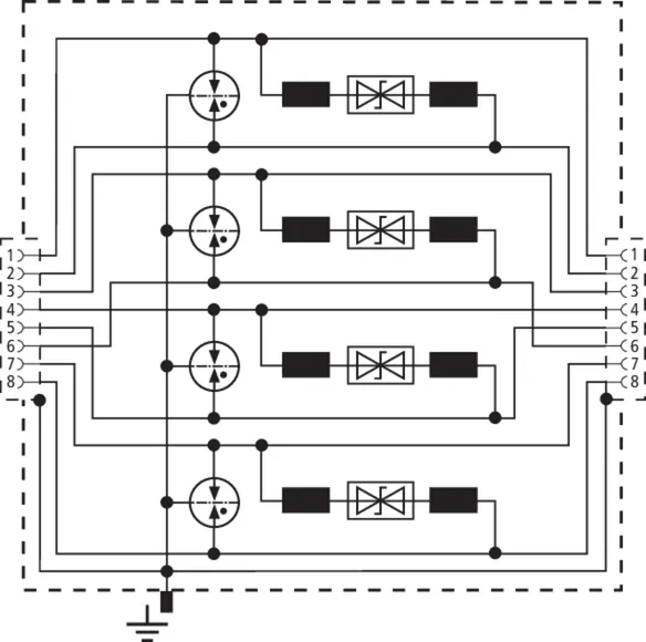
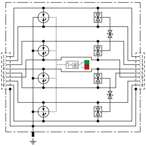
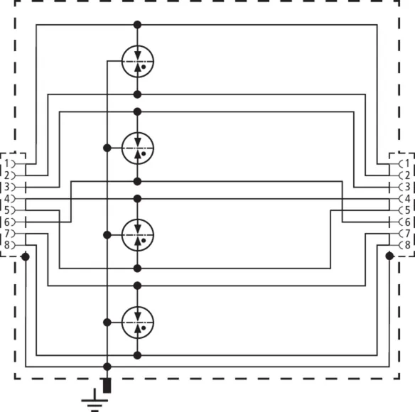
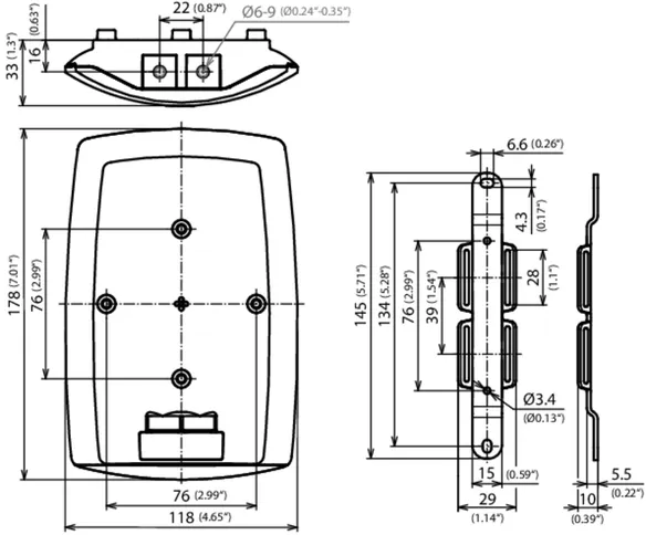
Limitatore di sovratensione universale per applicazioni GBit Ethernet, Power over Ethernet (conforme a IEEE 802.3 fino a PoE++ / 4PPoE) e applicazioni simili in assemblaggi strutturati fino alle classe E in ambiente interno ed esterno in un involucro IP66 per la protezione da penetrazione di polvere e spruzzi d’acqua. Protezione di tutte le coppie di fili con efficienti scaricatori a gas e di una matrice di filtro determinata per coppia di fili. Soluzione per la protezione da sovratensioni completamente schermata con connettori RJ45. Supporto universale di montaggio per il montaggio a scelta su palo o a parete.
Accessori esterni: nastri per montaggio su palo

1 Prodotto

Art. 929221 DPA CLE IP66

GTIN (EAN) 4013364342866, Codice doganale (EU): 85363010, Peso lordo: 745.00 g, UM: 1.00 pz.


Immagini

Maggior informazioni

Limitatore di sovratensione DEHNpatch DPA M CLE IP66
Limitatore per esterni per applicazioni GBit Ethernet,
Power over Ethernet (bis PoE++ / 4PPoE) e simili
applicazioni in involucro completamente schermato IP66
Tipo 2 / P1
DEHNpatch CLE IP66, provato secondo
CEI EN 61643-21, per impiego
universale secondo EN 50173
per tutti i servizi di dati fino a 60 V DC (PoE++/4PPoE)
per la protezione di 4 coppie di fili
di passaggi di rete di dati
attraverso connettori RJ 45, per l'impiego
all'interno e all'esterno

Fabbricato: DEHN
Tipo: DPA CLE IP66
Art.: 929221
o similare.

Certificati

 

Caratteristiche tecniche

Classe SPD T
Tensione massima continuativa DC coppia-coppia (PoE) (Uc ) 60 V
Corrente nominale (IL ) 1 A
D1 Corrente impulsiva di fulmine (10/350 µs) per filo (Iimp ) 0,8 kA
D1 Corrente impulsiva di fulmine (10/350 µs) complessiva (Iimp ) 4 kA
C2 Corrente impulsiva nominale di scarica (8/20 µs) totale (In ) 10 kA
Frequenza limite (fG ) 250 MHz
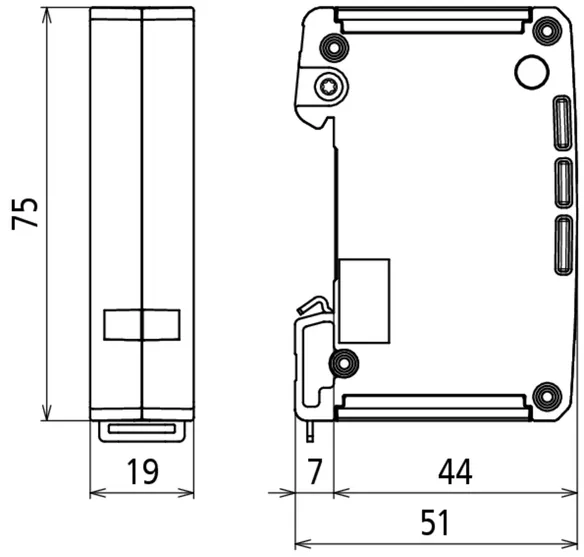
Grado di protezione (con cavi collegati) IP 66
Collegamento ingresso / uscita presa RJ45 / presa RJ45
Omologazioni UL 497B, CSA

Prodotto 929221 è stato aggiunto al blocco note.

Prodotto 929221 è stato aggiunto al carrello.

Apri Web-Shop

DPA M CAT6

Limitatore di sovratensione universale per Ethernet, Power over Ethernet (conforme a IEEE 802.3 fino a PoE++ / 4PPoE) e applicazioni simili in sistemi di cablaggio universale della CAT 6 oppure secondo Classe EA fino a 500 MHz. Completamente schermato con linea patch per il montaggio su guida profilata (fino a 10 Gbit Ethernet).

1 Prodotto

Art. 929100 DPA M CAT6 RJ45S 48

GTIN (EAN) 4013364102170, Codice doganale (EU): 85363010, Peso lordo: 244.00 g, UM: 1.00 pz.

Predecessore

Immagini

Maggior informazioni

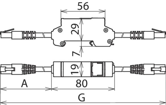
Limitatore di sovratensione cavo Patch DEHNpatch DPA M CAT 6 RJ45S 48
Limitatore di sovratensione cavo Patch
completamente schermato Cat. 6 Tipo 2 / P1
DEHNpatch M, provato secondo
CEI EN 61643-21 e ISO/IEC 11801,
per impiego universale secondo EN 50173
per tutti i servizi di dati fino a 57 V DC
per la protezione di 4 coppie di fili
di passaggi di rete di dati
attraverso connettori RJ 45, per applicazioni
in distributori e posizione singola,
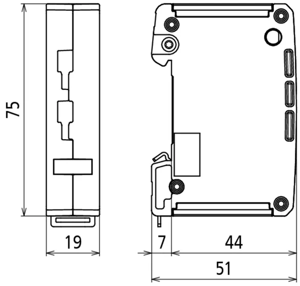
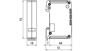
lunghezza totale cavo, larghezza costruttiva 19 mm.


Fabbricato: DEHN
Tipo: DPA M CAT6 RJ45S 48
Art.: 929100
o similare.

Certificati

 

Caratteristiche tecniche

Classe SPD T
Tensione massima continuativa DC (Uc ) 48 V
Tensione massima continuativa DC coppia-coppia (PoE) (Uc ) 57 V
Corrente nominale (IL ) 1 A
D1 Corrente impulsiva di fulmine (10/350 µs) per filo (Iimp ) 1 kA
C2 Corrente impulsiva nominale di scarica (8/20 µs) totale (In ) 10 kA
Frequenza limite (fG ) 250 MHz
Collegamento ingresso / uscita cavo di collegamento RJ45 / cavo di collegamento RJ45

Prodotto 929100 è stato aggiunto al blocco note.

Prodotto 929100 è stato aggiunto al carrello.

Apri Web-Shop

DEHNpatch classe EA (nuovo)

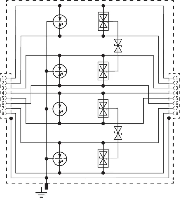
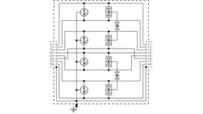
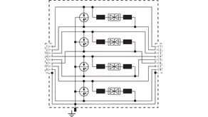
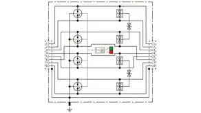
Scaricatore combinato universale salvaspazio con larghezza d’installazione di 19 mm e tecnologia di connessione RJ45 con indicatore di stato per una facile manutenzione. Protezione di applicazioni in cablaggi strutturati secondo la classe EA fino a 500 Mhz, ad es. pathcord per Ethernet, distributori di dati, sistemi di telecamere digitali, Power over Ethernet (conforme a IEEE 802.3 fino a 4PPoE) e in generale interfacce basate su Ethernet. Protezione di tutti i doppini tramite potenti spinterometri a gas e diodi di protezione tra i conduttori di segnale e tra i doppini. Adattatore in versione completamente schermata con prese di collegamento RJ45 per il montaggio su montaggio su guida DIN. Con collegamento a vite aggiuntivo lato alloggiamento per un collegamento di terra opzionale.

1 Prodotto

Art. 929161 DPA CL8 EA 4PPOE

GTIN (EAN) 4013364472921, Codice doganale (EU): 85363010, Peso lordo: 188.70 g, UM: 1.00 pz.


Immagini

Maggior informazioni

Protezione da sovratensioni DEHNpatch CL8 EA 4PPOE
scaricatore combinato compatto della
classe di trasmissione EA secondo la norma ISO/IEC 11801
per la protezione di interfacce dati dalle
correnti di fulmine e dalle sovratensioni in
applicazioni Ethernet fino a 10 Gbit e
Power over Ethernet (fino a 4PPoE)
protezione di 4 doppini tramite prese di collegamento RJ45
versione completamente schermata
collaudato secondo la noma EN/IEC 61643-21
classe SPD tipo 1/P2
categoria d’impulso: D1, C1, C2, C3, B2
indicatore di stato integrato,
monitoraggio tramite unità FM separata
risparmio di spazio, larghezza d’installazione 19 mm
Messa a terra tramite guida profilata DIN da 35 mm o
tramite connessione a vite lato alloggiamento
Tensione massima continuativa: 3,3 V DC
Corrente nominale a 70 °C: 1,5 A
Frequenza limite: 500 MHz
C2 corrente impulsiva nominale di scarica per ciascun filo (8/20): 2,5 kA
C2 corrente impulsiva nominale di scarica complessiva (8/20): 10 kA
D1 corrente impulsiva di fulmine (10/350 µs) per ciascun filo: 0,5 kA
D1 corrente impulsiva di fulmine (10/350 µs) complessiva: 4 kA
Collegamento del conduttore: prese di collegamento RJ45

Fabbricato: DEHN
Tipo: DPA CL8 EA 4PPOE
Art.: 929161
o similare.

Certificati

 

Caratteristiche tecniche

Classe SPD L
Tensione massima continuativa DC (Uc ) 3,3 V
Tensione massima continuativa DC coppia-coppia (PoE) (Uc ) 58 V
Corrente nominale (IL ) 1,5 A
D1 Corrente impulsiva di fulmine (10/350 µs) per filo (Iimp ) 0,5 kA
C2 Corrente impulsiva nominale di scarica (8/20 µs) totale (In ) 10 kA
Frequenza limite (fG ) 500 MHz
Collegamento ingresso / uscita presa RJ45 / presa RJ45
Omologazioni GHMT, UL 497B

Prodotto 929161 è stato aggiunto al blocco note.

Prodotto 929161 è stato aggiunto al carrello.

Apri Web-Shop

DEHNpatch Class E

Limitatore di sovratensione universale per Ethernet, Power over Ethernet (conforme a IEEE 802.3 fino a PoE++ / 4PPoE) e applicazioni simili in sistemi di cablaggio universale della Classe E fino a 250 MHz. Protezione di tutte le coppie di fili mediante potenti scaricatori a gas ed una adeguata matrice di filtro per ogni coppia. Completamente schermato per il montaggio su guida profilata (fino a 1 Gbit Ethernet).

1 Prodotto

Art. 929121 DPA M CLE RJ45B 48

GTIN (EAN) 4013364118935, Codice doganale (EU): 85363010, Peso lordo: 122.00 g, UM: 1.00 pz.

Predecessore

Immagini

Maggior informazioni

Limitatore di sovratensione DEHNpatch DPA M CLE RJ45B 48 Class E
Limitatore di sovratensione Class E
completamente schermato Tipo 2 / P1
DEHNpatch M, provato secondo
CEI EN 61643-21, per impiego
universale secondo EN 50173
per tutti i servizi di dati fino a 57 V DC
per la protezione di 4 coppie di fili
di passaggi di rete di dati
attraverso connettori RJ 45, per applicazioni
in distributori o posizione singola,
costruzione stretta, larghezza costruttiva 19 mm.


Fabbricato: DEHN
Tipo: DPA M CLE RJ45B 48
Art.: 929121
o similare.

Certificati

 

Caratteristiche tecniche

Classe SPD T
Tensione massima continuativa DC (Uc ) 48 V
Tensione massima continuativa DC coppia-coppia (PoE) (Uc ) 57 V
Corrente nominale (IL ) 1 A
D1 Corrente impulsiva di fulmine (10/350 µs) per filo (Iimp ) 0,5 kA
C2 Corrente impulsiva nominale di scarica (8/20 µs) totale (In ) 10 kA
Frequenza limite (fG ) 250 MHz
Collegamento ingresso / uscita presa RJ45 / presa RJ45
Omologazioni CSA, UL 497B

Prodotto 929121 è stato aggiunto al blocco note.

Prodotto 929121 è stato aggiunto al carrello.

Apri Web-Shop

DEHNpatch classe D (nuovo)

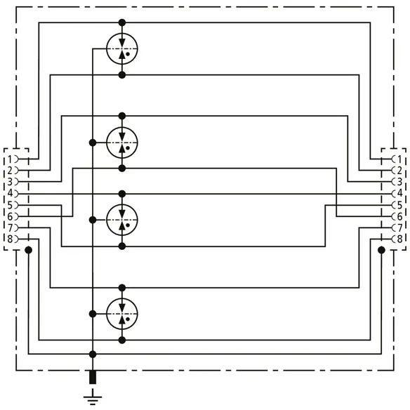
Scaricatore per corrente di fulmine universale a risparmio di spazio con larghezza d’installazione di 19 mm e tecnologia di connessione RJ45 per il collegamento equipotenziale antifulmine. Protezione di applicazioni in cablaggi strutturati secondo la classe D fino a 100 Mhz, ad es. pathcord per Ethernet, distributori di dati, sistemi di telecamere digitali a circuito chiuso, Power over Ethernet (IEEE 802.3 conforme fino a 4PPoE) e in generale interfacce basate su Ethernet. Protezione di tutti i doppini tramite potenti spinterometri a gas. Adattatore in versione completamente schermata con prese di collegamento RJ45 per il montaggio su montaggio su guida DIN. Con collegamento a vite aggiuntivo lato alloggiamento per un collegamento di terra opzionale.

1 Prodotto

Art. 929166 DPA C8 D 4PPOE

GTIN (EAN) 4013364472914, Codice doganale (EU): 85363010, Peso lordo: 178.25 g, UM: 1.00 pz.


Immagini

Maggior informazioni

Protezione da sovratensioni DEHNpatch C8 D 4PPOE
scaricatore per corrente di fulmine compatto della
classe di trasmissione D secondo la norma ISO/IEC 11801
per la protezione di interfacce dati dalle
correnti di fulmine in applicazioni Ethernet
fino a 1 Gbit ePower over Ethernet (fino a 4PPoE)
protezione di 4 doppini tramite prese di collegamento RJ45
versione completamente schermata
collaudato secondo la noma EN/IEC 61643-21
classe SPD tipo 1
categoria d’impulso: D1, C2, C3
risparmio di spazio, larghezza d’installazione 19 mm
Messa a terra tramite guida profilata DIN da 35 mm o
tramite connessione a vite lato alloggiamento
Tensione massima continuativa: 3,3 V DC
Corrente nominale a 70 °C: 1,5 A
Frequenza limite: 100 MHz
C2 corrente impulsiva nominale di scarica per ciascun filo (8/20): 2,5 kA
C2 corrente impulsiva nominale di scarica complessiva (8/20): 10 kA
D1 corrente impulsiva di fulmine (10/350 µs) per ciascun filo: 0,5 kA
D1 corrente impulsiva di fulmine (10/350 µs) complessiva: 4 kA
Collegamento del conduttore: prese di collegamento RJ45

Fabbricato: DEHN
Tipo: DPA C8 D 4PPOE
Art.: 929166
o similare.

Certificati

 

Caratteristiche tecniche

Classe SPD A
Tensione massima continuativa DC (Uc ) 3,3 V
Tensione massima continuativa DC coppia-coppia (PoE) (Uc ) 58 V
Corrente nominale (IL ) 1,5 A
D1 Corrente impulsiva di fulmine (10/350 µs) per filo (Iimp ) 0,5 kA
C2 Corrente impulsiva nominale di scarica (8/20 µs) totale (In ) 10 kA
Frequenza limite (fG ) 100 MHz
Collegamento ingresso / uscita presa RJ45 / presa RJ45
Omologazioni UL 497B

Prodotto 929166 è stato aggiunto al blocco note.

Prodotto 929166 è stato aggiunto al carrello.

Apri Web-Shop

DEHNpatch Class D

Limitatore di sovratensione universale per Ethernet, Power over Ethernet (conforme a IEEE 802.3 fino a PoE++ / 4PPoE) e applicazioni simili in sistemi di cablaggio universale della Classe D fino a 100 MHz. Protezione di tutte le coppie di fili mediante potenti scaricatori a gas. Adattatore con prese di collegamento e per il montaggio su guida profilata.

1 Prodotto

Art. 929126 DPA M CLD RJ45B 48

GTIN (EAN) 4013364242258, Codice doganale (EU): 85363010, Peso lordo: 102.00 g, UM: 1.00 pz.


Immagini

Maggior informazioni

Limitatore di sovratensione DEHNpatch DEHNpatch DPA M CLD RJ45B 48 Class D
Limitatore di sovratensione Class D Tipo 2 / P1
DEHNpatch M, provato secondo
CEI EN 61643-21, per impiego
universale secondo EN 50173
per tutti i servizi di dati fino a 57 V DC
per la protezione di 4 coppie di fili
di passaggi di rete di dati
attraverso connettori RJ 45, per applicazioni
in distributori o posizione singola,
costruzione stretta, larghezza costruttiva 19 mm.

Fabbricato: DEHN
Tipo: DPA M CLD RJ45B 48
Art.: 929126
o similare.

Certificati

 

Caratteristiche tecniche

Classe SPD U
Tensione massima continuativa DC (Uc ) 48 V
Tensione massima continuativa DC coppia-coppia (PoE) (Uc ) 57 V
Corrente nominale (IL ) 1 A
D1 Corrente impulsiva di fulmine (10/350 µs) per filo (Iimp ) 0,5 kA
C2 Corrente impulsiva nominale di scarica (8/20 µs) totale (In ) 10 kA
Frequenza limite (fG ) 100 MHz
Collegamento ingresso / uscita presa RJ45 / presa RJ45
Omologazioni UL 497B

Prodotto 929126 è stato aggiunto al blocco note.

Prodotto 929126 è stato aggiunto al carrello.

Apri Web-Shop

back to top