DEHNrapid LSA scaricatore per corrente di fulmine e limitatore di sovratensione

  • Protezione variabile 1 – 10 coppie per sistemi LSA linea costruttiva 2/10
  • La funzione da striscia di sezionamento LSA integrata nello scaricatore per corrente di fulmine offre inoltre la protezione durante prova, sezionamento e cablaggio
  • Sistema modulare di scaricatori per corrente di fulmine e limitatori di sovratensione, combinabile a scaricatore combinato

Dettagli

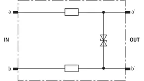
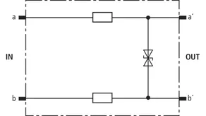
Scaricatori di sovratensione innestabili come blocchi di protezione che possono essere innestati in strisce di connessione o sezionamento.
lorem ipsum
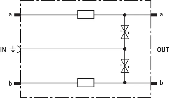
Limitatori di sovratensione specifici per l'applicazione nella protezione delle utenze finali.
lorem ipsum
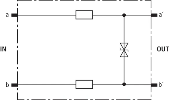
Scaricatore combinato per corrente di fulmine e sovratensioni per strisce di connessione LSA.
lorem ipsum
Costruzione modulare costituita da blocco di protezione con spinterometri a gas, telai di messa a terra e moduli di protezione specifici per l'applicazione.
lorem ipsum
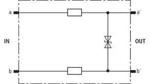
Blocco di protezione con tenuta alla corrente di fulmine con spinterometri a gas su richiesta con indicazione ottica di guasto e funzione fail-safe.
lorem ipsum

DRL 10 B

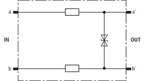
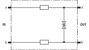
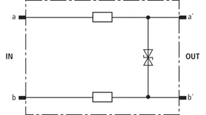
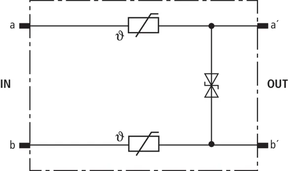
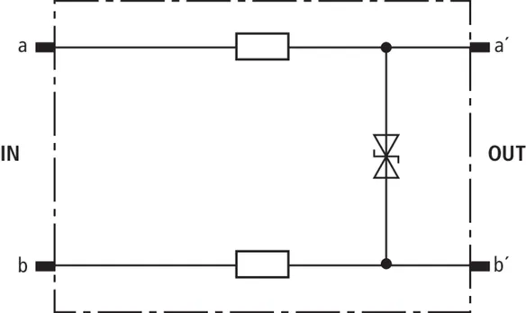
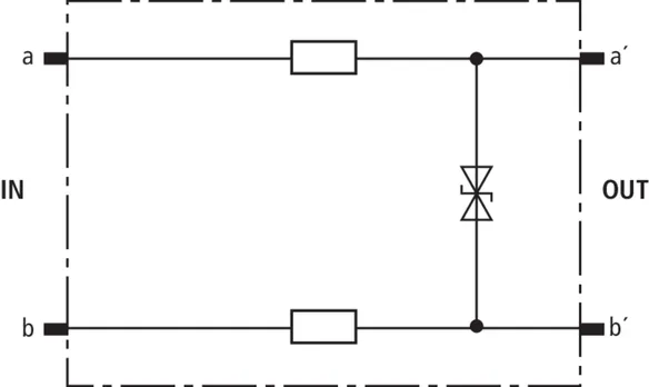
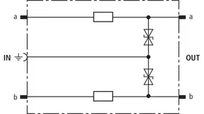
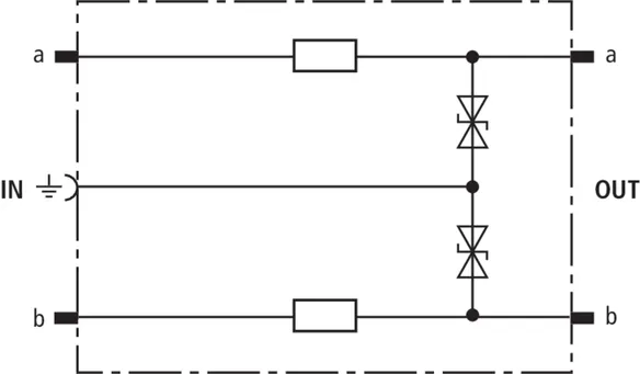
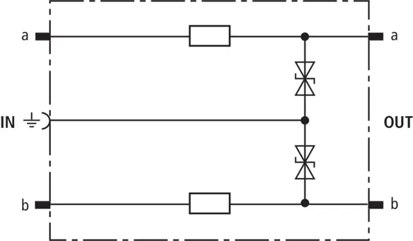
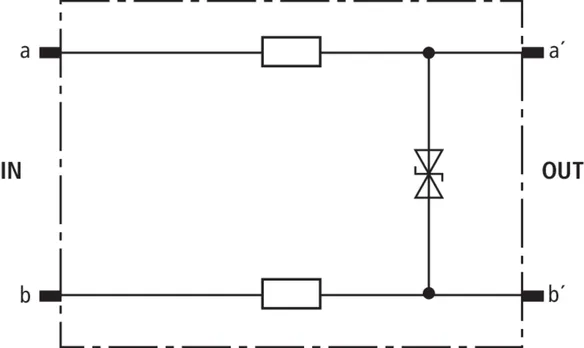
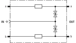
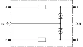
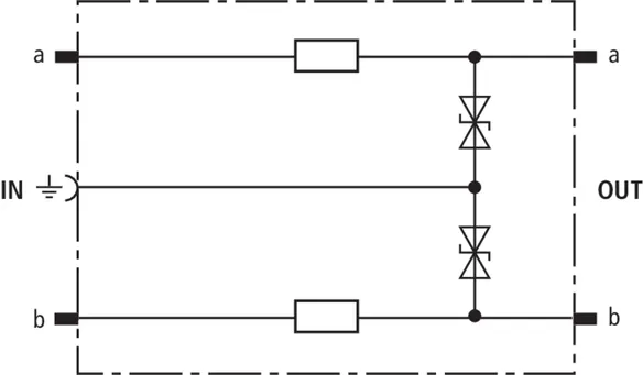
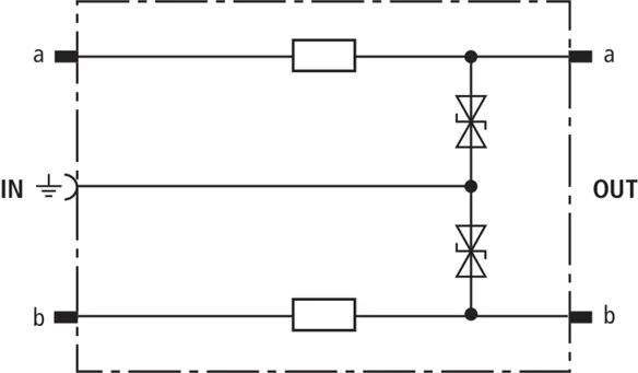
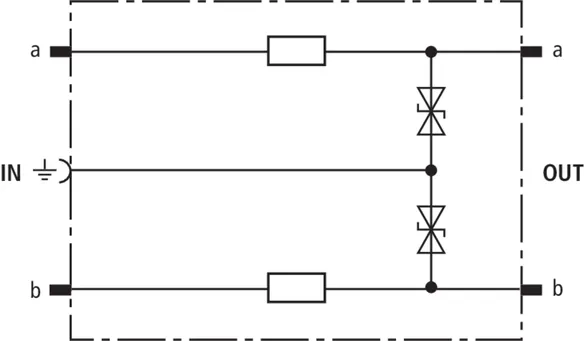
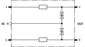
Blocco di protezione da corrente di fulmine DRL 10 coppie con scaricatori a gas tripolari per quasi tutte le applicazioni e ampliabile con spine DRL allo scaricatore combinato. I contatti di sezionamento integrati consentono con protezione inserita prove, misure e patching.

1 Prodotto

Art. 907400 DRL 10 B 180

GTIN (EAN) 4013364107557, Codice doganale (EU): 85363010, Peso lordo: 69.90 g, UM: 1.00 pz.

Predecessore

Immagini

Maggior informazioni

Blocco di protezione da corrente di fulmine DRL 10 B 180
Blocco di protezione da corrente di fulmine DRL 10 coppie con scaricatori a gas tripolari per quasi tutte le applicazioni e ampliabile con spine DRL allo scaricatore combinato. I contatti di sezionamento integrati consentono con protezione inserita prove, misure e patching
Norme di riferimento per le prove IEC 61643-21
Tensione massima continuativa DC: 180 V
Corrente nominale: 0,4 A

Fabbricato: DEHN
Tipo: DRL 10 B 180
Art.: 907400
o similare.

Certificati

 

Caratteristiche tecniche

Classe SPD G
Tensione massima continuativa DC (UC ) 180 V
Corrente nominale (IL ) 0,4 A
D1 Corrente impulsiva di fulmine (10/350 µs) complessiva (Iimp ) 5 kA
C2 Corrente impulsiva nominale di scarica (8/20 µs) complessiva (In ) 10 kA
Impedenza longitudinale per filo ≤ 0,005 Ohm
Innestabile in striscia sezionamento 2/10

Prodotto 907400 è stato aggiunto al blocco note.

Prodotto 907400 è stato aggiunto al carrello.

Apri Web-Shop

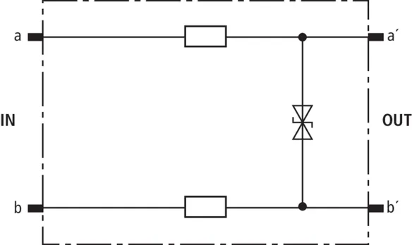
DRL 10 B FSD

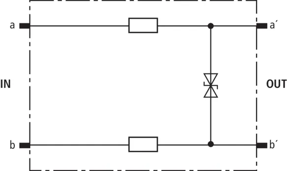
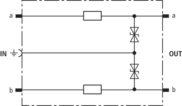
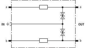
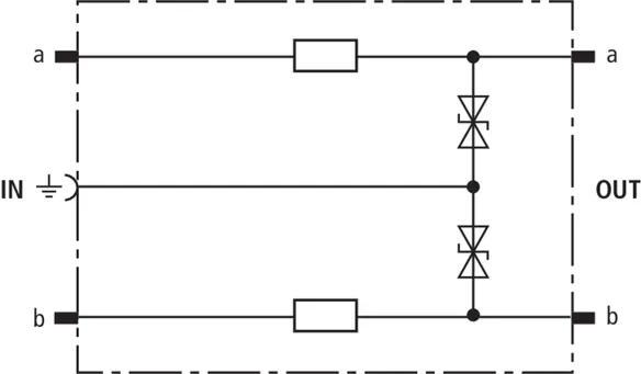
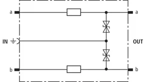
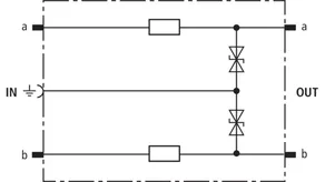
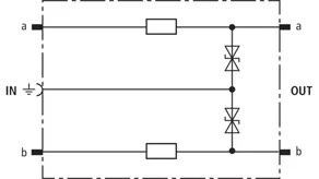
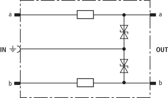
Blocco di protezione da corrente di fulmine DRL 10 coppie per quasi tutte le applicazioni e ampliabile con spine DRL allo scaricatore combinato. I contatti di sezionamento integrati consentono con protezione inserita prove, misure e patching. Gli scaricatori a gas hanno una funzione fail-safe con indicazione ottica di guasto.

1 Prodotto

Art. 907401 DRL 10 B 180 FSD

GTIN (EAN) 4013364107564, Codice doganale (EU): 85363010, Peso lordo: 74.30 g, UM: 1.00 pz.


Immagini

Maggior informazioni

Blocco di protezione da corrente di fulmine DRL 10 B 180 FSD
Blocco di protezione da corrente di fulmine DRL 10 coppie per quasi tutte le applicazioni e ampliabile con spine DRL allo scaricatore combinato. I contatti di sezionamento integrati consentono con protezione inserita prove, misure e patching. Gli scaricatori a gas hanno una funzione fail-safe con indicazione ottica di guasto
Tensione massima continuativa DC: 180 V
Corrente nominale: 0,4 A

Fabbricato: DEHN
Tipo: DRL 10 B 180 FSD
Art.: 907401
o similare.

Certificati

 

Caratteristiche tecniche

Classe SPD G
Indicazione di guasto ottica, tramite cambio del colore
Tensione massima continuativa DC (UC ) 180 V
Corrente nominale (IL ) 0,4 A
D1 Corrente impulsiva di fulmine (10/350 µs) complessiva (Iimp ) 5 kA
C2 Corrente impulsiva nominale di scarica (8/20 µs) complessiva (In ) 10 kA
Impedenza longitudinale per filo ≤ 0,005 Ohm
Innestabile in striscia sezionamento 2/10

Prodotto 907401 è stato aggiunto al blocco note.

Prodotto 907401 è stato aggiunto al carrello.

Apri Web-Shop

DRL RE

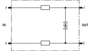
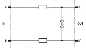
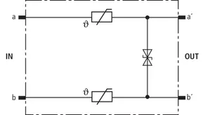
Spina di protezione a un gradino per 1 coppia, coordinata energeticamente al blocco DRL, con impedenza di disaccoppiamento. Specialmente indicato per circuiti di segnale con potenziale comune. Messa a terra tramite EF 10 DRL. Solamente per strisce di sezionamento oppure blocco DRL.

5 Prodotti

Art. 907421 DRL RE 12

GTIN (EAN) 4013364107618, Codice doganale (EU): 85363010, Peso lordo: 5.40 g, UM: 10.00 pz.

Predecessore

Immagini

Maggior informazioni

Spina di protezione DRL RE 12
Spina di protezione Tipo 3 / P1 a un gradino per 1 coppia, coordinata energeticamente al blocco DRL, con impedenza di disaccoppiamento. Specialmente indicato per circuiti di segnale con potenziale comune. Messa a terra tramite EF 10 DRL. Protezione variabile 1 – 10 coppie per sistemi LSA linea costruttiva 2/10
Coordinamento energetico secondo CEI EN 62305-4 (CEI 81-10/4)
Norme di riferimento per le prove IEC 61643-21
Tensione massima continuativa DC: 14 V
Corrente nominale: 0,4 A

Fabbricato: DEHN
Tipo: DRL RE 12
Art.: 907421
o similare.

Certificati

 

Caratteristiche tecniche

Classe SPD O
Tensione massima continuativa DC (UC ) 14 V
Corrente nominale (IL ) 0,4 A
D1 Corrente impulsiva di fulmine (10/350 µs) complessiva in combinazione con DRL 10 B... (Iimp ) 5 kA
C2 Corrente impulsiva nominale di scarica (8/20 µs) complessiva in combinazione con DRL 10 B... (In ) 10 kA
Impedenza longitudinale per filo 4,7 Ohm
Frequenza limite filo-PG (fG ) 2,7 MHz
Innestabile in striscia di sezionamento LSA 2/10 oppure blocco DRL 10 B ...

Prodotto 907421 è stato aggiunto al blocco note.

Prodotto 907421 è stato aggiunto al carrello.

Apri Web-Shop

Art. 907422 DRL RE 24

GTIN (EAN) 4013364107625, Codice doganale (EU): 85363010, Peso lordo: 5.40 g, UM: 10.00 pz.

Predecessore

Immagini

Maggior informazioni

Spina di protezione DRL RE 24
Spina di protezione Tipo 3 / P1 a un gradino per 1 coppia, coordinata energeticamente al blocco DRL, con impedenza di disaccoppiamento. Specialmente indicato per circuiti di segnale con potenziale comune. Messa a terra tramite EF 10 DRL. Protezione variabile 1 – 10 coppie per sistemi LSA linea costruttiva 2/10
Coordinamento energetico secondo CEI EN 62305-4 (CEI 81-10/4)
Norme di riferimento per le prove IEC 61643-21
Tensione massima continuativa DC: 28 V
Corrente nominale: 0,4 A

Fabbricato: DEHN
Tipo: DRL RE 24
Art.: 907422
o similare.

Certificati

 

Caratteristiche tecniche

Classe SPD O
Tensione massima continuativa DC (UC ) 28 V
Corrente nominale (IL ) 0,4 A
D1 Corrente impulsiva di fulmine (10/350 µs) complessiva in combinazione con DRL 10 B... (Iimp ) 5 kA
C2 Corrente impulsiva nominale di scarica (8/20 µs) complessiva in combinazione con DRL 10 B... (In ) 10 kA
Impedenza longitudinale per filo 4,7 Ohm
Frequenza limite filo-PG (fG ) 4,5 MHz
Innestabile in striscia di sezionamento LSA 2/10 oppure blocco DRL 10 B ...

Prodotto 907422 è stato aggiunto al blocco note.

Prodotto 907422 è stato aggiunto al carrello.

Apri Web-Shop

Art. 907423 DRL RE 48

GTIN (EAN) 4013364107632, Codice doganale (EU): 85363010, Peso lordo: 5.40 g, UM: 10.00 pz.

Predecessore

Immagini

Maggior informazioni

Spina di protezione DRL RE 48
Spina di protezione Tipo 3 / P1 a un gradino per 1 coppia, coordinata energeticamente al blocco DRL, con impedenza di disaccoppiamento. Specialmente indicato per circuiti di segnale con potenziale comune. Messa a terra tramite EF 10 DRL. Protezione variabile 1 – 10 coppie per sistemi LSA linea costruttiva 2/10
Coordinamento energetico secondo CEI EN 62305-4 (CEI 81-10/4)
Norme di riferimento per le prove IEC 61643-21
Tensione massima continuativa DC: 54 V
Corrente nominale: 0,4 A

Fabbricato: DEHN
Tipo: DRL RE 48
Art.: 907423
o similare.

Certificati

 

Caratteristiche tecniche

Classe SPD O
Tensione massima continuativa DC (UC ) 54 V
Corrente nominale (IL ) 0,4 A
D1 Corrente impulsiva di fulmine (10/350 µs) complessiva in combinazione con DRL 10 B... (Iimp ) 5 kA
C2 Corrente impulsiva nominale di scarica (8/20 µs) complessiva in combinazione con DRL 10 B... (In ) 10 kA
Impedenza longitudinale per filo 6,8 Ohm
Frequenza limite filo-PG (fG ) 7,35 MHz
Innestabile in striscia di sezionamento LSA 2/10 oppure blocco DRL 10 B ...

Prodotto 907423 è stato aggiunto al blocco note.

Prodotto 907423 è stato aggiunto al carrello.

Apri Web-Shop

Art. 907424 DRL RE 60

GTIN (EAN) 4013364107649, Codice doganale (EU): 85363010, Peso lordo: 5.40 g, UM: 10.00 pz.

Predecessore

Immagini

Maggior informazioni

Spina di protezione DRL RE 60
Spina di protezione Tipo 3 / P1 a un gradino per 1 coppia, coordinata energeticamente al blocco DRL, con impedenza di disaccoppiamento. Specialmente indicato per circuiti di segnale con potenziale comune. Messa a terra tramite EF 10 DRL. Protezione variabile 1 – 10 coppie per sistemi LSA linea costruttiva 2/10
Coordinamento energetico secondo CEI EN 62305-4 (CEI 81-10/4)
Norme di riferimento per le prove IEC 61643-21
Tensione massima continuativa DC: 70 V
Corrente nominale: 0,4 A

Fabbricato: DEHN
Tipo: DRL RE 60
Art.: 907424
o similare.

Certificati

 

Caratteristiche tecniche

Classe SPD O
Tensione massima continuativa DC (UC ) 70 V
Corrente nominale (IL ) 0,4 A
D1 Corrente impulsiva di fulmine (10/350 µs) complessiva in combinazione con DRL 10 B... (Iimp ) 5 kA
C2 Corrente impulsiva nominale di scarica (8/20 µs) complessiva in combinazione con DRL 10 B... (In ) 10 kA
Impedenza longitudinale per filo 6,8 Ohm
Frequenza limite filo-PG (fG ) 10,5 MHz
Innestabile in striscia di sezionamento LSA 2/10 oppure blocco DRL 10 B ...

Prodotto 907424 è stato aggiunto al blocco note.

Prodotto 907424 è stato aggiunto al carrello.

Apri Web-Shop

Art. 907425 DRL RE 180

GTIN (EAN) 4013364107656, Codice doganale (EU): 85363010, Peso lordo: 5.40 g, UM: 10.00 pz.

Predecessore

Immagini

Maggior informazioni

Spina di protezione DRL RE 180
Spina di protezione Tipo 3 / P1 a un gradino per 1 coppia, coordinata energeticamente al blocco DRL, con impedenza di disaccoppiamento. Specialmente indicato per circuiti di segnale con potenziale comune. Messa a terra tramite EF 10 DRL. Protezione variabile 1 – 10 coppie per sistemi LSA linea costruttiva 2/10
Coordinamento energetico secondo CEI EN 62305-4 (CEI 81-10/4)
Norme di riferimento per le prove IEC 61643-21
Tensione massima continuativa DC: 180 V
Corrente nominale: 0,1 A

Fabbricato: DEHN
Tipo: DRL RE 180
Art.: 907425
o similare.

Certificati

 

Caratteristiche tecniche

Classe SPD O
Tensione massima continuativa DC (UC ) 180 V
Corrente nominale (IL ) 0,1 A
D1 Corrente impulsiva di fulmine (10/350 µs) complessiva in combinazione con DRL 10 B... (Iimp ) 5 kA
C2 Corrente impulsiva nominale di scarica (8/20 µs) complessiva in combinazione con DRL 10 B... (In ) 10 kA
Impedenza longitudinale per filo 4,7 Ohm
Frequenza limite filo-PG (fG ) 42 MHz
Innestabile in striscia di sezionamento LSA 2/10 oppure blocco DRL 10 B ...

Prodotto 907425 è stato aggiunto al blocco note.

Prodotto 907425 è stato aggiunto al carrello.

Apri Web-Shop

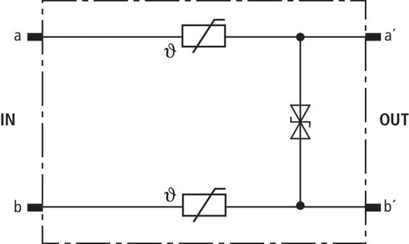
DRL RD

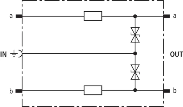
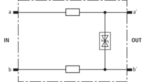
Spina di protezione a un gradino per 1 coppia, coordinata energeticamente al blocco DRL. Livello di protezione filo-filo basso per interfacce con separazione galvanica. Montaggio su EF 10 DRL. Installazione consigliata solo in abbinamento al blocco DRL.

5 Prodotti

Art. 907441 DRL RD 12

GTIN (EAN) 4013364107694, Codice doganale (EU): 85363010, Peso lordo: 5.40 g, UM: 10.00 pz.

Predecessore

Immagini

Maggior informazioni

Spina di protezione da sovratensione 1 DA DRL RD 12
Spina di protezione da sovratensione Tipo 3 / P1
DEHNrapid LSA, provata secondo
CEI EN 61643-21 ed energeticamente
coordinata secondo IEC 61643-22
al blocco di magazzino DRL Tipo 1,
per la protezione di una coppia di fili.
Assieme al telaio di messa a terra
innestabile nelle strisce di sezionamento LSA
della serie costruttiva 2/10 o direttamente nel
blocco di protezione DRL come
ampliamento del limitatore combinato.

Tensione massima continuativa DC: 14 V
Corrente nominale: 0,4 A

Fabbricato: DEHN
Tipo: DRL RD 12
Art.: 907441
o similare.

Certificati

 

Caratteristiche tecniche

Classe SPD O
Tensione massima continuativa DC (UC ) 14 V
Corrente nominale (IL ) 0,4 A
D1 Corrente impulsiva di fulmine (10/350 µs) complessiva in combinazione con DRL 10 B... (Iimp ) 5 kA
C2 Corrente impulsiva nominale di scarica (8/20 µs) complessiva in combinazione con DRL 10 B... (In ) 10 kA
Impedenza longitudinale per filo 2,2 Ohm
Frequenza limite filo-filo (fG ) 2,7 MHz
Innestabile in striscia di sezionamento LSA 2/10 oppure blocco DRL 10 B ...

Prodotto 907441 è stato aggiunto al blocco note.

Prodotto 907441 è stato aggiunto al carrello.

Apri Web-Shop

Art. 907442 DRL RD 24

GTIN (EAN) 4013364107700, Codice doganale (EU): 85363010, Peso lordo: 5.40 g, UM: 10.00 pz.


Immagini

Maggior informazioni

Spina di protezione da sovratensione 1 DA DRL RD 24
Spina di protezione da sovratensione Tipo 3 / P1
DEHNrapid LSA, provata secondo
CEI EN 61643-21 ed energeticamente
coordinata secondo IEC 61643-22
al blocco di magazzino DRL Tipo 1,
per la protezione di una coppia di fili.
Assieme al telaio di messa a terra
innestabile nelle strisce di sezionamento LSA
della serie costruttiva 2/10 o direttamente nel
blocco di protezione DRL come
ampliamento del limitatore combinato.

Tensione massima continuativa DC: 28 V
Corrente nominale: 0,4 A

Fabbricato: DEHN
Tipo: DRL RD 24
Art.: 907442
o similare.

Certificati

 

Caratteristiche tecniche

Classe SPD O
Tensione massima continuativa DC (UC ) 28 V
Corrente nominale (IL ) 0,4 A
D1 Corrente impulsiva di fulmine (10/350 µs) complessiva in combinazione con DRL 10 B... (Iimp ) 5 kA
C2 Corrente impulsiva nominale di scarica (8/20 µs) complessiva in combinazione con DRL 10 B... (In ) 10 kA
Impedenza longitudinale per filo 2,2 Ohm
Frequenza limite filo-filo (fG ) 5,4 MHz
Innestabile in striscia di sezionamento LSA 2/10 oppure blocco DRL 10 B ...

Prodotto 907442 è stato aggiunto al blocco note.

Prodotto 907442 è stato aggiunto al carrello.

Apri Web-Shop

Art. 907443 DRL RD 48

GTIN (EAN) 4013364107717, Codice doganale (EU): 85363010, Peso lordo: 5.40 g, UM: 10.00 pz.


Immagini

Maggior informazioni

Spina di protezione da sovratensione 1 DA DRL RD 48
Spina di protezione da sovratensione Tipo 3 / P1
DEHNrapid LSA, provata secondo
CEI EN 61643-21 ed energeticamente
coordinata secondo IEC 61643-22
al blocco di magazzino DRL Tipo 1,
per la protezione di una coppia di fili.
Assieme al telaio di messa a terra
innestabile nelle strisce di sezionamento LSA
della serie costruttiva 2/10 o direttamente nel
blocco di protezione DRL come
ampliamento del limitatore combinato.

Tensione massima continuativa DC: 54 V
Corrente nominale: 0,4 A

Fabbricato: DEHN
Tipo: DRL RD 48
Art.: 907443
o similare.

Certificati

 

Caratteristiche tecniche

Classe SPD O
Tensione massima continuativa DC (UC ) 54 V
Corrente nominale (IL ) 0,4 A
D1 Corrente impulsiva di fulmine (10/350 µs) complessiva in combinazione con DRL 10 B... (Iimp ) 5 kA
C2 Corrente impulsiva nominale di scarica (8/20 µs) complessiva in combinazione con DRL 10 B... (In ) 10 kA
Impedenza longitudinale per filo 4,7 Ohm
Frequenza limite filo-filo (fG ) 7,8 MHz
Innestabile in striscia di sezionamento LSA 2/10 oppure blocco DRL 10 B ...

Prodotto 907443 è stato aggiunto al blocco note.

Prodotto 907443 è stato aggiunto al carrello.

Apri Web-Shop

Art. 907444 DRL RD 60

GTIN (EAN) 4013364107724, Codice doganale (EU): 85363010, Peso lordo: 5.40 g, UM: 10.00 pz.


Immagini

Maggior informazioni

Spina di protezione da sovratensione 1 DA DRL RD 60
Spina di protezione da sovratensione Tipo 3 / P1
DEHNrapid LSA, provata secondo
CEI EN 61643-21 ed energeticamente
coordinata secondo IEC 61643-22
al blocco di magazzino DRL Tipo 1,
per la protezione di una coppia di fili.
Assieme al telaio di messa a terra
innestabile nelle strisce di sezionamento LSA
della serie costruttiva 2/10 o direttamente nel
blocco di protezione DRL come
ampliamento del limitatore combinato.

Tensione massima continuativa DC: 70 V
Corrente nominale: 0,4 A

Fabbricato: DEHN
Tipo: DRL RD 60
Art.: 907444
o similare.

Certificati

 

Caratteristiche tecniche

Classe SPD O
Tensione massima continuativa DC (UC ) 70 V
Corrente nominale (IL ) 0,4 A
D1 Corrente impulsiva di fulmine (10/350 µs) complessiva in combinazione con DRL 10 B... (Iimp ) 5 kA
C2 Corrente impulsiva nominale di scarica (8/20 µs) complessiva in combinazione con DRL 10 B... (In ) 10 kA
Impedenza longitudinale per filo 4,7 Ohm
Frequenza limite filo-filo (fG ) 11 MHz
Innestabile in striscia di sezionamento LSA 2/10 oppure blocco DRL 10 B ...

Prodotto 907444 è stato aggiunto al blocco note.

Prodotto 907444 è stato aggiunto al carrello.

Apri Web-Shop

Art. 907445 DRL RD 110

GTIN (EAN) 4013364118461, Codice doganale (EU): 85363010, Peso lordo: 3.30 g, UM: 10.00 pz.


Immagini

Maggior informazioni

Spina di protezione da sovratensione 1 DA DRL RD 110
Spina di protezione da sovratensione Tipo 3 / P1
DEHNrapid LSA, provata secondo
CEI EN 61643-21 ed energeticamente
coordinata secondo IEC 61643-22
al blocco di magazzino DRL Tipo 1,
per la protezione di una coppia di fili.
Assieme al telaio di messa a terra
innestabile nelle strisce di sezionamento LSA
della serie costruttiva 2/10 o direttamente nel
blocco di protezione DRL come
ampliamento del limitatore combinato.

Tensione massima continuativa DC: 180 V
Corrente nominale: 0,4 A

Fabbricato: DEHN
Tipo: DRL RD 110
Art.: 907445
o similare.

Certificati

 

Caratteristiche tecniche

Classe SPD O
Tensione massima continuativa DC (UC ) 180 V
Corrente nominale (IL ) 0,4 A
D1 Corrente impulsiva di fulmine (10/350 µs) complessiva in combinazione con DRL 10 B... (Iimp ) 5 kA
C2 Corrente impulsiva nominale di scarica (8/20 µs) complessiva in combinazione con DRL 10 B... (In ) 10 kA
Impedenza longitudinale per filo 4,7 Ohm
Frequenza limite filo-filo (fG ) 20 MHz
Innestabile in striscia di sezionamento LSA 2/10 oppure blocco DRL 10 B ...

Prodotto 907445 è stato aggiunto al blocco note.

Prodotto 907445 è stato aggiunto al carrello.

Apri Web-Shop

DRL PD

Spina di protezione a un gradino per 1 coppia, coordinata energeticamente al blocco DRL. Livello di protezione filo-filo basso e protezione da sovracorrente per ADSL, ISDN Uk0 oppure fili analogici a/b. Montaggio con EF 10 DRL. Installazione consigliata solamente in abbinamento al blocco DRL.

1 Prodotto

Art. 907430 DRL PD 180

GTIN (EAN) 4013364107670, Codice doganale (EU): 85363010, Peso lordo: 3.90 g, UM: 10.00 pz.

Predecessore

Immagini

Maggior informazioni

Spina di protezione da sovratensione 1 DA DRL RD 180
Spina di protezione da sovratensione Tipo 3 / P1
DEHNrapid LSA, combinata
con protezione da sovracorrente contro
Powercrossing, provata secondo
CEI EN 61643-21 ed energeticamente
coordinata secondo IEC 61643-22
al blocco di magazzino DRL Tipo 1,
per la protezione di una coppia di fili.
Assieme al telaio di messa a terra
innestabile nelle strisce di sezionamento LSA
della serie costruttiva 2/10 o direttamente nel
blocco di protezione DRL come
ampliamento del limitatore combinato.
Tensione massima continuativa DC: 180 V
Corrente nominale: 0,1 A

Fabbricato: DEHN
Tipo: DRL PD 180
Art.: 907430
o similare.

Certificati

 

Caratteristiche tecniche

Classe SPD O
Tensione massima continuativa DC (UC ) 180 V
Corrente nominale (IL ) 0,1 A
D1 Corrente impulsiva di fulmine (10/350 µs) complessiva in combinazione con DRL 10 B... (Iimp ) 5 kA
C2 Corrente impulsiva nominale di scarica (8/20 µs) complessiva in combinazione con DRL 10 B... (In ) 10 kA
Impedenza longitudinale per filo 10 Ohm +/- 15%
Frequenza limite filo-filo (fG ) 61 MHz
Innestabile in striscia di sezionamento LSA 2/10 oppure blocco DRL 10 B...

Prodotto 907430 è stato aggiunto al blocco note.

Prodotto 907430 è stato aggiunto al carrello.

Apri Web-Shop

DRL HD

Spina di protezione a un gradino per 1 coppia, coordinata energeticamente al blocco DRL per trasmissioni ad alta frequenza, come G.703 oppure ISDN U2m , S2m e S0. Montaggio su EF 10 DRL. Installazione consigliata solamente in abbinamento al blocco DRL.

1 Prodotto

Art. 907470 DRL HD 24

GTIN (EAN) 4013364107663, Codice doganale (EU): 85363010, Peso lordo: 5.40 g, UM: 10.00 pz.

Predecessore

Immagini

Maggior informazioni

Spina di protezione da sovratensione 1 DA DRL HD 24
Spina di protezione da sovratensione Tipo 3 / P1
DEHNrapid LSA, provata secondo
CEI EN 61643-21 ed energeticamente
coordinata secondo IEC 61643-22
al blocco di magazzino DRL Tipo 1,
per la protezione di una coppia di fili
di sistemi con una percentuale di
trasmissione molto elevata.
Assieme al telaio di messa a terra
innestabile nelle strisce di sezionamento LSA
della serie costruttiva 2/10 o direttamente nel
blocco di protezione DRL come
ampliamento del limitatore combinato.

Tensione massima continuativa DC: 28 V
Corrente nominale: 0,4 A

Fabbricato: DEHN
Tipo: DRL HD 24
Art.: 907470
o similare.

Certificati

 

Caratteristiche tecniche

Classe SPD O
Tensione massima continuativa DC (UC ) 28 V
Corrente nominale (IL ) 0,4 A
D1 Corrente impulsiva di fulmine (10/350 µs) complessiva in combinazione con DRL 10 B... (Iimp ) 5 kA
C2 Corrente impulsiva nominale di scarica (8/20 µs) complessiva in combinazione con DRL 10 B... (In ) 10 kA
Impedenza longitudinale per filo 4,7 Ohm
Innestabile in striscia di sezionamento LSA 2/10 oppure blocco DRL 10 B ...

Prodotto 907470 è stato aggiunto al blocco note.

Prodotto 907470 è stato aggiunto al carrello.

Apri Web-Shop

back to top