Filtro di rete

  • Protegge la sensibile elettronica industriale da disturbi simmetrici e asimmetrici ad alta frequenza
  • Completa la protezione da sovratensioni, p.es. in aggiunta a DEHNrail M 2P 255
  • Montaggio semplice su guida profilata nel quadro di distribuzione

NF10

Filtro di rete per la protezione da disturbi simmetrici ed asimmetrici.

1 Prodotto

Art. 912254 NF 10

GTIN (EAN) 4013364073685, Codice doganale (EU): 85359000, Peso lordo: 300.00 g, UM: 1.00 pz.


Immagini

Maggior informazioni

Filtro di rete NF 10
Filtro di rete per la protezione da disturbi simmetrici ed asimmetrici ad alta frequenza di sensibile elettronica industriale
Tensione nominale: 230 V AC
Corrente di carico nominale: 10 A
Attenuazione con f = 1 MHz, simmetrica: > 64 dB
Attenuazione con f = 1 MHz, asimmetrica: > 69 dB
Fusibile di protezione: 10 A gG
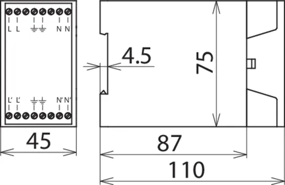
Dimensioni: 110 x 45 x 75 mm
Montaggio su: guida profilata 35 mm secondo EN 60715

Fabbricato: DEHN
Tipo: NF 10
Art.: 912254
o similare.

 

Caratteristiche tecniche

Tensione nominale AC (UN ) 230 V
Corrente di carico nominale AC (IL ) 10 A
Attenuazione con f = 1 MHz, simmetrica > 64 dB
Attenuazione con f = 1 MHz, asimmetrica > 69 dB

Prodotto 912254 è stato aggiunto al blocco note.

Prodotto 912254 è stato aggiunto al carrello.

Apri Web-Shop

back to top