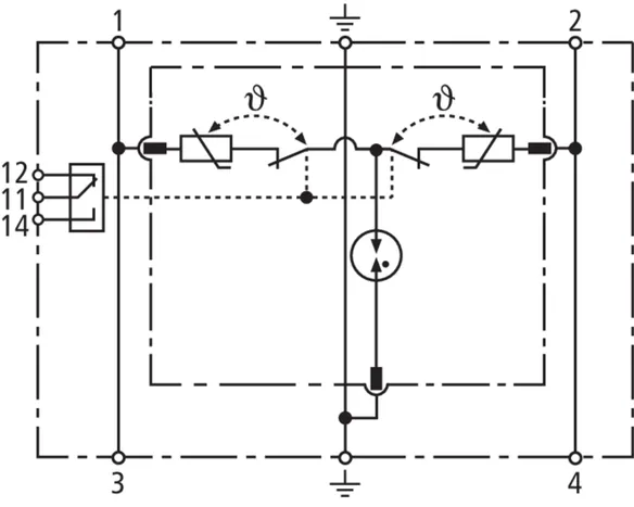
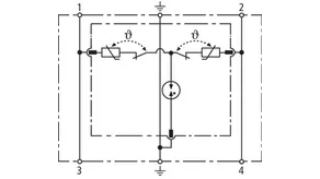
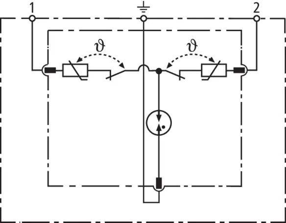
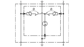
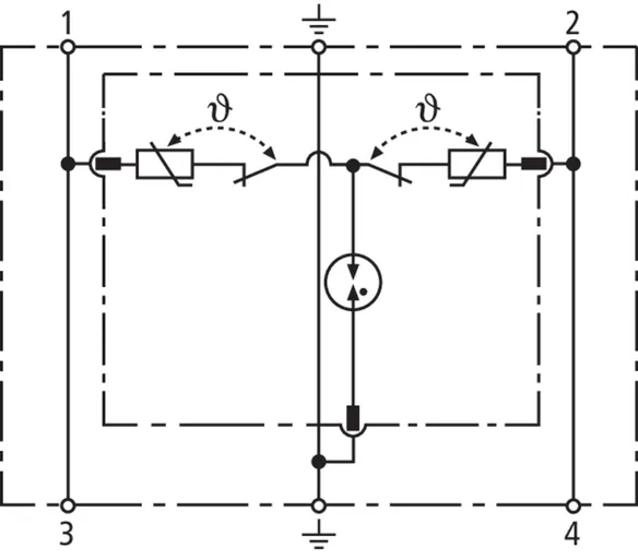
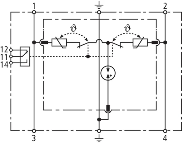
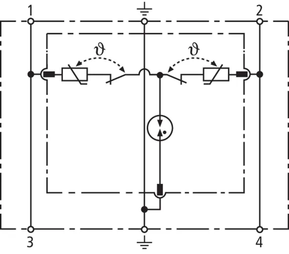
DEHNrail modular

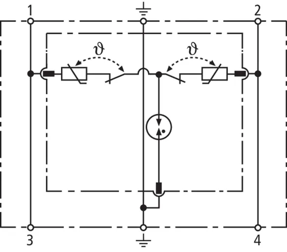
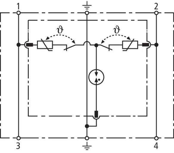
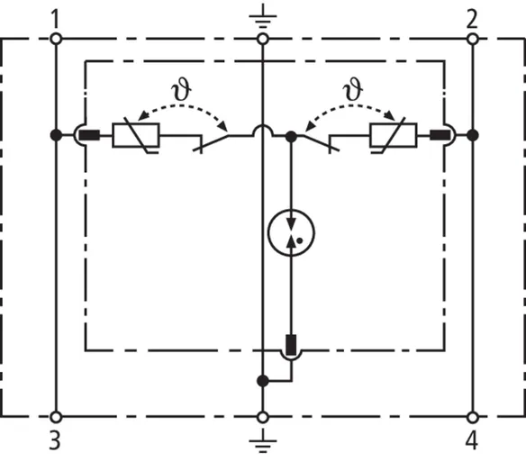
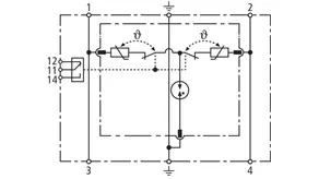
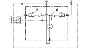
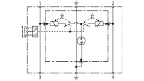
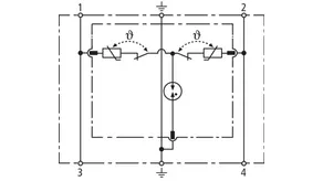
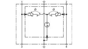
  • Limitatore di sovratensione bipolare composto da elemento base e modulo di protezione innestabile
  • Elevata capacità di scarica tramite combinazione di potenti varistori all'ossido di zinco / spinterometri
  • Coordinamento energetico nella famiglia di prodotto Red/Line
  • Indicazione di funzionamento / guasto tramite marcatura verde / rossa nella finestrella
  • Costruzione stretta (esecuzione modulare) secondo DIN 43880
  • Sostituzione semplice, senza attrezzi, del modulo di protezione tramite sistema di blocco e tasto di sblocco modulo
  • Provato contro vibrazioni e shock meccanico secondo EN 60068-2

Dettagli

lorem ipsum

DEHNrail M 2P ...

Limitatore di sovratensione bipolare composto da elemento base e modulo di protezione innestabile.

5 Prodotti

Art. 953201 DR M 2P 30

GTIN (EAN) 4013364109674, Codice doganale (EU): 85363030, Peso lordo: 90.60 g, UM: 1.00 pz.

Predecessore

Immagini

Maggior informazioni

Limitatore di sovratensione DEHNrail M 2P 30
Limitatore di sovratensione bipolare per la protezione
di apparecchi elettronici industriale
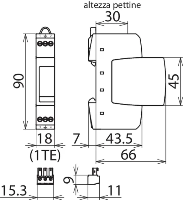
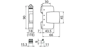
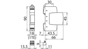
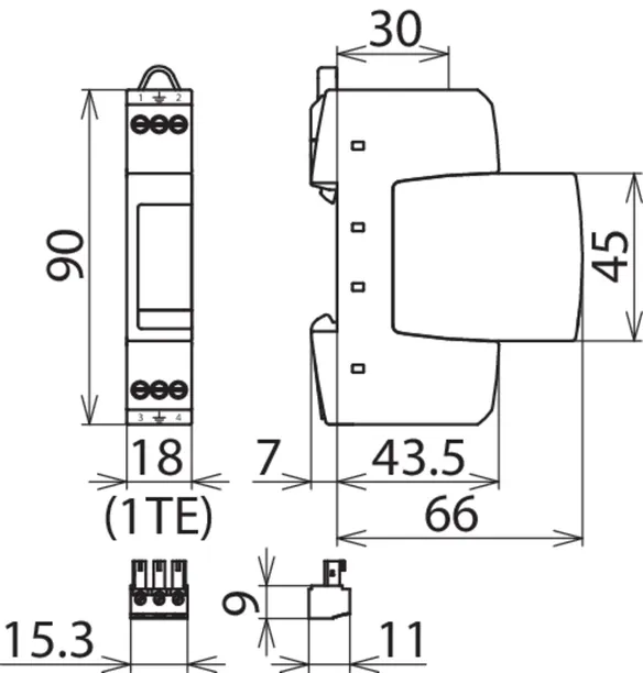
Dimensioni: 1 unità, Indicazione di guasto
SPD Tipo 3 secondo EN 61643-11/ ... CEI EN 61643-11
Massima tensione continuativa: 30 V AC/DC
Corrente max complessiva di scarica (8/20 µs): 2 kA
Livello di protezione [L-N]: ≤ 0,18 kV
Protezione di corrente max lato rete: 25 A gG o B 25 A
Coordinamento energetico secondo CEI EN 62305-4
SPD della famiglia di prodotti Red/Line

Fabbricato: DEHN
Tipo: DR M 2P 30
Art.: 953201
o similare.

Certificati

 

Caratteristiche tecniche

SPD secondo EN 61643-11 / ... IEC 61643-11 Tipo 3 / Class III
Massima tensione continuativa AC (UC ) 30 V (50 / 60 Hz)
Massima tensione continuativa DC (UC ) 30 V
Corrente impulsiva nominale di scarica (8/20 µs) (In ) 1 kA
Corrente totale impulsiva (8/20 µs) [L+N-PE] (Itotal ) 2 kA
Livello di protezione [L-N] / [L/N-PE] (UP ) ≤ 180 / ≤ 630 V
Limitatore di corrente max lato rete 25 A gG oppure B 25 A
Omologazioni KEMA, VDE, UL, CSA, ATEX, IECEx

Prodotto 953201 è stato aggiunto al blocco note.

Prodotto 953201 è stato aggiunto al carrello.

Apri Web-Shop

Art. 953202 DR M 2P 60

GTIN (EAN) 4013364109681, Codice doganale (EU): 85363030, Peso lordo: 91.80 g, UM: 1.00 pz.

Predecessore

Immagini

Maggior informazioni

Limitatore di sovratensione DEHNrail M 2P 60
Limitatore di sovratensione bipolare per la protezione
di apparecchi elettronici industriale
Dimensioni: 1 unità, Indicazione di guasto
SPD Tipo 3 secondo EN 61643-11/ ... CEI EN 61643-11
Massima tensione continuativa: 75 V AC/DC
Corrente max complessiva di scarica (8/20 µs): 4 kA
Livello di protezione [L-N]: ≤ 0,4 kV
Protezione di corrente max lato rete: 25 A gG o B 25 A
Coordinamento energetico secondo CEI EN 62305-4
SPD della famiglia di prodotti Red/Line

Fabbricato: DEHN
Tipo: DR M 2P 60
Art.: 953202
o similare.

Certificati

 

Caratteristiche tecniche

SPD secondo EN 61643-11 / ... IEC 61643-11 Tipo 3 / Class III
Massima tensione continuativa AC (UC ) 60 V (50 / 60 Hz)
Massima tensione continuativa DC (UC ) 60 V
Corrente impulsiva nominale di scarica (8/20 µs) (In ) 1 kA
Corrente totale impulsiva (8/20 µs) [L+N-PE] (Itotal ) 2 kA
Livello di protezione [L-N] / [L/N-PE] (UP ) ≤ 350 / ≤ 730 V
Limitatore di corrente max lato rete 25 A gG oppure B 25 A
Omologazioni KEMA, VDE, UL, CSA, ATEX, IECEx

Prodotto 953202 è stato aggiunto al blocco note.

Prodotto 953202 è stato aggiunto al carrello.

Apri Web-Shop

Art. 953203 DR M 2P 75

GTIN (EAN) 4013364109698, Codice doganale (EU): 85363030, Peso lordo: 89.80 g, UM: 1.00 pz.

Predecessore

Immagini

Maggior informazioni

Limitatore di sovratensione DEHNrail M 2P 75
Limitatore di sovratensione bipolare
per la protezione di apparecchi elettronici industriale
Dimensioni: 1 unità, Indicazione di guasto
SPD Tipo 3 secondo EN 61643-11/ ... CEI EN 61643-11
Massima tensione continuativa: 75 V AC/DC
Corrente max complessiva di scarica (8/20 µs): 4 kA
Livello di protezione [L-N]: ≤ 0,4 kV
Protezione di corrente max lato rete: 25 A gG o B 25 A
Coordinamento energetico secondo CEI EN 62305-4
SPD della famiglia di prodotti Red/Line
Indicazione di guasto

Fabbricato: DEHN
Tipo: DR M 2P 75
Art.: 953203
o similare.

Certificati

 

Caratteristiche tecniche

SPD secondo EN 61643-11 / ... IEC 61643-11 Tipo 3 / Class III
Massima tensione continuativa AC (UC ) 75 V (50 / 60 Hz)
Massima tensione continuativa DC (UC ) 75 V
Corrente impulsiva nominale di scarica (8/20 µs) (In ) 2 kA
Corrente totale impulsiva (8/20 µs) [L+N-PE] (Itotal ) 4 kA
Livello di protezione [L-N] / [L/N-PE] (UP ) ≤ 400 / ≤ 730 V
Limitatore di corrente max lato rete 25 A gG oppure B 25 A
Omologazioni KEMA, VDE, UL, CSA, ATEX, IECEx

Prodotto 953203 è stato aggiunto al blocco note.

Prodotto 953203 è stato aggiunto al carrello.

Apri Web-Shop

Art. 953204 DR M 2P 150

GTIN (EAN) 4013364109704, Codice doganale (EU): 85363030, Peso lordo: 90.00 g, UM: 1.00 pz.

Predecessore

Immagini

Maggior informazioni

Limitatore di sovratensione DEHNrail M 2P 150
Limitatore di sovratensione bipolare
per la protezione di apparecchi elettronici industriale
Dimensioni: 1 unità, Indicazione di guasto
SPD Tipo 3 secondo EN 61643-11/ ... CEI EN 61643-11
Massima tensione continuativa: 150 V AC/DC
Corrente max complessiva di scarica (8/20 µs): 4 kA
Livello di protezione [L-N]: ≤ 0,64 kV
Protezione di corrente max lato rete: 25 A gG o B 25 A
Coordinamento energetico secondo CEI EN 62305-4
SPD della famiglia di prodotti Red/Line

Fabbricato: DEHN
Tipo: DR M 2P 150
Art.: 953204
o similare.

Certificati

 

Caratteristiche tecniche

SPD secondo EN 61643-11 / ... IEC 61643-11 Tipo 3 / Class III
Massima tensione continuativa AC (UC ) 150 V (50 / 60 Hz)
Massima tensione continuativa DC (UC ) 150 V
Corrente impulsiva nominale di scarica (8/20 µs) (In ) 2 kA
Corrente totale impulsiva (8/20 µs) [L+N-PE] (Itotal ) 4 kA
Livello di protezione [L-N] / [L/N-PE] (UP ) ≤ 640 / ≤ 800 V
Limitatore di corrente max lato rete 25 A gG oppure B 25 A
Omologazioni KEMA, VDE, UL, CSA, ATEX, IECEx

Prodotto 953204 è stato aggiunto al blocco note.

Prodotto 953204 è stato aggiunto al carrello.

Apri Web-Shop

Art. 953200 DR M 2P 255

GTIN (EAN) 4013364108301, Codice doganale (EU): 85363030, Peso lordo: 91.70 g, UM: 1.00 pz.

Predecessore

Immagini

Maggior informazioni

Limitatore di sovratensione DEHNrail M 2P 255
Limitatore di sovratensione bipolare
per la protezione di apparecchi elettronici industriale
Dimensioni: 1 unità, Indicazione di guasto
SPD Tipo 3 secondo EN 61643-11/ ... CEI EN 61643-11
Massima tensione continuativa: 255 V AC/DC
Corrente max complessiva di scarica (8/20 µs): 5 kA
Livello di protezione [L-N]: ≤ 1,25 kV
Protezione di corrente max lato rete: 25 A gG o B 25 A
Coordinamento energetico secondo CEI EN 62305-4
SPD della famiglia di prodotti Red/Line

Fabbricato: DEHN
Tipo: DR M 2P 255
Art.: 953200
o similare.

Certificati

 

Caratteristiche tecniche

SPD secondo EN 61643-11 / ... IEC 61643-11 Tipo 3 / Class III
Massima tensione continuativa AC (UC ) 255 V (50 / 60 Hz)
Massima tensione continuativa DC (UC ) 255 V
Corrente impulsiva nominale di scarica (8/20 µs) (In ) 3 kA
Corrente totale impulsiva (8/20 µs) [L+N-PE] (Itotal ) 5 kA
Livello di protezione [L-N] / [L/N-PE] (UP ) ≤ 1250 / ≤ 1500 V
Limitatore di corrente max lato rete 25 A gG oppure B 25 A
Omologazioni KEMA, VDE, UL, CSA, ATEX, IECEx

Prodotto 953200 è stato aggiunto al blocco note.

Prodotto 953200 è stato aggiunto al carrello.

Apri Web-Shop

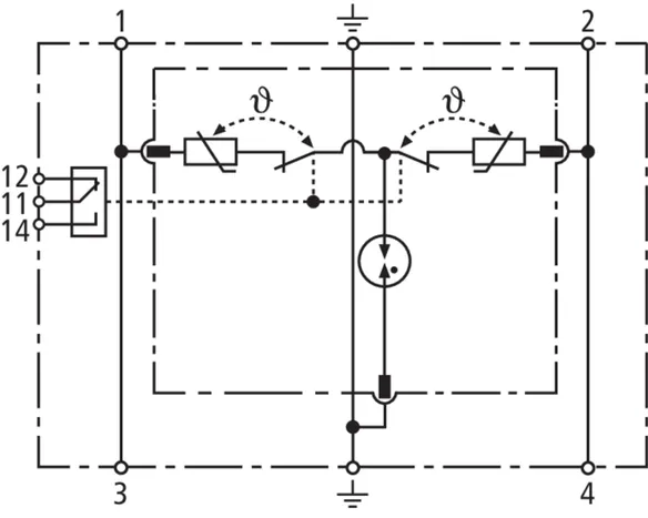
DEHNrail M 2P ... FM

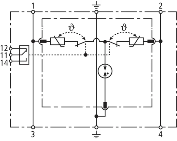
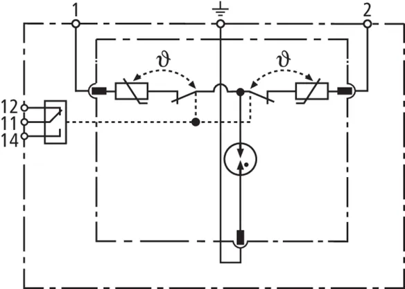
Limitatore di sovratensione bipolare composto da elemento base e modulo di protezione innestabile; con contatti di telesegnalamento / scambio pulito.

5 Prodotti

Art. 953206 DR M 2P 30 FM

GTIN (EAN) 4013364109711, Codice doganale (EU): 85363030, Peso lordo: 94.50 g, UM: 1.00 pz.

Predecessore

Immagini

Maggior informazioni

Limitatore di sovratensione DEHNrail M 2P 30 FM
Limitatore di sovratensione bipolare
per la protezione di apparecchi elettronici industriale
Con contatto di scambio pulito per il telesegnalamento
Dimensioni: 1 unità, Indicazione di guasto
SPD Tipo 3 secondo EN 61643-11/ ... CEI EN 61643-11
Massima tensione continuativa: 30 V AC/DC
Corrente max complessiva di scarica (8/20 µs): 2 kA
Livello di protezione [L-N]: ≤ 0,18 kV
Protezione di corrente max lato rete: 25 A gG o B 25 A
Coordinamento energetico secondo CEI EN 62305-4
SPD della famiglia di prodotti Red/Line

Fabbricato: DEHN
Tipo: DR M 2P 30 FM
Art.: 953206
o similare.

Certificati

 

Caratteristiche tecniche

SPD secondo EN 61643-11 / ... IEC 61643-11 Tipo 3 / Class III
Massima tensione continuativa AC (UC ) 30 V (50 / 60 Hz)
Massima tensione continuativa DC (UC ) 30 V
Corrente impulsiva nominale di scarica (8/20 µs) (In ) 1 kA
Corrente totale impulsiva (8/20 µs) [L+N-PE] (Itotal ) 2 kA
Livello di protezione [L-N] / [L/N-PE] (UP ) ≤ 180 / ≤ 630 V
Limitatore di corrente max lato rete 25 A gG oppure B 25 A
Omologazioni KEMA, VDE, UL, CSA, ATEX, IECEx
Contatto FM / tipo di contatto scambio pulito

Prodotto 953206 è stato aggiunto al blocco note.

Prodotto 953206 è stato aggiunto al carrello.

Apri Web-Shop

Art. 953207 DR M 2P 60 FM

GTIN (EAN) 4013364109728, Codice doganale (EU): 85363030, Peso lordo: 95.40 g, UM: 1.00 pz.

Predecessore

Immagini

Maggior informazioni

Limitatore di sovratensione DEHNrail M 2P 60 FM
Limitatore di sovratensione bipolare
per la protezione di apparecchi elettronici industriale
Con contatto di scambio pulito per il telesegnalamento
Dimensioni: 1 unità, Indicazione di guasto
SPD Tipo 3 secondo EN 61643-11/ ... CEI EN 61643-11
Massima tensione continuativa: 60 V AC/DC
Corrente max complessiva di scarica (8/20 µs): 2 kA
Livello di protezione [L-N]: ≤ 0,35 kV
Protezione di corrente max lato rete: 25 A gG o B 25 A
Coordinamento energetico secondo CEI EN 62305-4
SPD della famiglia di prodotti Red/Line

Fabbricato: DEHN
Tipo: DR M 2P 60 FM
Art.: 953207
o similare.

Certificati

 

Caratteristiche tecniche

SPD secondo EN 61643-11 / ... IEC 61643-11 Tipo 3 / Class III
Massima tensione continuativa AC (UC ) 60 V (50 / 60 Hz)
Massima tensione continuativa DC (UC ) 60 V
Corrente impulsiva nominale di scarica (8/20 µs) (In ) 1 kA
Corrente totale impulsiva (8/20 µs) [L+N-PE] (Itotal ) 2 kA
Livello di protezione [L-N] / [L/N-PE] (UP ) ≤ 350 / ≤ 730 V
Limitatore di corrente max lato rete 25 A gG oppure B 25 A
Omologazioni KEMA, VDE, UL, CSA, ATEX, IECEx
Contatto FM / tipo di contatto scambio pulito

Prodotto 953207 è stato aggiunto al blocco note.

Prodotto 953207 è stato aggiunto al carrello.

Apri Web-Shop

Art. 953208 DR M 2P 75 FM

GTIN (EAN) 4013364109735, Codice doganale (EU): 85363030, Peso lordo: 93.70 g, UM: 1.00 pz.

Predecessore

Immagini

Maggior informazioni

Limitatore di sovratensione DEHNrail M 2P 75 FM
Limitatore di sovratensione bipolare
per la protezione di apparecchi elettronici industriale
Con contatto di scambio pulito per il telesegnalamento
Dimensioni: 1 unità, Indicazione di guasto
SPD Tipo 3 secondo EN 61643-11/ ... CEI EN 61643-11
Massima tensione continuativa: 75 V AC/DC
Corrente max complessiva di scarica (8/20 µs): 4 kA
Livello di protezione [L-N]: ≤ 0,4 kV
Protezione di corrente max lato rete: 25 A gG o B 25 A
Coordinamento energetico secondo CEI EN 62305-4
SPD della famiglia di prodotti Red/Line

Fabbricato: DEHN
Tipo: DR M 2P 75 FM
Art.: 953208
o similare.

Certificati

 

Caratteristiche tecniche

SPD secondo EN 61643-11 / ... IEC 61643-11 Tipo 3 / Class III
Massima tensione continuativa AC (UC ) 75 V (50 / 60 Hz)
Massima tensione continuativa DC (UC ) 75 V
Corrente impulsiva nominale di scarica (8/20 µs) (In ) 2 kA
Corrente totale impulsiva (8/20 µs) [L+N-PE] (Itotal ) 4 kA
Livello di protezione [L-N] / [L/N-PE] (UP ) ≤ 400 / ≤ 730 V
Limitatore di corrente max lato rete 25 A gG oppure B 25 A
Omologazioni KEMA, VDE, UL, CSA, ATEX, IECEx
Contatto FM / tipo di contatto scambio pulito

Prodotto 953208 è stato aggiunto al blocco note.

Prodotto 953208 è stato aggiunto al carrello.

Apri Web-Shop

Art. 953209 DR M 2P 150 FM

GTIN (EAN) 4013364109742, Codice doganale (EU): 85363030, Peso lordo: 93.00 g, UM: 1.00 pz.

Predecessore

Immagini

Maggior informazioni

Limitatore di sovratensione DEHNrail M 2P 150 FM
Limitatore di sovratensione bipolare
per la protezione di apparecchi elettronici industriale
Con contatto di scambio pulito per il telesegnalamento
Dimensioni: 1 unità, Indicazione di guasto
SPD Tipo 3 secondo EN 61643-11/ ... CEI EN 61643-11
Massima tensione continuativa: 150 V AC/DC
Corrente max complessiva di scarica (8/20 µs): 4 kA
Livello di protezione [L-N]: ≤ 0,64 kV
Protezione di corrente max lato rete: 25 A gG o B 25 A
Coordinamento energetico secondo CEI EN 62305-4
SPD della famiglia di prodotti Red/Line

Fabbricato: DEHN
Tipo: DR M 2P 150 FM
Art.: 953209
o similare.

Certificati

 

Caratteristiche tecniche

SPD secondo EN 61643-11 / ... IEC 61643-11 Tipo 3 / Class III
Massima tensione continuativa AC (UC ) 150 V (50 / 60 Hz)
Massima tensione continuativa DC (UC ) 150 V
Corrente impulsiva nominale di scarica (8/20 µs) (In ) 2 kA
Corrente totale impulsiva (8/20 µs) [L+N-PE] (Itotal ) 4 kA
Livello di protezione [L-N] / [L/N-PE] (UP ) ≤ 640 / ≤ 800 V
Limitatore di corrente max lato rete 25 A gG oppure B 25 A
Omologazioni KEMA, VDE, UL, CSA, ATEX, IECEx
Contatto FM / tipo di contatto scambio pulito

Prodotto 953209 è stato aggiunto al blocco note.

Prodotto 953209 è stato aggiunto al carrello.

Apri Web-Shop

Art. 953205 DR M 2P 255 FM

GTIN (EAN) 4013364108318, Codice doganale (EU): 85363030, Peso lordo: 98.88 g, UM: 1.00 pz.

Predecessore

Immagini

Maggior informazioni

Limitatore di sovratensione DEHNrail M 2P 255 FM
Limitatore di sovratensione bipolare
per la protezione di apparecchi elettronici industriale
Con contatto di scambio pulito per il telesegnalamento
Dimensioni: 1 unità, Indicazione di guasto
SPD Tipo 3 secondo EN 61643-11/ ... CEI EN 61643-11
Massima tensione continuativa: 255 V AC/DC
Corrente max complessiva di scarica (8/20 µs): 5 kA
Livello di protezione [L-N]: ≤ 1,25 kV
Protezione di corrente max lato rete: 25 A gG o B 25 A
Coordinamento energetico secondo CEI EN 62305-4
SPD della famiglia di prodotti Red/Line

Fabbricato: DEHN
Tipo: DR M 2P 255 FM
Art.: 953205
o similare.

Certificati

 

Caratteristiche tecniche

SPD secondo EN 61643-11 / ... IEC 61643-11 Tipo 3 / Class III
Massima tensione continuativa AC (UC ) 255 V (50 / 60 Hz)
Massima tensione continuativa DC (UC ) 255 V
Corrente impulsiva nominale di scarica (8/20 µs) (In ) 3 kA
Corrente totale impulsiva (8/20 µs) [L+N-PE] (Itotal ) 5 kA
Livello di protezione [L-N] / [L/N-PE] (UP ) ≤ 1250 / ≤ 1500 V
Limitatore di corrente max lato rete 25 A gG oppure B 25 A
Omologazioni KEMA, VDE, UL, CSA, ATEX, IECEx
Contatto FM / tipo di contatto scambio pulito

Prodotto 953205 è stato aggiunto al blocco note.

Prodotto 953205 è stato aggiunto al carrello.

Apri Web-Shop

DEHNrail M 2P SN1802

Limitatore di sovratensione bipolare composto da elemento base e modulo di protezione innestabile. Impiego possibile in impianti fino a corrente di carico 32 A.

1 Prodotto

Art. 953228 DR M 2P 255 SN1802

GTIN (EAN) 4013364158986, Codice doganale (EU): 85363030, Peso lordo: 89.70 g, UM: 1.00 pz.


Immagini

Maggior informazioni

Limitatore di sovratensione DEHNrail M 2P 255 SN1802
Limitatore di sovratensione bipolare, modulare, innestabile
per la protezione di utenze finali dell'industria elettronica
Dimensione 1 unità, Indicazione di guasto
Limitatore Tipo 3 secondo CEI EN 61643-11 (CEI 37-8)
Massima tensione continuativa: 255 V AC/DC
Corrente di scarica totale: 5 kA
Livello di protezione L/N: < 1,25 kV
Fusibile: 32 A gG o B 32 A
Coordinamento energetico secondo CEI EN 62305-4
SPD della famiglia di prodotti Red/Line

Fabbricato: DEHN
Tipo: DR M 2P 255 SN1802
Art.: 953228
o similare.

 

Caratteristiche tecniche

SPD secondo EN 61643-11 / ... IEC 61643-11 Tipo 3 / Class III
Massima tensione continuativa AC (UC ) 255 V (50 / 60 Hz)
Massima tensione continuativa DC (UC ) 255 V
Corrente impulsiva nominale di scarica (8/20 µs) (In ) 3 kA
Corrente totale impulsiva (8/20 µs) [L+N-PE] (Itotal ) 5 kA
Livello di protezione [L-N] / [L/N-PE] (UP ) ≤ 1250 / ≤ 1500 V
Limitatore di corrente max lato rete 32 A gG oppure B 32 A
Modulo di protezione su richiesta

Prodotto 953228 è stato aggiunto al blocco note.

Prodotto 953228 è stato aggiunto al carrello.

Apri Web-Shop

DEHNrail M 2P SN1803FM

Limitatore di sovratensione bipolare composto da elemento base e modulo di protezione innestabile; con contatti di telesegnalamento / scambio pulito. Impiego possibile in impianti fino a corrente di carico 32 A.

1 Prodotto

Art. 953229 DR M 2P 255 SN1803FM

GTIN (EAN) 4013364158993, Codice doganale (EU): 85363030, Peso lordo: 93.40 g, UM: 1.00 pz.


Immagini

Maggior informazioni

Limitatore di sovratensione DEHNrail M 2P 255 SN1803FM
Limitatore di sovratensione bipolare, modulare, innestabile
per la protezione di utenze finali dell'industria elettronica,
dimensione 1 unità, Indicazione di guasto
con contatto di telesegnalamento
Limitatore Tipo 3 secondo CEI EN 61643-11 (CEI 37-8)
Massima tensione continuativa: 255 V AC/DC
Corrente di scarica totale: 5 kA
Livello di protezione L/N: < 1,25 kV
Fusibile: 32 A gG o B 32 A
Coordinamento energetico secondo CEI EN 62305-4
SPD della famiglia di prodotti Red/Line

Fabbricato: DEHN
Tipo: DR M 2P 255 SN1803FM
Art.: 953229
o similare.

Certificati

 

Caratteristiche tecniche

SPD secondo EN 61643-11 / ... IEC 61643-11 Tipo 3 / Class III
Massima tensione continuativa AC (UC ) 255 V (50 / 60 Hz)
Massima tensione continuativa DC (UC ) 255 V
Corrente impulsiva nominale di scarica (8/20 µs) (In ) 3 kA
Corrente totale impulsiva (8/20 µs) [L+N-PE] (Itotal ) 5 kA
Livello di protezione [L-N] / [L/N-PE] (UP ) ≤ 1250 / ≤ 1500 V
Limitatore di corrente max lato rete 32 A gG oppure B 32 A
Contatto FM / tipo di contatto scambio pulito
Modulo di protezione su richiesta

Prodotto 953229 è stato aggiunto al blocco note.

Prodotto 953229 è stato aggiunto al carrello.

Apri Web-Shop

back to top