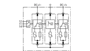
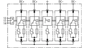
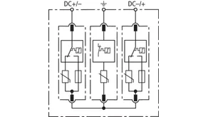
DEHNguard modular (Y)PV SCI ...
                        
                        
                            
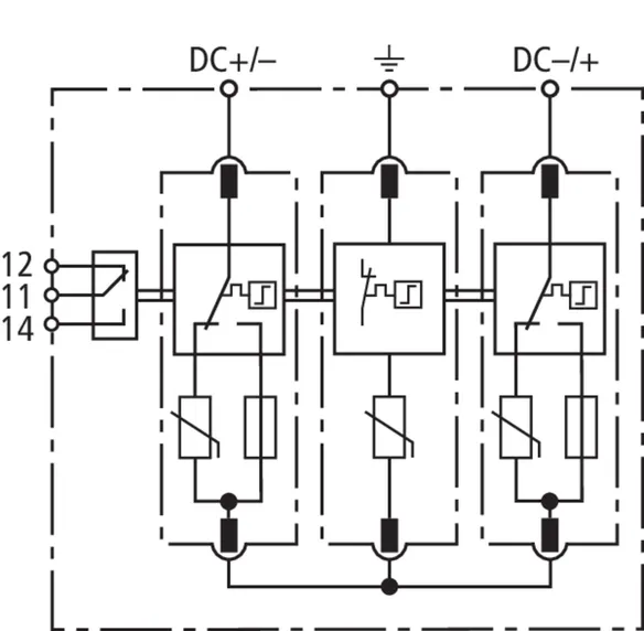
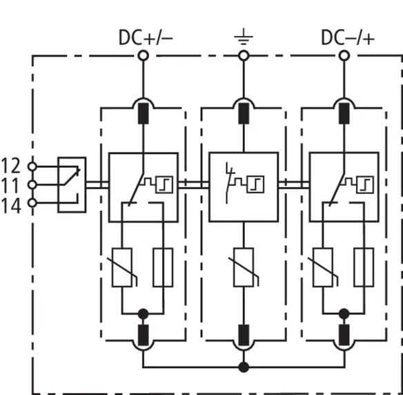
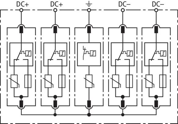
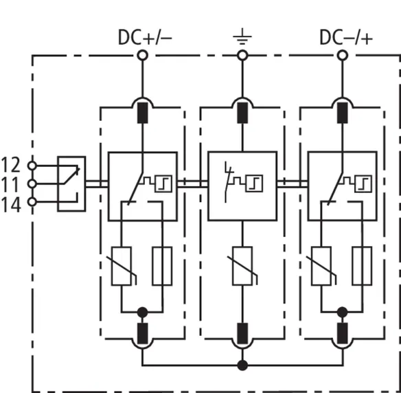
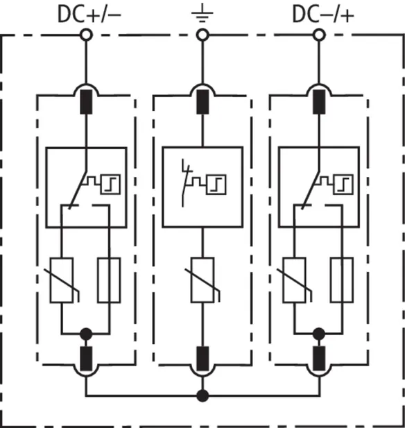
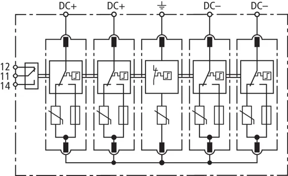
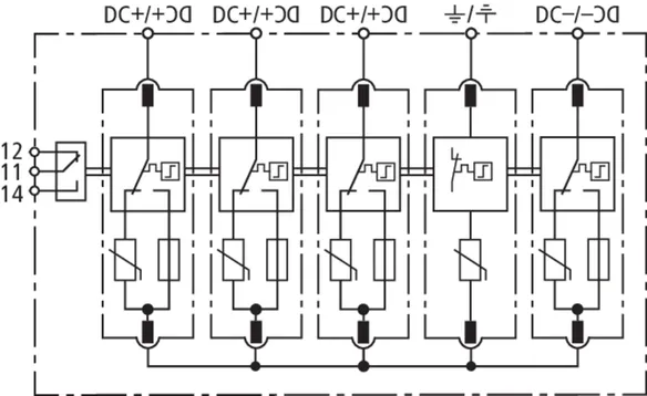
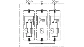
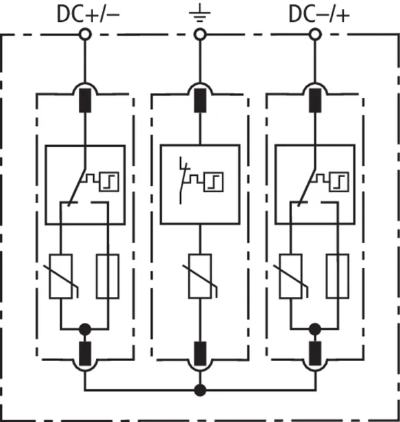
                        - Unità modulare completa pronta per il cablaggio per impianti fotovoltaici costituita da basetta e moduli di protezione innestati
 - Disconnettore e dispositivo di corto circuito combinato con sezionamento elettrico sicuro nel modulo di protezione (principio SCI brevettato)
 - Il circuito a "Y" collaudato e resistente ai guasti di DEHNguard M YPV SCI … (FM) evita danni della protezione da sovratensioni in caso di guasti all’isolamento nel circuito del generatore
 - Collaudato secondo la noma EN 61643-31
 - Utilizzabile in tutti i sistemi FV a norma IEC 60364-7-712
 
Dettagli
                                
                                    
                                
                                
                                    
                                Art. 952513 DG M YPV SCI 150
GTIN (EAN) 4013364136663, Codice doganale (EU): 85363030, Peso lordo: 289.70 g, UM: 1.00 pz.
Caratteristiche tecniche
| SPD secondo la norma EN 61643-31 / ... IEC 61643-31 | Tipo 2 | 
| Tensione max FV (UCPV ) | 150 V | 
| Tenuta al corto circuito (ISCPV ) | 10 kA | 
| Corrente impulsiva nominale di scarica (8/20 µs) [(DC+/DC-) --> PE] (In ) | 10 kA | 
| Corrente impulsiva max di scarica (8/20 µs) [(DC+/DC-) --> PE] (Imax ) | 20 kA | 
| Livello di protezione (UP ) | ≤ 0,8 kV | 
| Omologazioni | KEMA, UL, CSA | 
Art. 952510 DG M YPV SCI 1000
GTIN (EAN) 4013364126428, Codice doganale (EU): 85363030, Peso lordo: 361.40 g, UM: 1.00 pz.
PredecessoreCaratteristiche tecniche
| SPD secondo la norma EN 61643-31 / ... IEC 61643-31 | Tipo 2 / Classe II | 
| Tensione max FV (UCPV ) | 1000 V | 
| Tenuta al corto circuito (ISCPV ) | 10 kA | 
| Corrente impulsiva nominale di scarica (8/20 µs) [(DC+/DC-) --> PE] (In ) | 12,5 kA | 
| Corrente impulsiva max di scarica (8/20 µs) [(DC+/DC-) --> PE] (Imax ) | 25 kA | 
| Livello di protezione (UP ) | ≤ 4 kV | 
| Omologazioni | KEMA, UL, CSA | 
Art. 952512 DG M YPV SCI 1200
GTIN (EAN) 4013364127951, Codice doganale (EU): 85354000, Peso lordo: 356.50 g, UM: 1.00 pz.
PredecessoreCaratteristiche tecniche
| SPD secondo la norma EN 61643-31 / ... IEC 61643-31 | Tipo 2 / Classe II | 
| Tensione max FV (UCPV ) | 1200 V | 
| Tenuta al corto circuito (ISCPV ) | 10 kA | 
| Corrente impulsiva nominale di scarica (8/20 µs) [(DC+/DC-) --> PE] (In ) | 12,5 kA | 
| Corrente impulsiva max di scarica (8/20 µs) [(DC+/DC-) --> PE] (Imax ) | 25 kA | 
| Livello di protezione (UP ) | ≤ 4,5 kV | 
| Omologazioni | KEMA, CSA | 
Art. 952518 DG M YPV SCI 150 FM
GTIN (EAN) 4013364136670, Codice doganale (EU): 85363030, Peso lordo: 297.00 g, UM: 1.00 pz.
Caratteristiche tecniche
| SPD conforme alla norma EN 50539-11 | Tipo 2 | 
| Tensione max FV (UCPV ) | 150 V | 
| Tenuta al corto circuito (ISCPV ) | 10 kA | 
| Corrente impulsiva nominale di scarica (8/20 µs) [(DC+/DC-) --> PE] (In ) | 10 kA | 
| Corrente impulsiva max di scarica (8/20 µs) [(DC+/DC-) --> PE] (Imax ) | 20 kA | 
| Livello di protezione (UP ) | ≤ 0,8 kV | 
| Omologazioni | KEMA, UL, CSA | 
| Contatto di segnalamento FM / tipo di contatto | scambio | 
Art. 952515 DG M YPV SCI 1000 FM
GTIN (EAN) 4013364126435, Codice doganale (EU): 85363030, Peso lordo: 343.90 g, UM: 1.00 pz.
PredecessoreCaratteristiche tecniche
| SPD secondo la norma EN 61643-31 / ... IEC 61643-31 | Tipo 2 / Classe II | 
| Tensione max FV (UCPV ) | 1000 V | 
| Tenuta al corto circuito (ISCPV ) | 10 kA | 
| Corrente impulsiva nominale di scarica (8/20 µs) [(DC+/DC-) --> PE] (In ) | 12,5 kA | 
| Corrente impulsiva max di scarica (8/20 µs) [(DC+/DC-) --> PE] (Imax ) | 25 kA | 
| Livello di protezione (UP ) | ≤ 4 kV | 
| Omologazioni | KEMA, UL, CSA | 
| Contatto di segnalamento FM / tipo di contatto | scambio | 
Art. 952517 DG M YPV SCI 1200 FM
GTIN (EAN) 4013364127968, Codice doganale (EU): 85354000, Peso lordo: 359.30 g, UM: 1.00 pz.
PredecessoreCaratteristiche tecniche
| SPD secondo la norma EN 61643-31 / ... IEC 61643-31 | Tipo 2 / Classe II | 
| Tensione max FV (UCPV ) | 1200 V | 
| Tenuta al corto circuito (ISCPV ) | 10 kA | 
| Corrente impulsiva nominale di scarica (8/20 µs) [(DC+/DC-) --> PE] (In ) | 12,5 kA | 
| Corrente impulsiva max di scarica (8/20 µs) [(DC+/DC-) --> PE] (Imax ) | 25 kA | 
| Livello di protezione (UP ) | ≤ 4,5 kV | 
| Omologazioni | KEMA, CSA | 
| Contatto di segnalamento FM / tipo di contatto | scambio | 
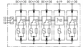
Art. 952514 DG M PV2 SCI 1000
GTIN (EAN) 4013364224964, Codice doganale (EU): 85363030, Peso lordo: 588.00 g, UM: 1.00 pz.
Caratteristiche tecniche
| SPD secondo la norma EN 61643-31 / ... IEC 61643-31 | Tipo 2 / Classe II | 
| Tensione max FV (UCPV ) | 1000 V | 
| Tenuta al corto circuito (ISCPV ) | 10 kA | 
| Corrente impulsiva nominale di scarica (8/20 µs) [(DC+/DC-) --> PE] (In ) | 12,5 kA | 
| Corrente impulsiva max di scarica (8/20 µs) [(DC+/DC-) --> PE] (Imax ) | 25 kA | 
| Livello di protezione (UP ) | ≤ 4 kV | 
| Omologazioni | UL, KEMA | 
Art. 952519 DG M PV2 SCI 1000 FM
GTIN (EAN) 4013364224971, Codice doganale (EU): 85363030, Peso lordo: 599.00 g, UM: 1.00 pz.
Caratteristiche tecniche
| SPD secondo la norma EN 61643-31 / ... IEC 61643-31 | Tipo 2 / Classe II | 
| Tensione max FV (UCPV ) | 1000 V | 
| Tenuta al corto circuito (ISCPV ) | 10 kA | 
| Corrente impulsiva nominale di scarica (8/20 µs) [(DC+/DC-) --> PE] (In ) | 12,5 kA | 
| Corrente impulsiva max di scarica (8/20 µs) [(DC+/DC-) --> PE] (Imax ) | 25 kA | 
| Livello di protezione (UP ) | ≤ 4 kV | 
| Omologazioni | UL, KEMA | 
| Contatto di segnalamento FM / tipo di contatto | scambio | 
Art. 999799 DG M PV2 SCI SN1868 FM
GTIN (EAN) 4013364328723, Codice doganale (EU): 85363030, Peso lordo: 598.30 g, UM: 1.00 pz.
Caratteristiche tecniche
| SPD secondo la norma EN 61643-31 / ... IEC 61643-31 | Tipo 2 / Classe II | 
| Tensione max FV (UCPV ) | 1000 V | 
| Tenuta al corto circuito (ISCPV ) | 10 kA | 
| Corrente impulsiva nominale di scarica (8/20 µs) [(DC+/DC-) --> PE] (In ) | 12,5 kA | 
| Corrente impulsiva max di scarica (8/20 µs) [(DC+/DC-) --> PE] (Imax ) | 25 kA | 
| Livello di protezione (UP ) | ≤ 4 kV | 
| Omologazioni | UL, KEMA | 
| Contatto di segnalamento FM / tipo di contatto | scambio | 
                                
                                
                                    
                                        
                                    
                                    
                                
                                
                                
                                    
                                        
                                
                                
                                    
                                        
                
                
                
                
                