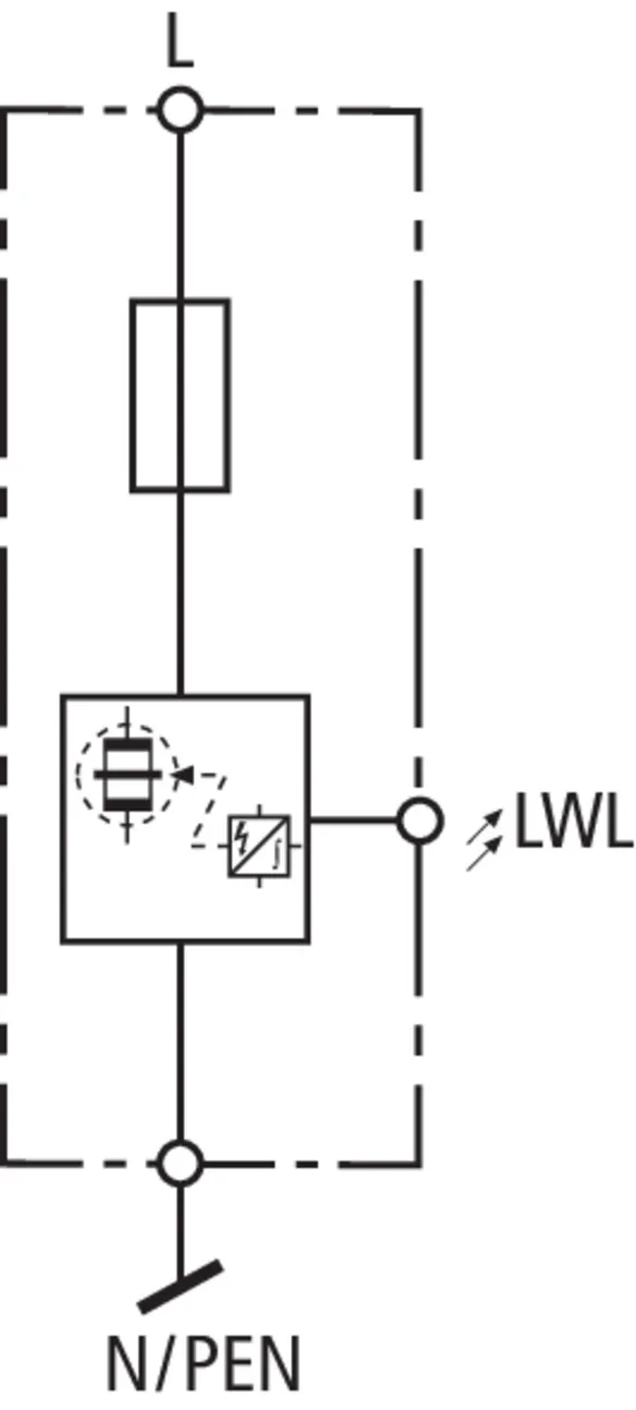
DEHNbloc Maxi S
- Scaricatore per corrente di fulmine su base spinterometrica con fusibile di protezione integrato con portata di corrente di fulmine, con forma costruttiva compatta dell'involucro
- Montaggio diretto su barra PEN / N
- Livello di protezione basso UP ≤ 2,5 kV (compreso di conduttore di collegamento 80 cm)
- Coordinamento diretto verso limitatore di sovratensione DEHNguard, senza ulteriori lunghezze di conduttori
- Tenuta al corto circuito di 100 kAeff (220 kApeak)
- Elevata capacità di estinzione di limitazione di correnti susseguenti tramite tecnologia RADAX-Flow
- Elevata capacità di scarica di correnti di fulmine
- Con interfaccia a fibra ottica per il controllo dello scaricatore
Dettagli
Art. 900220 DBM 1 255 S
GTIN (EAN) 4013364106734, Codice doganale (EU): 85363090, Peso lordo: 730.70 g, UM: 1.00 pz.
Caratteristiche tecniche
| SPD secondo EN 61643-11 / ... IEC 61643-11 | Tipo 1 / Classe I |
| Tensione massima continuativa AC (UC ) | 255 V (50 / 60 Hz) |
| Corrente impulsiva di fulmine (10/350 µs) (Iimp ) | 25 kA |
| Livello di protezione (UP ) | ≤ 2,5 kV (comprensivo di 80 cm di cavo di collegamento) |
| Protezione max di sovraccorrente in rete | non necessario |
| Indicazione di funzionamento | tramite fibra ottica LWL con DSI E 3 |

