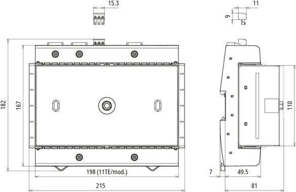
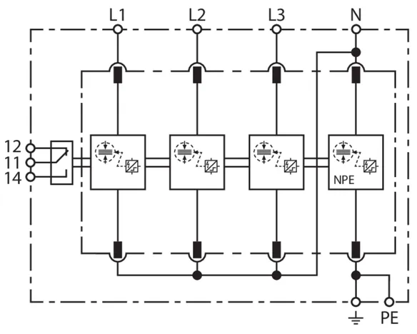
DEHNventil modular
:quality(98)/www.dehn.it/store/f/63454941/HDVORSCHAU/956315a0001_16-9.jpg) 
                        
                        :quality(98)/www.dehn.it/store/f/63454941/HDVORSCHAU/956315a0001_16-9.jpg) 
                            
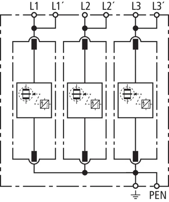
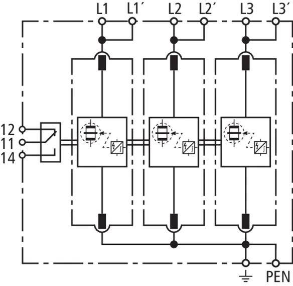
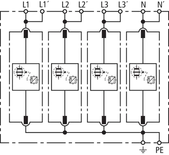
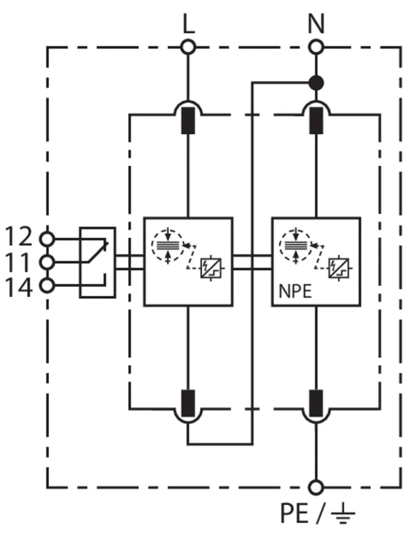
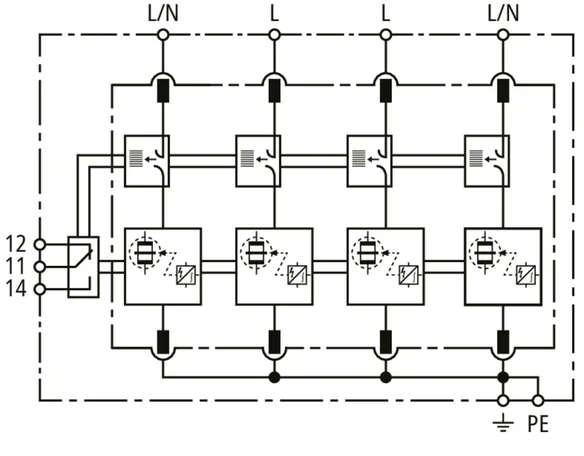
                        - caricatore combinato spinterometrico precablato Tipo 1 + Tipo 2 + Tipo 3, composto da elemento base e un singolo modulo di protezione innestabile
- Tecnologia spinterometrica RAC potente e per la protezione delle utenze finali
- Selettività verso fusibili 20 A gG fino a una corrente di di cortocircuito di 50 kAeff
- Capacità di scarica fino a 100 kA (10/350 μs)
- Permette la protezione di utenze finali
- Indicazione di funzionamento / guasto tramite marcatura verde / rossa nella finestrella e monitoraggio di tutti i poli
- Sostituzione semplice e senza attrezzi del modulo di protezione tramite sistema di blocco e tasto di sblocco modulo
Dettagli
:quality(98)/www.dehn.it/store/f/63454942/HDVORSCHAU/954315a0004.jpg) 
                                :quality(98)/www.dehn.it/store/f/63454942/HDVORSCHAU/954315a0004.jpg) 
                                    
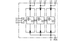
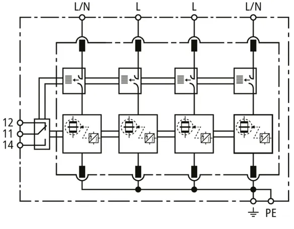
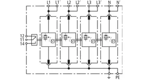
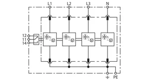
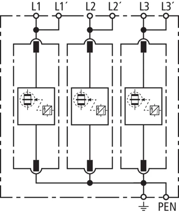
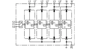
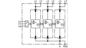
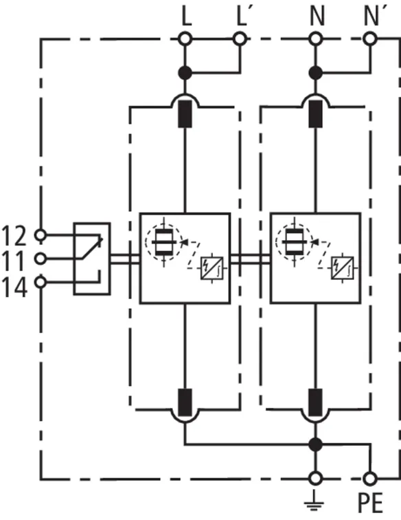
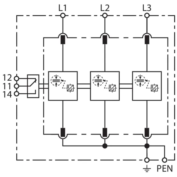
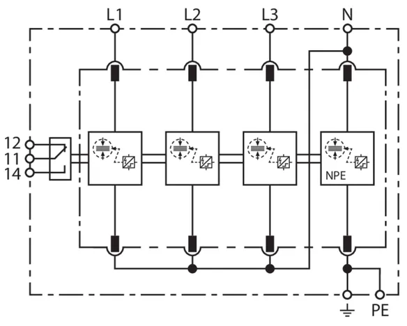
                                Art. 956305 DV M2 TNC 255 FM
GTIN (EAN) 4013364510586, Codice doganale (EU): 85363090, Peso lordo: 519.19 g, UM: 1.00 pz.
PredecessoreCaratteristiche tecniche
| SPD secondo EN 61643-11 / ... IEC 61643-11 | Tipo 1 + Tipo 2 + Tipo 3 / Classe I + Classe II + Classe III | 
| Corrente impulsiva di fulmine (10/350 µs) [L1+L2+L3-PEN] (Itotal ) | 75 kA | 
| Corrente impulsiva di fulmine (10/350 µs) [L-PEN] (Iimp ) | 25 kA | 
| Livello di protezione (UP ) | ≤ 1,5 kV | 
| Fusibile di protezione max. (L) fino ICC = 50 kAeff | 250 A gG | 
| Omologazioni | VDE, KEMA, UL | 
| Contatto FM / tipo di contatto | sì / scambio pulito | 
| Dati tecnici aggiuntivi: | Utilizzo in impianti di distribuzione con possibili correnti di cortocircuito maggiori di 50 kAeff | 
| – Corrente di cortocircuito max. prevista | 100 kAeff (220 kApeak) | 
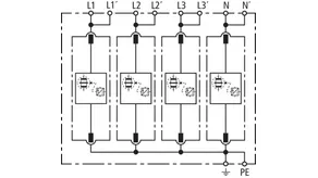
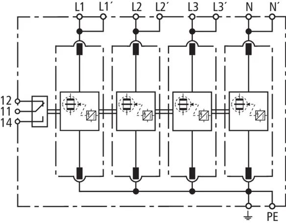
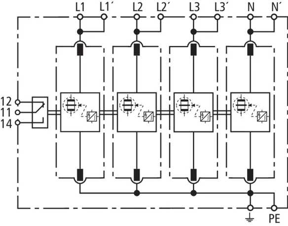
Art. 956405 DV M2 TNS 255 FM
GTIN (EAN) 4013364510562, Codice doganale (EU): 85363090, Peso lordo: 583.68 g, UM: 1.00 pz.
PredecessoreCaratteristiche tecniche
| SPD secondo EN 61643-11 / ... IEC 61643-11 | Tipo 1 + Tipo 2 + Tipo 3 / Classe I + Classe II + Classe III | 
| Corrente impulsiva di fulmine (10/350 µs) [L1+L2+L3+N-PE] (Itotal ) | 100 kA | 
| Corrente impulsiva di fulmine (10/350 µs) [L, N-PE] (Iimp ) | 25 kA | 
| Livello di protezione [L-PE]/[N-PE] (UP ) | ≤ 1,5 / ≤ 1,5 kV | 
| Fusibile di protezione max. (L) fino ICC = 50 kAeff | 250 A gG | 
| Omologazioni | VDE, KEMA, UL | 
| Contatto FM / tipo di contatto | sì / scambio pulito | 
| Dati tecnici aggiuntivi: | Utilizzo in impianti di distribuzione con possibili correnti di cortocircuito maggiori di 50 kAeff | 
| – Corrente di cortocircuito max. prevista | 100 kAeff (220 kApeak) | 
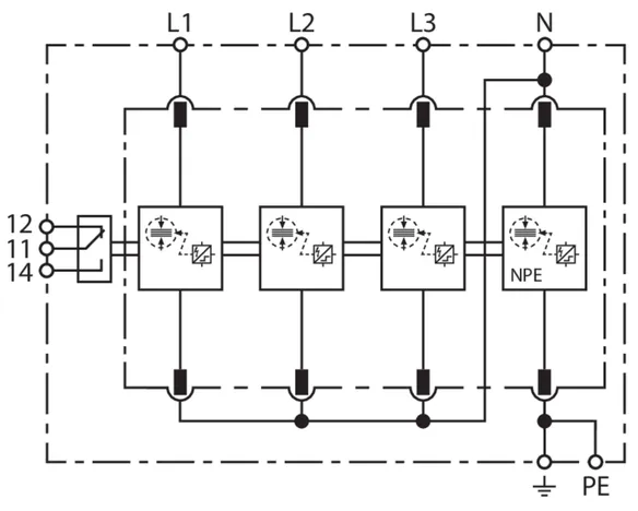
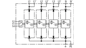
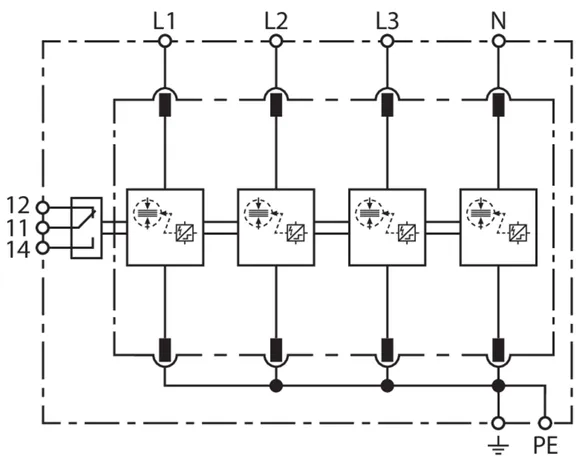
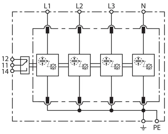
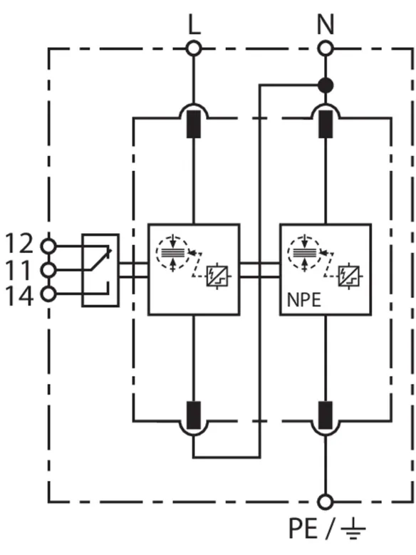
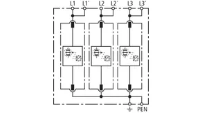
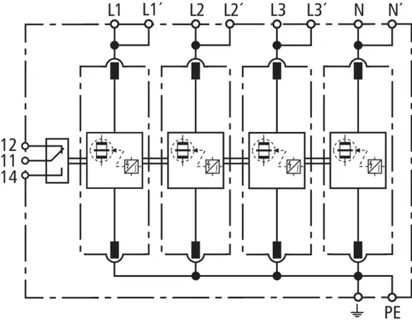
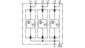
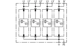
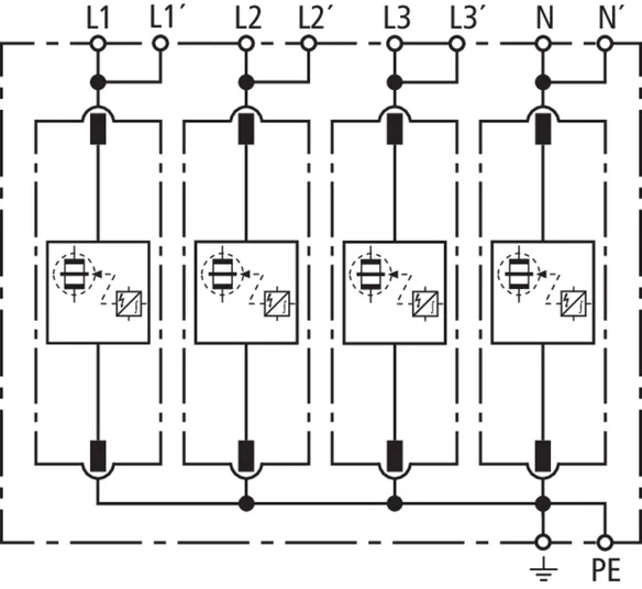
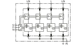
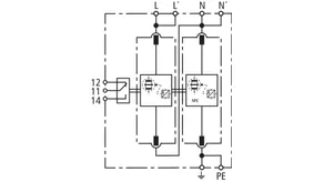
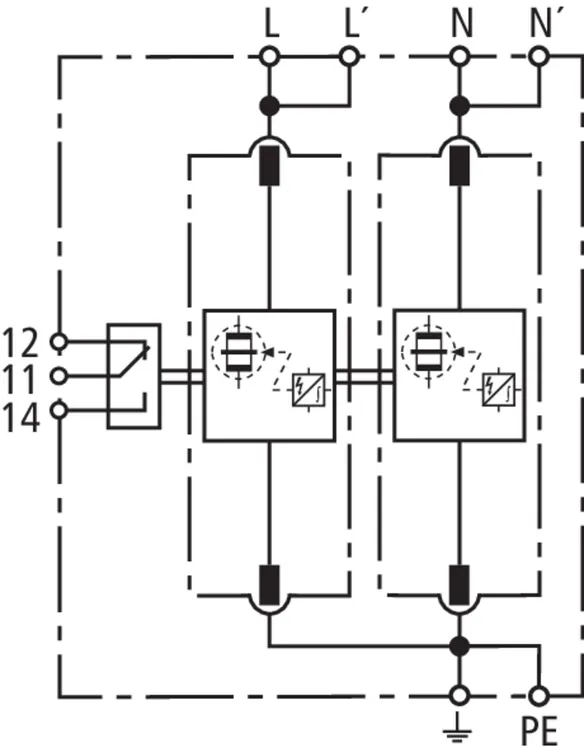
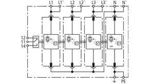
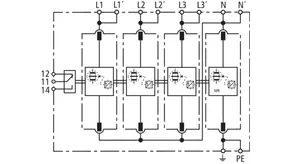
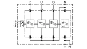
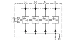
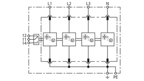
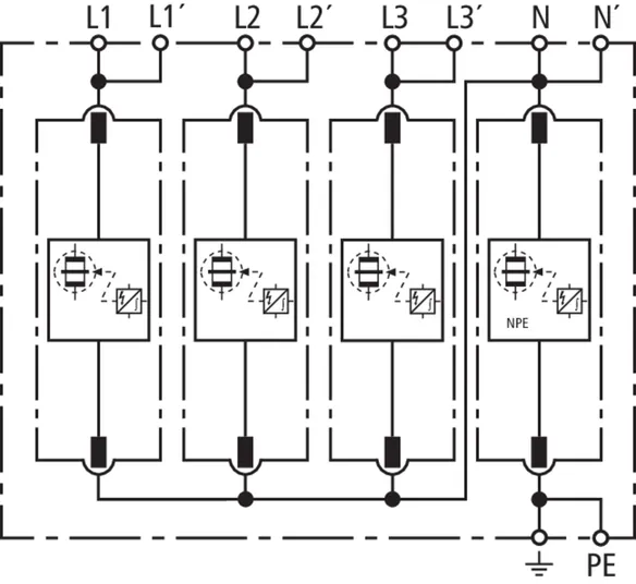
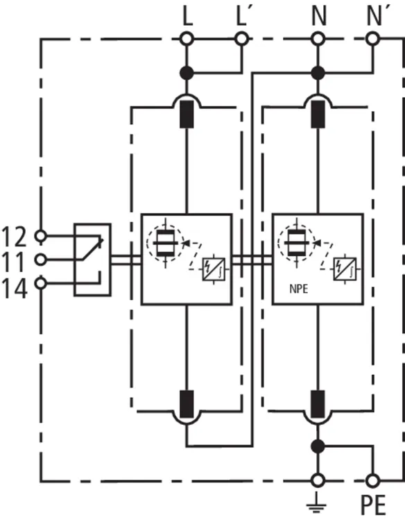
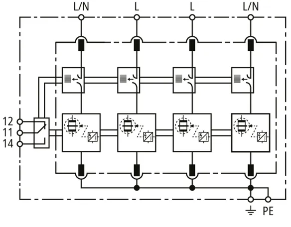
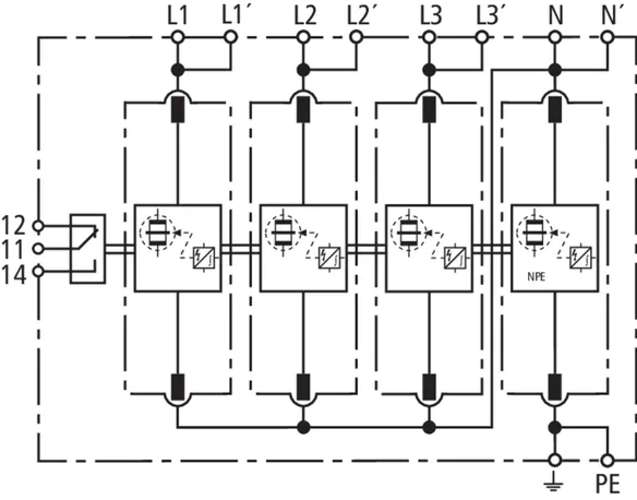
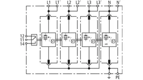
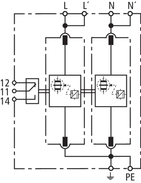
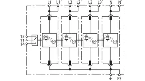
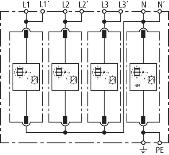
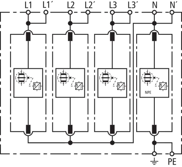
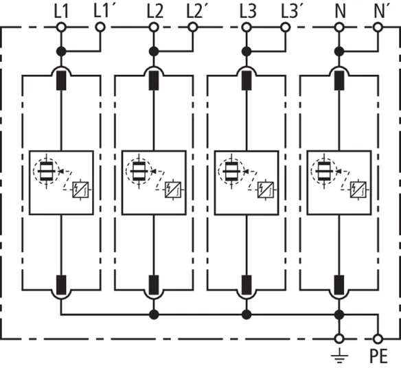
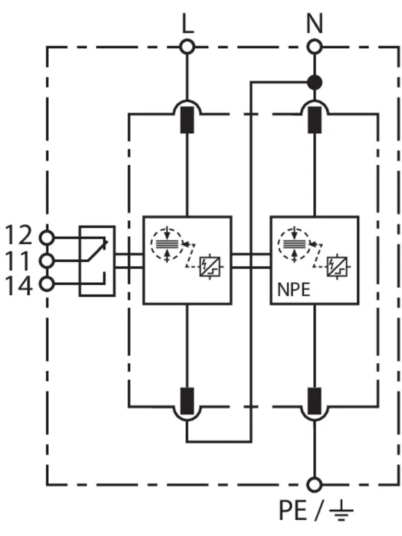
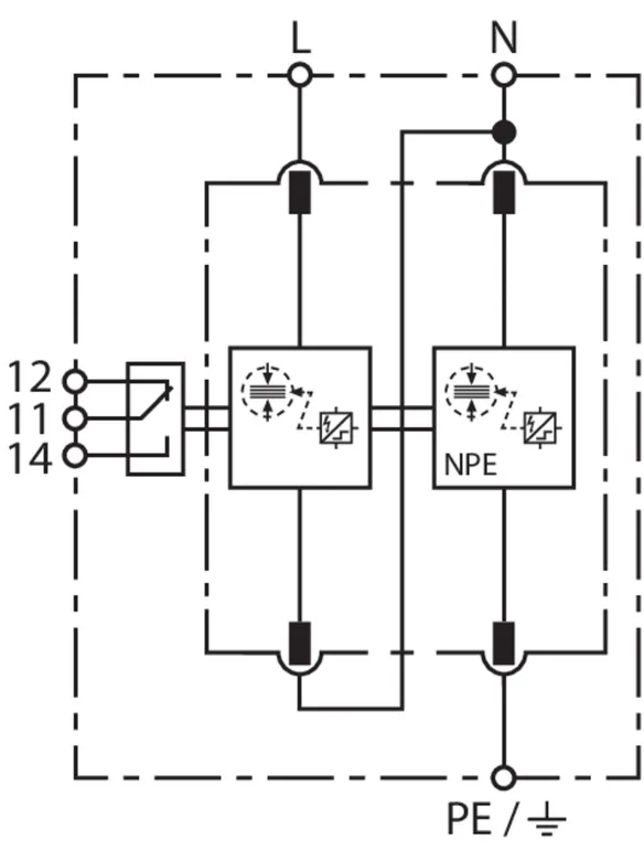
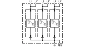
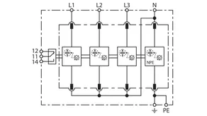
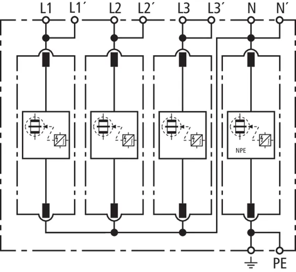
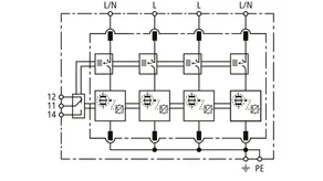
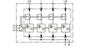
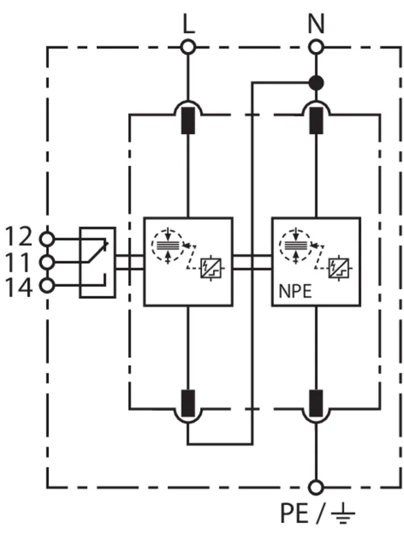
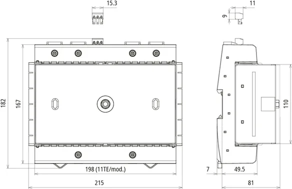
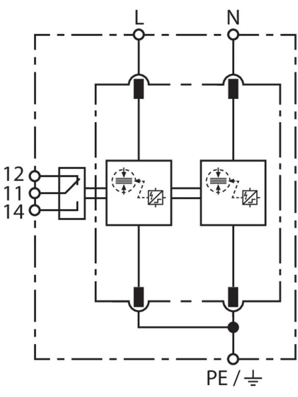
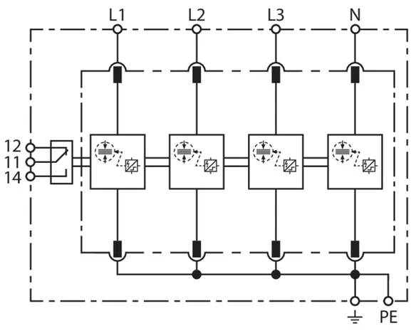
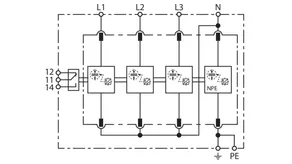
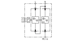
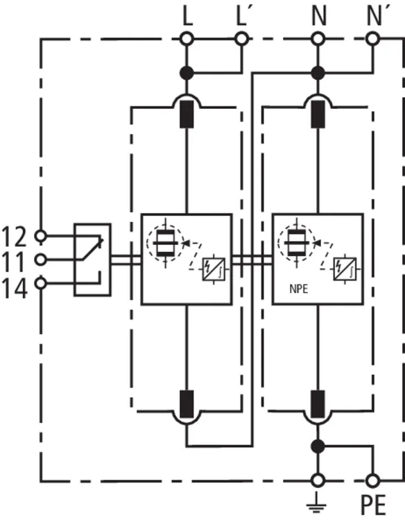
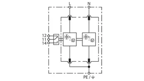
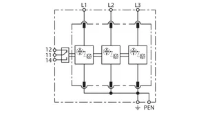
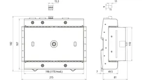
Art. 956315 DV M2 TT 255 FM
GTIN (EAN) 4013364528963, Codice doganale (EU): 85363090, Peso lordo: 616.00 g, UM: 1.00 pz.
Caratteristiche tecniche
| SPD secondo EN 61643-11 / ... IEC 61643-11 | Tipo 1 + Tipo 2 + Tipo 3 / Classe I + Classe II + Classe III | 
| Corrente impulsiva di fulmine (10/350 µs) [L1+L2+L3+N-PE] (Itotal ) | 100 kA | 
| Corrente impulsiva di fulmine (10/350 µs) [L-N]/[N-PE] (Iimp ) | 25 / 100 kA | 
| Livello di protezione [L-N]/[N-PE] (UP ) | ≤ 1,5 / ≤ 1,5 kV | 
| Fusibile di protezione max. (L) fino ICC = 50 kAeff | 250 A gG | 
| Omologazioni | VDE, KEMA, UL | 
| Contatto FM / tipo di contatto | sì / scambio pulito | 
| Dati tecnici aggiuntivi: | Utilizzo in impianti di distribuzione con possibili correnti di cortocircuito maggiori di 50 kAeff | 
| – Corrente di cortocircuito max. prevista | 100 kAeff (220 kApeak ) | 
| Indicazioni aggiuntive: | --------------------------------- | 
| – Livello di protezione [L-PE] (UP ) | 1,8 kV | 
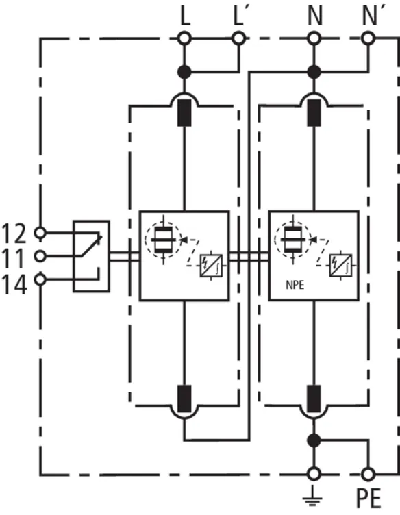
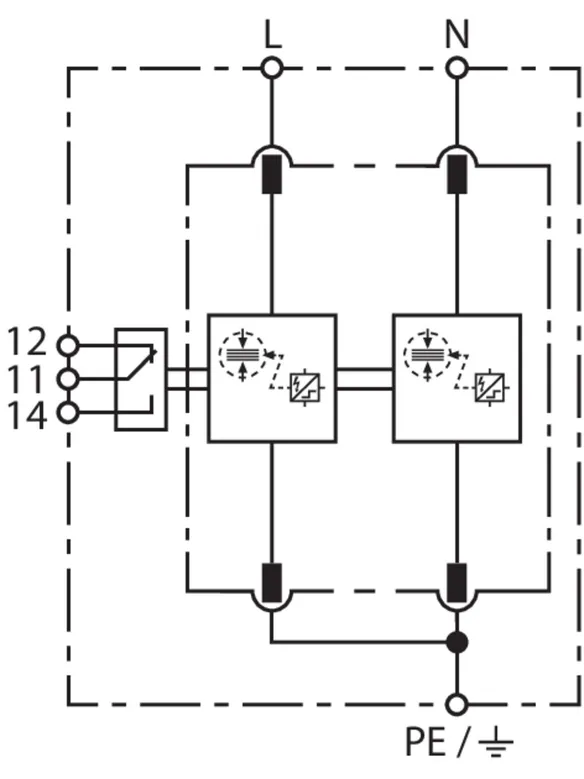
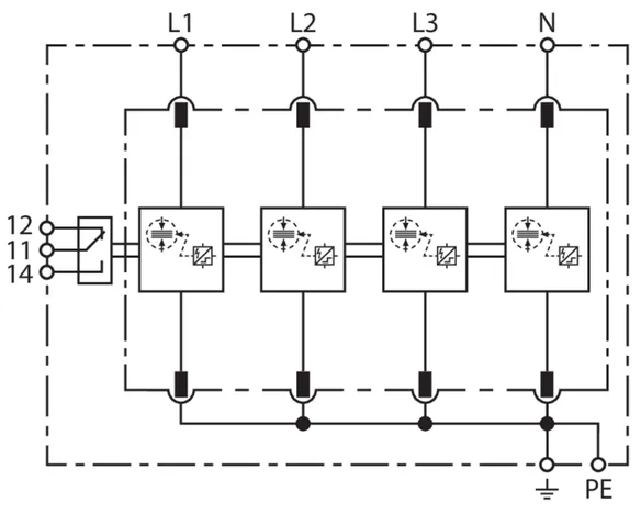
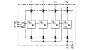
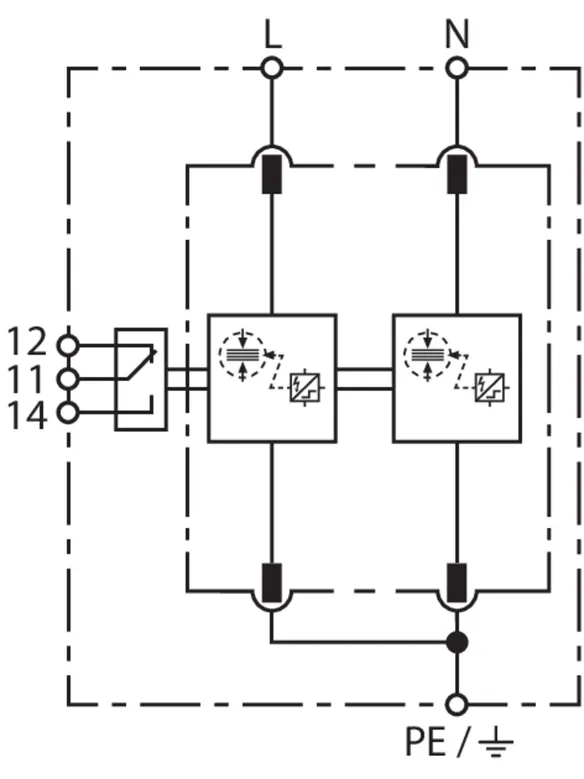
Art. 956205 DV M2 TN 255 FM
GTIN (EAN) 4013364510579, Codice doganale (EU): 85363090, Peso lordo: 311.29 g, UM: 1.00 pz.
PredecessoreCaratteristiche tecniche
| SPD secondo EN 61643-11 / ... IEC 61643-11 | Tipo 1 + Tipo 2 + Tipo 3 / Classe I + Classe II + Classe III | 
| Corrente impulsiva di fulmine (10/350 µs) [L+N-PE] (Itotal ) | 50 kA | 
| Corrente impulsiva di fulmine (10/350 µs) [L, N-PE] (Iimp ) | 25 kA | 
| Livello di protezione [L-PE]/[N-PE] (UP ) | ≤ 1,5 / ≤ 1,5 kV | 
| Fusibile di protezione max. (L) fino ICC = 50 kAeff | 250 A gG | 
| Omologazioni | VDE, KEMA, UL | 
| Contatto FM / tipo di contatto | sì / scambio pulito | 
| Dati tecnici aggiuntivi: | Utilizzo in impianti di distribuzione con possibili correnti di cortocircuito maggiori di 50 kAeff | 
| – Corrente di cortocircuito max. prevista | 100 kAeff (220 kApeak) | 
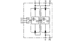
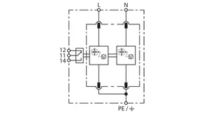
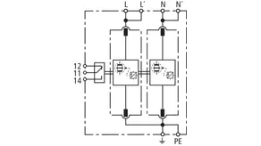
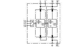
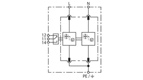
Art. 956115 DV M2 TT 2P 255 FM
GTIN (EAN) 4013364546929, Codice doganale (EU): 85363090, Peso lordo: 327.00 g, UM: 1.00 pz.
Caratteristiche tecniche
| SPD secondo EN 61643-11 / ... IEC 61643-11 | Tipo 1 + Tipo 2 + Tipo 3 / Classe I + Classe II + Classe III | 
| Corrente impulsiva di fulmine (10/350 µs) [L+N-PE] (Itotal ) | 50 kA | 
| Corrente impulsiva di fulmine (10/350 µs) [L-N]/[N-PE] (Iimp ) | 25 / 50 kA | 
| Livello di protezione [L-N]/[N-PE] (UP ) | ≤ 1,5 / ≤ 1,5 kV | 
| Fusibile di protezione max. (L) fino ICC = 50 kAeff | 250 A gG | 
| Omologazioni | VDE, KEMA, UL | 
| Contatto FM / tipo di contatto | sì / scambio pulito | 
| Dati tecnici aggiuntivi: | Utilizzo in impianti di distribuzione con possibili correnti di cortocircuito maggiori di 50 kAeff | 
| – Corrente di cortocircuito max. prevista | 100 kAeff (220 kApeak) | 
| Indicazioni aggiuntive: | --------------------------------- | 
| – Livello di protezione [L-PE] (UP ) | 1,8 kV | 
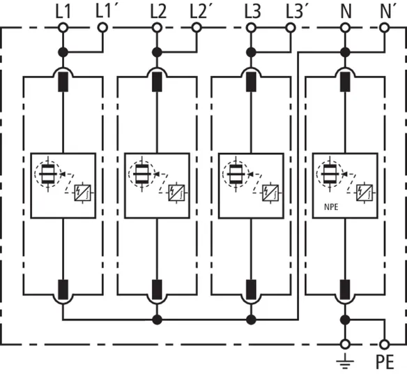
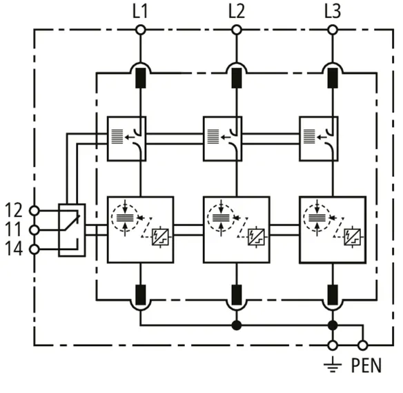
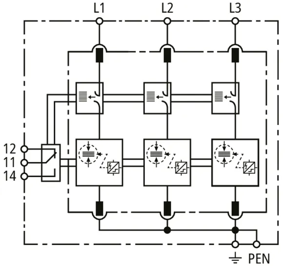
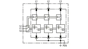
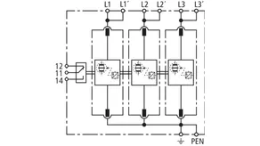
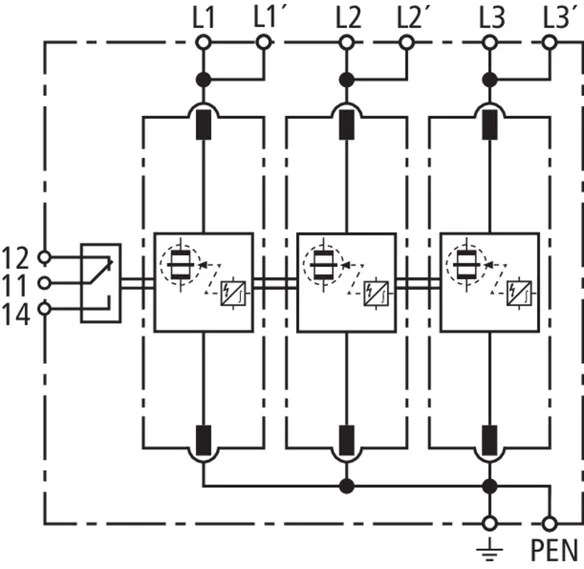
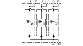
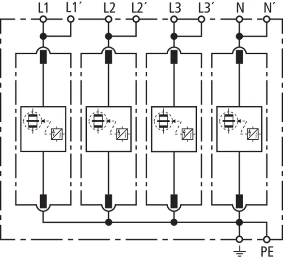
Art. 951300 DV M TNC 255
GTIN (EAN) 4013364108134, Codice doganale (EU): 85363090, Peso lordo: 1004.00 g, UM: 1.00 pz.
PredecessoreCaratteristiche tecniche
| SPD secondo EN 61643-11 / ... IEC 61643-11 | Tipo 1 + Tipo 2 / Classe I + Classe II | 
| Corrente impulsiva di fulmine (10/350 µs) [L1+L2+L3-PEN] (Itotal ) | 75 kA | 
| Corrente impulsiva di fulmine (10/350 µs) [L-PEN] (Iimp ) | 25 kA | 
| Livello di protezione (UP ) | ≤ 1,5 kV | 
| Fusibile di protezione max. (L) fino ICC = 50 kAeff | 315 A gG | 
| Omologazioni | KEMA, VDE, UL | 
| Dati tecnici aggiuntivi: | Utilizzo in impianti di distribuzione con possibili correnti di cortocircuito maggiori di 50 kAeff | 
| – Corrente di cortocircuito max. prevista | 100 kAeff ( 220 kApeak) | 
Art. 951305 DV M TNC 255 FM
GTIN (EAN) 4013364108141, Codice doganale (EU): 85363090, Peso lordo: 1020.00 g, UM: 1.00 pz.
PredecessoreCaratteristiche tecniche
| SPD secondo EN 61643-11 / ... IEC 61643-11 | Tipo 1 + Tipo 2 / Classe I + Classe II | 
| Corrente impulsiva di fulmine (10/350 µs) [L1+L2+L3-PEN] (Itotal ) | 75 kA | 
| Corrente impulsiva di fulmine (10/350 µs) [L-PEN] (Iimp ) | 25 kA | 
| Livello di protezione (UP ) | ≤ 1,5 kV | 
| Fusibile di protezione max. (L) fino ICC = 50 kAeff | 315 A gG | 
| Omologazioni | KEMA, VDE, UL | 
| Contatto FM / tipo di contatto | scambio pulito | 
| Dati tecnici aggiuntivi: | Utilizzo in impianti di distribuzione con possibili correnti di cortocircuito maggiori di 50 kAeff | 
| – Corrente di cortocircuito max. prevista | 100 kAeff (220 kApeak) | 
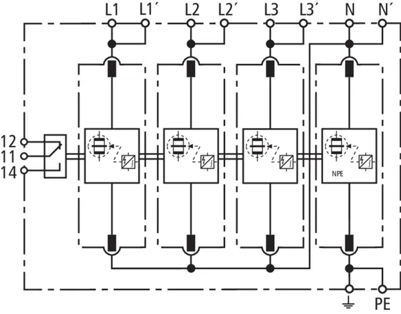
Art. 951400 DV M TNS 255
GTIN (EAN) 4013364108158, Codice doganale (EU): 85363090, Peso lordo: 1.40 kg, UM: 1.00 pz.
PredecessoreCaratteristiche tecniche
| SPD secondo EN 61643-11 / ... IEC 61643-11 | Tipo 1 + Tipo 2 / Classe I + Classe II | 
| Corrente impulsiva di fulmine (10/350 µs) [L1+L2+L3+N-PE] (Itotal ) | 100 kA | 
| Corrente impulsiva di fulmine (10/350 µs) [L, N-PE] (Iimp ) | 25 kA | 
| Livello di protezione [L-PE]/[N-PE] (UP ) | ≤ 1,5 / ≤ 1,5 kV | 
| Fusibile di protezione max. (L) fino ICC = 50 kAeff | 315 A gG | 
| Omologazioni | KEMA, VDE, UL | 
| Dati tecnici aggiuntivi: | Utilizzo in impianti di distribuzione con possibili correnti di cortocircuito maggiori di 50 kAeff | 
| – Corrente di cortocircuito max. prevista | 100 kAeff (220 kApeak) | 
Art. 951405 DV M TNS 255 FM
GTIN (EAN) 4013364108165, Codice doganale (EU): 85363090, Peso lordo: 1.40 kg, UM: 1.00 pz.
PredecessoreCaratteristiche tecniche
| SPD secondo EN 61643-11 / ... IEC 61643-11 | Tipo 1 + Tipo 2 / Classe I + Classe II | 
| Corrente impulsiva di fulmine (10/350 µs) [L1+L2+L3+N-PE] (Itotal ) | 100 kA | 
| Corrente impulsiva di fulmine (10/350 µs) [L, N-PE] (Iimp ) | 25 kA | 
| Livello di protezione [L-PE]/[N-PE] (UP ) | ≤ 1,5 / ≤ 1,5 kV | 
| Fusibile di protezione max. (L) fino ICC = 50 kAeff | 315 A gG | 
| Omologazioni | KEMA, VDE, UL | 
| Contatto FM / tipo di contatto | scambio pulito | 
| Dati tecnici aggiuntivi: | Utilizzo in impianti di distribuzione con possibili correnti di cortocircuito maggiori di 50 kAeff | 
| – Corrente di cortocircuito max. prevista | 100 kAeff (220 kApeak) | 
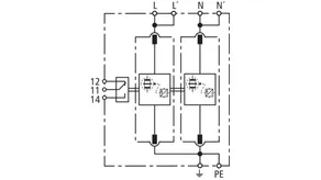
Art. 951310 DV M TT 255
GTIN (EAN) 4013364108172, Codice doganale (EU): 85363090, Peso lordo: 1.31 kg, UM: 1.00 pz.
PredecessoreCaratteristiche tecniche
| SPD secondo EN 61643-11 / ... IEC 61643-11 | Tipo 1 + Tipo 2 / Classe I + Classe II | 
| Corrente impulsiva di fulmine (10/350 µs) [L1+L2+L3+N-PE] (Itotal ) | 100 kA | 
| Corrente impulsiva di fulmine (10/350 µs) [L-N]/[N-PE] (Iimp ) | 25 / 100 kA | 
| Livello di protezione [L-N]/[N-PE] (UP ) | ≤ 1,5 / ≤ 1,5 kV | 
| Fusibile di protezione max. (L) fino ICC = 50 kAeff | 315 A gG | 
| Omologazioni | KEMA, VDE, UL | 
| Dati tecnici aggiuntivi: | Utilizzo in impianti di distribuzione con possibili correnti di cortocircuito maggiori di 50 kAeff | 
| – Corrente di cortocircuito max. prevista | 100 kAeff (220 kApeak) | 
| Indicazioni aggiuntive: | --------------------------------- | 
| – Livello di protezione [L-PE] (UP ) | 2,2 kV | 
Art. 951315 DV M TT 255 FM
GTIN (EAN) 4013364108189, Codice doganale (EU): 85363090, Peso lordo: 1.32 kg, UM: 1.00 pz.
PredecessoreCaratteristiche tecniche
| SPD secondo EN 61643-11 / ... IEC 61643-11 | Tipo 1 + Tipo 2 / Classe I + Classe II | 
| Corrente impulsiva di fulmine (10/350 µs) [L1+L2+L3+N-PE] (Itotal ) | 100 kA | 
| Corrente impulsiva di fulmine (10/350 µs) [L-N]/[N-PE] (Iimp ) | 25 / 100 kA | 
| Livello di protezione [L-N]/[N-PE] (UP ) | ≤ 1,5 / ≤ 1,5 kV | 
| Fusibile di protezione max. (L) fino ICC = 50 kAeff | 315 A gG | 
| Omologazioni | KEMA, VDE, UL | 
| Contatto FM / tipo di contatto | scambio pulito | 
| Dati tecnici aggiuntivi: | Utilizzo in impianti di distribuzione con possibili correnti di cortocircuito maggiori di 50 kAeff | 
| – Corrente di cortocircuito max. prevista | 100 kAeff (220 kApeak ) | 
| Indicazioni aggiuntive: | --------------------------------- | 
| – Livello di protezione [L-PE] (UP ) | 2,2 kV | 
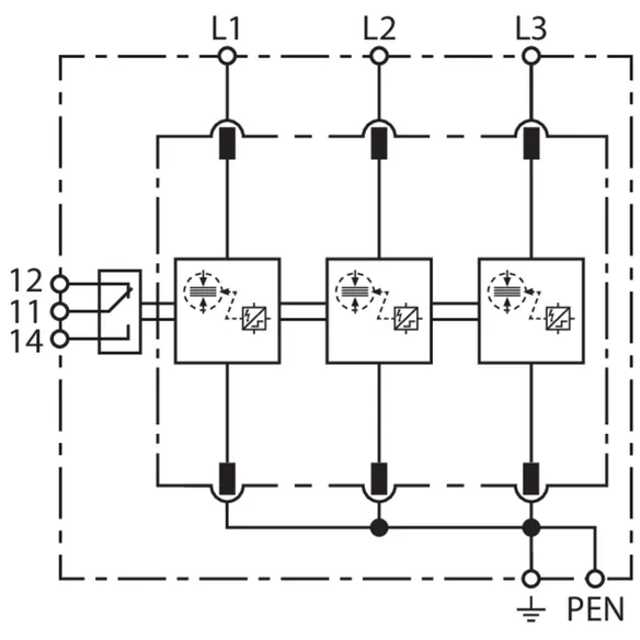
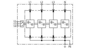
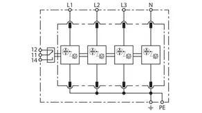
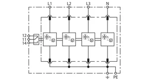
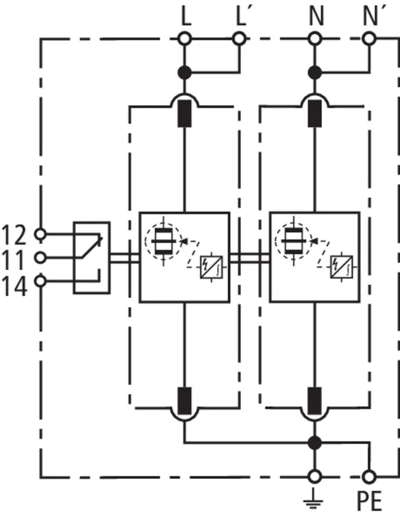
Art. 951200 DV M TN 255
GTIN (EAN) 4013364108097, Codice doganale (EU): 85363090, Peso lordo: 754.00 g, UM: 1.00 pz.
PredecessoreCaratteristiche tecniche
| SPD secondo EN 61643-11 / ... IEC 61643-11 | Tipo 1 + Tipo 2 / Classe I + Classe II | 
| Corrente impulsiva di fulmine (10/350 µs) [L+N-PE] (Itotal ) | 50 kA | 
| Corrente impulsiva di fulmine (10/350 µs) [L, N-PE] (Iimp ) | 25 kA | 
| Livello di protezione [L-PE]/[N-PE] (UP ) | ≤ 1,5 / ≤ 1,5 kV | 
| Fusibile di protezione max. (L) fino ICC = 50 kAeff | 315 A gG | 
| Omologazioni | KEMA, VDE, UL | 
| Dati tecnici aggiuntivi: | Utilizzo in impianti di distribuzione con possibili correnti di cortocircuito maggiori di 50 kAeff | 
| – Corrente di cortocircuito max. prevista | 100 kAeff (220 kApeak) | 
Art. 951205 DV M TN 255 FM
GTIN (EAN) 4013364108103, Codice doganale (EU): 85363090, Peso lordo: 698.50 g, UM: 1.00 pz.
PredecessoreCaratteristiche tecniche
| SPD secondo EN 61643-11 / ... IEC 61643-11 | Tipo 1 + Tipo 2 / Classe I + Classe II | 
| Corrente impulsiva di fulmine (10/350 µs) [L+N-PE] (Itotal ) | 50 kA | 
| Corrente impulsiva di fulmine (10/350 µs) [L, N-PE] (Iimp ) | 25 kA | 
| Livello di protezione [L-PE]/[N-PE] (UP ) | ≤ 1,5 / ≤ 1,5 kV | 
| Fusibile di protezione max. (L) fino ICC = 50 kAeff | 315 A gG | 
| Omologazioni | KEMA, VDE, UL | 
| Contatto FM / tipo di contatto | scambio pulito | 
| Dati tecnici aggiuntivi: | Utilizzo in impianti di distribuzione con possibili correnti di cortocircuito maggiori di 50 kAeff | 
| – Corrente di cortocircuito max. prevista | 100 kAeff (220 kApeak) | 
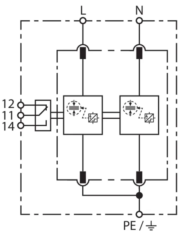
Art. 951110 DV M TT 2P 255
GTIN (EAN) 4013364108110, Codice doganale (EU): 85363090, Peso lordo: 688.59 g, UM: 1.00 pz.
PredecessoreCaratteristiche tecniche
| SPD secondo EN 61643-11 / ... IEC 61643-11 | Tipo 1 + Tipo 2 / Classe I + Classe II | 
| Corrente impulsiva di fulmine (10/350 µs) [L+N-PE] (Itotal ) | 50 kA | 
| Corrente impulsiva di fulmine (10/350 µs) [L-N]/[N-PE] (Iimp ) | 25 / 50 kA | 
| Livello di protezione [L-N]/[N-PE] (UP ) | ≤ 1,5 / ≤ 1,5 kV | 
| Fusibile di protezione max. (L) fino ICC = 50 kAeff | 315 A gG | 
| Omologazioni | KEMA, VDE, UL | 
| Dati tecnici aggiuntivi: | Utilizzo in impianti di distribuzione con possibili correnti di cortocircuito maggiori di 50 kAeff | 
| – Corrente di cortocircuito max. prevista | 100 kAeff (220 kApeak) | 
| Indicazioni aggiuntive: | --------------------------------- | 
| – Livello di protezione [L-PE] (UP ) | 2,2 kV | 
Art. 951115 DV M TT 2P 255 FM
GTIN (EAN) 4013364108127, Codice doganale (EU): 85363090, Peso lordo: 694.38 g, UM: 1.00 pz.
PredecessoreCaratteristiche tecniche
| SPD secondo EN 61643-11 / ... IEC 61643-11 | Tipo 1 + Tipo 2 / Classe I + Classe II | 
| Corrente impulsiva di fulmine (10/350 µs) [L+N-PE] (Itotal ) | 50 kA | 
| Corrente impulsiva di fulmine (10/350 µs) [L-N]/[N-PE] (Iimp ) | 25 / 50 kA | 
| Livello di protezione [L-N]/[N-PE] (UP ) | ≤ 1,5 / ≤ 1,5 kV | 
| Fusibile di protezione max. (L) fino ICC = 50 kAeff | 315 A gG | 
| Omologazioni | KEMA, VDE, UL | 
| Contatto FM / tipo di contatto | scambio pulito | 
| Dati tecnici aggiuntivi: | Utilizzo in impianti di distribuzione con possibili correnti di cortocircuito maggiori di 50 kAeff | 
| – Corrente di cortocircuito max. prevista | 100 kAeff (220 kApeak) | 
| Indicazioni aggiuntive: | --------------------------------- | 
| – Livello di protezione [L-PE] (UP ) | 2,2 kV | 
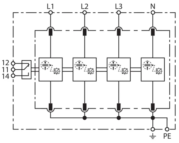
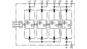
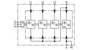
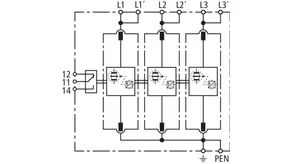
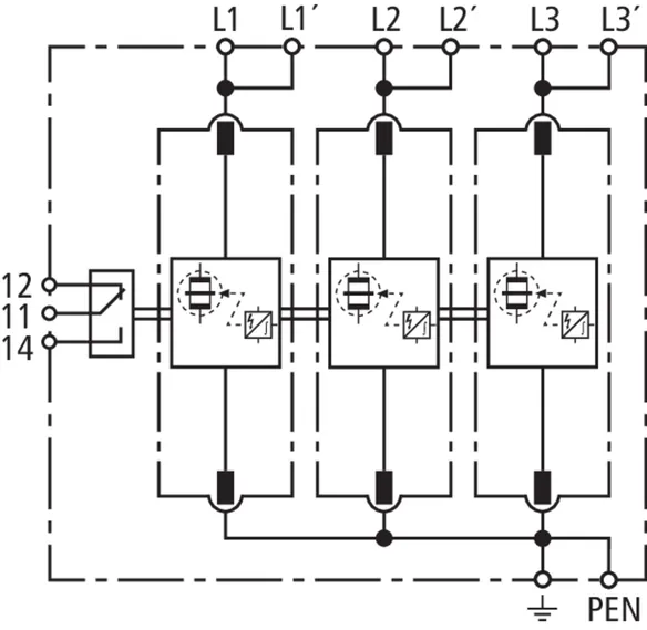
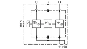
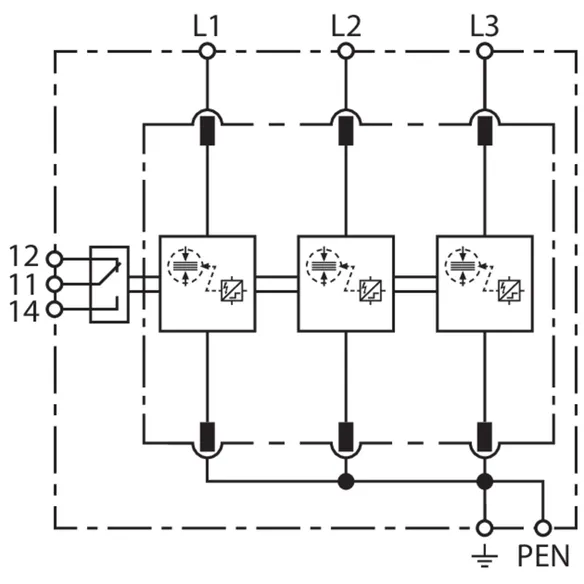
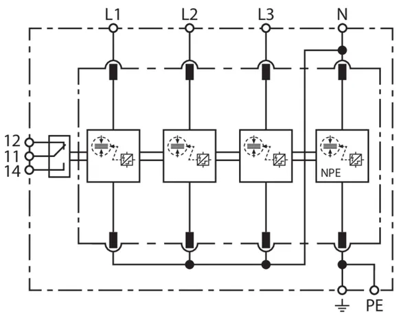
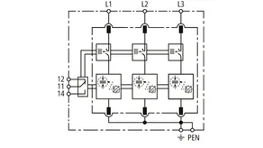
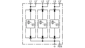
Art. 961305 DV ACI M TNC 264 FM
GTIN (EAN) 4013364513440, Codice doganale (EU): 85363090, Peso lordo: 2.42 kg, UM: 1.00 pz.
Caratteristiche tecniche
| SPD secondo EN 61673-11 / IEC 61643-11 | Tipo 1 + tipo 2 + tipo 3 / classe I + classe II + classe III | 
| Corrente impulsiva di fulmine (10/350 µs) [L1+L2+L3-PEN] (Itotal ) | 75 kA | 
| Corrente impulsiva di fulmine (10/350 µs) [L-PEN] (Iimp ) | 25 kA | 
| Livello di protezione (UP ) | ≤ 1,5 kV | 
| Dati tecnici aggiuntivi: | Utilizzo in impianti di distribuzione con possibili correnti di cortocircuito maggiori di 50 kAeff | 
| – Corrente di cortocircuito max. prevista | 100 kAeff (220 kApeak) | 
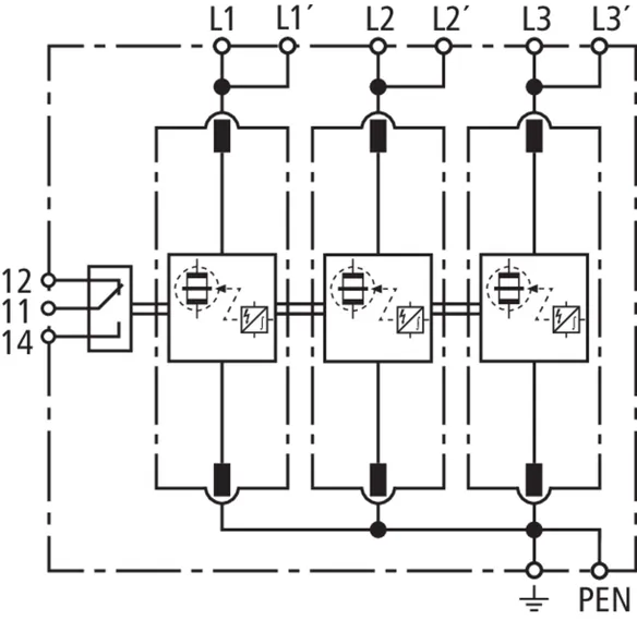
Art. 961405 DV ACI M TNS 264 FM
GTIN (EAN) 4013364513365, Codice doganale (EU): 85363090, Peso lordo: 2.42 kg, UM: 1.00 pz.
Caratteristiche tecniche
| SPD secondo EN 61673-11 / IEC 61643-11 | Tipo 1 + tipo 2 + tipo 3 / classe I + classe II + classe III | 
| Corrente impulsiva di fulmine (10/350 µs) [L1+L2+L3+N-PE] (Itotal ) | 100 kA | 
| Corrente impulsiva di fulmine (10/350 µs) [L, N-PE] (Iimp ) | 25 kA | 
| Livello di protezione [L-PE]/[N-PE] (UP ) | ≤ 1,5 kV | 
| Dati tecnici aggiuntivi: | Utilizzo in impianti di distribuzione con possibili correnti di cortocircuito maggiori di 50 kAeff | 
| – Corrente di cortocircuito max. prevista | 100 kAeff (220 kApeak) | 
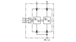
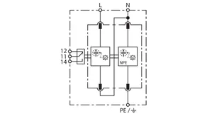
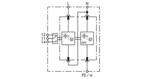
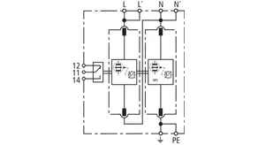
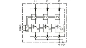
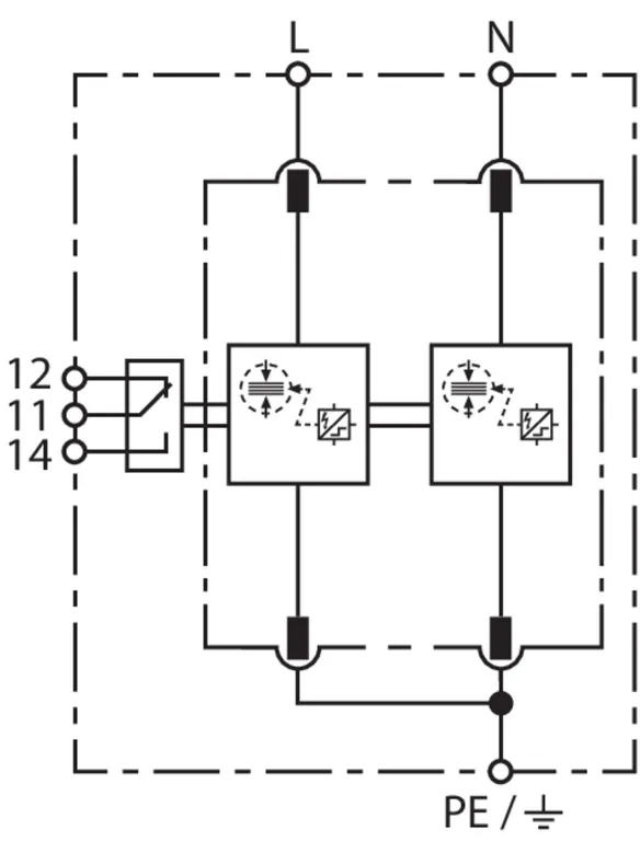
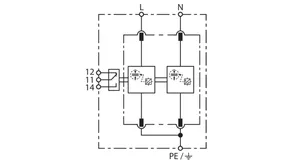
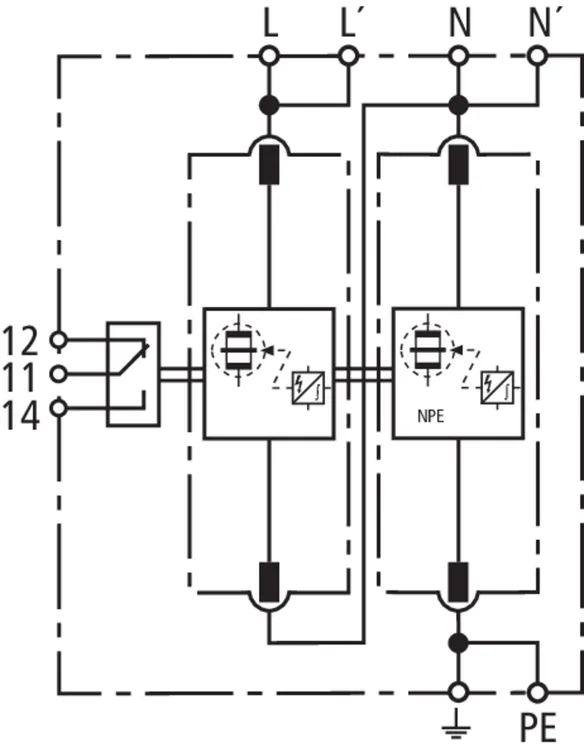
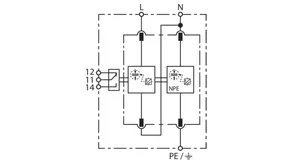
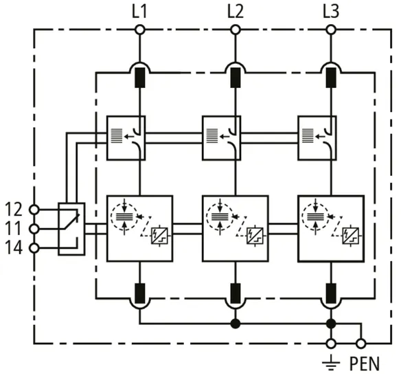
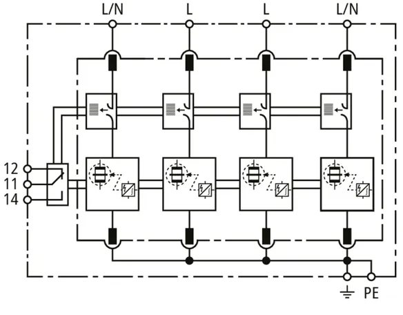
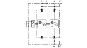
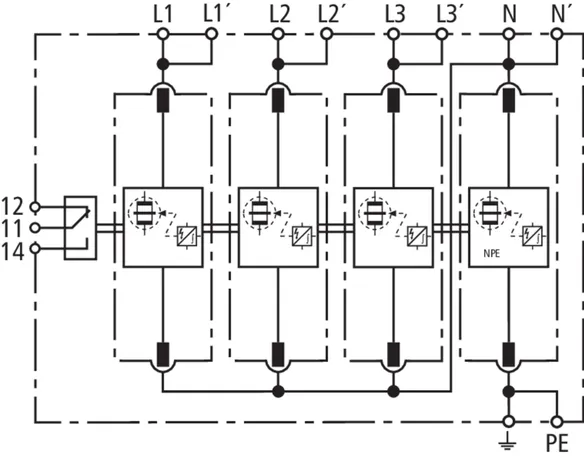
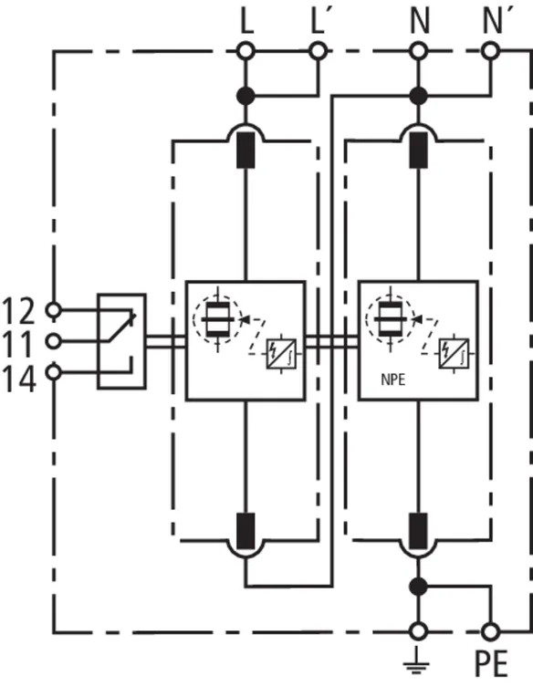
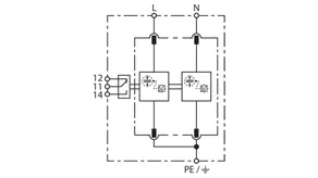
DEHNventil M2 880 FM
Set costituito da scaricatori di corrente di fulmine e di sovratensione innestabili, inclusa barra di cablaggio del modulo isolata applicabile in sistemi a inverter con anti-PID attivo, con offset DC massimo pari a 750 V DC. Collegamento degli impianti di messa a terra conforme alla norma IEC 60364-4-44, Tabella 44.A1 - collegamento tra RE e Z e tra RE e RA.
1 Prodotto
Art. 961151 DV M2 880 FM
GTIN (EAN) 4013364532557, Codice doganale (EU): 85363090, Peso lordo: 1.07 kg, UM: 1.00 pz.
Caratteristiche tecniche
| SPD secondo EN 61643-11 / ... IEC 61643-11 | Tipo 1 + Tipo 2 / Classe I + Classe II | 
| Corrente di fulmine (10/350 µs) [1,2-3] (Iimp ) | 12,5 kA | 
| Fusibile di protezione max. (L) fino ICC = 50 kAeff | 160 A gG | 
| Contatto FM / tipo di contatto | sì / contatto di scambio | 
| Indicazioni aggiuntive: | --------------------------------- | 
| – Tensione anti-PID (U1-3 + UPID ) | 508 VAC + 750 VDC – Tenuta | 
:quality(98)/www.dehn.it/store/f/63454964/HDVORSCHAU/956305.jpg) 
                                
                                :quality(98)/www.dehn.it/store/f/63454964/HDVORSCHAU/956305.jpg) 
                                    
                                        
                                    
                                    
                                :quality(98)/www.dehn.it/store/f/63454965/HDVORSCHAU/954305p.jpg) 
                                
                                :quality(98)/www.dehn.it/store/f/63454965/HDVORSCHAU/954305p.jpg) 
                                    
                                        :quality(98)/www.dehn.it/store/f/63454966/HDVORSCHAU/954305m_D.jpg) 
                                
                                :quality(98)/www.dehn.it/store/f/63454966/HDVORSCHAU/954305m_D.jpg) 
                                    
                                         
                 
                 
                 
                 
                
:quality(98)/www.dehn.it/store/f/63455004/HDVORSCHAU/956405.jpg) 
                                
                                :quality(98)/www.dehn.it/store/f/63455004/HDVORSCHAU/956405.jpg) 
                                    
                                        
                                    
                                    
                                :quality(98)/www.dehn.it/store/f/63455005/HDVORSCHAU/954405p.jpg) 
                                
                                :quality(98)/www.dehn.it/store/f/63455005/HDVORSCHAU/954405p.jpg) 
                                    
                                        :quality(98)/www.dehn.it/store/f/63455006/HDVORSCHAU/954315+405m_D.jpg) 
                                
                                :quality(98)/www.dehn.it/store/f/63455006/HDVORSCHAU/954315+405m_D.jpg) 
                                    
                                        :quality(98)/www.dehn.it/store/f/63455024/HDVORSCHAU/956315.jpg) 
                                
                                :quality(98)/www.dehn.it/store/f/63455024/HDVORSCHAU/956315.jpg) 
                                    
                                        
                                    
                                    
                                :quality(98)/www.dehn.it/store/f/63455025/HDVORSCHAU/954315p.jpg) 
                                
                                :quality(98)/www.dehn.it/store/f/63455025/HDVORSCHAU/954315p.jpg) 
                                    
                                        :quality(98)/www.dehn.it/store/f/63455026/HDVORSCHAU/954315+405m_D.jpg) 
                                
                                :quality(98)/www.dehn.it/store/f/63455026/HDVORSCHAU/954315+405m_D.jpg) 
                                    
                                        :quality(98)/www.dehn.it/store/f/63455047/HDVORSCHAU/956205.jpg) 
                                
                                :quality(98)/www.dehn.it/store/f/63455047/HDVORSCHAU/956205.jpg) 
                                    
                                        
                                    
                                    
                                :quality(98)/www.dehn.it/store/f/63455048/HDVORSCHAU/954205p.jpg) 
                                
                                :quality(98)/www.dehn.it/store/f/63455048/HDVORSCHAU/954205p.jpg) 
                                    
                                        :quality(98)/www.dehn.it/store/f/63455049/HDVORSCHAU/954115+205m_D.jpg) 
                                
                                :quality(98)/www.dehn.it/store/f/63455049/HDVORSCHAU/954115+205m_D.jpg) 
                                    
                                        :quality(98)/www.dehn.it/store/f/63455068/HDVORSCHAU/956115.jpg) 
                                
                                :quality(98)/www.dehn.it/store/f/63455068/HDVORSCHAU/956115.jpg) 
                                    
                                        
                                    
                                    
                                :quality(98)/www.dehn.it/store/f/63455069/HDVORSCHAU/954115p.jpg) 
                                
                                :quality(98)/www.dehn.it/store/f/63455069/HDVORSCHAU/954115p.jpg) 
                                    
                                        :quality(98)/www.dehn.it/store/f/63455070/HDVORSCHAU/954115+205m_D.jpg) 
                                
                                :quality(98)/www.dehn.it/store/f/63455070/HDVORSCHAU/954115+205m_D.jpg) 
                                    
                                        :quality(98)/www.dehn.it/store/f/63455091/HDVORSCHAU/951300.jpg) 
                                
                                :quality(98)/www.dehn.it/store/f/63455091/HDVORSCHAU/951300.jpg) 
                                    
                                        
                                    
                                    
                                :quality(98)/www.dehn.it/store/f/63455092/HDVORSCHAU/951300p.jpg) 
                                
                                :quality(98)/www.dehn.it/store/f/63455092/HDVORSCHAU/951300p.jpg) 
                                    
                                        :quality(98)/www.dehn.it/store/f/63455093/HDVORSCHAU/951300m_D.jpg) 
                                
                                :quality(98)/www.dehn.it/store/f/63455093/HDVORSCHAU/951300m_D.jpg) 
                                    
                                         
        	:quality(98)/www.dehn.it/store/f/63455130/HDVORSCHAU/951305.jpg) 
                                
                                :quality(98)/www.dehn.it/store/f/63455130/HDVORSCHAU/951305.jpg) 
                                    
                                        
                                    
                                    
                                :quality(98)/www.dehn.it/store/f/63455131/HDVORSCHAU/951305p.jpg) 
                                
                                :quality(98)/www.dehn.it/store/f/63455131/HDVORSCHAU/951305p.jpg) 
                                    
                                        :quality(98)/www.dehn.it/store/f/63455132/HDVORSCHAU/951305m_D.jpg) 
                                
                                :quality(98)/www.dehn.it/store/f/63455132/HDVORSCHAU/951305m_D.jpg) 
                                    
                                        :quality(98)/www.dehn.it/store/f/63455145/HDVORSCHAU/951400.jpg) 
                                
                                :quality(98)/www.dehn.it/store/f/63455145/HDVORSCHAU/951400.jpg) 
                                    
                                        
                                    
                                    
                                :quality(98)/www.dehn.it/store/f/63455146/HDVORSCHAU/951400p.jpg) 
                                
                                :quality(98)/www.dehn.it/store/f/63455146/HDVORSCHAU/951400p.jpg) 
                                    
                                        :quality(98)/www.dehn.it/store/f/63455147/HDVORSCHAU/951400_310m_D.jpg) 
                                
                                :quality(98)/www.dehn.it/store/f/63455147/HDVORSCHAU/951400_310m_D.jpg) 
                                    
                                        :quality(98)/www.dehn.it/store/f/63455156/HDVORSCHAU/951405.jpg) 
                                
                                :quality(98)/www.dehn.it/store/f/63455156/HDVORSCHAU/951405.jpg) 
                                    
                                        
                                    
                                    
                                :quality(98)/www.dehn.it/store/f/63455157/HDVORSCHAU/951405p.jpg) 
                                
                                :quality(98)/www.dehn.it/store/f/63455157/HDVORSCHAU/951405p.jpg) 
                                    
                                        :quality(98)/www.dehn.it/store/f/63455158/HDVORSCHAU/951405_315m_IT.jpg) 
                                
                                :quality(98)/www.dehn.it/store/f/63455158/HDVORSCHAU/951405_315m_IT.jpg) 
                                    
                                        :quality(98)/www.dehn.it/store/f/63455171/HDVORSCHAU/951310.jpg) 
                                
                                :quality(98)/www.dehn.it/store/f/63455171/HDVORSCHAU/951310.jpg) 
                                    
                                        
                                    
                                    
                                :quality(98)/www.dehn.it/store/f/63455172/HDVORSCHAU/951310p.jpg) 
                                
                                :quality(98)/www.dehn.it/store/f/63455172/HDVORSCHAU/951310p.jpg) 
                                    
                                        :quality(98)/www.dehn.it/store/f/63455173/HDVORSCHAU/951400_310m_D.jpg) 
                                
                                :quality(98)/www.dehn.it/store/f/63455173/HDVORSCHAU/951400_310m_D.jpg) 
                                    
                                        :quality(98)/www.dehn.it/store/f/63455185/HDVORSCHAU/951315.jpg) 
                                
                                :quality(98)/www.dehn.it/store/f/63455185/HDVORSCHAU/951315.jpg) 
                                    
                                        
                                    
                                    
                                :quality(98)/www.dehn.it/store/f/63455186/HDVORSCHAU/951315p.jpg) 
                                
                                :quality(98)/www.dehn.it/store/f/63455186/HDVORSCHAU/951315p.jpg) 
                                    
                                        :quality(98)/www.dehn.it/store/f/63455187/HDVORSCHAU/951405_315m_IT.jpg) 
                                
                                :quality(98)/www.dehn.it/store/f/63455187/HDVORSCHAU/951405_315m_IT.jpg) 
                                    
                                        :quality(98)/www.dehn.it/store/f/63455200/HDVORSCHAU/951200.jpg) 
                                
                                :quality(98)/www.dehn.it/store/f/63455200/HDVORSCHAU/951200.jpg) 
                                    
                                        
                                    
                                    
                                :quality(98)/www.dehn.it/store/f/63455201/HDVORSCHAU/951200p.jpg) 
                                
                                :quality(98)/www.dehn.it/store/f/63455201/HDVORSCHAU/951200p.jpg) 
                                    
                                        :quality(98)/www.dehn.it/store/f/63455202/HDVORSCHAU/951200_110m_D.jpg) 
                                
                                :quality(98)/www.dehn.it/store/f/63455202/HDVORSCHAU/951200_110m_D.jpg) 
                                    
                                        :quality(98)/www.dehn.it/store/f/63455211/HDVORSCHAU/951205.jpg) 
                                
                                :quality(98)/www.dehn.it/store/f/63455211/HDVORSCHAU/951205.jpg) 
                                    
                                        
                                    
                                    
                                :quality(98)/www.dehn.it/store/f/63455212/HDVORSCHAU/951205p.jpg) 
                                
                                :quality(98)/www.dehn.it/store/f/63455212/HDVORSCHAU/951205p.jpg) 
                                    
                                        :quality(98)/www.dehn.it/store/f/63455213/HDVORSCHAU/951205_115m_IT.jpg) 
                                
                                :quality(98)/www.dehn.it/store/f/63455213/HDVORSCHAU/951205_115m_IT.jpg) 
                                    
                                        :quality(98)/www.dehn.it/store/f/63455227/HDVORSCHAU/951110.jpg) 
                                
                                :quality(98)/www.dehn.it/store/f/63455227/HDVORSCHAU/951110.jpg) 
                                    
                                        
                                    
                                    
                                :quality(98)/www.dehn.it/store/f/63455228/HDVORSCHAU/951110p.jpg) 
                                
                                :quality(98)/www.dehn.it/store/f/63455228/HDVORSCHAU/951110p.jpg) 
                                    
                                        :quality(98)/www.dehn.it/store/f/63455229/HDVORSCHAU/951200_110m_D.jpg) 
                                
                                :quality(98)/www.dehn.it/store/f/63455229/HDVORSCHAU/951200_110m_D.jpg) 
                                    
                                        :quality(98)/www.dehn.it/store/f/63455244/HDVORSCHAU/951115.jpg) 
                                
                                :quality(98)/www.dehn.it/store/f/63455244/HDVORSCHAU/951115.jpg) 
                                    
                                        
                                    
                                    
                                :quality(98)/www.dehn.it/store/f/63455245/HDVORSCHAU/951115p.jpg) 
                                
                                :quality(98)/www.dehn.it/store/f/63455245/HDVORSCHAU/951115p.jpg) 
                                    
                                        :quality(98)/www.dehn.it/store/f/63455246/HDVORSCHAU/951205_115m_IT.jpg) 
                                
                                :quality(98)/www.dehn.it/store/f/63455246/HDVORSCHAU/951205_115m_IT.jpg) 
                                    
                                        :quality(98)/www.dehn.it/store/f/63455253/HDVORSCHAU/961305_o.Zul.jpg) 
                                
                                :quality(98)/www.dehn.it/store/f/63455253/HDVORSCHAU/961305_o.Zul.jpg) 
                                    
                                        
                                    
                                    
                                :quality(98)/www.dehn.it/store/f/63455254/HDVORSCHAU/961305p.jpg) 
                                
                                :quality(98)/www.dehn.it/store/f/63455254/HDVORSCHAU/961305p.jpg) 
                                    
                                        :quality(98)/www.dehn.it/store/f/63455255/HDVORSCHAU/961305m_de_en.jpg) 
                                
                                :quality(98)/www.dehn.it/store/f/63455255/HDVORSCHAU/961305m_de_en.jpg) 
                                    
                                         
            :quality(98)/www.dehn.it/store/f/63455261/HDVORSCHAU/961405_o.Zul..jpg) 
                                
                                :quality(98)/www.dehn.it/store/f/63455261/HDVORSCHAU/961405_o.Zul..jpg) 
                                    
                                        
                                    
                                    
                                :quality(98)/www.dehn.it/store/f/63455262/HDVORSCHAU/961405p.jpg) 
                                
                                :quality(98)/www.dehn.it/store/f/63455262/HDVORSCHAU/961405p.jpg) 
                                    
                                        :quality(98)/www.dehn.it/store/f/63455263/HDVORSCHAU/961405m_DE_EN.jpg) 
                                
                                :quality(98)/www.dehn.it/store/f/63455263/HDVORSCHAU/961405m_DE_EN.jpg) 
                                    
                                        :quality(98)/www.dehn.it/store/f/63455272/HDVORSCHAU/961151.jpg) 
                                
                                :quality(98)/www.dehn.it/store/f/63455272/HDVORSCHAU/961151.jpg) 
                                    
                                        
                                    
                                    
                                :quality(98)/www.dehn.it/store/f/63455273/HDVORSCHAU/961151p.jpg) 
                                
                                :quality(98)/www.dehn.it/store/f/63455273/HDVORSCHAU/961151p.jpg) 
                                    
                                        :quality(98)/www.dehn.it/store/f/63455274/HDVORSCHAU/961151m_D.jpg) 
                                
                                :quality(98)/www.dehn.it/store/f/63455274/HDVORSCHAU/961151m_D.jpg)