Set di collegamento e ponticellamento per armature

Set di collegamento e ponticellamento per utilizzare come calata i ferri di armatura (longitudinali) dei sostegni in cemento armato o delle pareti. Con l’utilizzo di uno dei ferri d’armatura dei sostegni in cemento armato, è possibile evitare l’installazione aggiuntiva di conduttori a sezione tonda (Fe/tZn) per la protezione dai fulmini / messa a terra / equipotenzialità. Il collegamento elettricamente rilevante viene realizzato sull’intera lunghezza del sostegno in cemento armato tramite un ferro d’armatura verticale.

Maggior informazioni

Set di collegamento

2 Prodotti

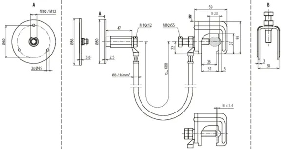
Art. 416940 UES 16 L600 VK RD8 28 FL30 EFP

GTIN (EAN) 4013364360280, Codice doganale (EU): 85359000, Peso lordo: 530.00 g, UM: 25.00 pz.


Immagini

Maggior informazioni

Set di collegamento costituito da
conduttore di collegamento con morsetto di collegamento
connesso e punto fisso di messa a terra
per la messa in sicurezza del collegamento elettrico
del punto fisso di messa a terra con
l’armatura / i ferri di armatura
Tramite il set di collegamento si realizza
il collegamento elettrico sicuro
di un determinato ferro di armatura
(ferro longitudinale), utilizzato come
calata, a dispositivi di captazione,
elementi di facciate, rotaie per gru,
sistemi portacavi, impianti di messa a terra,
collegamenti equipotenziali funzionali, ecc.
Materiale del morsetto di collegamento: Fe/non zincato
Campo di serraggio Td morsetto di collegamento: 8-28 mm
Campo di serraggio Pt morsetto di collegamento: 30 x 3-4 mm
Materiale del punto fisso di messa a terra: Inox (V4A)
Filetto di connessione del punto fisso di messa a terra: M10 / M12
Materiale della corda di ponticellamento: Conduttore di rame flessibile, resistente al gelo
Lunghezza del conduttore della corda di ponticellamento: 600 mm
Sezione del conduttore della corda di ponticellamento: 16 mm2
Riferimento normativo: CEI EN 62561-1

Fabbricato: DEHN
Tipo: UES 16 L600 VK RD8 28 FL30 EFP
Art.: 416940
o similare.

Certificati

 

Caratteristiche tecniche

Materiale del morsetto di collegamento Fe/non zincato
Campo di serraggio Td morsetto di collegamento 8-28 mm
Campo di serraggio Pt morsetto di collegamento 30 x 3-4 mm
Materiale del punto fisso di messa a terra Inox (V4A)
Filetto di connessione del punto fisso di messa a terra M10 / M12
Materiale della corda di ponticellamento Conduttore di rame flessibile, resistente al gelo
Lunghezza del conduttore della corda di ponticellamento 600 mm
Sezione del conduttore della corda di ponticellamento 16 mm2
Riferimento normativo CEI EN 62561-1
Lunghezze speciali possibili su richiesta.
*) Per l’attribuzione precisa vedere il certificato di prova.

Prodotto 416940 è stato aggiunto al blocco note.

Prodotto 416940 è stato aggiunto al carrello.

Apri Web-Shop

Art. 416950 UES 16 L1000 VK RD8 28 FL30 EFP

GTIN (EAN) 4013364508620, Codice doganale (EU): 85359000, Peso lordo: 650.00 g, UM: 25.00 pz.


Immagini

Maggior informazioni

Set di collegamento costituito da
conduttore di collegamento con morsetto di collegamento
connesso e punto fisso di messa a terra
per la messa in sicurezza del collegamento elettrico
del punto fisso di messa a terra con
l’armatura / i ferri di armatura
Tramite il set di collegamento si realizza
il collegamento elettrico sicuro
di un determinato ferro di armatura
(ferro longitudinale), utilizzato come
calata, a dispositivi di captazione,
elementi di facciate, rotaie per gru,
sistemi portacavi, impianti di messa a terra,
collegamenti equipotenziali funzionali, ecc.
Materiale del morsetto di collegamento: Fe/non zincato
Campo di serraggio Td morsetto di collegamento: 8-28 mm
Campo di serraggio Pt morsetto di collegamento: 30 x 3-4 mm
Materiale del punto fisso di messa a terra: Inox (V4A)
Filetto di connessione del punto fisso di messa a terra: M10 / M12
Materiale della corda di ponticellamento: Conduttore di rame flessibile, resistente al gelo
Lunghezza del conduttore della corda di ponticellamento: 1000 mm
Sezione del conduttore della corda di ponticellamento: 16 mm2
Riferimento normativo: CEI EN 62561-1

Fabbricato: DEHN
Tipo: UES 16 L1000 VK RD8 28 FL30 EFP
Art.: 416950
o similare.

Certificati

 

Caratteristiche tecniche

Materiale del morsetto di collegamento Fe/non zincato
Campo di serraggio Td morsetto di collegamento 8-28 mm
Campo di serraggio Pt morsetto di collegamento 30 x 3-4 mm
Materiale del punto fisso di messa a terra Inox (V4A)
Filetto di connessione del punto fisso di messa a terra M10 / M12
Materiale della corda di ponticellamento Conduttore di rame flessibile, resistente al gelo
Lunghezza del conduttore della corda di ponticellamento 1000 mm
Sezione del conduttore della corda di ponticellamento 16 mm2
Riferimento normativo CEI EN 62561-1
Lunghezze speciali possibili su richiesta.
*) Per l’attribuzione precisa vedere il certificato di prova.

Prodotto 416950 è stato aggiunto al blocco note.

Prodotto 416950 è stato aggiunto al carrello.

Apri Web-Shop

Set di ponticellamento

1 Prodotto

Art. 416941 UES 16 L600 2VK RD8 28 FL30

GTIN (EAN) 4013364360273, Codice doganale (EU): 85359000, Peso lordo: 513.00 g, UM: 25.00 pz.


Immagini

Maggior informazioni

Set di ponticellamento costituito da
conduttore di collegamento con due morsetti di collegamento
connessi per il collegamento elettrico
dei ferri di armatura
Con il set di ponticellamento è possibile
collegare tra loro i giunti dei ferri di armatura verticali
(ferri longitudinali) e quindi
è possibile utilizzare come calata
un collegamento elettricamente
rilevante dell’armatura
Materiale del morsetto di collegamento: Fe/non zincato
Campo di serraggio Td morsetto di collegamento: 8-28 mm
Campo di serraggio Pt morsetto di collegamento: 30 x 3-4 mm
Materiale della corda di ponticellamento: Conduttore di rame flessibile, resistente al gelo
Lunghezza del conduttore della corda di ponticellamento: 600 mm
Sezione del conduttore della corda di ponticellamento: 16 mm2
Riferimento normativo: CEI EN 62561-1

Fabbricato: DEHN
Tipo: UES 16 L600 2VK RD8 28 FL30
Art.: 416941
o similare.

Certificati

 

Caratteristiche tecniche

Materiale del morsetto di collegamento Fe/non zincato
Campo di serraggio Td morsetto di collegamento 8-28 mm
Campo di serraggio Pt morsetto di collegamento 30 x 3-4 mm
Materiale della corda di ponticellamento Conduttore di rame flessibile, resistente al gelo
Lunghezza del conduttore della corda di ponticellamento 600 mm
Sezione del conduttore della corda di ponticellamento 16 mm2
Riferimento normativo CEI EN 62561-1
Lunghezze speciali possibili su richiesta.
*) Per l’attribuzione precisa vedere il certificato di prova.

Prodotto 416941 è stato aggiunto al blocco note.

Prodotto 416941 è stato aggiunto al carrello.

Apri Web-Shop

back to top